- 您的位置:
- 标准下载网 >>
- 标准分类 >>
- 轻工行业标准(QB) >>
- QB 1014-1991 食品包装纸
标准号:
QB 1014-1991
标准名称:
食品包装纸
标准类别:
轻工行业标准(QB)
标准状态:
现行-
发布日期:
1991-03-30 -
实施日期:
1992-01-01 出版语种:
简体中文下载格式:
.rar.pdf下载大小:
131.86 KB
中标分类号:
轻工、文化与生活用品>>造纸>>Y32纸
替代情况:
QB 751-80 QB 754-80 QB 832-82采标情况:
ГОСТ 16711-1984 NEQ ГОСТ 8273-1975 NEQ

部分标准内容:
中华人民共和国轻工行业标准
食品包装纸
1主题内容与适用范围
本标准规定了食品包装纸的技术规范。本标准I型适用于经印刷、上蜡加工后,供糖果包装商标用纸。本标准I型适用于经印刷涂蜡加工为冰棍包装纸原纸。QB1014—1991
本标准且型适用于不经涂蜡加工可以直接包装人口食品的普通食品包装纸。2 引用标准
GB/T450纸和纸板试样的采取
GB/T451.1纸和纸板尺寸及偏斜度的测定法GB/T451.2纸和纸板定量的测定法纸和纸板厚度的测定法
GB/T 451.3
GB/T 453
GB/T 454
纸和纸板抗张强度的测定法(恒速加荷法)纸耐破度的测定法
GB/T 455. 1
GB/T 460
GB/T462
GB/T1541
GB/T 2828
GB/T 3561
纸撕裂度的测定法
纸和纸板施胶度的测定法(墨水划线法)纸和纸板水分的测定法
纸和纸板尘埃度测定法
逐批检查计数抽样程序及抽样表(适用于连续批的检查)食品包装用原纸卫生标准的分析方法GB/T 8940. 1
GB/T 10342
纸及纸板白度测定法45/0定向反射法纸张的包装和标志
GB11680
食品包装用原纸卫生标准
3产品分类
3.1型(糖果包装原纸)分A、B、C三等。3.1.1A等和B等纸供机械包糖用。3.1.2C等纸供手工包糖用。
3.1.3糖果包装原纸为卷简纸,按订货合同规定可以生产平板纸。3.1.4平板纸尺寸:787mmX1092mm或按订货合同规定,卷简纸规格可按订货合同规定。3.2Ⅱ型(冰棍包装纸原纸)
3.2.1冰棍包装纸原纸B、C二等。3.2.2冰棍包装纸原纸B等供机械包装冰棍、雪糕用,C等供手工包装冰棍、雪糕用。3.2.3冰棍包装纸原纸为平板纸或按订货合同生产卷筒纸,平板纸尺寸:787mm×1092mm,625mm×118mm,卷简纸规格按订货合同规定。中华人民共和国轻工业部1991-03-30批准1991-12-01实施
QB 1014-1991
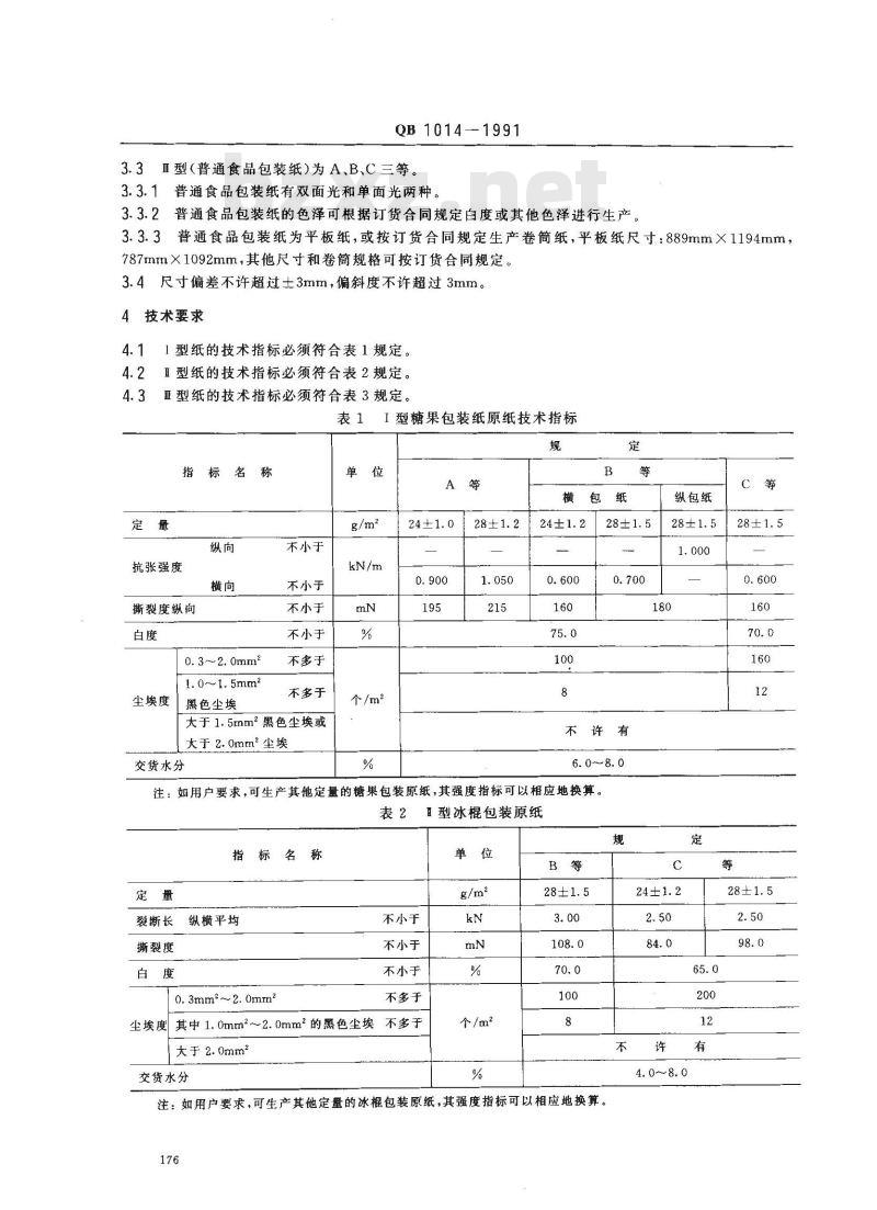
3.3Ⅲ型(普通食品包装纸)为A、B、C三等。3.3.1普通食品包装纸有双面光和单面光两种。3.3.2普通食品包装纸的色泽可根据订货合同规定白度或其他色泽进行生产。3.3.3普通食品包装纸为平板纸,或按订货合同规定生产卷筒纸,平板纸尺寸:889mm×1194mm,787mm×1092mm,其他尺寸和卷筒规格可按订货合同规定。3.4尺寸偏差不许超过士3mm,偏斜度不许超过3mm。4技术要求
4.11型纸的技术指标必须符合表1规定。4.2Ⅱ型纸的技术指标必须符合表2规定。4.3亚型纸的技术指标必须符合表3规定。表1I型糖果包装纸原纸技术指标规
指标名称
抗张强度
撕裂度纵向
0.3~2.0mm2
尘埃度
1.0~1.5mm2
黑色尘埃
不小于
不小于
不小于
不小于
不多于
不多于
大于1.5mm2黑色尘埃或
大于2.0mm2尘埃
交货水分
个/m2
纵包纸
不许有
注;如用户要求,可生产其他定量的糖果包装原纸,其强度指标可以相应地换算,表21型冰棍包装原纸
指标名称
裂断长纵横平均
撕裂度
0.3mm~2.0mm2
不小于
不小于
不小于
不多于
尘埃度其中1.0mm2~2.0mm2的黑色尘埃不多于大于2.0mm2
交货水分
个/m2
注:如用户要求,可生产其他定量的冰棍包装原纸,其强度指标可以相应地换算。176
耐破度
裂断长bzxz.net
施胶度
尘埃度
指标名称
40g/m2
50g/m2
60g/m2
纵横平均
40g/m2~ 50g/m2
60g/m2
0. 3mm2~~2. 0mm2
其中 2. 0mm2~3.0mm2
大于3.0mm2
交货水分
QB 1014-1991
表3直型普通食品包装纸
不小于
不小于
不小于
不多于
个/m2
注:如用户要求,可以生产其他定量的普通食品包装纸,其强度指标可以相应地换算。4.4卫生指标
4.4.1食品包装纸不得采用废旧纸和社会回收废纸作原料。4.4.2食品包装纸不得使用荧光增白剂或对人体有影响的化学助剂。4.4.3食品包装纸必须符合表4、表5规定。表4
铅(以 Pb 计),mg/kg
砷(以As计),mg/kg
荧光性物质
254nm及365nm
脱色试验(水、正已烷)
注:摘自GB11680—1989规定表1。项
大肠菌群(个/100g)
致病菌(系指肠道致病菌、致病性球菌)注:摘自GB11680—1989规定表2。目
不许有
5.0~9.0
不得检出
4.5外观质量
4.5.1纸张不许有明显的云彩花、折子,皱纹、残缺、破损、裂缺、裂口、孔眼以及严重突起的砂粒、硬质块、浆疙瘩等影响使用等纸病。177
4.5.2纸张的切边应整齐、洁净。4.5.3纸张的纤维组织均匀。
QB 1014—1991
4.6有下列情况者为二等品,但不得同时超过两项4.6.1定量超过允许误差土2%以内者。4.6.2
白度低于规定2%以内者。
裂断长低于规定10%以内者(只适用于Ⅱ、Ⅲ型纸)。4.6.3
4.6.4耐破度低于规定10%以内者(只适用于型纸)。4.6.5尘埃超过规定20%以内者。双面光纸必须两面平滑,单面光的纸,光面应有较好的光泽,纸张不应有显著的色差。4.6.6
5试验方法
尺寸及偏斜度按GB/T451.1进行测定。5.1
5.2定量按GB/T451.2进行测定。5.3抗张强度按GB/T453进行测定。5.4撕裂度按GB/T455.1进行测定。5.5白度按GB/T8940.1进行测定。5.6施胶度按GB/T460进行测定。5.7水分按GB/T462进行测定。
5.8耐破度按GB/T.454进行测定。5.9尘埃度按GB/T1541进行测定。卫生指标按GB/T3561进行测定。5.10
6检验规则
6.1以-一次交货量为一批,但不多于30t。6.2生产厂应保证生产的纸张符合本标准要求,每卷简(件)应附质量检验合格证一份。6:3交收抽样检验按GB/T2828进行,样本单位为令或卷筒。6.4交收抽样方案、检查水平、抽样方案及合格质量水平(AQL)按表6规定。表6
正常二次检查抽样方案检查水平 S-3批
卷筒(或令)
1~50
51~150
151~~3200
样本大小
B类不合格品
C类不合格品
不合格分类
不合格
抗张强度(或平
均裂断长)
撕裂度
卫生指标
I型耐破度
不合格
尘埃度
水頭分
外观纸病
Ⅱ型施胶度
6.5试样检查前处理应按GB/T450规定进行。6.6用户有权按本标准进行验收,如对批质量有异议,应在到货后三个月内通知生产厂共同复验,如不符合本标准的要求,应判为批不合格,由生产厂负责处理。若符合本标准要求,由用户负责处理。178
7标志、包装、运输、存
QB1014—1991
7.1食品包装和标志按GB/T10342的规定进行或按订货合同的要求进行。7.2纸张应妥善保管,以防止雨、雪和地面湿气的影响。7.3生产、经营食品包装纸的单位在生产、加工、运输、贮存过程中严防毒害药品和重金属粉尘的污染。附加说明:
本标准由轻工业部造纸工业司提出。本标准由全国造纸标准化中心归口。本标准由上海神州造纸厂负责起草。本标准主要起草人王厚安、苏翠金。本标准参照苏联TOCT16711—1984《涂蜡纸原纸》和IOCT8273--1975《包装纸》。自本标准实施之日起,原轻工业部部标准QB751—1980《糖果包装纸原纸》、QB754—1980《冰棍包装纸原纸》和QB832—1982《普通食品包装纸》作废。179
小提示:此标准内容仅展示完整标准里的部分截取内容,若需要完整标准请到上方自行免费下载完整标准文档。
食品包装纸
1主题内容与适用范围
本标准规定了食品包装纸的技术规范。本标准I型适用于经印刷、上蜡加工后,供糖果包装商标用纸。本标准I型适用于经印刷涂蜡加工为冰棍包装纸原纸。QB1014—1991
本标准且型适用于不经涂蜡加工可以直接包装人口食品的普通食品包装纸。2 引用标准
GB/T450纸和纸板试样的采取
GB/T451.1纸和纸板尺寸及偏斜度的测定法GB/T451.2纸和纸板定量的测定法纸和纸板厚度的测定法
GB/T 451.3
GB/T 453
GB/T 454
纸和纸板抗张强度的测定法(恒速加荷法)纸耐破度的测定法
GB/T 455. 1
GB/T 460
GB/T462
GB/T1541
GB/T 2828
GB/T 3561
纸撕裂度的测定法
纸和纸板施胶度的测定法(墨水划线法)纸和纸板水分的测定法
纸和纸板尘埃度测定法
逐批检查计数抽样程序及抽样表(适用于连续批的检查)食品包装用原纸卫生标准的分析方法GB/T 8940. 1
GB/T 10342
纸及纸板白度测定法45/0定向反射法纸张的包装和标志
GB11680
食品包装用原纸卫生标准
3产品分类
3.1型(糖果包装原纸)分A、B、C三等。3.1.1A等和B等纸供机械包糖用。3.1.2C等纸供手工包糖用。
3.1.3糖果包装原纸为卷简纸,按订货合同规定可以生产平板纸。3.1.4平板纸尺寸:787mmX1092mm或按订货合同规定,卷简纸规格可按订货合同规定。3.2Ⅱ型(冰棍包装纸原纸)
3.2.1冰棍包装纸原纸B、C二等。3.2.2冰棍包装纸原纸B等供机械包装冰棍、雪糕用,C等供手工包装冰棍、雪糕用。3.2.3冰棍包装纸原纸为平板纸或按订货合同生产卷筒纸,平板纸尺寸:787mm×1092mm,625mm×118mm,卷简纸规格按订货合同规定。中华人民共和国轻工业部1991-03-30批准1991-12-01实施
QB 1014-1991
3.3Ⅲ型(普通食品包装纸)为A、B、C三等。3.3.1普通食品包装纸有双面光和单面光两种。3.3.2普通食品包装纸的色泽可根据订货合同规定白度或其他色泽进行生产。3.3.3普通食品包装纸为平板纸,或按订货合同规定生产卷筒纸,平板纸尺寸:889mm×1194mm,787mm×1092mm,其他尺寸和卷筒规格可按订货合同规定。3.4尺寸偏差不许超过士3mm,偏斜度不许超过3mm。4技术要求
4.11型纸的技术指标必须符合表1规定。4.2Ⅱ型纸的技术指标必须符合表2规定。4.3亚型纸的技术指标必须符合表3规定。表1I型糖果包装纸原纸技术指标规
指标名称
抗张强度
撕裂度纵向
0.3~2.0mm2
尘埃度
1.0~1.5mm2
黑色尘埃
不小于
不小于
不小于
不小于
不多于
不多于
大于1.5mm2黑色尘埃或
大于2.0mm2尘埃
交货水分
个/m2
纵包纸
不许有
注;如用户要求,可生产其他定量的糖果包装原纸,其强度指标可以相应地换算,表21型冰棍包装原纸
指标名称
裂断长纵横平均
撕裂度
0.3mm~2.0mm2
不小于
不小于
不小于
不多于
尘埃度其中1.0mm2~2.0mm2的黑色尘埃不多于大于2.0mm2
交货水分
个/m2
注:如用户要求,可生产其他定量的冰棍包装原纸,其强度指标可以相应地换算。176
耐破度
裂断长bzxz.net
施胶度
尘埃度
指标名称
40g/m2
50g/m2
60g/m2
纵横平均
40g/m2~ 50g/m2
60g/m2
0. 3mm2~~2. 0mm2
其中 2. 0mm2~3.0mm2
大于3.0mm2
交货水分
QB 1014-1991
表3直型普通食品包装纸
不小于
不小于
不小于
不多于
个/m2
注:如用户要求,可以生产其他定量的普通食品包装纸,其强度指标可以相应地换算。4.4卫生指标
4.4.1食品包装纸不得采用废旧纸和社会回收废纸作原料。4.4.2食品包装纸不得使用荧光增白剂或对人体有影响的化学助剂。4.4.3食品包装纸必须符合表4、表5规定。表4
铅(以 Pb 计),mg/kg
砷(以As计),mg/kg
荧光性物质
254nm及365nm
脱色试验(水、正已烷)
注:摘自GB11680—1989规定表1。项
大肠菌群(个/100g)
致病菌(系指肠道致病菌、致病性球菌)注:摘自GB11680—1989规定表2。目
不许有
5.0~9.0
不得检出
4.5外观质量
4.5.1纸张不许有明显的云彩花、折子,皱纹、残缺、破损、裂缺、裂口、孔眼以及严重突起的砂粒、硬质块、浆疙瘩等影响使用等纸病。177
4.5.2纸张的切边应整齐、洁净。4.5.3纸张的纤维组织均匀。
QB 1014—1991
4.6有下列情况者为二等品,但不得同时超过两项4.6.1定量超过允许误差土2%以内者。4.6.2
白度低于规定2%以内者。
裂断长低于规定10%以内者(只适用于Ⅱ、Ⅲ型纸)。4.6.3
4.6.4耐破度低于规定10%以内者(只适用于型纸)。4.6.5尘埃超过规定20%以内者。双面光纸必须两面平滑,单面光的纸,光面应有较好的光泽,纸张不应有显著的色差。4.6.6
5试验方法
尺寸及偏斜度按GB/T451.1进行测定。5.1
5.2定量按GB/T451.2进行测定。5.3抗张强度按GB/T453进行测定。5.4撕裂度按GB/T455.1进行测定。5.5白度按GB/T8940.1进行测定。5.6施胶度按GB/T460进行测定。5.7水分按GB/T462进行测定。
5.8耐破度按GB/T.454进行测定。5.9尘埃度按GB/T1541进行测定。卫生指标按GB/T3561进行测定。5.10
6检验规则
6.1以-一次交货量为一批,但不多于30t。6.2生产厂应保证生产的纸张符合本标准要求,每卷简(件)应附质量检验合格证一份。6:3交收抽样检验按GB/T2828进行,样本单位为令或卷筒。6.4交收抽样方案、检查水平、抽样方案及合格质量水平(AQL)按表6规定。表6
正常二次检查抽样方案检查水平 S-3批
卷筒(或令)
1~50
51~150
151~~3200
样本大小
B类不合格品
C类不合格品
不合格分类
不合格
抗张强度(或平
均裂断长)
撕裂度
卫生指标
I型耐破度
不合格
尘埃度
水頭分
外观纸病
Ⅱ型施胶度
6.5试样检查前处理应按GB/T450规定进行。6.6用户有权按本标准进行验收,如对批质量有异议,应在到货后三个月内通知生产厂共同复验,如不符合本标准的要求,应判为批不合格,由生产厂负责处理。若符合本标准要求,由用户负责处理。178
7标志、包装、运输、存
QB1014—1991
7.1食品包装和标志按GB/T10342的规定进行或按订货合同的要求进行。7.2纸张应妥善保管,以防止雨、雪和地面湿气的影响。7.3生产、经营食品包装纸的单位在生产、加工、运输、贮存过程中严防毒害药品和重金属粉尘的污染。附加说明:
本标准由轻工业部造纸工业司提出。本标准由全国造纸标准化中心归口。本标准由上海神州造纸厂负责起草。本标准主要起草人王厚安、苏翠金。本标准参照苏联TOCT16711—1984《涂蜡纸原纸》和IOCT8273--1975《包装纸》。自本标准实施之日起,原轻工业部部标准QB751—1980《糖果包装纸原纸》、QB754—1980《冰棍包装纸原纸》和QB832—1982《普通食品包装纸》作废。179
小提示:此标准内容仅展示完整标准里的部分截取内容,若需要完整标准请到上方自行免费下载完整标准文档。

标准图片预览:





- 其它标准
- 上一篇: QB 1118-1991 L-天门冬氨酸
- 下一篇: QB 1257-1991 软聚氯乙烯吹塑薄膜
- 热门标准
- 轻工行业标准(QB)
- QB/T2485-2000 香皂
- QB/T5396-2019 水晶自动研磨机
- QB/T4625-2014 黄瓜罐头
- QB/T1693-1993 制浆造纸机械设备术语
- QB/T1975—2004 护发素
- QB/T2894-2007 丙烯腈-丁二烯-苯乙烯(ABS)色母料
- QB/T2896-2007 纸和纸板湿拉毛和湿排 斥的测定
- QB/T5287一2018 口腔清洁护理用品牙膏用美洲大蠊提取物
- QB/T5201-2017 冰衬疫苗保存箱
- QB/T2961-2017 美工刀
- QB/T5281-2018 数显花洒
- QB/T4428-2012 电动自行车用锂离子电池产品规格尺寸
- QB/T5033-2017 藤椅
- QB/T4328-2012 电子鼓用音箱通用技术条件
- QB/T2601-2013 体育场馆公共座椅
- 行业新闻
请牢记:“bzxz.net”即是“标准下载”四个汉字汉语拼音首字母与国际顶级域名“.net”的组合。 ©2009 标准下载网 www.bzxz.net 本站邮件:bzxznet@163.com
网站备案号:湘ICP备2023016450号-1
网站备案号:湘ICP备2023016450号-1