- 您的位置:
- 标准下载网 >>
- 标准分类 >>
- 国家标准(GB) >>
- GB/T 17759-1999 本色布布面疵点检验方法
标准号:
GB/T 17759-1999
标准名称:
本色布布面疵点检验方法
标准类别:
国家标准(GB)
标准状态:
现行-
发布日期:
1999-05-02 -
实施日期:
1999-12-01 出版语种:
简体中文下载格式:
.rar.pdf下载大小:
291.29 KB
替代情况:
被GB/T 17759-2009代替采标情况:
=C.R.T.M.
点击下载
标准简介:
标准下载解压密码:www.bzxz.net
本标准规定了各类本色布布面疵点检验条件、检验方法、检验报告。本标准适用于工业用、衣着用、装饰用的机织生产的本色布布面疵点的检验。 GB/T 17759-1999 本色布布面疵点检验方法 GB/T17759-1999
部分标准内容:
GB/T17759—1999
制定本标准的目的是为了方便其他纺织产品标准的起草和编制,有利于规范纺织产品外观质量中局部性布面瓣点和分散性布面疵点检验。本标准参考了国际上有关国家的相关标准,根据国内本色布在生产、销售过程中的不同要求对布面疵点的检验归纳成:评分法、计点法和标疵法。这些方法的本身不代表一个标准的质量水平,而是根据疵点的严重程度给出评分、计点、标疵的办法。本标准所编制的评分法中的10分制评分法等效采用了日本纺织检查协会棉织品(整理后)出口检查标准,4分制评分法等效采用了美国梭织物范友生疵点评分标准,11分制评分法非等效采用了前苏联『OCT国家标准,计点法等效采用了法国C.R.T.M.(米罗兹纺织研究中心)最后疵点的检验方法标准。本标准的附录A、附录B都是标准的附录。本标准自1999年12月1日起实施。本标准由国家纺织工业局提出。本标推由上海市纺织工业技术监督所归口。本标准起草单位:上海市纺织工业技术监督所、杭州第二棉纺织厂、郑州第六棉纺织厂、河南省纺织品检测中心、安庆梯纺织厂。
本标准主要起草人:陈文娟、唐琪华、张宏建、佘国青、刘兆文。158
1范围
中华人民共和国国家标准
本色布布面疵点检验方法
Method of inspection for grey fabricsurface defects
本标准规定了各类本色布布面疵点检验条件,检验方法、检验报告。本标准适用于工业用、衣替用、装饰用的机织生产的本色布布面疵点的检验。2引用标准
GB/T 17759—1999
下列标准所包含的条文,通过在本标准中引用而构成为本标准的条文。本标准出版时,所示版本均为有效。所有标准都会被修订,使用本标准的各方应探讨使用下列标准最新版本的可能性。GB/T 406—1993棉本色布
GB/T5325—1997精梳涤棉混纺本色布FZ/T01018—1992纺织品机织物疵点术语3定义
本标准采用下列定义。
3.1 评分法 point assessing
以分数值的大小来评定布面疵点的多少、轻重程度的方法,并规定一定长度内允许疵点最大的评分值。
3.2 标疵法 defect marking method用标记来显示布面上的某些疵点的位置和数量,并规定放布来取代疵点的方法。3. 3 计点法 point counting method以记录疵点的点数和疵点的标记数来评定布面疵点轻重程度的方法。3.4主要疵点 major defects
足以使最终产品定为不合格品的局部或散布性严重点。3.5 次要疵点 minor defects
疵点是否使最终成品为次品的赃点,还要取决于该疵点在最终产品的位置或在加工中消失的可能4检验
4.1检验条件
4.1.1检验布面光照度为4001x土1001x,可采用下灯光或上灯光。4.1.2验布机的线速度不大于20m/min(包括手推台板)。4.2操作规定
国家质量技术监督局1999-05-28批准1999-12-01实施
GB/T 17759—1999
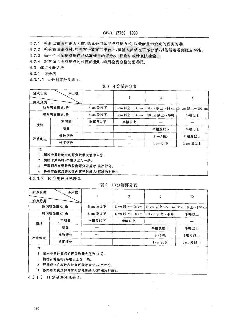
4.2.1检验以布面的正面为准,选择采用单层或双层方式,以最能显示疵点的程度为准、4.2.2检验布面疵点时,应将布平放在工作台上,检验人员站在工作台旁,以能清楚看到疵点为准。4.2.3每一个可见窥点按产品标准规定的评分法、标疵法或计点法检验。4.2.4对布面上所有疵点的长度测量时,均用检测合格的钢卷尺。4.3疵点检验方法
4.3.1评分法
4.3.1.14分制评分见表1。
表14分制评分表
疵点长度
避点分类
评分数
经向明显疵点,条
纬向明显疵点,条
严重婉点
不明显
根数评分
长度评分
8cm及以下
8 cm 及以下
半幅及以下
每米中累计概点的评分数最大值为 4 分。1
2横档计算条时,半幅以上为一条。3 严重点在根数和长度评分矛盾时,从严评分。2
8 cm 以上~16 cm
16cm以上~24cm24cm以上~100cm8 cm 以上~16 cm
半幅以上
4各类布面点的具体内容见附录A(标准的附录)。4.3.1.210分制评分见表2。
表210分制评分表
疵点长度
避点分类
评分数
经向明显疵点,条
纬向明显点,条
严重疵点
不明显
根数评分
长度评分
5cm及以下
5cm及以下
半幅及以下
1每米中累计瘫点的评分数大值为10分。2横档计算条时,半幅以上为一条。3严重疵点在根数和长度评分矛盾时,从严评分。3
16 cm以上~半幅
半幅及以下
3~4(根)
1cm以下
半幅以上
半幅以上
5根及以上
1cm及以上
5cm以上~20cm
20cm以上~50cmj50cm以上~100cm5cm以上~~20 cm
半幅以上
4各类布面窥点的具体内容见附录A(标准的附录)4.3.1.311分制评分见表3。
20 cm 以上~半幅
半幅及以下
3~4根
1 cm以下
半幅以上
半幅以上
5根及以上
1cm及以上
疵点程度
疵点名称
错纤维、断经、沉纱、
单根,每长1~5cm
综穿错
GB/T 177591999
表311分制评分表
并列2根断经、沉纱 1
并列2根,1 cm及以|cm及以上的,每1cm内
高密织物,10~30 cm
卡其织物,10~30cm
粗经、并线松紧每长
粗经、吊经纱、紧经
纱、并线松紧、松经
吊经纱、紧经纱、松经
1.0~5.0 cm
0. 5m内,0. 5
1. 0 cm以内的松经,
每3个
双经、箍路、箍穿错、每100cm
针路、花经
双纬、脱纬
密路、稀纬
条干不匀、云织
高密织物每2根按1
经缩波纹方眼每1.0经缩浪纹1.0cm以内|1.0cm及以上,经缩cm
纬向一直条浪纹 1 榜
分散双纬,每条
分散开车稀密路,每条
横贡织物,每条
纬向直条浪纹2榜浪纹每1 cm
纬向一直条波纹
1.0~12.0cm以下起
毛或布面指浆抹水
经向10cm内满2条3~4根脱纬
双纬,每条6.0~~12
cm以下脱纬,每条
起毛或布面措浆抹水,
5根及以上的脱纬
经向1cm内少2根,0.5m内满4条开车每条
稀密路
经向1cm内少3根,
经向1.0cm以内少3
纬向长1~12cm以下根及以上的稀纬,每条经向0.5cm内纬密多经向长5.0cm以上的25%~35%以下,密路密路,每条每条
轻微的每3梭~2. 0
明显的3梭以内,每梭
叠起来看得出,1m内
有 1~ 2 条交界线,每
纬向长1.0~12cm以线状的百脚,每条内,每条
经向 0. 5 cm 内,纬密
多35%及以上,每条
叠起来看得出,经向
1.0m及以内
锯状的百脚,每条
疵点程度
疵点名称
破洞、豁边、跳花
烂边、猫耳朵
修整不良、霉斑
GB/T 17759—1999
表3(续)
断(跳)3~4根1.0cm断(跳)3~4根 1cm以内
以上,断跳5根及以上
经向长0.3cm以内,经向长0.3~0.5cm凸出布边0.3cm的猫经向长0.5cm及以0.5m内,每6个
从边开始 6 cm 以内的
脱纬,12 cm以内的双
纬,经向10 cm内,每
3梭纬纱并列露出边
外成须状,经向1/2
cm内满6根,每2根
纬缩、边撑斑、棉球
星跳、跳纱
断疵、布面拖纱、
杂物织入
经向0.5m内、分散结
头,每3个
经向0.5m内,每3个
边撑症经向 10 cm 内,
满6个,每个
经向0.5m内,满3
节,每节
1. 0 cm以下经、纬向
跳,1/2m内每6梭,
经向10cm内满6梭,bzxz.net
每梭,1.0cm及以上
纬向跳纱,每梭1.0
cm 内一直条并列经、
纬向跳纱,每个
粗 0. 1~0. 2 cm,每个
以内,烂边每个
布面被刮起毛,每长
1. 0~~10 cm
布面不平,经纬交叉不
每长1.0~5.0cm
耳朵,经向长1.0cm上,每个
及以上
损伤布底,每处
爵斑,每处
经向0.5m内,满20
经向10cm内,满10
纬纱起圈经向一直条经向0.5m内纬缩,棉每长1/2cm及以内满球满20个
经向 10 cm内满 15个
粗0. 2 cm以上~0. 3
cm,每个
粗0.3cm以上每个,
!金属杂物织入,每个
点程度
斌点名称
浆斑、油经、
流印、油纬、
油花、油溃、
布开花、锈经、
煤灰纱、锈纬、
不褪色锈溃、
污溃、
水溃、
GB/T 17759--1999
表3完)
浅色的油纱,每长1.0深色的油、锈、浆色,~10 cm
深色的油纱,每长0.5
浅色的油溃,0.5~2.0
经向0. 5m内不到评
分起点的油锈疵、褪色
的色疵,每3个
污渍、水溃、流印,每长
11/2m内累计评分最多评11分。
2纬向疵点长12 cm及以上作为一条。0.3~~1.0 cm
3疵点名称的说明见附录B(标准的附录)和FZ/T01018。4.3.2标脏法
4.3.2.1疵点标巍范围见表4。
表4瘫点标疵范围
概点名称和程度
5根及以上的破洞、豁边、跳花,1 cm及以上的经缩浪纹,影响组织的浆斑、霉斑,损伤布底的修正不良
经向20cm及以内0.3cm×3cm及以上的块状概点经向20cm及以内0.3cm×3cm以下的点满10个经向20 cm及以内序号1、2 概点 4个及以内11
标疵个数
0. 5 cm 的豁边,1 cm 的破洞、烂边、稀弄,不对接轧梭、2 cm 以上的跳花不能标瘫,必须开剪,金属杂物织人必须剔除。
标疵位置都应该在疵点存在的相应部位的布边上。2
4.3.2.2标疵放布规定
疵点经向长度不足5cm的不放布。疵点经向长度超过5cm至20cm的放布15cm。4.3.2.3定等规定
标疵数在一一等品允许范围内为一等品,超过为降等品。幅宽狭于规定要求的为降等品。4.3.3计点法
4.3.3.1在经纬方向上所有的疵点都按照它们的长度计点,计点规定见表5。163
疵点点数
疵点长度
距布边12cm以内
4.3.3.2疵点的标记
3cm以内
-4点的疵点用红色;
一2点和3点的疵点用绿色;
1点的疵点只记数。
4.3.3.3一等品内不允许有红色标记。GB/T 17759—1999
表5计点法规定
3. 0 cm~~20 cm
20 cm~~50 cm
50cm以上
1.5cm以下
4.3.3.4用计点法来评定布匹的等级时,应该规定一个约定匹长中允许存在的疵点的点数和疵点的标记数(见示例)。
示例:幅宽为150cm,布匹每100m一等品少于55个点和22个记号;二等品少于等于85个点和35个记号;一三等大于85个点和35个记号。4.3.3.5距布边12cm以内的经向疵点每米记2个点,不作标记。4.4布面疵点的量计规定
4.4.1疵点的长度以经向或纬向最大长度量计。各种疵点的具体内容、名称见附录A、附录B。4.4.2表1、表2采用划“条”的量计方法。划“条”的量计方法规定如下:4.4.2.1一个或几个经(纬)向疵点,在宽1cm及以内的按一条评分,宽度超过1cm的每1cm为-条,其不足1 cm的按一条计。
4.4.2.2在条内断续发生的疵点,在经(纬)向计量范围内有两个及以上的则按连续长度评分。4.4.2.3在-条内有两个及以上经(纬)向明显疵点(包括不同名称的疵点)断续发生(间距在计量范围内)时,按程度重的全部量或分别量从轻评分。4.4.3经(纬)向明显疵点及严重疵点,经向长度超过1m的其超过部分按表1、表2再行评分。4.4.4主要疵点按表1、表2或表3评分。4.4.5次要疵点评分可以按主要疵点评分要求酌减,按产品标准要求执行。4.5疵点程度的规定
4.5.1竹节、粗经、粗纬、经缩、拆痕、修正不良、油疵七种疵点程度按GB/T 406本色布布面疵点样照或GB/T5325精梳涤棉本色布布面疵点样照执行。4.5.2稀纬、密路以登起来看得清楚为明显,单层看得清楚,叠起来看不清楚为不明显。若发生争议时,以点根数加以区别。
5检验报告
检验报告应包括以下内容:
a)阐明检验是按本标准进行的、所采用的方法;b)被检产品的名称、规格、受检单位名称;c)受检产品的数量,包括段数、段长和检验结果;d)受检日期、检验人员签名;
e)现场检验应说明的问题。
A1经向明显疵点
GB/T17759—1999
附录A
(标准的附录)
各类布面疵点的具体内容
竹节、粗经、特克斯数用错、综穿错、路、穿错、多股经、双经、并线松紧、松经、紧经、吊经、经缩波纹、断经、断疵、沉纱、星跳、跳纱、棉球、结头、边撑蜓、拖纱、修正不良、错纤维、油渍、油经、锈渍、不褪色色经、不褪色色溃、水渍、污溃、浆斑、布开花、油花纱、猫耳朵、凹边、烂边、花经、长条影、针路、磨痕、木辑皱、荷叶边、经缩方眼、边撑眼、锈经、煤灰纱。A2纬向明显疵点
错纬(包括粗、细、紧、松)、条干不勺、脱纬、双纬、纬缩、毛边、云织、杂物织入、花纬、油纬、锈纬、不褪色色纬、煤灰纱、百脚(包括线状及锯状)、断纬。A3横档
拆痕、稀纬、密路。
A4严重斌点
破洞、豁边、跳花、稀弄、经缩浪纹(三楞起算)、并列3根吊经、松经(包括隔开1一2根好纱的)、不对接轧梭、1 cm的烂边、金属杂物织入、影响组织的浆斑、斑、损伤布底的修正不良、经向5 cm内整幅中满10个结头或边撑瘫。
A5经向疵点及纬向疵点中,有些疵点是这两类共同性的,如竹节、跳纱等。在分类中只列入经向疵点一类,如在纬向出现时,应按纬向疵点评分。A6如在布面上出现上述未包括的疵点按相似疵点评分。165
GB/T17759—1999
附录B
(标准的附录)
疵点名称的说明
B1破洞:3根及以上经纬纱共断或单断经、纬纱(包括隔开1~2根好纱的),经纬纱起圈高出布面0.3cm反面形似破洞。
B2豁边:边组织内3根及以上经、纬纱共断或单断经纱(包括隔开1~2根好纱)。双边纱2根作1根计,3根及以上的有1根算1根。
B3跳花:3根及以上的经、纬纱相互脱离组织,包括隔开-个完全组织。B4烂边:边组织内单断纬纱,处断3根的。B5修正不良,布面被刮起毛,起皱不平,经、纬纱交叉不匀或只修不整。B6霉斑:受潮后布面出现霉点(斑)。B7毛边:由于边剪作用不良或其他原因,使纬纱不正常被带入织物内(包括距边5cm以下的双纬和脱纬)。
B8结头:影响后工序质量的结头。B9纬缩:纬纱扭结织入布内或起圈现于布面(包括经纱起圈及松纬缩三楞起算)。B10边撑蜓:边撑或刺毛辊使织物中纱线起毛或轧断。B11
棉球:织造中纱线受摩擦后使纤维呈球状。竹节:纱线上短片段的粗节。
星跳:1根经纱或纬纱跳过2~4根形成星点状的。B14
跳纱:1~2根经纱或纬纱跳过5根及以上的。B15
断疵:经纱断头纱尾织入布内。拖纱:拖在布面或布边上未剪去的纱头。B16
杂物:飞花、回丝、油花、皮质、木质、金属(包括瓷器)等杂物织入。B18
断经:织物内经纱断缺。
沉纱:由于提综不良,造成经纱浮在布面。B19
综穿错:没有按工艺要求穿综,而造成布面组织错乱。B21
错纤维:异纤维纱线织入。
粗经:直径偏粗长5cm及以上的经纱织入布内。B23
吊经:部分经纱在织物中张力过大。B24
紧经:部分经纱度过大。
松经:指部分经纱张力松弛织入布内。B26
并线松紧:单纱加捻为股线时张力不匀。B27
双经:单纱(线)织物中有2根经纱并列织入。箍路:织物经向呈现条状稀密不勾。箍穿错:没有按工艺要求穿,造成布面上经纱排列不匀。B30
针路:由于点啄式断纬自停装置不良,造成经向密集的针痕。B31
经缩:部分经纱受意外张力后松弛,使织物表面呈现块状或条状的起伏不平。B32
拆痕:拆布后布面上留下的起毛痕迹和布面措浆抹水。双纬;单纬织物一梭口内有2根纬纱织入布内。B33
脱纬:一梭口内有3根及以上的纬纱织入布内(包括连续双纬)。B35煤灰纱:被空气中的煤灰污染的纱(单层检验为准,对深色油卡)。166
B36密路:纬密多于工艺标准规定。B37
稀纬:纬密少于工艺标准规定。GB/T 17759—1999
条干不匀:叠起来看前后都能与正常纱线明显划分得开的较差的纬纱条干。云织:纬纱密度稀密相间呈规律性的段稀段密。错纬:直径偏粗、偏细长5cm及以上的纬纱、紧捻、松捻纱织入布内。花纬:由于配棉成分变化或陈旧的纬纱,使布面色泽不同,且有1~2个分界线。花经:由于配棉成分变化,使布面色泽不同。百脚:斜纹或缎纹织物一个完全组织内缺1~2根纬纱(包括多头百脚)。水渍溃;织物沾水后留下的痕迹。污渍:织物沾污后留下痕迹。
磨痕:布面经向形成一直条的痕迹。浆斑:浆块附着布面影响织物组织。布开花:异纤维或色纤维混入纱线中织入布内。宽、狭幅:幅宽度上下偏差超过标准规定。凹边:凹进布边0.5cm及以上。
猫耳朵:凸出布边0.5cm及以上。荷叶边:布边呈荷叶状的。
木辊皱:织物经向有三层折叠在一起而形成的折痕。稀弄:纬纱密度1cm少5根及以上成弄的。边撑眼:边撑刺辊使织物上造成边部密集的刺眼。167
小提示:此标准内容仅展示完整标准里的部分截取内容,若需要完整标准请到上方自行免费下载完整标准文档。
制定本标准的目的是为了方便其他纺织产品标准的起草和编制,有利于规范纺织产品外观质量中局部性布面瓣点和分散性布面疵点检验。本标准参考了国际上有关国家的相关标准,根据国内本色布在生产、销售过程中的不同要求对布面疵点的检验归纳成:评分法、计点法和标疵法。这些方法的本身不代表一个标准的质量水平,而是根据疵点的严重程度给出评分、计点、标疵的办法。本标准所编制的评分法中的10分制评分法等效采用了日本纺织检查协会棉织品(整理后)出口检查标准,4分制评分法等效采用了美国梭织物范友生疵点评分标准,11分制评分法非等效采用了前苏联『OCT国家标准,计点法等效采用了法国C.R.T.M.(米罗兹纺织研究中心)最后疵点的检验方法标准。本标准的附录A、附录B都是标准的附录。本标准自1999年12月1日起实施。本标准由国家纺织工业局提出。本标推由上海市纺织工业技术监督所归口。本标准起草单位:上海市纺织工业技术监督所、杭州第二棉纺织厂、郑州第六棉纺织厂、河南省纺织品检测中心、安庆梯纺织厂。
本标准主要起草人:陈文娟、唐琪华、张宏建、佘国青、刘兆文。158
1范围
中华人民共和国国家标准
本色布布面疵点检验方法
Method of inspection for grey fabricsurface defects
本标准规定了各类本色布布面疵点检验条件,检验方法、检验报告。本标准适用于工业用、衣替用、装饰用的机织生产的本色布布面疵点的检验。2引用标准
GB/T 17759—1999
下列标准所包含的条文,通过在本标准中引用而构成为本标准的条文。本标准出版时,所示版本均为有效。所有标准都会被修订,使用本标准的各方应探讨使用下列标准最新版本的可能性。GB/T 406—1993棉本色布
GB/T5325—1997精梳涤棉混纺本色布FZ/T01018—1992纺织品机织物疵点术语3定义
本标准采用下列定义。
3.1 评分法 point assessing
以分数值的大小来评定布面疵点的多少、轻重程度的方法,并规定一定长度内允许疵点最大的评分值。
3.2 标疵法 defect marking method用标记来显示布面上的某些疵点的位置和数量,并规定放布来取代疵点的方法。3. 3 计点法 point counting method以记录疵点的点数和疵点的标记数来评定布面疵点轻重程度的方法。3.4主要疵点 major defects
足以使最终产品定为不合格品的局部或散布性严重点。3.5 次要疵点 minor defects
疵点是否使最终成品为次品的赃点,还要取决于该疵点在最终产品的位置或在加工中消失的可能4检验
4.1检验条件
4.1.1检验布面光照度为4001x土1001x,可采用下灯光或上灯光。4.1.2验布机的线速度不大于20m/min(包括手推台板)。4.2操作规定
国家质量技术监督局1999-05-28批准1999-12-01实施
GB/T 17759—1999
4.2.1检验以布面的正面为准,选择采用单层或双层方式,以最能显示疵点的程度为准、4.2.2检验布面疵点时,应将布平放在工作台上,检验人员站在工作台旁,以能清楚看到疵点为准。4.2.3每一个可见窥点按产品标准规定的评分法、标疵法或计点法检验。4.2.4对布面上所有疵点的长度测量时,均用检测合格的钢卷尺。4.3疵点检验方法
4.3.1评分法
4.3.1.14分制评分见表1。
表14分制评分表
疵点长度
避点分类
评分数
经向明显疵点,条
纬向明显疵点,条
严重婉点
不明显
根数评分
长度评分
8cm及以下
8 cm 及以下
半幅及以下
每米中累计概点的评分数最大值为 4 分。1
2横档计算条时,半幅以上为一条。3 严重点在根数和长度评分矛盾时,从严评分。2
8 cm 以上~16 cm
16cm以上~24cm24cm以上~100cm8 cm 以上~16 cm
半幅以上
4各类布面点的具体内容见附录A(标准的附录)。4.3.1.210分制评分见表2。
表210分制评分表
疵点长度
避点分类
评分数
经向明显疵点,条
纬向明显点,条
严重疵点
不明显
根数评分
长度评分
5cm及以下
5cm及以下
半幅及以下
1每米中累计瘫点的评分数大值为10分。2横档计算条时,半幅以上为一条。3严重疵点在根数和长度评分矛盾时,从严评分。3
16 cm以上~半幅
半幅及以下
3~4(根)
1cm以下
半幅以上
半幅以上
5根及以上
1cm及以上
5cm以上~20cm
20cm以上~50cmj50cm以上~100cm5cm以上~~20 cm
半幅以上
4各类布面窥点的具体内容见附录A(标准的附录)4.3.1.311分制评分见表3。
20 cm 以上~半幅
半幅及以下
3~4根
1 cm以下
半幅以上
半幅以上
5根及以上
1cm及以上
疵点程度
疵点名称
错纤维、断经、沉纱、
单根,每长1~5cm
综穿错
GB/T 177591999
表311分制评分表
并列2根断经、沉纱 1
并列2根,1 cm及以|cm及以上的,每1cm内
高密织物,10~30 cm
卡其织物,10~30cm
粗经、并线松紧每长
粗经、吊经纱、紧经
纱、并线松紧、松经
吊经纱、紧经纱、松经
1.0~5.0 cm
0. 5m内,0. 5
1. 0 cm以内的松经,
每3个
双经、箍路、箍穿错、每100cm
针路、花经
双纬、脱纬
密路、稀纬
条干不匀、云织
高密织物每2根按1
经缩波纹方眼每1.0经缩浪纹1.0cm以内|1.0cm及以上,经缩cm
纬向一直条浪纹 1 榜
分散双纬,每条
分散开车稀密路,每条
横贡织物,每条
纬向直条浪纹2榜浪纹每1 cm
纬向一直条波纹
1.0~12.0cm以下起
毛或布面指浆抹水
经向10cm内满2条3~4根脱纬
双纬,每条6.0~~12
cm以下脱纬,每条
起毛或布面措浆抹水,
5根及以上的脱纬
经向1cm内少2根,0.5m内满4条开车每条
稀密路
经向1cm内少3根,
经向1.0cm以内少3
纬向长1~12cm以下根及以上的稀纬,每条经向0.5cm内纬密多经向长5.0cm以上的25%~35%以下,密路密路,每条每条
轻微的每3梭~2. 0
明显的3梭以内,每梭
叠起来看得出,1m内
有 1~ 2 条交界线,每
纬向长1.0~12cm以线状的百脚,每条内,每条
经向 0. 5 cm 内,纬密
多35%及以上,每条
叠起来看得出,经向
1.0m及以内
锯状的百脚,每条
疵点程度
疵点名称
破洞、豁边、跳花
烂边、猫耳朵
修整不良、霉斑
GB/T 17759—1999
表3(续)
断(跳)3~4根1.0cm断(跳)3~4根 1cm以内
以上,断跳5根及以上
经向长0.3cm以内,经向长0.3~0.5cm凸出布边0.3cm的猫经向长0.5cm及以0.5m内,每6个
从边开始 6 cm 以内的
脱纬,12 cm以内的双
纬,经向10 cm内,每
3梭纬纱并列露出边
外成须状,经向1/2
cm内满6根,每2根
纬缩、边撑斑、棉球
星跳、跳纱
断疵、布面拖纱、
杂物织入
经向0.5m内、分散结
头,每3个
经向0.5m内,每3个
边撑症经向 10 cm 内,
满6个,每个
经向0.5m内,满3
节,每节
1. 0 cm以下经、纬向
跳,1/2m内每6梭,
经向10cm内满6梭,bzxz.net
每梭,1.0cm及以上
纬向跳纱,每梭1.0
cm 内一直条并列经、
纬向跳纱,每个
粗 0. 1~0. 2 cm,每个
以内,烂边每个
布面被刮起毛,每长
1. 0~~10 cm
布面不平,经纬交叉不
每长1.0~5.0cm
耳朵,经向长1.0cm上,每个
及以上
损伤布底,每处
爵斑,每处
经向0.5m内,满20
经向10cm内,满10
纬纱起圈经向一直条经向0.5m内纬缩,棉每长1/2cm及以内满球满20个
经向 10 cm内满 15个
粗0. 2 cm以上~0. 3
cm,每个
粗0.3cm以上每个,
!金属杂物织入,每个
点程度
斌点名称
浆斑、油经、
流印、油纬、
油花、油溃、
布开花、锈经、
煤灰纱、锈纬、
不褪色锈溃、
污溃、
水溃、
GB/T 17759--1999
表3完)
浅色的油纱,每长1.0深色的油、锈、浆色,~10 cm
深色的油纱,每长0.5
浅色的油溃,0.5~2.0
经向0. 5m内不到评
分起点的油锈疵、褪色
的色疵,每3个
污渍、水溃、流印,每长
11/2m内累计评分最多评11分。
2纬向疵点长12 cm及以上作为一条。0.3~~1.0 cm
3疵点名称的说明见附录B(标准的附录)和FZ/T01018。4.3.2标脏法
4.3.2.1疵点标巍范围见表4。
表4瘫点标疵范围
概点名称和程度
5根及以上的破洞、豁边、跳花,1 cm及以上的经缩浪纹,影响组织的浆斑、霉斑,损伤布底的修正不良
经向20cm及以内0.3cm×3cm及以上的块状概点经向20cm及以内0.3cm×3cm以下的点满10个经向20 cm及以内序号1、2 概点 4个及以内11
标疵个数
0. 5 cm 的豁边,1 cm 的破洞、烂边、稀弄,不对接轧梭、2 cm 以上的跳花不能标瘫,必须开剪,金属杂物织人必须剔除。
标疵位置都应该在疵点存在的相应部位的布边上。2
4.3.2.2标疵放布规定
疵点经向长度不足5cm的不放布。疵点经向长度超过5cm至20cm的放布15cm。4.3.2.3定等规定
标疵数在一一等品允许范围内为一等品,超过为降等品。幅宽狭于规定要求的为降等品。4.3.3计点法
4.3.3.1在经纬方向上所有的疵点都按照它们的长度计点,计点规定见表5。163
疵点点数
疵点长度
距布边12cm以内
4.3.3.2疵点的标记
3cm以内
-4点的疵点用红色;
一2点和3点的疵点用绿色;
1点的疵点只记数。
4.3.3.3一等品内不允许有红色标记。GB/T 17759—1999
表5计点法规定
3. 0 cm~~20 cm
20 cm~~50 cm
50cm以上
1.5cm以下
4.3.3.4用计点法来评定布匹的等级时,应该规定一个约定匹长中允许存在的疵点的点数和疵点的标记数(见示例)。
示例:幅宽为150cm,布匹每100m一等品少于55个点和22个记号;二等品少于等于85个点和35个记号;一三等大于85个点和35个记号。4.3.3.5距布边12cm以内的经向疵点每米记2个点,不作标记。4.4布面疵点的量计规定
4.4.1疵点的长度以经向或纬向最大长度量计。各种疵点的具体内容、名称见附录A、附录B。4.4.2表1、表2采用划“条”的量计方法。划“条”的量计方法规定如下:4.4.2.1一个或几个经(纬)向疵点,在宽1cm及以内的按一条评分,宽度超过1cm的每1cm为-条,其不足1 cm的按一条计。
4.4.2.2在条内断续发生的疵点,在经(纬)向计量范围内有两个及以上的则按连续长度评分。4.4.2.3在-条内有两个及以上经(纬)向明显疵点(包括不同名称的疵点)断续发生(间距在计量范围内)时,按程度重的全部量或分别量从轻评分。4.4.3经(纬)向明显疵点及严重疵点,经向长度超过1m的其超过部分按表1、表2再行评分。4.4.4主要疵点按表1、表2或表3评分。4.4.5次要疵点评分可以按主要疵点评分要求酌减,按产品标准要求执行。4.5疵点程度的规定
4.5.1竹节、粗经、粗纬、经缩、拆痕、修正不良、油疵七种疵点程度按GB/T 406本色布布面疵点样照或GB/T5325精梳涤棉本色布布面疵点样照执行。4.5.2稀纬、密路以登起来看得清楚为明显,单层看得清楚,叠起来看不清楚为不明显。若发生争议时,以点根数加以区别。
5检验报告
检验报告应包括以下内容:
a)阐明检验是按本标准进行的、所采用的方法;b)被检产品的名称、规格、受检单位名称;c)受检产品的数量,包括段数、段长和检验结果;d)受检日期、检验人员签名;
e)现场检验应说明的问题。
A1经向明显疵点
GB/T17759—1999
附录A
(标准的附录)
各类布面疵点的具体内容
竹节、粗经、特克斯数用错、综穿错、路、穿错、多股经、双经、并线松紧、松经、紧经、吊经、经缩波纹、断经、断疵、沉纱、星跳、跳纱、棉球、结头、边撑蜓、拖纱、修正不良、错纤维、油渍、油经、锈渍、不褪色色经、不褪色色溃、水渍、污溃、浆斑、布开花、油花纱、猫耳朵、凹边、烂边、花经、长条影、针路、磨痕、木辑皱、荷叶边、经缩方眼、边撑眼、锈经、煤灰纱。A2纬向明显疵点
错纬(包括粗、细、紧、松)、条干不勺、脱纬、双纬、纬缩、毛边、云织、杂物织入、花纬、油纬、锈纬、不褪色色纬、煤灰纱、百脚(包括线状及锯状)、断纬。A3横档
拆痕、稀纬、密路。
A4严重斌点
破洞、豁边、跳花、稀弄、经缩浪纹(三楞起算)、并列3根吊经、松经(包括隔开1一2根好纱的)、不对接轧梭、1 cm的烂边、金属杂物织入、影响组织的浆斑、斑、损伤布底的修正不良、经向5 cm内整幅中满10个结头或边撑瘫。
A5经向疵点及纬向疵点中,有些疵点是这两类共同性的,如竹节、跳纱等。在分类中只列入经向疵点一类,如在纬向出现时,应按纬向疵点评分。A6如在布面上出现上述未包括的疵点按相似疵点评分。165
GB/T17759—1999
附录B
(标准的附录)
疵点名称的说明
B1破洞:3根及以上经纬纱共断或单断经、纬纱(包括隔开1~2根好纱的),经纬纱起圈高出布面0.3cm反面形似破洞。
B2豁边:边组织内3根及以上经、纬纱共断或单断经纱(包括隔开1~2根好纱)。双边纱2根作1根计,3根及以上的有1根算1根。
B3跳花:3根及以上的经、纬纱相互脱离组织,包括隔开-个完全组织。B4烂边:边组织内单断纬纱,处断3根的。B5修正不良,布面被刮起毛,起皱不平,经、纬纱交叉不匀或只修不整。B6霉斑:受潮后布面出现霉点(斑)。B7毛边:由于边剪作用不良或其他原因,使纬纱不正常被带入织物内(包括距边5cm以下的双纬和脱纬)。
B8结头:影响后工序质量的结头。B9纬缩:纬纱扭结织入布内或起圈现于布面(包括经纱起圈及松纬缩三楞起算)。B10边撑蜓:边撑或刺毛辊使织物中纱线起毛或轧断。B11
棉球:织造中纱线受摩擦后使纤维呈球状。竹节:纱线上短片段的粗节。
星跳:1根经纱或纬纱跳过2~4根形成星点状的。B14
跳纱:1~2根经纱或纬纱跳过5根及以上的。B15
断疵:经纱断头纱尾织入布内。拖纱:拖在布面或布边上未剪去的纱头。B16
杂物:飞花、回丝、油花、皮质、木质、金属(包括瓷器)等杂物织入。B18
断经:织物内经纱断缺。
沉纱:由于提综不良,造成经纱浮在布面。B19
综穿错:没有按工艺要求穿综,而造成布面组织错乱。B21
错纤维:异纤维纱线织入。
粗经:直径偏粗长5cm及以上的经纱织入布内。B23
吊经:部分经纱在织物中张力过大。B24
紧经:部分经纱度过大。
松经:指部分经纱张力松弛织入布内。B26
并线松紧:单纱加捻为股线时张力不匀。B27
双经:单纱(线)织物中有2根经纱并列织入。箍路:织物经向呈现条状稀密不勾。箍穿错:没有按工艺要求穿,造成布面上经纱排列不匀。B30
针路:由于点啄式断纬自停装置不良,造成经向密集的针痕。B31
经缩:部分经纱受意外张力后松弛,使织物表面呈现块状或条状的起伏不平。B32
拆痕:拆布后布面上留下的起毛痕迹和布面措浆抹水。双纬;单纬织物一梭口内有2根纬纱织入布内。B33
脱纬:一梭口内有3根及以上的纬纱织入布内(包括连续双纬)。B35煤灰纱:被空气中的煤灰污染的纱(单层检验为准,对深色油卡)。166
B36密路:纬密多于工艺标准规定。B37
稀纬:纬密少于工艺标准规定。GB/T 17759—1999
条干不匀:叠起来看前后都能与正常纱线明显划分得开的较差的纬纱条干。云织:纬纱密度稀密相间呈规律性的段稀段密。错纬:直径偏粗、偏细长5cm及以上的纬纱、紧捻、松捻纱织入布内。花纬:由于配棉成分变化或陈旧的纬纱,使布面色泽不同,且有1~2个分界线。花经:由于配棉成分变化,使布面色泽不同。百脚:斜纹或缎纹织物一个完全组织内缺1~2根纬纱(包括多头百脚)。水渍溃;织物沾水后留下的痕迹。污渍:织物沾污后留下痕迹。
磨痕:布面经向形成一直条的痕迹。浆斑:浆块附着布面影响织物组织。布开花:异纤维或色纤维混入纱线中织入布内。宽、狭幅:幅宽度上下偏差超过标准规定。凹边:凹进布边0.5cm及以上。
猫耳朵:凸出布边0.5cm及以上。荷叶边:布边呈荷叶状的。
木辊皱:织物经向有三层折叠在一起而形成的折痕。稀弄:纬纱密度1cm少5根及以上成弄的。边撑眼:边撑刺辊使织物上造成边部密集的刺眼。167
小提示:此标准内容仅展示完整标准里的部分截取内容,若需要完整标准请到上方自行免费下载完整标准文档。
标准图片预览:





- 其它标准
- 热门标准
- 国家标准(GB)
- GB/T228.1-2021 金属材料 拉伸试验 第1部分:室温试验方法
- GB/T7534-1987 工业用挥发性有机液体沸程的测定
- GB/T4100-2015 陶瓷砖
- GB/T3836.1-2021 爆炸性环境 第1部分:设备 通用要求
- GB/T50772-2012 木结构工程施工规范
- GB/T10125-2021 人造气氛腐蚀试验 盐雾试验
- GB/T30835-2014 锂离子电池用炭复合磷酸铁锂正极材料
- GB5226.1-2019 机械电气安全 机械电气设备 第1部分:通用技术条件
- GB50666-2011 混凝土结构工程施工规范
- GB/T18204.4-2000 公共场所毛巾、床上卧具微生物检验方法细菌总数测定
- GB8552-1987 电子器件详细规范 低功率非线绕固定电阻器 RJ13型金属膜固定电阻器评定水平E(可供认证用)
- GB/T11379-2008 金属覆盖层 工程用铬电镀层
- GB/T23892.3-2009 滑动轴承 稳态条件下流体动压可倾瓦块止推轴承 第3部分:可倾瓦块止推轴承计算的许用值
- GB50303-2015 建筑电气工程施工质量验收规范
- GB/T20976-2023 软冰淇淋预拌粉质量要求
- 行业新闻
请牢记:“bzxz.net”即是“标准下载”四个汉字汉语拼音首字母与国际顶级域名“.net”的组合。 ©2025 标准下载网 www.bzxz.net 本站邮件:bzxznet@163.com
网站备案号:湘ICP备2025141790号-2
网站备案号:湘ICP备2025141790号-2