- 您的位置:
- 标准下载网 >>
- 标准分类 >>
- 国家标准(GB) >>
- GB/T 17253-1998 合成纤维丝织物
标准号:
GB/T 17253-1998
标准名称:
合成纤维丝织物
标准类别:
国家标准(GB)
标准状态:
已作废-
发布日期:
1998-03-18 -
实施日期:
1998-12-01 -
作废日期:
2009-06-01 出版语种:
简体中文下载格式:
.rar.pdf下载大小:
186.56 KB
点击下载
标准简介:
标准下载解压密码:www.bzxz.net
本标准规定了合成纤维丝织物的技术要求、试验方法、检验规则、包装和标志。本标准适用于评定各类服用的练白、染色(色织)、印花涤纶仿真丝、涤纶仿毛以及其他合成纤维丝织物、合成纤维长丝与其他纤维交织丝织物的品质。 GB/T 17253-1998 合成纤维丝织物 GB/T17253-1998
部分标准内容:
GB/T17253-1998
本标准按GB/T1.1-1993对原GBn233~234-84《合成纤维丝织物》进行了如下修改。本标准增加了涤纶伤真丝丝织物和涤纶仿毛丝织物两部分内容。本标准根播GB/T12707一91《工业产品质量分等导则》规定增加了优等品。本标准对撕破强力,起毛起球指标值和外观疵点评分都进行了加严,同时对外观疵点序号进行了相应的合并,使之更符合市场经济的要。其他条文作了编辑性修改。本标准各项技术要求考核用试验方法采用了GB/T15552—1995《丝织物试验方法》的有关规定,这些试验方法都等效或非等效采用ISO国际标准。本标准从生效之日起,同时代替GBn233—84《合成纤维丝织物技术要求》,GBn234--84《合成纤维丝织物分等规定》、FZ43002-91《涤纶仿真丝丝织物》、FZ43003-~91《涤纶伤毛丝织物》。本标准由中国纺织总会科技发展部提出。本标准由浙江丝绸科学研究院归口。本标准由浙江丝绸科学研究院负责起草,由杭州丝绸印染联合广万事利集团公司、上海金达国际丝绸有限公司、国家丝绸质量监检验测试中心协作起草。本标准主要起草人:顾靖、王小燕、沈美华、周水根、顾尚雄。1范围
中华人民共和国国家标准
合成纤维丝织物
Synthetic filament yarn fabricsGE/T17253—1998
代替 GBn 233~234-84
本标准规定了合成纤维丝织物的技术要求、试验方法,检验规则,包装和标志。本标准适用于评定各类服用的练白、染色(色织)、印花涤纶仿真丝、漆纶仿毛以及其他合成纤维丝织物、合成纤维长丝与其他纤维交织丝织物的品质。2引用标准
下列标准所包含的条文,通过在本标准中引用而构成为本标准的条文。本标准出版时,所示版本均为有效。所有标催都会被修订,使用本标准的各方应探讨使用下列标准新版本的可能性。GB250-1995评定变色用灰色样卡GB/T15552-1995丝织物试验方法GB/T155531995丝织物检验规则
GBT155541995丝织物包装和标志3定义
本标准采用下列定义
3.1合成纤维丝织物:经向采用涤纶、锦纶、睛纶、丙纶、氨纶、氯纶等合成纤维长丝制成的丝织物。3.2涤纶仿真丝丝织物:具有桑蚕丝织物风格的涤纶丝织物。3.3涤纶仿毛丝织物:具有羊毛织物风格的涤纶丝织物。4技术要求
4.1合成纤维丝织物技术要求由涤纶仿真丝丝织物技术要求、涤纶仿毛丝织物技术要求以及其他合成纤维丝织物技术要求三部分组成。4.1.1涤纶仿真丝丝织物的技术要求包括蝠宽、密度、质量(重量)、尺寸变化率、断裂强力、撕破强力、弯曲刚性、悬垂系数、缓折痕回复角、染色牢度(除耐熨烫牢度)、外观品质共十一项。4.1.2涤纶仿毛丝织物的技术要求包括幅宽、密度、质量(重量)、尺寸变化率、断裂强力、缝口脱开程度、缓折痕回复角、起毛起球、染色牢度、外观品质共十项。4.1.3其他合成纤维丝织物技术要求包括宽、密度、质量(重量)、尺寸变化率、断裂强力、缓折痕回复角、起毛起球、染色牢度(除耐熨烫牢度)外观品质共九项。4.2合成纤维丝织物的品质由各项技术指标中最低等级评定。其等级分为优等品、一等品、二等品、三等品。低于三等品的为等外品。4.3合成纤维丝织物分等规定见表1。国家技术监督局1998-03-18批准96
199812-01实施
断裂强力
悬垂系数
GB/T17253—1998
表1合成纤维丝织物分等规定
幅宽偏差
密度偏差
质量偏差
尺寸变化率
仿真丝
撕破强力
弯曲刚性
纱、绡类
仿真丝
缓折痕回复角()≥
缝口脱开程度
染色牢度
外观疵点
耐汗渍
起毛起球
耐干摩擦
耐熨烫
·耐光
幅宽114cm及以下
分/5m
幅宽 114 cm以上
分/4m
优等品
一等品
二等品
三等品
GB/T 17253—1998
4.4合成纤维丝织物的评等以匹为单位。合成纤维丝织物的幅宽、密度、外观疵点按匹评等,其他项目根据本标准4.1.1、4.1.2、4.1.3分别按批评等。4.5外观品质的评定
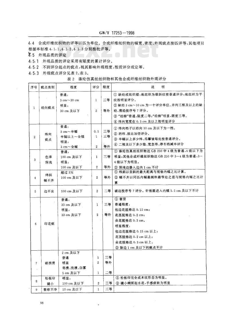
4.5.1外观品质的评定采用有限度的累计评分。4.5.2不到评分起点的疵点,视其影响外观程度,按质评分或定等。4.5.3外观疵点评分见表2、表3。表2涤纶仿真丝丝织物和其他合成纤维丝织物外观评分序号
疵点类别
经向窥点
幅不齐
边不良
印花疵
破损溃
松板印
整修不净
普通:
3 cm~~30 cm
明显:
30 cm 及以下
普通:
3 cm~半幅
半幅以上~全幅
明显:
3 cm~全幅
普通:
100 cm 及以下
明显:
100cm及以下
超过3%
100 cm及以下
100 cm及以下
普通:
33cm 及以下
明显:
33cm及以下
2cm及以下
皂渍、洗渍、白雾
5cm及以下
明显:
100 cm及以下
10 cn 及以下
①缺经或组织错:地组织为缎斜纹按普通评分;地组织为平纹按明显评分。
②缺经3cm~10 cm为一个评分单位。并列三根及以上的缺经、溃经按序号7评分。
③“经柳\普通,限度二等;“经柳”明显,限度三等。①纬向宽度在0.3cm及以上按明显评分①纬向档子以经向10cm及以下为一档。②纬、拔出加倍评分。
③半幅以上多少纬、吊攀皱每处按普通评分。④二梭及以下多少捻、宽急纬、停车档减半评分①涤纶仿真丝丝织物达GB250中4级为普通,4级以下为明显,其他合成纤维丝织物达GB250中3—4级为普通,34 级以下为明显。
②深浅边渗入边内1cm不计
①纬斜以歪斜的殿大距离与规格内幅之比计算,②幅不齐以同匹内幅最阔和最窄处之差与规格内幅之比计算
破边按序号7评分。针板眼进入内幅1.5cm及以下不计①套歪
普通程度:
包边花脱格达0.15cm;
花茎脱格达0.2cm;
朵花脱格达 0. 3cm。
明显程度:
包边花脱格达0.15cm以上;
花茎脱格达0.2cm以上;
朵花脱格达0.3cm以上。
②除边1cm及以下的疵点不计
①松板印完全成木纹形态为明显。三等②撬小網面起水花,手感疲软为明显三等
疵点类别
幅不齐
边不良
印花瓣
破损溃
整修不净
普通:
3 cm~15 cm
明显:
15 cm 及以下
普通:
3cm~半幅
明显:
3cm~全幅
超过3%
100cm及以下
普通:
100 cm及以下
明显:
100 cm及以下bzxz.net
100 cm 及以下
普通:
33cm及以下
明显:
33cm及以下
2cm及以下
10 cm及以下
.4.5.4外观疵点评分中有关说明GB/T 17253—1998
涤纶仿毛丝织物外观评分
①缺经或组织错:地组织为缎斜纹按普通评分;地组织为平三等
纹按明显评分。缺经2 cm~5 cm为一个评分单位。②并列三根及以上的缺经、溃经按序号7评分。③“经柳”普通,限度二等;“经柳”明显,限度三等①纬向档子以经向10cm及以下为一档。②坍纬、拔出加倍评分。
③二梭以下多少捻、宽急纬、停车档减半评分。①纬斜以歪斜的最大距离与规格内幅之比计算。②幅不齐以匹内幅殿阔和最窄处之差与规格内幅之比计算
①达GB250中4级为普通,4级以下为明显。②深浅边渗入边内1cm不计
①破边按序号7评分。针板眼进入内幅1.5cm及以下不计①套歪
普通程度:
包边花脱格达0.15cm;
花茎脱格达0.2cm
朵花脱格达0.3cm。
明显程度:
包边花脱格达0.15cm以上;
花茎脱格达0.2cm以上,
朵花脱格达0.3cm以上。
②除边 1 cm 及以下的疵点不计疵点的长度以经向或纬向最大方向量计。4.5.4.1
4.5.4.2皱印不压刹、不带色按普通评分。4.5.4.3序号1、2、6、7中的疵点,色差达GB250中3—4级按普通评分,3--4级以下按明显评分。4.5.4.4优等品、等品内不允许有破洞、轧梭档、拆烊档、蛛网糙、开河档等严重疵点。4.5.4.5不影响美观的症点不评分。4.5.5开剪拼匹和标疵放尺的规定4.5.5.1开剪拼匹各段的等级、幅宽、色泽、花型必须一致。4.5.5.2绸匹平均每10m及以下允许标疵一次。标症点经向长度在10cm及以下允许标症次,超过 10cm的连续疵点可以连标。每-一标疵放尺15cm。局部性疵点的标疵间距或标疵疵点与绸匹匹端的距离不得少于 4 m。
4.5.6同一批中,匹与匹之间色差不低于GB250中3-4级。5试验方法
GB/T17253-1998
合成纤维丝织物试验方法按GB/T15552进行。检验规则
合成纤维丝织物检验规则按GB/T15553进行。7包装和标志
合成纤维丝织物包装和标志按GB/T15554进行。8其他
对品质另有要求,可按合同或协议执行。100
小提示:此标准内容仅展示完整标准里的部分截取内容,若需要完整标准请到上方自行免费下载完整标准文档。
本标准按GB/T1.1-1993对原GBn233~234-84《合成纤维丝织物》进行了如下修改。本标准增加了涤纶伤真丝丝织物和涤纶仿毛丝织物两部分内容。本标准根播GB/T12707一91《工业产品质量分等导则》规定增加了优等品。本标准对撕破强力,起毛起球指标值和外观疵点评分都进行了加严,同时对外观疵点序号进行了相应的合并,使之更符合市场经济的要。其他条文作了编辑性修改。本标准各项技术要求考核用试验方法采用了GB/T15552—1995《丝织物试验方法》的有关规定,这些试验方法都等效或非等效采用ISO国际标准。本标准从生效之日起,同时代替GBn233—84《合成纤维丝织物技术要求》,GBn234--84《合成纤维丝织物分等规定》、FZ43002-91《涤纶仿真丝丝织物》、FZ43003-~91《涤纶伤毛丝织物》。本标准由中国纺织总会科技发展部提出。本标准由浙江丝绸科学研究院归口。本标准由浙江丝绸科学研究院负责起草,由杭州丝绸印染联合广万事利集团公司、上海金达国际丝绸有限公司、国家丝绸质量监检验测试中心协作起草。本标准主要起草人:顾靖、王小燕、沈美华、周水根、顾尚雄。1范围
中华人民共和国国家标准
合成纤维丝织物
Synthetic filament yarn fabricsGE/T17253—1998
代替 GBn 233~234-84
本标准规定了合成纤维丝织物的技术要求、试验方法,检验规则,包装和标志。本标准适用于评定各类服用的练白、染色(色织)、印花涤纶仿真丝、漆纶仿毛以及其他合成纤维丝织物、合成纤维长丝与其他纤维交织丝织物的品质。2引用标准
下列标准所包含的条文,通过在本标准中引用而构成为本标准的条文。本标准出版时,所示版本均为有效。所有标催都会被修订,使用本标准的各方应探讨使用下列标准新版本的可能性。GB250-1995评定变色用灰色样卡GB/T15552-1995丝织物试验方法GB/T155531995丝织物检验规则
GBT155541995丝织物包装和标志3定义
本标准采用下列定义
3.1合成纤维丝织物:经向采用涤纶、锦纶、睛纶、丙纶、氨纶、氯纶等合成纤维长丝制成的丝织物。3.2涤纶仿真丝丝织物:具有桑蚕丝织物风格的涤纶丝织物。3.3涤纶仿毛丝织物:具有羊毛织物风格的涤纶丝织物。4技术要求
4.1合成纤维丝织物技术要求由涤纶仿真丝丝织物技术要求、涤纶仿毛丝织物技术要求以及其他合成纤维丝织物技术要求三部分组成。4.1.1涤纶仿真丝丝织物的技术要求包括蝠宽、密度、质量(重量)、尺寸变化率、断裂强力、撕破强力、弯曲刚性、悬垂系数、缓折痕回复角、染色牢度(除耐熨烫牢度)、外观品质共十一项。4.1.2涤纶仿毛丝织物的技术要求包括幅宽、密度、质量(重量)、尺寸变化率、断裂强力、缝口脱开程度、缓折痕回复角、起毛起球、染色牢度、外观品质共十项。4.1.3其他合成纤维丝织物技术要求包括宽、密度、质量(重量)、尺寸变化率、断裂强力、缓折痕回复角、起毛起球、染色牢度(除耐熨烫牢度)外观品质共九项。4.2合成纤维丝织物的品质由各项技术指标中最低等级评定。其等级分为优等品、一等品、二等品、三等品。低于三等品的为等外品。4.3合成纤维丝织物分等规定见表1。国家技术监督局1998-03-18批准96
199812-01实施
断裂强力
悬垂系数
GB/T17253—1998
表1合成纤维丝织物分等规定
幅宽偏差
密度偏差
质量偏差
尺寸变化率
仿真丝
撕破强力
弯曲刚性
纱、绡类
仿真丝
缓折痕回复角()≥
缝口脱开程度
染色牢度
外观疵点
耐汗渍
起毛起球
耐干摩擦
耐熨烫
·耐光
幅宽114cm及以下
分/5m
幅宽 114 cm以上
分/4m
优等品
一等品
二等品
三等品
GB/T 17253—1998
4.4合成纤维丝织物的评等以匹为单位。合成纤维丝织物的幅宽、密度、外观疵点按匹评等,其他项目根据本标准4.1.1、4.1.2、4.1.3分别按批评等。4.5外观品质的评定
4.5.1外观品质的评定采用有限度的累计评分。4.5.2不到评分起点的疵点,视其影响外观程度,按质评分或定等。4.5.3外观疵点评分见表2、表3。表2涤纶仿真丝丝织物和其他合成纤维丝织物外观评分序号
疵点类别
经向窥点
幅不齐
边不良
印花疵
破损溃
松板印
整修不净
普通:
3 cm~~30 cm
明显:
30 cm 及以下
普通:
3 cm~半幅
半幅以上~全幅
明显:
3 cm~全幅
普通:
100 cm 及以下
明显:
100cm及以下
超过3%
100 cm及以下
100 cm及以下
普通:
33cm 及以下
明显:
33cm及以下
2cm及以下
皂渍、洗渍、白雾
5cm及以下
明显:
100 cm及以下
10 cn 及以下
①缺经或组织错:地组织为缎斜纹按普通评分;地组织为平纹按明显评分。
②缺经3cm~10 cm为一个评分单位。并列三根及以上的缺经、溃经按序号7评分。
③“经柳\普通,限度二等;“经柳”明显,限度三等。①纬向宽度在0.3cm及以上按明显评分①纬向档子以经向10cm及以下为一档。②纬、拔出加倍评分。
③半幅以上多少纬、吊攀皱每处按普通评分。④二梭及以下多少捻、宽急纬、停车档减半评分①涤纶仿真丝丝织物达GB250中4级为普通,4级以下为明显,其他合成纤维丝织物达GB250中3—4级为普通,34 级以下为明显。
②深浅边渗入边内1cm不计
①纬斜以歪斜的殿大距离与规格内幅之比计算,②幅不齐以同匹内幅最阔和最窄处之差与规格内幅之比计算
破边按序号7评分。针板眼进入内幅1.5cm及以下不计①套歪
普通程度:
包边花脱格达0.15cm;
花茎脱格达0.2cm;
朵花脱格达 0. 3cm。
明显程度:
包边花脱格达0.15cm以上;
花茎脱格达0.2cm以上;
朵花脱格达0.3cm以上。
②除边1cm及以下的疵点不计
①松板印完全成木纹形态为明显。三等②撬小網面起水花,手感疲软为明显三等
疵点类别
幅不齐
边不良
印花瓣
破损溃
整修不净
普通:
3 cm~15 cm
明显:
15 cm 及以下
普通:
3cm~半幅
明显:
3cm~全幅
超过3%
100cm及以下
普通:
100 cm及以下
明显:
100 cm及以下bzxz.net
100 cm 及以下
普通:
33cm及以下
明显:
33cm及以下
2cm及以下
10 cm及以下
.4.5.4外观疵点评分中有关说明GB/T 17253—1998
涤纶仿毛丝织物外观评分
①缺经或组织错:地组织为缎斜纹按普通评分;地组织为平三等
纹按明显评分。缺经2 cm~5 cm为一个评分单位。②并列三根及以上的缺经、溃经按序号7评分。③“经柳”普通,限度二等;“经柳”明显,限度三等①纬向档子以经向10cm及以下为一档。②坍纬、拔出加倍评分。
③二梭以下多少捻、宽急纬、停车档减半评分。①纬斜以歪斜的最大距离与规格内幅之比计算。②幅不齐以匹内幅殿阔和最窄处之差与规格内幅之比计算
①达GB250中4级为普通,4级以下为明显。②深浅边渗入边内1cm不计
①破边按序号7评分。针板眼进入内幅1.5cm及以下不计①套歪
普通程度:
包边花脱格达0.15cm;
花茎脱格达0.2cm
朵花脱格达0.3cm。
明显程度:
包边花脱格达0.15cm以上;
花茎脱格达0.2cm以上,
朵花脱格达0.3cm以上。
②除边 1 cm 及以下的疵点不计疵点的长度以经向或纬向最大方向量计。4.5.4.1
4.5.4.2皱印不压刹、不带色按普通评分。4.5.4.3序号1、2、6、7中的疵点,色差达GB250中3—4级按普通评分,3--4级以下按明显评分。4.5.4.4优等品、等品内不允许有破洞、轧梭档、拆烊档、蛛网糙、开河档等严重疵点。4.5.4.5不影响美观的症点不评分。4.5.5开剪拼匹和标疵放尺的规定4.5.5.1开剪拼匹各段的等级、幅宽、色泽、花型必须一致。4.5.5.2绸匹平均每10m及以下允许标疵一次。标症点经向长度在10cm及以下允许标症次,超过 10cm的连续疵点可以连标。每-一标疵放尺15cm。局部性疵点的标疵间距或标疵疵点与绸匹匹端的距离不得少于 4 m。
4.5.6同一批中,匹与匹之间色差不低于GB250中3-4级。5试验方法
GB/T17253-1998
合成纤维丝织物试验方法按GB/T15552进行。检验规则
合成纤维丝织物检验规则按GB/T15553进行。7包装和标志
合成纤维丝织物包装和标志按GB/T15554进行。8其他
对品质另有要求,可按合同或协议执行。100
小提示:此标准内容仅展示完整标准里的部分截取内容,若需要完整标准请到上方自行免费下载完整标准文档。
标准图片预览:





- 热门标准
- 国家标准(GB)
- GB/T2828.1-2012 计数抽样检验程序 第1部分:按接收质量限(AQL)检索的逐批检验抽样计划
- GB/T8566-2022 系统与软件工程 软件生存周期过程
- GB175-2023 通用硅酸盐水泥
- GB/T30917—2014 /ISo 29941:2010 天然胶乳橡胶避孕套中可迁移亚硝胺的测定
- GB/T9124.1-2019 钢制管法兰 第1部分:PN 系列
- GB/T1182-2018 产品几何技术规范(GPS) 几何公差 形状、方向、位置和跳动公差标注
- GB/T12777-1999 金属波纹管膨胀节通用技术条件
- GB/T29633.4-2020 南极地名 第4部分:罗马字母拼写
- GB/T50062-2008 电力装置的继电保护和自动装置设计规范
- GB/T30544.5-2014 纳米科技 术语 第5部分纳米/生物界面
- GB/T5169.15—2015 /IEC 60695-11-3;2012 电工电子产品着火危险试验第15部分:试验火焰500 W火焰装置和确认试验方法
- GB4706.3-1986 家用和类似用途电器的安全食物搅碎器及类似用途电器的特殊要求
- GB15193.5-2003 骨髓细胞微核试验
- GB15985-1995 丝虫病诊断标准及处理原则
- GB19159-2003 车用液化石油气
- 行业新闻
请牢记:“bzxz.net”即是“标准下载”四个汉字汉语拼音首字母与国际顶级域名“.net”的组合。 ©2025 标准下载网 www.bzxz.net 本站邮件:bzxznet@163.com
网站备案号:湘ICP备2025141790号-2
网站备案号:湘ICP备2025141790号-2