- 您的位置:
- 标准下载网 >>
- 标准分类 >>
- 国家标准(GB) >>
- GB/T 17158-1997 摄影测量数字测图记录格式
标准号:
GB/T 17158-1997
标准名称:
摄影测量数字测图记录格式
标准类别:
国家标准(GB)
英文名称:
Record format for photogrammetric digital mapping标准状态:
已作废-
发布日期:
1997-01-02 -
实施日期:
1998-08-01 -
作废日期:
2008-12-01 出版语种:
简体中文下载格式:
.rar.pdf下载大小:
267.64 KB
标准ICS号:
数学、自然科学>>07.040天文学、大地测量学、地理学中标分类号:
综合>>测绘>>A77摄影与遥感测绘
替代情况:
被GB/T 17158-2008代替采标情况:
,
点击下载
标准简介:
标准下载解压密码:www.bzxz.net
本标准规定了摄影测量数字测图的记录格式,以保证测图信息存贮和交换的统一。本标准适用于国家系列比例尺的摄影测量数字测图的数据记录。 GB/T 17158-1997 摄影测量数字测图记录格式 GB/T17158-1997
本标准规定了摄影测量数字测图的记录格式,以保证测图信息存贮和交换的统一。本标准适用于国家系列比例尺的摄影测量数字测图的数据记录。
部分标准内容:
GB/T17158
本标准为我国首次制定。本标准是根据我国国家系列比例尺地形图摄影测爆数字测图作业瞬爱求的地形图数据记录项目以及相成比例尺地形图要素分类与代码标准中所规定的内容制定的。从本标准实施之口起,凡与本标准相抵触或不致的地形图摄影测量数字测图规范中。所规定的记录格式均应以本标准为准。
本标准的附录人为提示的附录。本标准出困家测绘局提出并归口。本标准起草单位:国家测绘局测绘标准化研究所。本标滩主要起草人:林定荣、姜翔鸾。1范围
中华人民共和国国家标准
摄影测量数字测图记录格式
Record format for
photogrammetric digital mappingGB/T17158--1997
本标准规定了摄影测量数字测图的记录格式,以保证测图信息存贮和交换的统-。本标准适用于国家系列比例尺的摄影测量数字测图的数据记录。2引用标准
下列标准所包含的条文,通过在本标准中引用而构成为本标准的条文,本标准出版时,所示版本均为有效。所有标准都会被修订,使用本标准的各方应探讨使用下列标准最新版本的可能性。GB14804--931:5001:10001:2000地形图要素分类马代码GB/T15660--19951:50001:100001:250001:500001:10000地形图要索分类与代码
GB/T13989—92国家基本比例尺地形图分幅与编号GB/T 7929—19951:5001:10001:2000地形图图式3数据记录的技术规定
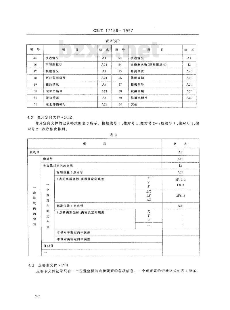
3.1数据的计量
本标准规定摄影测量数字测图数据以图幅为基本记录单位,按久量数据方式存贮。地形图要素的高斯坐标、高程、距离均用m表示,小数点后最多取3位;角度用60进制度分秒表示,最多取至整秒。
地形图注记在图面上的位置用该注记第一个字符左下角的高斯坐标表示,其注记指向用和Y轨的夹角表示,单位和尾数取舍同地形图要素,注记的字高、间距则用mm表示,小数点后取·位,除上述外,其他各项数据的计量单位均应逐项标出。3.2数据文件的记录形式
数据文件采用标准的ASCII文本文件记录。3.3地形图要素的分类和代码
地形图要素的分类和代码按不同的地形图比例尺分别执行(GB1480493和GB/T15660--1995的规定。
3.4数据文件的分类和命名
对地形图数据文件的分类和命名如表1所示。国家技术监督局1997-12-16批准330
1998-08-01实施
文件类别
图幅基本信息文件
像片定向文件
点要素文件
线要素文件
GB/T 17158
—1997
图号*MAP
图号*POR
图号*POI
图号*LIN
等高线文件
注记文件
数字高程模型文件
数据质量评价文件
图号CON
图号*ANN
图号*DEM免费标准下载网bzxz
图多*EST
文件命名中国家基本比例尺地形图的图号按GB/T13989---92中的规定,去掉百万分之--比例尺地形图的图号表示。1:500、1:1000、1:2000比例尺地形图的图号执行(GB/T7929--1995的规定,4数据记录格式
4.1图幅基本信息文件*MAP
图幅基本信息文件的记录格式如表2所示。如果有缺项的,应打出缺省号“”(下各文件同)。表2
行政区域
测制单位名称
测制者姓名
图形编辑者姓名
测制仪器型号
平面坐标系统名称
高程系统名称
地形图要素分类与代码标准名称相机型号
航摄日期
航摄比例尺
成图比例尺
调绘时间
现势资料截止日期
坐标带号
左下角图廉点高斯坐标XY
左上角图廊点高斯坐标XY
右上角图廉点高斯坐标XY
右下角图廓点高斯坐标XY
左下角图廊点地理坐标L.B3
右上角图廊点地理坐标LB
图廊点理论边长u(cm)
图廊点理论边长(cm)
图廊点理论边长c(cm)
图廓点理论对角线长d(cm)
平均子午线收敛角
磁偏角
等高距
图幅内控制点总数
控制点点名(号)
挖制点等级
控制点高斯坐标XY
控制点高程
控制点点名(号)….
东邻图幅号
接边情况(已接/未接,下同)
东南邻图幅号
接边情况
南邻图幅号
接边情况
西南邻图幅号
接边情况
西邻图幅号
接边情况
西北邻图幅号
接边情况
北邻图幅号
接边情况
东北邻图幅号
像片定向文件*POR
GB/T17158...1997
表2(完)
接边情况
已修测次数(原测图填0)
修测单位
修测日期
相机型号
航摄日期
航摄比例尺
像片定向文件的记录格式如表3所示。按航线号1、像对号1、像对号2***航线号1、像对号1、像对号2次序依次排列。
航线号
像对号
参加像对定向的点数
标准位置3点点号
3点的高斯坐标、高程及定向残差条
像对号
标准位置4点点号
4点的高斯坐标、高程及定向残差本像对平面定向中误差
本像对高程定向中误差
4.3点要素文件*POI
点要素文件记录只有--个位置坐标的点状要素的各项信息。-·个点要素的记录格式如表4所示332
地形图要索记录号
像对号
要素分类项数
分类代码1
GB/T17158--1997
分类代码2
高斯坐标及高程X.Y、Z
指向坐标
2F12. 3 F8. 3
表4和下表5中的“要素分类项数”为可选择项,指某地形图要素分别属于多了--一个的不同的类别数,如某个点要素可以同是控制点和独立石,测要素分类项数为2。表4中的“指向坐标”指对于有方向性的点要素(如泉)指向坐标确定了该符号在图面上的指向4.4线要素文件*LIN
线要素文件记录除地形等高线以外的所有线状要素(包括折线段、封闭折线、多边形、曲线段、封闭曲线等)的各项信息。一条线要素的记录格式如表5所示。表5
地形图要素记录号
像对号
要素分类项数
分类代码1
分类代码2
是否封闭(是/否)
一条线要素的长度
“-条线要素中的点数
一条线要
素的点列
4.5等高线文件*CON
XNYNZN
等高线文件仅记录等高线的各项信息。一条等高线的记录格式如表6所示。表6
地形图要素记录号
像对号
等高线的高程
堤否封闭(是/否)
条等高线的点数
一条等高
线的点列
4.6注记文件*ANN
GB/T 17158-1997
表6(完)
地形图要素注记文件记录本图幅内所有文字数字注记的图面位置、字大、字体等各项信息。注记内容的记录格式如表?所示。
地形图要素记录号
像对号
本注记内容第个字符左下角坐标指向
数字高程模型文件*DEM
注记内容字符串
本文件为可选择文件,本幅图内-个究整的数字高程模型数据文件的记录格式如表8所示。表8
模型起始点高斯坐标及高程X.Y.Z.模型内最大高程值
模型内最小高程值
扫描线方位
扫描方式(单向/双向)
起始点扫描走向
扫描间距(M)
纵向列数
横向行数
4.8数据质量评价文件*EST
数据质量评价文件的记录格式如表9所示。331
验收单位
验收者姓名
验收日期
要素平面中误差(m)
GB/T17158-1997
要素高程中误差(m)
图幅接边中误差(m)
质量等级
根据表2~表9数据记录格式所记录的1:50000摄影测量数字测图数据记录实例如附录A(提示的附录)所示。
GB/T 17158---1997
附录A
(提示的附录)
1:50000摄影测量数字测图数据记录实例设本记录的图号为H50E009006。E009006 * MAP
行政区域
测制单位名称
测制者姓名
图形编辑者姓名
测制仪器型号
平面坐标系统名称
高程系统名称
地形图要素分类与代码标准名称相机型号
航摄口期
航摄比例尺
成图比例尺
调绘时间
现势资料截止日期
坐标带号
左下角图廓点高斯坐标X
左上角图廊点高斯坐标X
右上角图廊点高斯坐标X
有下角图廓点高斯坐标X
左下角图廊点地理坐标L
右上角图廊点地理坐标L
图廓点理论边长
H50E009006
方山市
陕西省
陕西省第八测绘大队
周小红
JX-3 92013
1980西安坐标系
1985国家高程基准
1:5000、1:10000、1:25000、1 :500001:100000地形图要素分类与代码(GB/T 15660----1995)
RC-038
1:61000
1150000
3276904.2
20331986.3
3395385.8
20332273.6
3395039.1
20356237.4
3276558.6
20355991,2
115°15'00\
30°30°00\
115°30'00\
30°40°00\
平均子午线收敛角
磁偏角
等高距
图幅内控制点总数
控制点点名(号)
控制点等级
控制点高斯座标X
控制点高程
东邻图幅号
接边情况
东南邻图幅号
接边情况
南邻图幅号
接边情况
西南邻图幅号
接边情况
西邻图幅号
接情况
西北邻图幅号
接边情况
北邻图蝠号
接边情况
东北邻图幅号
接边情况
已修测次数
修测单位
修测日期
相机型号
航摄日期
航摄比例尺
MAP文件结束
E009 006 * POR
航线号
像对号
参加像对定向的点数
标准位置3点点号
3点的高斯坐标X
3点的定向残差AX
GB/T 17158
0°49'37\
+12°12'
方山三角点
3384361.2
20340071.0
E009 007
已接边
E010007
已接边
E010006
已接遇
E010005
已接边
E009005
未接边
E008 005
未接边
E008 006
已接边
E008007
已接边
52775278
3384873.1
20349488.8
标准位置4点点号
4点的高斯坐标X
4点的定向残差AX
本像对平面定向中误差
本像对高程定向中误差
POR文件结束
E009006* PO1
地形图要素记录号
像对号
要素分类项数
分类代码
高斯坐标X
指尚坐标X
地形图要素记录号
像对号
要素分类项数
分类代码1
分类代码2
高斯坐标X
指向坐标X
POI文件结束
E009006 * LIN
地形图要素记录号
像对号
要素分类项数
分类代码
是香封闭
·条线要素的长度
GB/T 17158 -- 1997
3372673.5
20349475.1
—9999
52775278
3380987.9
20339412.2
52775278
3384174.3
20349238.1
3386281.1
20349265.5
5277-5278
条线要素中的点数
依序各点高斯坐标X
依序各点高斯坐标X
依序各点高斯坐标X
依序各点高斯坐标X
地形图要素记录号
像对号
要素分类项数
分类代码1
分类代码2
是否封闭
条线要素的长度
一条线要素中的点数
依序各点高斯坐标X
依序各点高斯坐标X
依序各点高斯坐标X
地形图要素记录号
像对号
要素分类项数
分类代码
是否封闭
一条线要素的长度
一条线要素中的点数
依序各点高斯坐标X
依序各点高斯坐标X
8-1997
GB/T 17158
3378113.9
20340246.0
3379038.1
20340245.8
3379030.4
20340717.0
3378113.7
20348717.7
5277--5278
3379134.0
20348783.6
3378019.1
20348010.2
3377678.3
20340812.4
5277—5278
3377679.6
20340820.3
3377682.7
依序各点高斯坐标X
LIN 文件结束
E009006 * CON
地形图要索记录号
像对号
等高线的高程
是否封闭
条等高线的点数
依序各点高斯坐标X,
依序各点高斯坐标X
依序各点高斯坐标X:
地形图要素记录号
像对号
等高线的高程
是否封闭
条等高线的点数
依序各点高斯坐标X
依序各点高斯坐标X2
依序各点高斯坐标X:
CON文件结束
E009006 * ANN
地形图要素记录号
像对号
第个字符左下角坐标X
GB/T 171581997
20340907.7
3377625.1
20340957.0
3377355.5
20340227.5
3377443.1
20340207.1
3377522.9
20340186.6
5277-5278
3378685.0
20347783.7
3378767.1
20347769.9
3378879.6
20347757.1
—9999
52775278
3380784.7
20339212.1
0°00'00\
小提示:此标准内容仅展示完整标准里的部分截取内容,若需要完整标准请到上方自行免费下载完整标准文档。
本标准为我国首次制定。本标准是根据我国国家系列比例尺地形图摄影测爆数字测图作业瞬爱求的地形图数据记录项目以及相成比例尺地形图要素分类与代码标准中所规定的内容制定的。从本标准实施之口起,凡与本标准相抵触或不致的地形图摄影测量数字测图规范中。所规定的记录格式均应以本标准为准。
本标准的附录人为提示的附录。本标准出困家测绘局提出并归口。本标准起草单位:国家测绘局测绘标准化研究所。本标滩主要起草人:林定荣、姜翔鸾。1范围
中华人民共和国国家标准
摄影测量数字测图记录格式
Record format for
photogrammetric digital mappingGB/T17158--1997
本标准规定了摄影测量数字测图的记录格式,以保证测图信息存贮和交换的统-。本标准适用于国家系列比例尺的摄影测量数字测图的数据记录。2引用标准
下列标准所包含的条文,通过在本标准中引用而构成为本标准的条文,本标准出版时,所示版本均为有效。所有标准都会被修订,使用本标准的各方应探讨使用下列标准最新版本的可能性。GB14804--931:5001:10001:2000地形图要素分类马代码GB/T15660--19951:50001:100001:250001:500001:10000地形图要索分类与代码
GB/T13989—92国家基本比例尺地形图分幅与编号GB/T 7929—19951:5001:10001:2000地形图图式3数据记录的技术规定
3.1数据的计量
本标准规定摄影测量数字测图数据以图幅为基本记录单位,按久量数据方式存贮。地形图要素的高斯坐标、高程、距离均用m表示,小数点后最多取3位;角度用60进制度分秒表示,最多取至整秒。
地形图注记在图面上的位置用该注记第一个字符左下角的高斯坐标表示,其注记指向用和Y轨的夹角表示,单位和尾数取舍同地形图要素,注记的字高、间距则用mm表示,小数点后取·位,除上述外,其他各项数据的计量单位均应逐项标出。3.2数据文件的记录形式
数据文件采用标准的ASCII文本文件记录。3.3地形图要素的分类和代码
地形图要素的分类和代码按不同的地形图比例尺分别执行(GB1480493和GB/T15660--1995的规定。
3.4数据文件的分类和命名
对地形图数据文件的分类和命名如表1所示。国家技术监督局1997-12-16批准330
1998-08-01实施
文件类别
图幅基本信息文件
像片定向文件
点要素文件
线要素文件
GB/T 17158
—1997
图号*MAP
图号*POR
图号*POI
图号*LIN
等高线文件
注记文件
数字高程模型文件
数据质量评价文件
图号CON
图号*ANN
图号*DEM免费标准下载网bzxz
图多*EST
文件命名中国家基本比例尺地形图的图号按GB/T13989---92中的规定,去掉百万分之--比例尺地形图的图号表示。1:500、1:1000、1:2000比例尺地形图的图号执行(GB/T7929--1995的规定,4数据记录格式
4.1图幅基本信息文件*MAP
图幅基本信息文件的记录格式如表2所示。如果有缺项的,应打出缺省号“”(下各文件同)。表2
行政区域
测制单位名称
测制者姓名
图形编辑者姓名
测制仪器型号
平面坐标系统名称
高程系统名称
地形图要素分类与代码标准名称相机型号
航摄日期
航摄比例尺
成图比例尺
调绘时间
现势资料截止日期
坐标带号
左下角图廉点高斯坐标XY
左上角图廊点高斯坐标XY
右上角图廉点高斯坐标XY
右下角图廓点高斯坐标XY
左下角图廊点地理坐标L.B3
右上角图廊点地理坐标LB
图廊点理论边长u(cm)
图廊点理论边长(cm)
图廊点理论边长c(cm)
图廓点理论对角线长d(cm)
平均子午线收敛角
磁偏角
等高距
图幅内控制点总数
控制点点名(号)
挖制点等级
控制点高斯坐标XY
控制点高程
控制点点名(号)….
东邻图幅号
接边情况(已接/未接,下同)
东南邻图幅号
接边情况
南邻图幅号
接边情况
西南邻图幅号
接边情况
西邻图幅号
接边情况
西北邻图幅号
接边情况
北邻图幅号
接边情况
东北邻图幅号
像片定向文件*POR
GB/T17158...1997
表2(完)
接边情况
已修测次数(原测图填0)
修测单位
修测日期
相机型号
航摄日期
航摄比例尺
像片定向文件的记录格式如表3所示。按航线号1、像对号1、像对号2***航线号1、像对号1、像对号2次序依次排列。
航线号
像对号
参加像对定向的点数
标准位置3点点号
3点的高斯坐标、高程及定向残差条
像对号
标准位置4点点号
4点的高斯坐标、高程及定向残差本像对平面定向中误差
本像对高程定向中误差
4.3点要素文件*POI
点要素文件记录只有--个位置坐标的点状要素的各项信息。-·个点要素的记录格式如表4所示332
地形图要索记录号
像对号
要素分类项数
分类代码1
GB/T17158--1997
分类代码2
高斯坐标及高程X.Y、Z
指向坐标
2F12. 3 F8. 3
表4和下表5中的“要素分类项数”为可选择项,指某地形图要素分别属于多了--一个的不同的类别数,如某个点要素可以同是控制点和独立石,测要素分类项数为2。表4中的“指向坐标”指对于有方向性的点要素(如泉)指向坐标确定了该符号在图面上的指向4.4线要素文件*LIN
线要素文件记录除地形等高线以外的所有线状要素(包括折线段、封闭折线、多边形、曲线段、封闭曲线等)的各项信息。一条线要素的记录格式如表5所示。表5
地形图要素记录号
像对号
要素分类项数
分类代码1
分类代码2
是否封闭(是/否)
一条线要素的长度
“-条线要素中的点数
一条线要
素的点列
4.5等高线文件*CON
XNYNZN
等高线文件仅记录等高线的各项信息。一条等高线的记录格式如表6所示。表6
地形图要素记录号
像对号
等高线的高程
堤否封闭(是/否)
条等高线的点数
一条等高
线的点列
4.6注记文件*ANN
GB/T 17158-1997
表6(完)
地形图要素注记文件记录本图幅内所有文字数字注记的图面位置、字大、字体等各项信息。注记内容的记录格式如表?所示。
地形图要素记录号
像对号
本注记内容第个字符左下角坐标指向
数字高程模型文件*DEM
注记内容字符串
本文件为可选择文件,本幅图内-个究整的数字高程模型数据文件的记录格式如表8所示。表8
模型起始点高斯坐标及高程X.Y.Z.模型内最大高程值
模型内最小高程值
扫描线方位
扫描方式(单向/双向)
起始点扫描走向
扫描间距(M)
纵向列数
横向行数
4.8数据质量评价文件*EST
数据质量评价文件的记录格式如表9所示。331
验收单位
验收者姓名
验收日期
要素平面中误差(m)
GB/T17158-1997
要素高程中误差(m)
图幅接边中误差(m)
质量等级
根据表2~表9数据记录格式所记录的1:50000摄影测量数字测图数据记录实例如附录A(提示的附录)所示。
GB/T 17158---1997
附录A
(提示的附录)
1:50000摄影测量数字测图数据记录实例设本记录的图号为H50E009006。E009006 * MAP
行政区域
测制单位名称
测制者姓名
图形编辑者姓名
测制仪器型号
平面坐标系统名称
高程系统名称
地形图要素分类与代码标准名称相机型号
航摄口期
航摄比例尺
成图比例尺
调绘时间
现势资料截止日期
坐标带号
左下角图廓点高斯坐标X
左上角图廊点高斯坐标X
右上角图廊点高斯坐标X
有下角图廓点高斯坐标X
左下角图廊点地理坐标L
右上角图廊点地理坐标L
图廓点理论边长
H50E009006
方山市
陕西省
陕西省第八测绘大队
周小红
JX-3 92013
1980西安坐标系
1985国家高程基准
1:5000、1:10000、1:25000、1 :500001:100000地形图要素分类与代码(GB/T 15660----1995)
RC-038
1:61000
1150000
3276904.2
20331986.3
3395385.8
20332273.6
3395039.1
20356237.4
3276558.6
20355991,2
115°15'00\
30°30°00\
115°30'00\
30°40°00\
平均子午线收敛角
磁偏角
等高距
图幅内控制点总数
控制点点名(号)
控制点等级
控制点高斯座标X
控制点高程
东邻图幅号
接边情况
东南邻图幅号
接边情况
南邻图幅号
接边情况
西南邻图幅号
接边情况
西邻图幅号
接情况
西北邻图幅号
接边情况
北邻图蝠号
接边情况
东北邻图幅号
接边情况
已修测次数
修测单位
修测日期
相机型号
航摄日期
航摄比例尺
MAP文件结束
E009 006 * POR
航线号
像对号
参加像对定向的点数
标准位置3点点号
3点的高斯坐标X
3点的定向残差AX
GB/T 17158
0°49'37\
+12°12'
方山三角点
3384361.2
20340071.0
E009 007
已接边
E010007
已接边
E010006
已接遇
E010005
已接边
E009005
未接边
E008 005
未接边
E008 006
已接边
E008007
已接边
52775278
3384873.1
20349488.8
标准位置4点点号
4点的高斯坐标X
4点的定向残差AX
本像对平面定向中误差
本像对高程定向中误差
POR文件结束
E009006* PO1
地形图要素记录号
像对号
要素分类项数
分类代码
高斯坐标X
指尚坐标X
地形图要素记录号
像对号
要素分类项数
分类代码1
分类代码2
高斯坐标X
指向坐标X
POI文件结束
E009006 * LIN
地形图要素记录号
像对号
要素分类项数
分类代码
是香封闭
·条线要素的长度
GB/T 17158 -- 1997
3372673.5
20349475.1
—9999
52775278
3380987.9
20339412.2
52775278
3384174.3
20349238.1
3386281.1
20349265.5
5277-5278
条线要素中的点数
依序各点高斯坐标X
依序各点高斯坐标X
依序各点高斯坐标X
依序各点高斯坐标X
地形图要素记录号
像对号
要素分类项数
分类代码1
分类代码2
是否封闭
条线要素的长度
一条线要素中的点数
依序各点高斯坐标X
依序各点高斯坐标X
依序各点高斯坐标X
地形图要素记录号
像对号
要素分类项数
分类代码
是否封闭
一条线要素的长度
一条线要素中的点数
依序各点高斯坐标X
依序各点高斯坐标X
8-1997
GB/T 17158
3378113.9
20340246.0
3379038.1
20340245.8
3379030.4
20340717.0
3378113.7
20348717.7
5277--5278
3379134.0
20348783.6
3378019.1
20348010.2
3377678.3
20340812.4
5277—5278
3377679.6
20340820.3
3377682.7
依序各点高斯坐标X
LIN 文件结束
E009006 * CON
地形图要索记录号
像对号
等高线的高程
是否封闭
条等高线的点数
依序各点高斯坐标X,
依序各点高斯坐标X
依序各点高斯坐标X:
地形图要素记录号
像对号
等高线的高程
是否封闭
条等高线的点数
依序各点高斯坐标X
依序各点高斯坐标X2
依序各点高斯坐标X:
CON文件结束
E009006 * ANN
地形图要素记录号
像对号
第个字符左下角坐标X
GB/T 171581997
20340907.7
3377625.1
20340957.0
3377355.5
20340227.5
3377443.1
20340207.1
3377522.9
20340186.6
5277-5278
3378685.0
20347783.7
3378767.1
20347769.9
3378879.6
20347757.1
—9999
52775278
3380784.7
20339212.1
0°00'00\
小提示:此标准内容仅展示完整标准里的部分截取内容,若需要完整标准请到上方自行免费下载完整标准文档。
标准图片预览:





- 热门标准
- 国家标准(GB)
- GB/T2828.1-2012 计数抽样检验程序 第1部分:按接收质量限(AQL)检索的逐批检验抽样计划
- GB/T228.1-2021 金属材料 拉伸试验 第1部分:室温试验方法
- GB50367-2013 混凝土结构加固设计规范
- GB/T18204.4-2000 公共场所毛巾、床上卧具微生物检验方法细菌总数测定
- GB/T12053-1989 光学识别用字母数字字符集 第一部分:OCR-A字符集印刷图象的形状和尺寸
- GB/T23892.3-2009 滑动轴承 稳态条件下流体动压可倾瓦块止推轴承 第3部分:可倾瓦块止推轴承计算的许用值
- GB/T9145-2003 普通螺纹 中等精度、优选系列的极限尺寸
- GB/T11839-1989 二氧化铀芯块中硼的测定 姜黄素萃取光度法
- GB50209-2002 建筑地面工程施工质量验收规范
- GB/T6122.1-2002 圆角铣刀 第1部分:型式和尺寸
- GB/T7433-1987 对称电缆载波通信系统抗无线电广播和通信干扰的指标
- GB5725-2009 安全网
- GB13851-2022 内河交通安全标志
- GB/T9239-1988 刚性转子平衡品质 许用不平衡的确定
- GB/T15917.3-1995 金属镝及氧化镝化学分析方法 对氯苯基荧光酮--溴化十六烷基三甲基胺分光光度法测定钽量
- 行业新闻
请牢记:“bzxz.net”即是“标准下载”四个汉字汉语拼音首字母与国际顶级域名“.net”的组合。 ©2025 标准下载网 www.bzxz.net 本站邮件:bzxznet@163.com
网站备案号:湘ICP备2025141790号-2
网站备案号:湘ICP备2025141790号-2