- 您的位置:
- 标准下载网 >>
- 标准分类 >>
- 国家标准(GB) >>
- GB/T 4643-2002 16mm电影负片光学声迹的位置和尺寸
标准号:
GB/T 4643-2002
标准名称:
16mm电影负片光学声迹的位置和尺寸
标准类别:
国家标准(GB)
英文名称:
Cinematography--16mm negative photographic sound record on motion-picture film--Position and dimensions标准状态:
已作废-
发布日期:
2002-01-02 -
实施日期:
2003-05-01 -
作废日期:
2005-10-14 出版语种:
简体中文下载格式:
.rar.pdf下载大小:
41.16 KB
标准ICS号:
成像技术>>电影>>37.060.20电影胶片、暗盒中标分类号:
综合>>经济、文化>>A15电影与摄影技术
替代情况:
GB/T 4643-1984采标情况:
ISO 71-1977,MOD
点击下载
标准简介:
标准下载解压密码:www.bzxz.net
本标准规定了16 mm电影负片光学声带的录音位置与尺寸。本标准适用于16 mm电影负片光学声的录音。 GB/T 4643-2002 16mm电影负片光学声迹的位置和尺寸 GB/T4643-2002
本标准规定了16 mm电影负片光学声带的录音位置与尺寸。本标准适用于16 mm电影负片光学声的录音。
部分标准内容:
JC5 37 060. 20
中华人民共和国国家标准
CB/T4643—2002
代替6R/46431984
16 mm电影负片光学声迹的
位置和尺寸
Cincmatography-16 mm ncgative photographie sound rccordon motion-pieture film-Posilinn and dimensions(IS0 71:1977,Cincmatography-16 mn ncgative phatugraphir: sounder (16 mm,35/16m 35/32m nin-p:tur filPstisusudingsieusMop)
2002-12-04 发布
山华人民共利国
国家质量旋督检验检疫总历
2003-05-01实施
GU1 4643-·2002
本标准恢改采用rJS21:1977记水在16ram,=/16mm新$=/32mm胶上的:.5mm光学负片声的位些利下了.
本标韭足对HT1543—198+的修订.对G/T641991的主举确改内穿如下:
1刑除标准中的\M\尺.
?除点标准所称的”A\和\B\要片方支,1修改你准名称,www.bzxz.net
本标准郭分等同采用了IS71:=77。术英用的部分是:35mr:片打我成T6ir:m3R和5mm影片打成3m1rr.2尺范分,因日前我国不便用这两称片,令也不会使月:本标准口实施之口起,代替B/T16151SE4。本标准十国家广铺电影良总品报出,性标准击国电影到学反术研充所。本标准山中国电影科学社术研究所双草,本标洲起带人恢明运。
本标准于1984年首次发布,此次谈;为第-次龄订。范围
16 mm电影负片光学声迹的
位置和尺寸
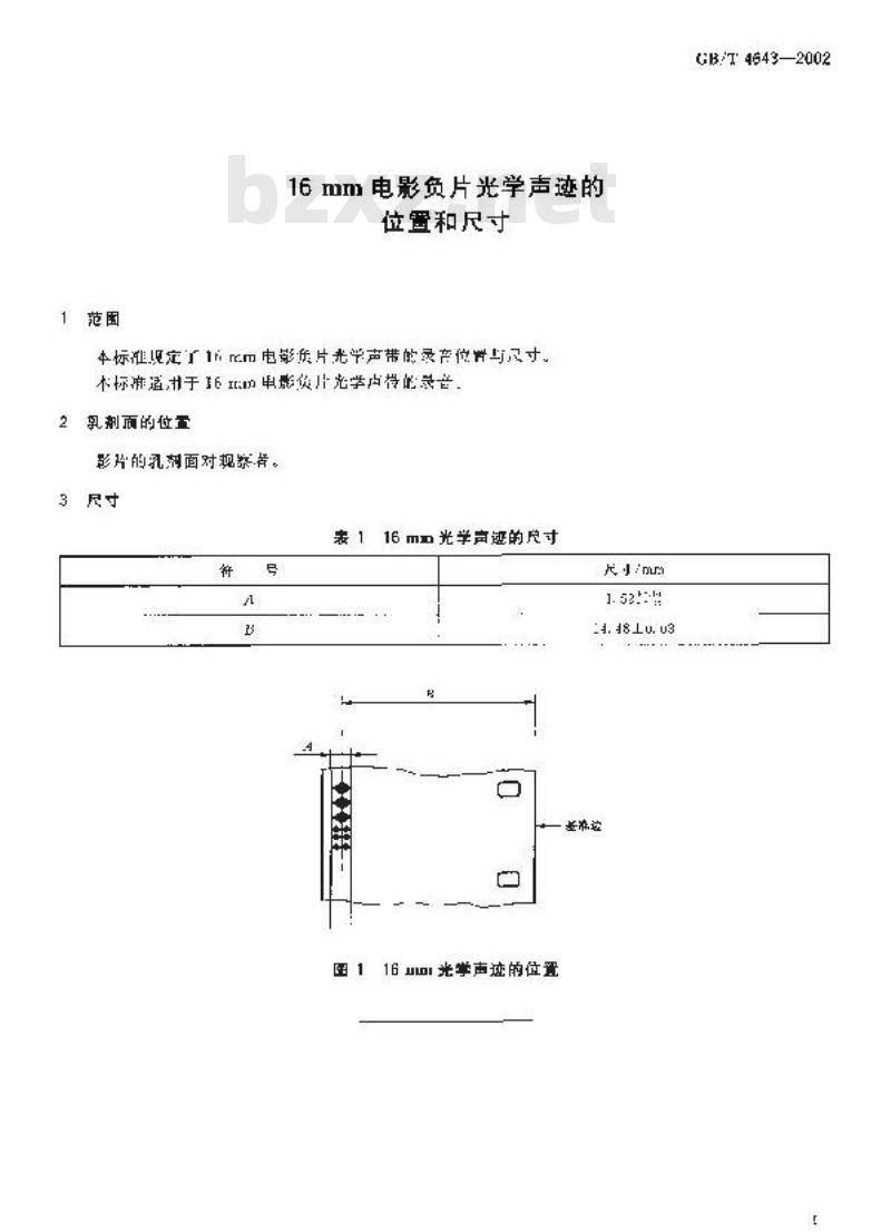
本标准现定厂1F比m电影质片光单声带的录产位背与尺寸本标适于6电影负光学卢得的录音乳刺面的位置
彩片的乳剂面对规察者。
表116m光学声诞的户寸
图116光掌声迹的位置
些准选
GBT:4643—2002
小提示:此标准内容仅展示完整标准里的部分截取内容,若需要完整标准请到上方自行免费下载完整标准文档。
中华人民共和国国家标准
CB/T4643—2002
代替6R/46431984
16 mm电影负片光学声迹的
位置和尺寸
Cincmatography-16 mm ncgative photographie sound rccordon motion-pieture film-Posilinn and dimensions(IS0 71:1977,Cincmatography-16 mn ncgative phatugraphir: sounder (16 mm,35/16m 35/32m nin-p:tur filPstisusudingsieusMop)
2002-12-04 发布
山华人民共利国
国家质量旋督检验检疫总历
2003-05-01实施
GU1 4643-·2002
本标准恢改采用rJS21:1977记水在16ram,=/16mm新$=/32mm胶上的:.5mm光学负片声的位些利下了.
本标韭足对HT1543—198+的修订.对G/T641991的主举确改内穿如下:
1刑除标准中的\M\尺.
?除点标准所称的”A\和\B\要片方支,1修改你准名称,www.bzxz.net
本标准郭分等同采用了IS71:=77。术英用的部分是:35mr:片打我成T6ir:m3R和5mm影片打成3m1rr.2尺范分,因日前我国不便用这两称片,令也不会使月:本标准口实施之口起,代替B/T16151SE4。本标准十国家广铺电影良总品报出,性标准击国电影到学反术研充所。本标准山中国电影科学社术研究所双草,本标洲起带人恢明运。
本标准于1984年首次发布,此次谈;为第-次龄订。范围
16 mm电影负片光学声迹的
位置和尺寸
本标准现定厂1F比m电影质片光单声带的录产位背与尺寸本标适于6电影负光学卢得的录音乳刺面的位置
彩片的乳剂面对规察者。
表116m光学声诞的户寸
图116光掌声迹的位置
些准选
GBT:4643—2002
小提示:此标准内容仅展示完整标准里的部分截取内容,若需要完整标准请到上方自行免费下载完整标准文档。
标准图片预览:



- 热门标准
- 国家标准(GB)
- GB/T2828.1-2012 计数抽样检验程序 第1部分:按接收质量限(AQL)检索的逐批检验抽样计划
- GB/T37915-2019 社区商业设施设置与功能要求
- GB/T39325-2020 超导回旋质子加速器辐射屏蔽规范
- GB/T40094.2-2021 电子商务数据交易第2部分:数据描述规范
- GB12972.8-1991 矿用橡套软电缆 第8部分:额定电压0. 3/0.5 kv矿用电钻电缆
- GB/T3047.3-2003 高度进制为20mm的插箱、插件基本尺寸系列
- GB/T39677-2020 OFD在政府网站网页归档中的应用指南
- GB/T6934-1995 短波单边带接收机电性能测量方法
- GB/T13920-1992 35mm电影主观检验片(彩色测试图)
- GB12497-1995 三相异步电动机经济运行
- GB9990-2009 食品营养强化剂 煅烧钙
- GB/T30577-2014 燃气-蒸汽联合循环余热锅炉技术条件
- GB23200.118-2021 食品安全国家标准植物源性食品中单氰胺残留量的测定液相色谱-质谱联用法
- GB/T39570-2020 电子商务交易产品图像展示要求
- GB10493-1989 铁路站内道口信号设备技术条件
- 行业新闻
请牢记:“bzxz.net”即是“标准下载”四个汉字汉语拼音首字母与国际顶级域名“.net”的组合。 ©2025 标准下载网 www.bzxz.net 本站邮件:bzxznet@163.com
网站备案号:湘ICP备2025141790号-2
网站备案号:湘ICP备2025141790号-2