- 您的位置:
- 标准下载网 >>
- 标准分类 >>
- 船舶行业标准(CB) >>
- CB* 3348-1988 船用锅壳式辅锅炉本体总装技术条件
标准号:
CB* 3348-1988
标准名称:
船用锅壳式辅锅炉本体总装技术条件
标准类别:
船舶行业标准(CB)
英文名称:
Technical requirements for the assembly of shell-type auxiliary boilers for ships标准状态:
已作废-
发布日期:
1988-11-19 -
实施日期:
1989-05-01 -
作废日期:
2005-07-01 出版语种:
简体中文下载格式:
.rar.pdf下载大小:
2.43 MB
中标分类号:
船舶>>船用主辅机>>U41船用锅炉与蒸汽机
替代情况:
被CB/T 3348-2005替代
部分标准内容:
(正版标准)CB 3348-1988船用锅壳式辅锅炉本体总装技术条件。CB
全国船舶标准化技术委员会专业标准CB*3348-88
船用锅壳式辅锅炉本体总装
技术条件
1988-11-19发布
全国船舶标准化技术委员会
1989-05-01实施
全国船舶标准化技术委员会专业标准船用锅壳式辅锅炉本体总装
技术条件
主题内容与适用范围
本标准规定了船用辅锅炉本体总装的技术要求及检验规则。CB*3348-88
分类号:U41
本标准适用于介质为设计压力不大于2.45MPa(25kgf/cm2),温度为饱和温度的锅壳式船用辅锅炉(包括废气锅炉)。
2引用标准
GB11038
GB11037
CB*3347
船用辅锅炉受压元件焊接技术条件船用辅锅炉及受压容器液压试验方法船用辅锅炉油漆、绝热、包装技术要求锅炉胀接管孔尺寸和偏差
JB1622
3技术要求
锅炉的受压元件及非受压元件,经检验合格后才能进人总装。3.1每
3.2锅炉本体总装的焊接技术条件应符合GB11038的规定。3.3对于直接受火焰辐射或温度大于800℃烟气冲刷的角接焊缝形式(除另行批准外)应按图1规定。板边缘倒圆半径不小于0.58,表面粗糙度Ra<25um,且不应有与焊缝垂直方向的刻痕。<3
图1a中最小角度应用最大半径R=10mm来连接,最大角度应用最小半径R=.5mm来连接。3.4本体总装时,各零部件应自然组装,不得强力组装,避免造成组装应力。全国船舶标准化技术委员会1988-11-19批准1989-05-01实施
CB*3348-88
3.5零部件组装后进行焊接时,应采取防止变形的措施。3.6锅炉装配定位后,满管板的间距、管孔中心、炉胆孔中心各项偏差值应符合表1规定。表1
管板间距L
.1 000
1000~2000
>2 000
间甄偏差△L
本体总装后其管板平面度应不超过表2规定。表2
公称内径
板牛面度
1000-1500
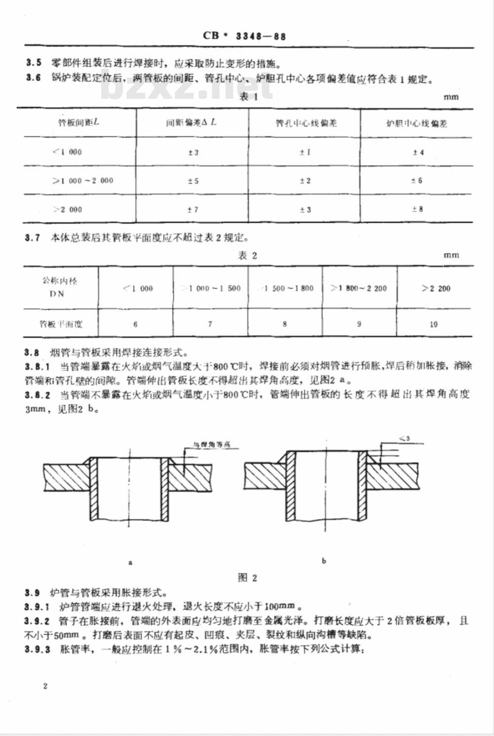
3.8烟管与管板采用焊接连接形式。管孔中心线偏差
1 500~1800
炉胆中心线偏差
>1800~2200此内容来自标准下载网
>2 200
3.8.1当管端暴露在火焰或烟气温度大于800℃时,焊接前必须对烟管进行预胀,焊后稍加胀接,消除管端和管孔壁的间障。管端伸出管板长度不得超出其焊角高度,见图2a。3.8.2当管端不暴露在火焰或烟气温度小于800℃时,管端伸出管板的长度不得超出其焊角高度3mm,见图2b。
焊角等鹿
3.9炉管与管板采用胀接形式。
3.9.1炉管管端应进行退火处理,退火长度不应小于100mm,3.9.2管子在胀接前,管端的外表面应均匀地打磨至金属光泽。打磨长度应大于2倍管板板厚,且不小于50mm。打磨后表面不应有起皮、凹痕、夹层、裂纹和纵向沟槽等缺陷。3.9.3胀管率,一般应控制在1%~2.1%范围内,张管率按下列公式计算:2
式中:H
一胀管率,%;
CB*3348—88
d,—胀完后的管子实测内径,mm;d2——未胀时的管子实测内径,mm;d,-d2-4
d3—未胀时的管孔实测直径,mm;4-—未胀时管孔实测直径与管子实测外径之差,mm。3.9.4胀接前所有管孔内的污垢和铁锈应予以清除干净,在胀管过程中,应防止污物或油质进人胀接面。已胀部分过渡到未胀部分应均匀圆滑。3.9.5胀接前管端伸出管板长度按JB1622的规定。3.9.6管端喇叭口的板边锥角不小于30°,并应在伸人管板孔内0~2mm处开始倾斜。由胀接部分转人喇叭口部分应有明显的界限,但不应有明显的切口,见图3a。3.9.7当胀口处烟气温度大于800℃时,胀管为90°板边,扳边边缘与管板贴紧,最大间隙不得超过0.4mm,间隙长度不得超过管周长的20%,见图3b。>30*
3.9.8管子胀接在不垂直于管板的管孔中时,见图4,则管子贴于管孔周围的有效长度不得少于13mm。
管子胀口不应有下列缺陷:
CB*3348-88
管端内表面粗糙、剥落、刻痕、裂纹等;a.
扳边后管端有裂口;
90°扳边后边缘有超过2mm长的细小裂纹。c.
3.9.10经水压试验不合格时,可进行复胀,复胀次数不超过两次,但仍应符合胀管要求。3.10对于螺栓连接,上紧螺栓时不得使之承受过大应力,如猛击扳手柄或用其他方法增加扳手力臂。各种直径的螺纹连接件,允许使用的最大扳手尺寸见表3。表3
螺纹直径
板手长度
封面。
12,14
法兰之间密封垫片必须涂有防止垫片和法兰粘连的涂料,在清除光洁表面垫片时,不得损伤密人孔与手孔的各密封面,其表面粗糙度R,<12.5um,可有轻微的环向刻痕,但不得有径向刻3.12
锅炉内部附件应可靠地固定,且适应锅炉膨胀。3.13
3.14焊装在锅炉本体上的吊耳、支座必须加复板。且在复板上合适的位置设1~2个不小于6mm的放气孔。复板的尖角应有不小于板厚的圆角过渡。3.15锅壳上所有焊接的复板、座板均应与锅壳紧密贴合。3.16锅壳上法兰的允许偏差。
3.16.1锅壳上法兰平面对接管中心线的垂直度4h应不大于2mm。法兰螺栓孔中心位置的偏移Ae:当法兰外径不大于100mm时,应不大于1mm;当法兰外径大于100mm、但不大于200mm时,应不大于2mm;当法兰外径大于200mm时,应不大于3mm。法兰高度H的偏差△H应不大于±2mm,见图5。
3.16.2水位表法兰偏差,见图6。Aa<±1.5mm,Ab<±1mm,△c<1mm,Ad<1mm4
CB*3348-88
3.16.3锅壳上管接头对锅壳的垂直度4f不大于1.5mm,见图7。图7
3.17本体总装后锅壳每米长度内的直线度应不超过1.5mm,全长应不超过7mm。3.18锅炉本体总装后总长L的偏差△L不超过+15mm,见图8。L+
3.19·锅炉本体总装过程中应及时地将内部清理干净。3.20锅炉本体总装后,.锅壳表面凹陷,当其深度在0.5~1mm内应圆滑过渡;超过1mm时应补焊磨平,对凸起高度超过1mm时应修磨。CB*3348-88
3.21烟箱门与烟箱框架间应可靠地密封,铰链式烟箱开关应灵活。3.22经4.1;4.2;4.3;4.4检验合格后进行油漆和绝热包装。锅炉本体的油漆和绝热包扎应符合CB*3347的规定。4检验规则
4.1检查部门根据图样及本技术条件的各项规定进行检查。4.2焊缝应按GB11038的规定进行检查。4.3液压试验按GB11037的规定进行试验。4.4锅炉本体经检验合格后,按GB11038要求和船检部门规定的部位打印标志。附加说明:
本标准由中国船舶工业总公司六〇三所提出。本标准由中国船舶工业总公司第七研究院七〇四所归口。本标准由青岛船用锅炉厂、船检局青岛分局负责起草。六O三所、沙洲船用锅炉厂、船检局南京分局参加。本标准主要起草人张青、张中波、仲崇欣、景国华、季随。
小提示:此标准内容仅展示完整标准里的部分截取内容,若需要完整标准请到上方自行免费下载完整标准文档。
全国船舶标准化技术委员会专业标准CB*3348-88
船用锅壳式辅锅炉本体总装
技术条件
1988-11-19发布
全国船舶标准化技术委员会
1989-05-01实施
全国船舶标准化技术委员会专业标准船用锅壳式辅锅炉本体总装
技术条件
主题内容与适用范围
本标准规定了船用辅锅炉本体总装的技术要求及检验规则。CB*3348-88
分类号:U41
本标准适用于介质为设计压力不大于2.45MPa(25kgf/cm2),温度为饱和温度的锅壳式船用辅锅炉(包括废气锅炉)。
2引用标准
GB11038
GB11037
CB*3347
船用辅锅炉受压元件焊接技术条件船用辅锅炉及受压容器液压试验方法船用辅锅炉油漆、绝热、包装技术要求锅炉胀接管孔尺寸和偏差
JB1622
3技术要求
锅炉的受压元件及非受压元件,经检验合格后才能进人总装。3.1每
3.2锅炉本体总装的焊接技术条件应符合GB11038的规定。3.3对于直接受火焰辐射或温度大于800℃烟气冲刷的角接焊缝形式(除另行批准外)应按图1规定。板边缘倒圆半径不小于0.58,表面粗糙度Ra<25um,且不应有与焊缝垂直方向的刻痕。<3
图1a中最小角度应用最大半径R=10mm来连接,最大角度应用最小半径R=.5mm来连接。3.4本体总装时,各零部件应自然组装,不得强力组装,避免造成组装应力。全国船舶标准化技术委员会1988-11-19批准1989-05-01实施
CB*3348-88
3.5零部件组装后进行焊接时,应采取防止变形的措施。3.6锅炉装配定位后,满管板的间距、管孔中心、炉胆孔中心各项偏差值应符合表1规定。表1
管板间距L
.1 000
1000~2000
>2 000
间甄偏差△L
本体总装后其管板平面度应不超过表2规定。表2
公称内径
板牛面度
1000-1500
3.8烟管与管板采用焊接连接形式。管孔中心线偏差
1 500~1800
炉胆中心线偏差
>1800~2200此内容来自标准下载网
>2 200
3.8.1当管端暴露在火焰或烟气温度大于800℃时,焊接前必须对烟管进行预胀,焊后稍加胀接,消除管端和管孔壁的间障。管端伸出管板长度不得超出其焊角高度,见图2a。3.8.2当管端不暴露在火焰或烟气温度小于800℃时,管端伸出管板的长度不得超出其焊角高度3mm,见图2b。
焊角等鹿
3.9炉管与管板采用胀接形式。
3.9.1炉管管端应进行退火处理,退火长度不应小于100mm,3.9.2管子在胀接前,管端的外表面应均匀地打磨至金属光泽。打磨长度应大于2倍管板板厚,且不小于50mm。打磨后表面不应有起皮、凹痕、夹层、裂纹和纵向沟槽等缺陷。3.9.3胀管率,一般应控制在1%~2.1%范围内,张管率按下列公式计算:2
式中:H
一胀管率,%;
CB*3348—88
d,—胀完后的管子实测内径,mm;d2——未胀时的管子实测内径,mm;d,-d2-4
d3—未胀时的管孔实测直径,mm;4-—未胀时管孔实测直径与管子实测外径之差,mm。3.9.4胀接前所有管孔内的污垢和铁锈应予以清除干净,在胀管过程中,应防止污物或油质进人胀接面。已胀部分过渡到未胀部分应均匀圆滑。3.9.5胀接前管端伸出管板长度按JB1622的规定。3.9.6管端喇叭口的板边锥角不小于30°,并应在伸人管板孔内0~2mm处开始倾斜。由胀接部分转人喇叭口部分应有明显的界限,但不应有明显的切口,见图3a。3.9.7当胀口处烟气温度大于800℃时,胀管为90°板边,扳边边缘与管板贴紧,最大间隙不得超过0.4mm,间隙长度不得超过管周长的20%,见图3b。>30*
3.9.8管子胀接在不垂直于管板的管孔中时,见图4,则管子贴于管孔周围的有效长度不得少于13mm。
管子胀口不应有下列缺陷:
CB*3348-88
管端内表面粗糙、剥落、刻痕、裂纹等;a.
扳边后管端有裂口;
90°扳边后边缘有超过2mm长的细小裂纹。c.
3.9.10经水压试验不合格时,可进行复胀,复胀次数不超过两次,但仍应符合胀管要求。3.10对于螺栓连接,上紧螺栓时不得使之承受过大应力,如猛击扳手柄或用其他方法增加扳手力臂。各种直径的螺纹连接件,允许使用的最大扳手尺寸见表3。表3
螺纹直径
板手长度
封面。
12,14
法兰之间密封垫片必须涂有防止垫片和法兰粘连的涂料,在清除光洁表面垫片时,不得损伤密人孔与手孔的各密封面,其表面粗糙度R,<12.5um,可有轻微的环向刻痕,但不得有径向刻3.12
锅炉内部附件应可靠地固定,且适应锅炉膨胀。3.13
3.14焊装在锅炉本体上的吊耳、支座必须加复板。且在复板上合适的位置设1~2个不小于6mm的放气孔。复板的尖角应有不小于板厚的圆角过渡。3.15锅壳上所有焊接的复板、座板均应与锅壳紧密贴合。3.16锅壳上法兰的允许偏差。
3.16.1锅壳上法兰平面对接管中心线的垂直度4h应不大于2mm。法兰螺栓孔中心位置的偏移Ae:当法兰外径不大于100mm时,应不大于1mm;当法兰外径大于100mm、但不大于200mm时,应不大于2mm;当法兰外径大于200mm时,应不大于3mm。法兰高度H的偏差△H应不大于±2mm,见图5。
3.16.2水位表法兰偏差,见图6。Aa<±1.5mm,Ab<±1mm,△c<1mm,Ad<1mm4
CB*3348-88
3.16.3锅壳上管接头对锅壳的垂直度4f不大于1.5mm,见图7。图7
3.17本体总装后锅壳每米长度内的直线度应不超过1.5mm,全长应不超过7mm。3.18锅炉本体总装后总长L的偏差△L不超过+15mm,见图8。L+
3.19·锅炉本体总装过程中应及时地将内部清理干净。3.20锅炉本体总装后,.锅壳表面凹陷,当其深度在0.5~1mm内应圆滑过渡;超过1mm时应补焊磨平,对凸起高度超过1mm时应修磨。CB*3348-88
3.21烟箱门与烟箱框架间应可靠地密封,铰链式烟箱开关应灵活。3.22经4.1;4.2;4.3;4.4检验合格后进行油漆和绝热包装。锅炉本体的油漆和绝热包扎应符合CB*3347的规定。4检验规则
4.1检查部门根据图样及本技术条件的各项规定进行检查。4.2焊缝应按GB11038的规定进行检查。4.3液压试验按GB11037的规定进行试验。4.4锅炉本体经检验合格后,按GB11038要求和船检部门规定的部位打印标志。附加说明:
本标准由中国船舶工业总公司六〇三所提出。本标准由中国船舶工业总公司第七研究院七〇四所归口。本标准由青岛船用锅炉厂、船检局青岛分局负责起草。六O三所、沙洲船用锅炉厂、船检局南京分局参加。本标准主要起草人张青、张中波、仲崇欣、景国华、季随。
小提示:此标准内容仅展示完整标准里的部分截取内容,若需要完整标准请到上方自行免费下载完整标准文档。
标准图片预览:





- 其它标准
- 热门标准
- 船舶行业标准(CB)
- CB/T1033-1999 船用油分浓度计
- CB/T4160-2011 锚修理技术要求
- CB/T3799-1997 船舶液压系统修理清洗技术要求
- CB/T3924-2002 船用锅炉原材料入厂检验
- CB/T4405-2014 额定电压6kV Um7.2kV 至30kV Um36kV 船舶和近海设施变频传动用电力电缆
- CB/T3686-1995 电汽热水柜
- CB/T3679-1995 船用往复式液压舵机修理技术要求
- CB/T19-2001 船用人孔盖
- CB/T3955-2004 法兰不锈钢闸阀
- CB/T3668-1995 电刷镀镍、铜工艺技术要求
- CB/T3752-1995 机械压力式燃烧器
- CB/T3921-2001 船用辅锅炉人孔装置
- CB/Z303-1978 长江客货船船模系列试验图谱
- CB/T47-1999 船用对焊钢法兰
- CB/T3837-1998 船舶用气囊上排、下水工艺要求
- 行业新闻
请牢记:“bzxz.net”即是“标准下载”四个汉字汉语拼音首字母与国际顶级域名“.net”的组合。 ©2025 标准下载网 www.bzxz.net 本站邮件:bzxznet@163.com
网站备案号:湘ICP备2025141790号-2
网站备案号:湘ICP备2025141790号-2