- 您的位置:
- 标准下载网 >>
- 标准分类 >>
- 船舶行业标准(CB) >>
- CB* 3296-1986 铝质铆接船节点简化画法
标准号:
CB* 3296-1986
标准名称:
铝质铆接船节点简化画法
标准类别:
船舶行业标准(CB)
英文名称:
Simplified drawing method for aluminum riveted ship nodes标准状态:
现行-
发布日期:
1986-10-23 -
实施日期:
1987-12-01 出版语种:
简体中文下载格式:
.rar.pdf下载大小:
4.69 MB
部分标准内容:
全国船舶标准化技术委员会专业标准CB*3296-86
铝质铆接船节点简化画法
1986-10-23发布
1987-12-01实施
全国船舶标准化技术委员会
免费标准下载网(www.freebz.net)无需注册,即可下载全国船舶标准化技术委员会专业标准铝质铆接船节点简化画法
CB*3296—86
分类号:U04
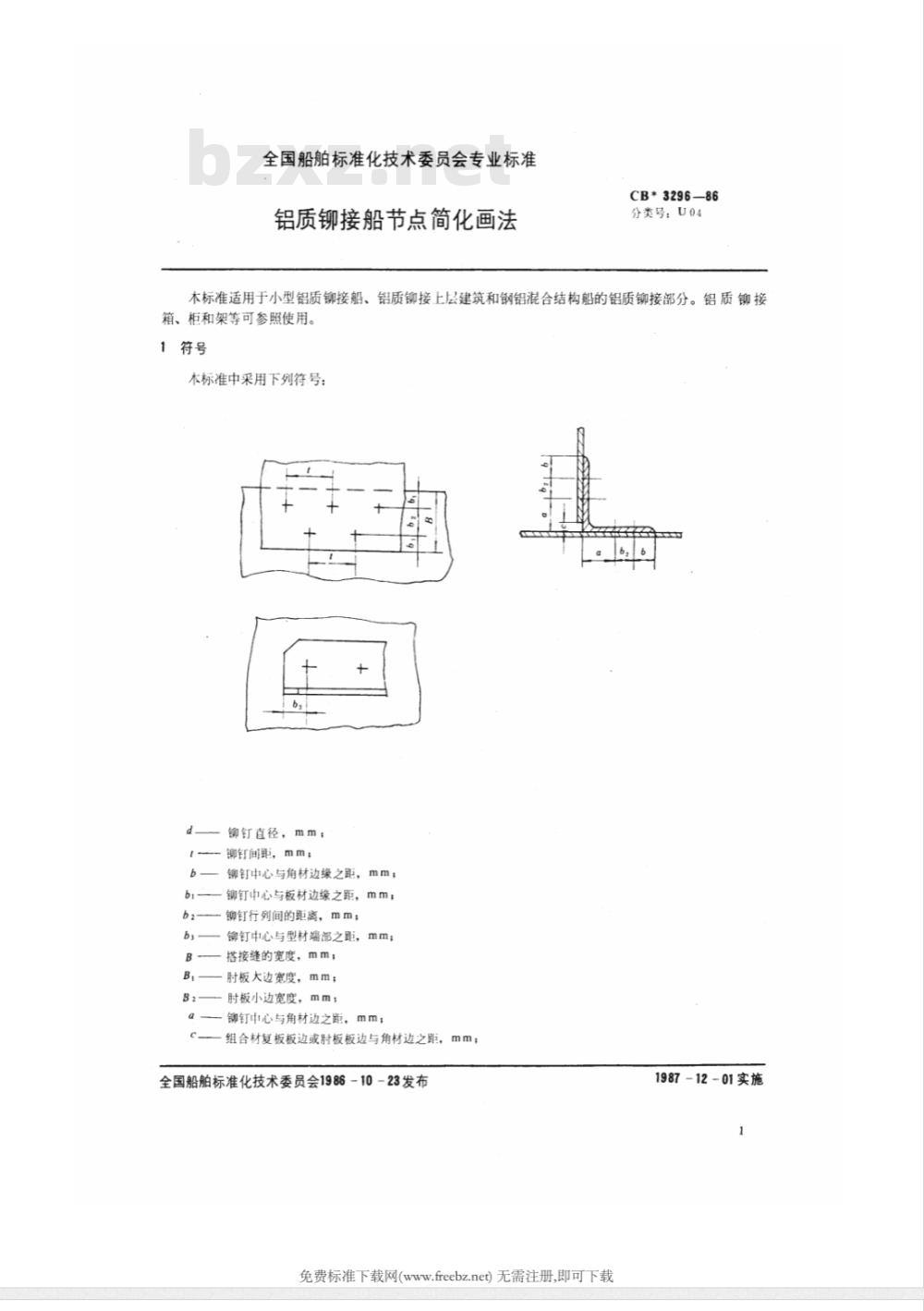
木标准适用于小型铝质铆接船、铝质铆接上层建筑和钢铝混合结构船的铝质铆接部分。铝质铆接箱、柜和架等可参照使用。
本标准中采用下列符号:
铆钉直径,mm;
铆钉间距,mm;
铆钉中心与角材边缘之距,mm;b1
铆钉中心与板材边缘之距,mm;铆钉行列间的距离,mm;
铆钉中心与型材端部之距,mm;搭接缝的宽度,mm;
-时板大边宽度,mm;
时板小边宽度,mm;
铆钉中心与角材边之距,mm;
组合材复板板边或时板板边与角材边之距,mm;全国船舶标准化技术委员会1986-10-23发布免费标准下载网(www.freebz.net)无需注册,即可下载1987-12-01实施
一型材长边高,mm;
一连接板的长度,mm;
Li型材的长度,mm;
h-—时板边与型材边之距,mm。2板材与板材的连接
2.1两块板的搭接缝
两块板的搭接缝按表!。
CB*3296-86
b, = 2d
b, = 2d
注:简化画法中的引出线表示的内容为:代号
简化画法示例
B = 45
免费标准下载网(www.freebz.net)无需注册,即可下载t= 5d
20 -5 d
45 - 5 d
80 - 5 d
免费标准下载网(www.freebz.net)2.2
三块板的搭接缝
三块板的搭接缝按表2。
CB*3296-86
b, = 2d
b, = 2d
注:简化画法中的引出线表示的内容为:代号
免费标准下载网(www.freebz.net)无需注册,即可下载简化画法示例
免费标准下载网(www.freebz.net)3板材与构架的连接
3.1板材与型材的铆接
板材与型材的铆接按表3。
序号【名称
CB*3296-86
简化画法示例
Q = 17
在主视图中
G = 17
在主视图中
G = 17
在主视图中
f = 5d
在剖面图中
17 ~ 5 d
免费标准下载网(www.freebz.net)在剖面图中
17(6)-5d
在制面图中
17 (6)
17(6) - 5d
免费标准下载网(www.freebz.net)无需注册,即可下载5
与行c2-2
注:篇化画法中的引出线表示的内容为:CB*3296-86
续表3
a(C)/b2-
简化画法示例
bz = 14
在主视图中
免费标准下载网(www.freebz.net)+s5d
在剖面图中
16 /14 5 d
b, = 14
在主视图中
在剖面图中
16(5)/ 14-5d
b, = 14bzxZ.net
在主视图中
t = 5d
在剖面图中
16 ( 5 ) / 14 - 5 d
在主视图中
在主视图中
免费标准下载网(www.freebz.net)无需注册,即可下载f=5d
在制面图中
在制面图中
3.2肘板与组合材的铆接
肘板与组合材的铆接按表4。
序号代号
上角材
CB*3296-—86
下角材
简化画法示例
锦钉8只
40-8只
御钉11只
65-11只
免费标准下载网(www.freebz.net)无需注册,即可下载免费标准
下载网(www.freebz.net)
CB*:3296-86
续表4
免费标准下载网(www.freebz.net)无需注册,即可下载简化画法示例
绑钉14只
80-14只
B = 80
铆钉17只
免费标准下载网(www.freebz.net)CB*3296-86
注:①铆钉距板边bi=2d。
②上、下角材与肘板的铆接要素(a,b:,c)应和上、下角材与腹板的铆接要素一致。③图中仅表示出锦钉排列的方法,具体铆钉只数应根据组合材的高度由设计者决定。④表列四种类型在下列情况下均适用:组合材的上下角材在同侧(见D4);组合材的上下角材在异侧(见D1和D3);组合材的上角材为双角材(见D2)。③简化画法中的引出线表示的内容为:号
B-铆钉数量(不包括模形垫片处的铆钉)8
免费标准下载网(www.freebz.net)无需注册,即可下载免费标准下载网(www.freebz.net)4·构架与构架的连接
4.1组合材与组合材的连接
4.1.1组合材的对接
组合材的对接按表5。
序号代号
上角机
下角材
CB*3296-86
连接板
免费标准下载网(www.freebz.net)无需注册,即可下载免费标准下载网(www.freebz.net)简化画法示例
L= 150
上角材
下角材
下角材
CB*3296--86
续表5
连接板
连接板
免费标准下载网(www.freebz.net)无需注册,即可下载简化画法示例
L = 150
免费标准下载网(www.freebz.net)
小提示:此标准内容仅展示完整标准里的部分截取内容,若需要完整标准请到上方自行免费下载完整标准文档。
铝质铆接船节点简化画法
1986-10-23发布
1987-12-01实施
全国船舶标准化技术委员会
免费标准下载网(www.freebz.net)无需注册,即可下载全国船舶标准化技术委员会专业标准铝质铆接船节点简化画法
CB*3296—86
分类号:U04
木标准适用于小型铝质铆接船、铝质铆接上层建筑和钢铝混合结构船的铝质铆接部分。铝质铆接箱、柜和架等可参照使用。
本标准中采用下列符号:
铆钉直径,mm;
铆钉间距,mm;
铆钉中心与角材边缘之距,mm;b1
铆钉中心与板材边缘之距,mm;铆钉行列间的距离,mm;
铆钉中心与型材端部之距,mm;搭接缝的宽度,mm;
-时板大边宽度,mm;
时板小边宽度,mm;
铆钉中心与角材边之距,mm;
组合材复板板边或时板板边与角材边之距,mm;全国船舶标准化技术委员会1986-10-23发布免费标准下载网(www.freebz.net)无需注册,即可下载1987-12-01实施
一型材长边高,mm;
一连接板的长度,mm;
Li型材的长度,mm;
h-—时板边与型材边之距,mm。2板材与板材的连接
2.1两块板的搭接缝
两块板的搭接缝按表!。
CB*3296-86
b, = 2d
b, = 2d
注:简化画法中的引出线表示的内容为:代号
简化画法示例
B = 45
免费标准下载网(www.freebz.net)无需注册,即可下载t= 5d
20 -5 d
45 - 5 d
80 - 5 d
免费标准下载网(www.freebz.net)2.2
三块板的搭接缝
三块板的搭接缝按表2。
CB*3296-86
b, = 2d
b, = 2d
注:简化画法中的引出线表示的内容为:代号
免费标准下载网(www.freebz.net)无需注册,即可下载简化画法示例
免费标准下载网(www.freebz.net)3板材与构架的连接
3.1板材与型材的铆接
板材与型材的铆接按表3。
序号【名称
CB*3296-86
简化画法示例
Q = 17
在主视图中
G = 17
在主视图中
G = 17
在主视图中
f = 5d
在剖面图中
17 ~ 5 d
免费标准下载网(www.freebz.net)在剖面图中
17(6)-5d
在制面图中
17 (6)
17(6) - 5d
免费标准下载网(www.freebz.net)无需注册,即可下载5
与行c2-2
注:篇化画法中的引出线表示的内容为:CB*3296-86
续表3
a(C)/b2-
简化画法示例
bz = 14
在主视图中
免费标准下载网(www.freebz.net)+s5d
在剖面图中
16 /14 5 d
b, = 14
在主视图中
在剖面图中
16(5)/ 14-5d
b, = 14bzxZ.net
在主视图中
t = 5d
在剖面图中
16 ( 5 ) / 14 - 5 d
在主视图中
在主视图中
免费标准下载网(www.freebz.net)无需注册,即可下载f=5d
在制面图中
在制面图中
3.2肘板与组合材的铆接
肘板与组合材的铆接按表4。
序号代号
上角材
CB*3296-—86
下角材
简化画法示例
锦钉8只
40-8只
御钉11只
65-11只
免费标准下载网(www.freebz.net)无需注册,即可下载免费标准
下载网(www.freebz.net)
CB*:3296-86
续表4
免费标准下载网(www.freebz.net)无需注册,即可下载简化画法示例
绑钉14只
80-14只
B = 80
铆钉17只
免费标准下载网(www.freebz.net)CB*3296-86
注:①铆钉距板边bi=2d。
②上、下角材与肘板的铆接要素(a,b:,c)应和上、下角材与腹板的铆接要素一致。③图中仅表示出锦钉排列的方法,具体铆钉只数应根据组合材的高度由设计者决定。④表列四种类型在下列情况下均适用:组合材的上下角材在同侧(见D4);组合材的上下角材在异侧(见D1和D3);组合材的上角材为双角材(见D2)。③简化画法中的引出线表示的内容为:号
B-铆钉数量(不包括模形垫片处的铆钉)8
免费标准下载网(www.freebz.net)无需注册,即可下载免费标准下载网(www.freebz.net)4·构架与构架的连接
4.1组合材与组合材的连接
4.1.1组合材的对接
组合材的对接按表5。
序号代号
上角机
下角材
CB*3296-86
连接板
免费标准下载网(www.freebz.net)无需注册,即可下载免费标准下载网(www.freebz.net)简化画法示例
L= 150
上角材
下角材
下角材
CB*3296--86
续表5
连接板
连接板
免费标准下载网(www.freebz.net)无需注册,即可下载简化画法示例
L = 150
免费标准下载网(www.freebz.net)
小提示:此标准内容仅展示完整标准里的部分截取内容,若需要完整标准请到上方自行免费下载完整标准文档。
标准图片预览:





- 其它标准
- 上一篇: CB* 3292-1986 玻璃钢船体结构制图
- 下一篇: CB* 3297-1987 波纹管式疏水阀
- 热门标准
- 船舶行业标准(CB)
- CB/T1033-1999 船用油分浓度计
- CB/T4160-2011 锚修理技术要求
- CB/T3799-1997 船舶液压系统修理清洗技术要求
- CB/T3924-2002 船用锅炉原材料入厂检验
- CB/T4405-2014 额定电压6kV Um7.2kV 至30kV Um36kV 船舶和近海设施变频传动用电力电缆
- CB/T3686-1995 电汽热水柜
- CB/T3679-1995 船用往复式液压舵机修理技术要求
- CB/T3955-2004 法兰不锈钢闸阀
- CB/T19-2001 船用人孔盖
- CB/T3668-1995 电刷镀镍、铜工艺技术要求
- CB/T47-1999 船用对焊钢法兰
- CB/T3752-1995 机械压力式燃烧器
- CB/T3921-2001 船用辅锅炉人孔装置
- CB/T3837-1998 船舶用气囊上排、下水工艺要求
- CB/Z303-1978 长江客货船船模系列试验图谱
- 行业新闻
请牢记:“bzxz.net”即是“标准下载”四个汉字汉语拼音首字母与国际顶级域名“.net”的组合。 ©2025 标准下载网 www.bzxz.net 本站邮件:bzxznet@163.com
网站备案号:湘ICP备2025141790号-2
网站备案号:湘ICP备2025141790号-2