- 您的位置:
- 标准下载网 >>
- 标准分类 >>
- 船舶行业标准(CB) >>
- CB* 821-1984 低压管子螺纹接头
标准号:
CB* 821-1984
标准名称:
低压管子螺纹接头
标准类别:
船舶行业标准(CB)
标准状态:
现行-
发布日期:
1984-05-30 -
实施日期:
1985-08-01 出版语种:
简体中文下载格式:
.rar.pdf下载大小:
替代情况:
CB 821-75
部分标准内容:
全国船舶标准化技术委员会专业标准CB* 821-84
低压管子螺纹接头
1984-05-30发布
全国凯舶坛准化技术
装日人
1985-08~01实施
全国船舶标准化技术委员会专业标准低压管子螺纹接头
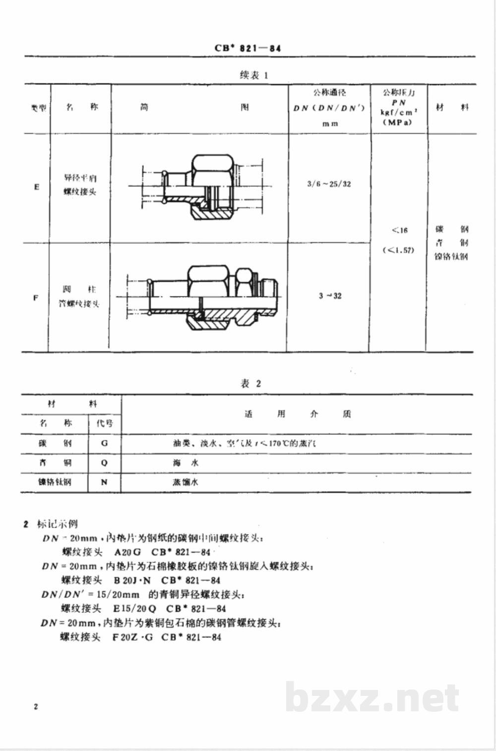
低压管子螺纹接头的类型和主要参数按表1、表2。表1
中间平肩
蝶纹接头
旋人半肩
螺纹接头
支管业所
螺纹接头
外套平前
螺纹接头
全国船舶标准化技术委员会1984-05-30发布公称通径
DN(DN/DN')
CB*821—84
组别:55
代替CB 821--75
公称压力
kgf/cm
(MPa)
镍铬银钢
1985-08-01实施
异经平府
螺纹接头
管螺纹接头
镍铬钛钢
标记示例
CB*821-84
续表1
公称通径
DN(DN/DN')
3/6~25/32
油类、淡水、空及1<170℃的蒸
蒸馏水
DN20mm·内垫片为钢纸的碳钢间螺纹接头:螺纹接头A20GCB*821-84
DN=20mm,内垫片为石棉橡胶板的镍铬钛钢旋入螺纹接头:螺纹接头B20J·NCB*82184
DN/DN=15/20mm的青铜异径螺纹接头:螺纹接头E15/20QCB*821-84
DN=20mm,内垫片为紫铜包石棉的碳钢管螺纹接头:螺纹接头F20Z·GCB*821-84
公称拆力
kgf/cm
镍铬铁钢
CB*821-84
低压管子娜纹接头的主要零件材料按表3。表3
平扇接头
异径肩接头
外套螺母
中间螺纹接头
旋人螺纹接头
支管螺纹接头
管螺纹接头
续路铁钢
石棉橡胶板
紫铜包石棉
有棉橡胶板
QA19-2
1Cr18Ni9Ti
标雄号
GB700—79
.YB458-71
GB1220—75
QB365 63
JC125—66
QB36563
JC125—66
CB*821-84
A型中间平肩螺纹接头的主要尺寸按图1和表4。扳手开口尺寸S,
M30×2
M36×2
M42×2
M48×2
外形尺寸
扳手开口尺寸
镍铬钛钢
CB*821-84
5B型旋人平肩螺纹接头的主要尺寸按图2和表5。板手开口尺寸S,
M30×2
M36×2
M42×2
旋入螺纹端部
M10×1
M 14×1.5
M27×2
M33×2
M42×2
外形尺寸
板手开1尺寸
CB*82184
C型支管平肩爆纹接头的主要尺寸按图3和表6。6
扳手开口尺寸S,
R按管子
M30×2
M36×2
M42×2
M48×2
外形尺寸
扳手开口尺寸
镍铬钛钢
CB*82184
7D型外套平肩螺纹接头的主要尺寸按图4和1表7。图4
M30×2
M36×2
M42×2
M48×2
外形尺寸
扳手开此内容来自标准下载网
口尺寸
镶铬钛钢
CB*821-84
E型异径平肩螺纹接头的主要尺寸按图5和表8。图5
公称通径
M30×2
M36×2
M42×2
M48×2
外影尺寸
扳手开
日尺寸
镍铬钛钢
CB*821-84
F型柱管螺纹接头的主要尺寸按图6和表9。9
扳手开口尺寸S,
M30×2
M36×2
M42×2
M48×2
旋人螺纹端部
外形尺寸
扳手开尺寸
镍箭最
CB*821-84
平肩接头(01)的尺寸按图7和表10。10
其余V3
镍络钛钢
小提示:此标准内容仅展示完整标准里的部分截取内容,若需要完整标准请到上方自行免费下载完整标准文档。
低压管子螺纹接头
1984-05-30发布
全国凯舶坛准化技术
装日人
1985-08~01实施
全国船舶标准化技术委员会专业标准低压管子螺纹接头
低压管子螺纹接头的类型和主要参数按表1、表2。表1
中间平肩
蝶纹接头
旋人半肩
螺纹接头
支管业所
螺纹接头
外套平前
螺纹接头
全国船舶标准化技术委员会1984-05-30发布公称通径
DN(DN/DN')
CB*821—84
组别:55
代替CB 821--75
公称压力
kgf/cm
(MPa)
镍铬银钢
1985-08-01实施
异经平府
螺纹接头
管螺纹接头
镍铬钛钢
标记示例
CB*821-84
续表1
公称通径
DN(DN/DN')
3/6~25/32
油类、淡水、空及1<170℃的蒸
蒸馏水
DN20mm·内垫片为钢纸的碳钢间螺纹接头:螺纹接头A20GCB*821-84
DN=20mm,内垫片为石棉橡胶板的镍铬钛钢旋入螺纹接头:螺纹接头B20J·NCB*82184
DN/DN=15/20mm的青铜异径螺纹接头:螺纹接头E15/20QCB*821-84
DN=20mm,内垫片为紫铜包石棉的碳钢管螺纹接头:螺纹接头F20Z·GCB*821-84
公称拆力
kgf/cm
镍铬铁钢
CB*821-84
低压管子娜纹接头的主要零件材料按表3。表3
平扇接头
异径肩接头
外套螺母
中间螺纹接头
旋人螺纹接头
支管螺纹接头
管螺纹接头
续路铁钢
石棉橡胶板
紫铜包石棉
有棉橡胶板
QA19-2
1Cr18Ni9Ti
标雄号
GB700—79
.YB458-71
GB1220—75
QB365 63
JC125—66
QB36563
JC125—66
CB*821-84
A型中间平肩螺纹接头的主要尺寸按图1和表4。扳手开口尺寸S,
M30×2
M36×2
M42×2
M48×2
外形尺寸
扳手开口尺寸
镍铬钛钢
CB*821-84
5B型旋人平肩螺纹接头的主要尺寸按图2和表5。板手开口尺寸S,
M30×2
M36×2
M42×2
旋入螺纹端部
M10×1
M 14×1.5
M27×2
M33×2
M42×2
外形尺寸
板手开1尺寸
CB*82184
C型支管平肩爆纹接头的主要尺寸按图3和表6。6
扳手开口尺寸S,
R按管子
M30×2
M36×2
M42×2
M48×2
外形尺寸
扳手开口尺寸
镍铬钛钢
CB*82184
7D型外套平肩螺纹接头的主要尺寸按图4和1表7。图4
M30×2
M36×2
M42×2
M48×2
外形尺寸
扳手开此内容来自标准下载网
口尺寸
镶铬钛钢
CB*821-84
E型异径平肩螺纹接头的主要尺寸按图5和表8。图5
公称通径
M30×2
M36×2
M42×2
M48×2
外影尺寸
扳手开
日尺寸
镍铬钛钢
CB*821-84
F型柱管螺纹接头的主要尺寸按图6和表9。9
扳手开口尺寸S,
M30×2
M36×2
M42×2
M48×2
旋人螺纹端部
外形尺寸
扳手开尺寸
镍箭最
CB*821-84
平肩接头(01)的尺寸按图7和表10。10
其余V3
镍络钛钢
小提示:此标准内容仅展示完整标准里的部分截取内容,若需要完整标准请到上方自行免费下载完整标准文档。
标准图片预览:





- 其它标准
- 热门标准
- 船舶行业标准(CB)
- CB/T1033-1999 船用油分浓度计
- CB/T3799-1997 船舶液压系统修理清洗技术要求
- CB/Z230-86 船舶上层建筑整体吊装技术要求
- CB/T3924-2002 船用锅炉原材料入厂检验
- CB/Z281-2011 船舶管路系统用垫片和填料选用指南
- CB/T3474.1-92 船用主辅机钢模锻件技术条件
- CB/T3679-1995 船用往复式液压舵机修理技术要求
- CB/T4160-2011 锚修理技术要求
- CB/T3380-2013 船用钢材焊接接头宏观组织及缺欠酸蚀试验方法
- CB/T4405-2014 额定电压6kV Um7.2kV 至30kV Um36kV 船舶和近海设施变频传动用电力电缆
- CBM1042-1981 5kgf-cm2法兰球铁截止阀
- CB3495.6-1992 船舶工业档案管理规则 进馆要求
- CB/T3683-1995 船用曲轴连杆径向柱塞液压马达修理技术要求
- CB/Z134-98 潜艇耐压船体结构件加工技术要求
- CB/T3221-2008 N型波尔锚
- 行业新闻
请牢记:“bzxz.net”即是“标准下载”四个汉字汉语拼音首字母与国际顶级域名“.net”的组合。 ©2025 标准下载网 www.bzxz.net 本站邮件:bzxznet@163.com
网站备案号:湘ICP备2025141790号-2
网站备案号:湘ICP备2025141790号-2