- 您的位置:
- 标准下载网 >>
- 标准分类 >>
- 国家标准(GB) >>
- GB 18584-2001 室内装饰装修材料 木家具中有害物质限量
标准号:
GB 18584-2001
标准名称:
室内装饰装修材料 木家具中有害物质限量
标准类别:
国家标准(GB)
英文名称:
Limits of harmful substances in wooden furniture for interior decoration and renovation标准状态:
现行-
发布日期:
2001-01-02 -
实施日期:
2002-01-01 出版语种:
简体中文下载格式:
.rar.pdf下载大小:
229.07 KB
标准ICS号:
家用和商用设备、文娱、体育>>97.140家具中标分类号:
轻工、文化与生活用品>>家具>>Y80家具综合
点击下载
标准简介:
标准下载解压密码:www.bzxz.net
本标准规定了室内使用的木家具产品中有害物质的限量要求、试验方法和检验规则。本标准适用于室内适用的各类木家具产品。 GB 18584-2001 室内装饰装修材料 木家具中有害物质限量 GB18584-2001
部分标准内容:
ICS_97.140
中华人民共和国国家标准下载标准就来标准下载网
GB18584—2001
室内装饰装修材料
木家具中有害物质限量
Indoor decorating and refurbishing materials-Limit of harmful substances of wood based furniture2001-12-10发布
中华人民共和国
国家质量监督检验检疫总局
2002-01-01实施
GB 18584—2D01
本标准中第4章为强制性条激,其余为推荐性条赖。自2002年1月1日起,生产企业生产的产品应执行该国家标准,过渡期6个月:自2002年7月1日起,市场上停止销售不符合该国家标准的产品。本标准由中国轻工业联合会提出本标准由全国家具标准化中心归口。本标准负责起草单位:全国家具标准化中心、南京林业大学木材工业学院、北京市建筑材料科学研究院.
本标难参加起草单位:北京天坛股份有限公司天坛家具分公司,北京居然城装饰发展有限公司、深圳市大富豪实业发展有限公司、顺德市美化家私制造有限公司,顺德市华隆涂料实业有限公司。本标准主要起草人:张彬渊、刘显国、罗、余争荣、古鸣、张增魁、汪林朋、何循证、陈伟恒、麦全。1范围
室内装饰装修材料
本家具中有害物质限
GB18584—2001
本标推规定了室内使用的木家具产品中有害物质的限量要求,试验方法和检验规则。本标准适用于室内使用的各类木家具产品。2规范性引用文件
下列文件中的条款通过本标准的引用而成为本标准的条款,凡是注日期的引用文件,其随后所有的修改单(不包括勘误的内容)或悠订版均不适用于本标准,然而,鼓励根据本标准达成协议的各方研究是否可使用这些文件的最新版本。凡是不注日期的引用文件,其最新版本适用于本标准。GB/T6682—1992分析试验室用水规格和试验方法(neqISO3696:1987)GB/T9758.1一1988色漆和清漆*可溶性\金属含量的测定第一部分:铅含量的测定火焰原子吸收光谱法和双硫踪分光光度法(idtISO3856-1:1984)GB/T9758.4一1988色漆和清读“可溶性”金属含量的测定第四部分:镉含量的测定火焰原子吸收光谱法和极谱法idtISO3856-4:1984)GB/T9758.6一1988色漆和清漆可溶性”金属含量的测定第六部分:色漆的液体部分中铬总含量的测定火焰原子吸收光谱法(idtISO3856-6:1984)GB/T9758.7一1988色漆和清漆“可溶性”金属含量的测定第七部分:色漆的颜额料部分和水可稀释漆的液体部分的汞含量的测定无焰原子吸收光谱法(idtISO3856-7:1984)GB/T17657—1999人造板及饰面人造板理化性能试验方法3术语和定义
本标准采用下列术语和定义。
甲醛放量
家具的人造板试件通过GB/T17657—1999中4.12规定的24h干燥器法试验测得的甲醛释放。
可溶性重金属含量
家具表面色漆涂层中通过GH/T9758—1988中规定的试验方法测得的可溶性铅、镉、铬、汞重金属的含量。
4要求
家其产品应符合表1规定的有害物质限量要求。GB 185842001
重金属含量(限色廉)
5试慧方法
5. 1 甲醚释放量的测定
5.1.1原理
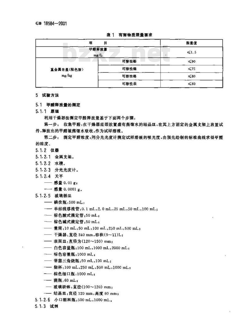
表 1 有害物质限量要求
甲醛释效量
可溶性铅
可溶性铺
可着性语
可落性汞
利用干爆器送测定甲醛释放量基于下面两个步骤:限量值
第一步:收巢甲醛:在干燥器底部放置盛有蒸馏水的结晶虹,在其上方固定的金属支架上政置试件,释放出的甲醛被燕水吸收,作为试样溶液。第二步:测定甲醛浓度,用分光光度计测定试样溶的吸光度,由预先绘制的标推曲线求得甲醛的裟度。
5.1.2使器
5.1.2.1金属支架。
5. 1.2.2 水槽。
5.1.2.3分光光度计。
5.1.2.4关平
量0. 01 g+
感量 0. 0001 g.
玻璃器血
碘价瓶:500mL;
单标线移液管.0.1ml.,2.0ml,25mL,50mL,100mL棕色酸式滴定管,50mL;
棕色碱式滴定管,50mL;
量筒:10mL.50mL,100ml.,250ml.,500mL干爆器:直径240mm,容积(9~~11)L;表面血:直径为(120~150)mm
白色容量瓶:100mL,1000ml.,2000mL;棕色容量瓶;1000 mL+
带塞三角烧瓶:50mL,100mL;
烧杯:100mL.250mL.500mL1000mL,棕色细口瓶:1000mL
滴瓶:60mL
玻璃研体:直径(100~120)mm;结晶血:直径120mm,高度60mmz5.1.2.6小口塑料瓶:500mL,1000ml,5.1.3试剂
碘化钾(KI).分析纯
重铬酸钾(K,Cr,O,)优级纯
硫代硫酸钠(Na,SzOg.5H,O):分析纯t碘化汞(HgI,):分析纯:
无水碳酸钠(NazCO,)分析纯
硫酸(H,SO,):p=1.84g/mL,分析纯,盐酸(HCL):p=1.19g/mL,分析纯,氢氧化钠(NaOH):分析纯:
碘(T2):分析纯;
可猪性淀粉:分析纯:
乙酰丙酮(CH.COCH,COCH):优级纯乙酸铵(CHCOONH):优级纯;
甲醛(CH,O)溶液:浓度35%~40%。5.1.4试件制备
5. 1. 4. 1 试件取样
GB 18584—2001
试件应在满足试验规定的出厂合格产品上取样。若产品中便用数种木质材料则分别在每种材料的部件上取样。
5.1.4.2试件应在距家具部件边沿50mm内制备。5.1.4.3试件规格:长(150±1)mm,宽(50±1)mm。5. 1.4. 4 试件数量
试件数量共10块。制备试件时应考虑每种木质材料与产品中使用面积的比例,确定每种材料部件上的试件数量。
5.1.4.5试件封边
试件锯完后其蹦面应立即采用熔点为65亡的石蜡或不含甲醛的胶纸条封闭。试件蹦面的封边数量应为部件的原实际封边数量,至少保留50mm一处不封边,5.1.4.6试件存放
应在实验室内制备试件。试件制备后应在2h内并始试验,否则应重新制作试件。5. 1.5 试步骤
5. 1. 5. 1 溶液配置
5.1.5.1.1硫酸溶液(1mo1/L):配制方法见GB/T17657—1999中4.11.5.2。5.1.5.1.2氢氧化钠溶液(0.1mol/L):配制方法见GB/T17657—1999中4.11.5.2。5.1.5.1-3淀粉溶液(1%):配制方法见GB/T17657—1999中4.11.5.2。5.1.5.1.4硫代硫酸钠标准溶液(0.1mol/L)配制方法见GB/T17657—1999中4.11.5.2。5.1.5.1.5碘标准溶液(0.05mol/L):配制方法见GB/T17657—1999中4.11.5.2。5.1.5.1.6乙酰丙酮溶液(体积分数为0.4%):配制方法见GB/T17657—1999中4.11.5.2。5.1.5.1.7乙酸铵溶液(质量分数为20%):配制方法见GB/T17657—1999中4.11.5.2。5. 1.5. 2甲醛的收集
在直径为240mm、容积为(9~11)L的干媒器底部放置直径为120mm、高度为60mm的结晶血,在结晶血内加人300mL蒸焰水,在干燥器上部放置金属支架.金属支架上固定试件,试件之间互不接触。测定装置在(20土2)℃下放置24h,蒸馏水吸收从试件释放出的甲醛,此溶液作为待测液。5.1.5.3甲醛浓度的定量方法
量取10mL乙酰丙酮(体积分数为0.4%)和10㎡L乙酸铵溶液(质量分数为20%)于50mL带塞三角烧瓶中,再从结晶血中移取10mL待测液到该烧瓶中。塞上瓶塞,播匀,再放到<40士2)℃C的水槽中GB 18584—2001
加热15min,然后把这种黄绿色的反应液静置暗处,冷却至室温(18℃~28℃、约1h)。在分光光度计上412nm处,以蒸馅水作为对比落,调零。用厚度为5mm的比色血测定落反应溶流的吸光度A.。同时用蒸馏水代替反应溶液作空白试验,确定空白值为 Ab。5.1.5.4标准曲线的绘制
按GB/T176571999中4.11,5.5,2绘制标准曲线。5.1.5.5结果囊示
5.1.5.5. 1甲醛溶液的浓度按式(1)计算,精确至0.1mg/L。c=f× (A -A)
甲醛浓度,单位为毫克每升(mg/L.);f标准曲线斜率,单位为毫克每升(mg/L)rA.—反应溶液的吸光度;
A,蒸馏水的吸光度。
5. 2 可溶性量金属含量的测定
5.2.1原理
..--.(1)
采用一定浓度的稀盐酸溶液处理制成的涂层粉末,用火焰源子吸收光谱法或无焰原子吸收光谱法测定该溶液中的重金属元素。
5.2.2仪器
5.2.2.1不锈钢金属筛:孔径0.5mm5.2.2.2酸度计:精确度为士0.2pH单位。5.2.2.3滤膜器:孔径0.45μm。5.2.2.4磁力搅拌器:搅拌器外层应为塑料或玻璃。5.2.2.5单刻度移液算:25ml
5.2.2.6白色容量瓶:50mL。
5.2.2.7刮刀:具有锋利刀刃的刀具。5.2.3试剂
所用试剂均为分析纯,所用水均符合GB/T 6682-1992中三级水的要求。5.2.3.1盐酸溶液
0, 07 mol/l.,1 mol/L.2 mol/l.5.2.3.2硝酸溶液
质量分数为65%~~68%。
5.2.4涂层粉末的制备
在家具产品的涂层表面上用刮刀刮取适量涂层,在室温下通过磁力搅拌器粉碎,使其能通过0 5 mm的金属筛网待处理。
5. 2.5试验步骤
5.2.5.1样品处理
将过筛的粉末样品称取 0. 5 g(精确至 0. 0001 g),放人白色容量瓶中,加入 25 mL0. 07 mol /L盐酸落液,搅拌1min,测定其酸度,如果H大于1.5,应一面摇动一面滴人浓度为2mol/L的书酸溶说直到pH下降到 1. 01. 5为止。在室温下连续搅拌该混合液 1 h后,再静置 1 h,然后立刻用滤膜器过滤后避光保存。
应在 4 h内完成样品处理。若4h内无祛完成,则需加人1 Lol/L的盐溶液25mL对样品处理,处理方法同上。
5. 2. 5. 2可溶性量金属含量测定5.2.5.2.1可溶性铅含量的测定按GB/T9758.1—1988中第3章的要求进行。5.2.5.2.2可溶性镉含量的测定按GB/T9758.4—1988中第3章的要求进行。5.2.5.2.3可溶性铬含量的测定按GB/T9758.6—1988进行。5.2.5.2.4可落性汞含量的测定按GB/T9758.7—1988进行。5. 2. 5. 3结果计算
可溶性重金属的含量用式(2)计算,精确至0.1mg/kgC = (a - a) × 25 × F
C——(铅,、铬、汞)可溶性含量,单位为毫克每千克(mg/kg)GB 185B4—2001
as——0.07mol或1mol盐酸溶液空白浓度,单位为微克每毫升(μg/nl),at——从标推曲线上测得的试验溶液(铅、锅、铬、汞)的浓度,单位为微克每堂刀(μug/mL)F—一稀释因子,
25——萃取的盐酸落液,单位为毫升(mL)m—一称取的样品量,单位为克(g)。6检验规则
6.1本标准中第4章所列的全部要求内容均为型式检验项目。6.1.1在正常生产情况下,定期或累计一定产量后,应进行一次周期性型式检验。周期一般为一年。6.1.2有下列情况之一时,应进行型式检验:新产品的试制定型时1
生产的工艺及其原材料有较大改变时,产品长期停产后,恢复生产时
—客户提出要求时:
国家质量监督机构提出时。
6.2检验结果的判定
6.2.1所有检验项目的结果均达到本标准规定要求时,判定该产品为合格,若有一项检验结果未达到本标准规定要求时,则判定该产品为不合格。6.2.2若对检验结果有异议要求复验时,应从原封存样品或备样中进行复验,应按6.2.1规定判定,在检验报告中注明“复验合格”或\复验不合格”。6.3检验报告
检验报告应包括以下内容:
6.3.1本国家标准编号及名称:
6.3.2样品名称和其他说明,
6.3.3检验结果和结论;
6.3.4检验过程中出现的异常情况和其他有必要说明的事项。
小提示:此标准内容仅展示完整标准里的部分截取内容,若需要完整标准请到上方自行免费下载完整标准文档。
中华人民共和国国家标准下载标准就来标准下载网
GB18584—2001
室内装饰装修材料
木家具中有害物质限量
Indoor decorating and refurbishing materials-Limit of harmful substances of wood based furniture2001-12-10发布
中华人民共和国
国家质量监督检验检疫总局
2002-01-01实施
GB 18584—2D01
本标准中第4章为强制性条激,其余为推荐性条赖。自2002年1月1日起,生产企业生产的产品应执行该国家标准,过渡期6个月:自2002年7月1日起,市场上停止销售不符合该国家标准的产品。本标准由中国轻工业联合会提出本标准由全国家具标准化中心归口。本标准负责起草单位:全国家具标准化中心、南京林业大学木材工业学院、北京市建筑材料科学研究院.
本标难参加起草单位:北京天坛股份有限公司天坛家具分公司,北京居然城装饰发展有限公司、深圳市大富豪实业发展有限公司、顺德市美化家私制造有限公司,顺德市华隆涂料实业有限公司。本标准主要起草人:张彬渊、刘显国、罗、余争荣、古鸣、张增魁、汪林朋、何循证、陈伟恒、麦全。1范围
室内装饰装修材料
本家具中有害物质限
GB18584—2001
本标推规定了室内使用的木家具产品中有害物质的限量要求,试验方法和检验规则。本标准适用于室内使用的各类木家具产品。2规范性引用文件
下列文件中的条款通过本标准的引用而成为本标准的条款,凡是注日期的引用文件,其随后所有的修改单(不包括勘误的内容)或悠订版均不适用于本标准,然而,鼓励根据本标准达成协议的各方研究是否可使用这些文件的最新版本。凡是不注日期的引用文件,其最新版本适用于本标准。GB/T6682—1992分析试验室用水规格和试验方法(neqISO3696:1987)GB/T9758.1一1988色漆和清漆*可溶性\金属含量的测定第一部分:铅含量的测定火焰原子吸收光谱法和双硫踪分光光度法(idtISO3856-1:1984)GB/T9758.4一1988色漆和清读“可溶性”金属含量的测定第四部分:镉含量的测定火焰原子吸收光谱法和极谱法idtISO3856-4:1984)GB/T9758.6一1988色漆和清漆可溶性”金属含量的测定第六部分:色漆的液体部分中铬总含量的测定火焰原子吸收光谱法(idtISO3856-6:1984)GB/T9758.7一1988色漆和清漆“可溶性”金属含量的测定第七部分:色漆的颜额料部分和水可稀释漆的液体部分的汞含量的测定无焰原子吸收光谱法(idtISO3856-7:1984)GB/T17657—1999人造板及饰面人造板理化性能试验方法3术语和定义
本标准采用下列术语和定义。
甲醛放量
家具的人造板试件通过GB/T17657—1999中4.12规定的24h干燥器法试验测得的甲醛释放。
可溶性重金属含量
家具表面色漆涂层中通过GH/T9758—1988中规定的试验方法测得的可溶性铅、镉、铬、汞重金属的含量。
4要求
家其产品应符合表1规定的有害物质限量要求。GB 185842001
重金属含量(限色廉)
5试慧方法
5. 1 甲醚释放量的测定
5.1.1原理
表 1 有害物质限量要求
甲醛释效量
可溶性铅
可溶性铺
可着性语
可落性汞
利用干爆器送测定甲醛释放量基于下面两个步骤:限量值
第一步:收巢甲醛:在干燥器底部放置盛有蒸馏水的结晶虹,在其上方固定的金属支架上政置试件,释放出的甲醛被燕水吸收,作为试样溶液。第二步:测定甲醛浓度,用分光光度计测定试样溶的吸光度,由预先绘制的标推曲线求得甲醛的裟度。
5.1.2使器
5.1.2.1金属支架。
5. 1.2.2 水槽。
5.1.2.3分光光度计。
5.1.2.4关平
量0. 01 g+
感量 0. 0001 g.
玻璃器血
碘价瓶:500mL;
单标线移液管.0.1ml.,2.0ml,25mL,50mL,100mL棕色酸式滴定管,50mL;
棕色碱式滴定管,50mL;
量筒:10mL.50mL,100ml.,250ml.,500mL干爆器:直径240mm,容积(9~~11)L;表面血:直径为(120~150)mm
白色容量瓶:100mL,1000ml.,2000mL;棕色容量瓶;1000 mL+
带塞三角烧瓶:50mL,100mL;
烧杯:100mL.250mL.500mL1000mL,棕色细口瓶:1000mL
滴瓶:60mL
玻璃研体:直径(100~120)mm;结晶血:直径120mm,高度60mmz5.1.2.6小口塑料瓶:500mL,1000ml,5.1.3试剂
碘化钾(KI).分析纯
重铬酸钾(K,Cr,O,)优级纯
硫代硫酸钠(Na,SzOg.5H,O):分析纯t碘化汞(HgI,):分析纯:
无水碳酸钠(NazCO,)分析纯
硫酸(H,SO,):p=1.84g/mL,分析纯,盐酸(HCL):p=1.19g/mL,分析纯,氢氧化钠(NaOH):分析纯:
碘(T2):分析纯;
可猪性淀粉:分析纯:
乙酰丙酮(CH.COCH,COCH):优级纯乙酸铵(CHCOONH):优级纯;
甲醛(CH,O)溶液:浓度35%~40%。5.1.4试件制备
5. 1. 4. 1 试件取样
GB 18584—2001
试件应在满足试验规定的出厂合格产品上取样。若产品中便用数种木质材料则分别在每种材料的部件上取样。
5.1.4.2试件应在距家具部件边沿50mm内制备。5.1.4.3试件规格:长(150±1)mm,宽(50±1)mm。5. 1.4. 4 试件数量
试件数量共10块。制备试件时应考虑每种木质材料与产品中使用面积的比例,确定每种材料部件上的试件数量。
5.1.4.5试件封边
试件锯完后其蹦面应立即采用熔点为65亡的石蜡或不含甲醛的胶纸条封闭。试件蹦面的封边数量应为部件的原实际封边数量,至少保留50mm一处不封边,5.1.4.6试件存放
应在实验室内制备试件。试件制备后应在2h内并始试验,否则应重新制作试件。5. 1.5 试步骤
5. 1. 5. 1 溶液配置
5.1.5.1.1硫酸溶液(1mo1/L):配制方法见GB/T17657—1999中4.11.5.2。5.1.5.1.2氢氧化钠溶液(0.1mol/L):配制方法见GB/T17657—1999中4.11.5.2。5.1.5.1-3淀粉溶液(1%):配制方法见GB/T17657—1999中4.11.5.2。5.1.5.1.4硫代硫酸钠标准溶液(0.1mol/L)配制方法见GB/T17657—1999中4.11.5.2。5.1.5.1.5碘标准溶液(0.05mol/L):配制方法见GB/T17657—1999中4.11.5.2。5.1.5.1.6乙酰丙酮溶液(体积分数为0.4%):配制方法见GB/T17657—1999中4.11.5.2。5.1.5.1.7乙酸铵溶液(质量分数为20%):配制方法见GB/T17657—1999中4.11.5.2。5. 1.5. 2甲醛的收集
在直径为240mm、容积为(9~11)L的干媒器底部放置直径为120mm、高度为60mm的结晶血,在结晶血内加人300mL蒸焰水,在干燥器上部放置金属支架.金属支架上固定试件,试件之间互不接触。测定装置在(20土2)℃下放置24h,蒸馏水吸收从试件释放出的甲醛,此溶液作为待测液。5.1.5.3甲醛浓度的定量方法
量取10mL乙酰丙酮(体积分数为0.4%)和10㎡L乙酸铵溶液(质量分数为20%)于50mL带塞三角烧瓶中,再从结晶血中移取10mL待测液到该烧瓶中。塞上瓶塞,播匀,再放到<40士2)℃C的水槽中GB 18584—2001
加热15min,然后把这种黄绿色的反应液静置暗处,冷却至室温(18℃~28℃、约1h)。在分光光度计上412nm处,以蒸馅水作为对比落,调零。用厚度为5mm的比色血测定落反应溶流的吸光度A.。同时用蒸馏水代替反应溶液作空白试验,确定空白值为 Ab。5.1.5.4标准曲线的绘制
按GB/T176571999中4.11,5.5,2绘制标准曲线。5.1.5.5结果囊示
5.1.5.5. 1甲醛溶液的浓度按式(1)计算,精确至0.1mg/L。c=f× (A -A)
甲醛浓度,单位为毫克每升(mg/L.);f标准曲线斜率,单位为毫克每升(mg/L)rA.—反应溶液的吸光度;
A,蒸馏水的吸光度。
5. 2 可溶性量金属含量的测定
5.2.1原理
..--.(1)
采用一定浓度的稀盐酸溶液处理制成的涂层粉末,用火焰源子吸收光谱法或无焰原子吸收光谱法测定该溶液中的重金属元素。
5.2.2仪器
5.2.2.1不锈钢金属筛:孔径0.5mm5.2.2.2酸度计:精确度为士0.2pH单位。5.2.2.3滤膜器:孔径0.45μm。5.2.2.4磁力搅拌器:搅拌器外层应为塑料或玻璃。5.2.2.5单刻度移液算:25ml
5.2.2.6白色容量瓶:50mL。
5.2.2.7刮刀:具有锋利刀刃的刀具。5.2.3试剂
所用试剂均为分析纯,所用水均符合GB/T 6682-1992中三级水的要求。5.2.3.1盐酸溶液
0, 07 mol/l.,1 mol/L.2 mol/l.5.2.3.2硝酸溶液
质量分数为65%~~68%。
5.2.4涂层粉末的制备
在家具产品的涂层表面上用刮刀刮取适量涂层,在室温下通过磁力搅拌器粉碎,使其能通过0 5 mm的金属筛网待处理。
5. 2.5试验步骤
5.2.5.1样品处理
将过筛的粉末样品称取 0. 5 g(精确至 0. 0001 g),放人白色容量瓶中,加入 25 mL0. 07 mol /L盐酸落液,搅拌1min,测定其酸度,如果H大于1.5,应一面摇动一面滴人浓度为2mol/L的书酸溶说直到pH下降到 1. 01. 5为止。在室温下连续搅拌该混合液 1 h后,再静置 1 h,然后立刻用滤膜器过滤后避光保存。
应在 4 h内完成样品处理。若4h内无祛完成,则需加人1 Lol/L的盐溶液25mL对样品处理,处理方法同上。
5. 2. 5. 2可溶性量金属含量测定5.2.5.2.1可溶性铅含量的测定按GB/T9758.1—1988中第3章的要求进行。5.2.5.2.2可溶性镉含量的测定按GB/T9758.4—1988中第3章的要求进行。5.2.5.2.3可溶性铬含量的测定按GB/T9758.6—1988进行。5.2.5.2.4可落性汞含量的测定按GB/T9758.7—1988进行。5. 2. 5. 3结果计算
可溶性重金属的含量用式(2)计算,精确至0.1mg/kgC = (a - a) × 25 × F
C——(铅,、铬、汞)可溶性含量,单位为毫克每千克(mg/kg)GB 185B4—2001
as——0.07mol或1mol盐酸溶液空白浓度,单位为微克每毫升(μg/nl),at——从标推曲线上测得的试验溶液(铅、锅、铬、汞)的浓度,单位为微克每堂刀(μug/mL)F—一稀释因子,
25——萃取的盐酸落液,单位为毫升(mL)m—一称取的样品量,单位为克(g)。6检验规则
6.1本标准中第4章所列的全部要求内容均为型式检验项目。6.1.1在正常生产情况下,定期或累计一定产量后,应进行一次周期性型式检验。周期一般为一年。6.1.2有下列情况之一时,应进行型式检验:新产品的试制定型时1
生产的工艺及其原材料有较大改变时,产品长期停产后,恢复生产时
—客户提出要求时:
国家质量监督机构提出时。
6.2检验结果的判定
6.2.1所有检验项目的结果均达到本标准规定要求时,判定该产品为合格,若有一项检验结果未达到本标准规定要求时,则判定该产品为不合格。6.2.2若对检验结果有异议要求复验时,应从原封存样品或备样中进行复验,应按6.2.1规定判定,在检验报告中注明“复验合格”或\复验不合格”。6.3检验报告
检验报告应包括以下内容:
6.3.1本国家标准编号及名称:
6.3.2样品名称和其他说明,
6.3.3检验结果和结论;
6.3.4检验过程中出现的异常情况和其他有必要说明的事项。
小提示:此标准内容仅展示完整标准里的部分截取内容,若需要完整标准请到上方自行免费下载完整标准文档。
标准图片预览:





- 热门标准
- 国家标准(GB)
- GB/T2828.1-2012 计数抽样检验程序 第1部分:按接收质量限(AQL)检索的逐批检验抽样计划
- GB50367-2013 混凝土结构加固设计规范
- GB/T18204.4-2000 公共场所毛巾、床上卧具微生物检验方法细菌总数测定
- GB5009.225-2023 食品安全国家标准 酒和食用酒精中乙醇浓度的测定
- GB/T3836.1-2021 爆炸性环境 第1部分:设备 通用要求
- GB/T29863-2023 服装制图
- GB/T9145-2003 普通螺纹 中等精度、优选系列的极限尺寸
- GB/T11839-1989 二氧化铀芯块中硼的测定 姜黄素萃取光度法
- GB/T23892.3-2009 滑动轴承 稳态条件下流体动压可倾瓦块止推轴承 第3部分:可倾瓦块止推轴承计算的许用值
- GB/T18380.33-2022 电缆和光缆在火焰条件下的燃烧试验 第33部分:垂直安装的成束电线电缆火焰垂直蔓延试验 A类
- GB/T9239-1988 刚性转子平衡品质 许用不平衡的确定
- GB/T15917.3-1995 金属镝及氧化镝化学分析方法 对氯苯基荧光酮--溴化十六烷基三甲基胺分光光度法测定钽量
- GB50209-2002 建筑地面工程施工质量验收规范
- GB/T6122.1-2002 圆角铣刀 第1部分:型式和尺寸
- GB/T7433-1987 对称电缆载波通信系统抗无线电广播和通信干扰的指标
- 行业新闻
请牢记:“bzxz.net”即是“标准下载”四个汉字汉语拼音首字母与国际顶级域名“.net”的组合。 ©2025 标准下载网 www.bzxz.net 本站邮件:bzxznet@163.com
网站备案号:湘ICP备2025141790号-2
网站备案号:湘ICP备2025141790号-2