- 您的位置:
- 标准下载网 >>
- 标准分类 >>
- 纺织行业标准(FZ) >>
- FZ/T 62011.3-2016 布艺类产品第3部分:家具用纺织品
标准号:
FZ/T 62011.3-2016
标准名称:
布艺类产品第3部分:家具用纺织品
标准类别:
纺织行业标准(FZ)
标准状态:
现行出版语种:
简体中文下载格式:
.zip .pdf下载大小:
333.89 KB
点击下载
标准简介:
FZ/T 62011.3-2016.
1范围
F2/T 62011的本部分规定了布艺类产品-家具用纺织品 的术语和定义、要求、抽样、试验方法、.检验规则.标志.包裴.记输和贮件。
FZ/T 62011.3适用于以纺织机织为土制成的家具用纺织品。
2规范性引用文件
下列文件对于本文件的应用是必不可少的。儿县注H期的引用文件.仪注H期的版本适用十本文件。凡是不注口期的引用文件,其最新版本(包括所有的修改单)适用于本文件。
GB/T 250纺织品色牢度试验 评定 变色用灰色样卡
CB/T251纺织品色牢度试验 评定沾色用灰色祥卡
GB/T 14801机织物与针 织物纬斜和弓纬试验方法
GB/T 3917.2坊织品织物撕破性能 弟?部分:裤尨试样单雄撕岐强力的测定
GD/T 3920纺织品色牢度试验 耐摩 擦色牢度
GB/T 3921- 20U8纺织品向率度试验 耐 桌挽色牢度
GB/T 3923.1纺织品织物拉仲性能 第1部分:断裂强力和嘶裂伸长宰的测定(条样法)
GB/T 4802.2纺织品织物起乇起球性能的测定 第 2部分:改型马丁代尔法
GB 5296.4猜 费品使用说明第4部分:纺创品和服装
CB/T 5711妨织品色牢度试验 耐千洗色牢度
GB/T 8170氨值修约规则 与极股数值的表示和判定
GB/T 8427納织品色年度试验 酣人造光色牢度 s氙弧
GB/T8628纺织品测定尺十变化的试验中织物试榉和服装的准备、标记和测量(GH/T 8629- 200 I纺织晶试驗 用家庭铣糠和干燥襟序
GB/T 8630纺织品在洗涤 和千燥时尺寸变化的测定
GB 18401国家幼织产 品基本安全技术规范(GHR/T 18772.2纺织品机织物接键处炒线抗滑移的捌定 第 2部分:定血荷法
CB/T 24121纺织制品断针类 残留物的检测方法
GB/T 29862纺织品纤繼含 量的标识
FZ/T 8007.3使用點 合村股装耐+洗测试方法
GSB 16 3223家用纺织品 起球标准样 照
3术语和定义.
下列术语和定义适用于本文件。
3.1布艺类产晶indoor ornamental textiles
主要部分由纺织原料制成,用于室内,具有装饰和/或实用功能的纺织制品。主要分为帷幔、餐用纺
部分标准内容:
中华人民共和国纺织行业标准
FZ/T 62011.3—2016
代替 FZ/T 62011,3—2008
布艺类产品
第3部分:家具用纺织品
Indoor ornamental textiles-—Part 3 : Upholstery2016-10-22发布
中华人民共和国工业和信息化部2016-12-01实施
FZ/T62011#布艺类产品》分为四个部分:第1部分.幔;
第2部分:餐用纺织品:
第3部分:家用纺织品;
第1部分:室内装饰物。
本部分为FZ/T62011的第3部分,本部分按照 GB/T 1.1—2009 给出的规则起草。言
本部分代替 FZ/T 62011.3一2008布艺类产品第 3部分:家具用纺织品》。本部分与FZ/T62011.3—2008相比主要变化如下:提高了断裂强力一等品的考核指标(见4.22008年版4.2);提高了撕破强力一等品、合格品的考核要求(见 4.2,2008年版 4.2);内在质量增加「起毛起球、金属残留物的考核要求(见4,2);外观质蛋增加了尺寸偏差率、纬斜、花斜、色花的考核要求:删除了外观质量的造型质量要求(见4.3,2008年版4.3),T艺质量增加了刺绣质量考核要求(见4.3);提高了色污溃一等品和合格品的考核要求(见4.3)。本部分由中国纺织工业联合会提出。本部分由全国家用纺织品标准化技术委员会(SAC/TC302)归口。本部分起草单位:愉悦家纺有限公司、江苏省纺织产品质量监督检验研究院。本部分主要起草人:张国清、唐祖根、王玉平。本部分所代替标准的历次版本发布情况为:FZ/T 62011.3:2008。
FZ/T 62011.3—2016
1范围
布艺类产品第3部分:家具用纺织品FZ/T62011的本部分规定了布艺类产品检验规则、标志,包装.运输和购存。FZ/T 62011.3—2016
家具用纺织品的术语和定义、要求、抽样、试验方法、本部分适用于以纺织机织为主制成的家具用纺织品。2 规范性引用文件
下列文件对于本文件的应用是必不可少的。凡是注口期的引用文件,仅注日期的版本适用于本文件。凡是不注日期的引用文件,其最新版本(包括所有的修改单)适用于本文件。GB/T250纺织品色牢度试验评定变色用灰色样卡GB/T251纺织品色牢度试验评定沾色用灰色样卡GB/T14801机织物与针织物纬斜和弓纬试验方法GB/T3917.2纺织品织物撕破性能第2部分:裤形试样单缝撕破强力的测定GB/T3920纺织品色牢度试验耐摩瘀色牢度GB/T39212008纺织品色牢度试验耐皂洗色牢度纺织品织物拉伸性能第1部分:断裂强力和断裂伸长率的测定(条样法)GB/T 3923.13
GB/T 1802.2
纺织品织物起毛起球性能的测定第2部分:改型马丁代尔法GB5296.4消费品使用说明第4部分:纺织品和服装GB/T5711纺织品色牢度试验耐干洗色牢度GB/T 8170
数值修约规则与极限数值的表示和判定纺织品色牢度试验耐人造光色牢度:氙瓣GB/T 8427
GB/T8628纺织品测定尺寸变化的试验中织物试样和服装的准备、标记和测量GB/T86292001纺织品试验用家庭洗漆和干燥程序GB/T 8630纺织品在洗漆和干爆时尺变化的测定国家纺织产品基本安全技术规范GB 18401
GB/T13772.2纺织品机织物接缝处纱线抗滑移的测定第2部分:定负荷法纺织制品断针类残留物的检测方法GB/T 24121
GB/T29862纺织品纤维含量的标识FZ/T80007.3使用粘合衬服装耐于洗测试方法GSB16-3223家用纺织品起球标准样照3术语和定义
下列术语和定义适用于本文件。3.1
布艺类产品indonr ornamcntal textiles主要部分由纺织原料制成,用于室内,其有装饰和/或实用功能的纺织制品。主婆分为馒,餐用纺织品、家具用纺织品、室内装饰物。1
TTKAoNKAca
FZ/T62011.3—2016
家具用纺织品ophnlstery
主要以纺织品为原料制成的家具和可以脱御的家具中的纺织制品,如布艺沙发、家具铺盖物、家具套等。
4要求
4.1家具用纺织品产品的质量包括内在质量和外观质量。质量等级分为优等品、一等品和合格品。4.2内在质量包括断裂强力、撕破强方、纱线滑移、起毛起球,水洗尺寸变化率,干洗尺寸变化率,色牢度,纤维含量,内在质量要求见表 1。表 1 内在质量要求
断裂强力/N
撕破强力/N
纱线滑移/mm
起毛起球/
考核项
水洗尺寸变化卒/%
干洗尺寸变化率/%
耐皂洗”
色牢度/级
耐干洗。
耐摩擦
纤维含量/%
优等品
-2.5~+1.0
·纱线滑移、起毛起球适用于布艺沙发、沙发套和椅套类产品水洗尺寸变化率、耐皂洗色率度适用于可水洗产品:。干洗尺寸变化率,耐干洗色牢度适用于可干洗的产品,本白和漂白产品不考核耐皂洗、耐干洗、耐摩色牢度。250
一等品
合格品
4.0~~+1.0
3.0~ +1,0
按GB/T29862规定执行
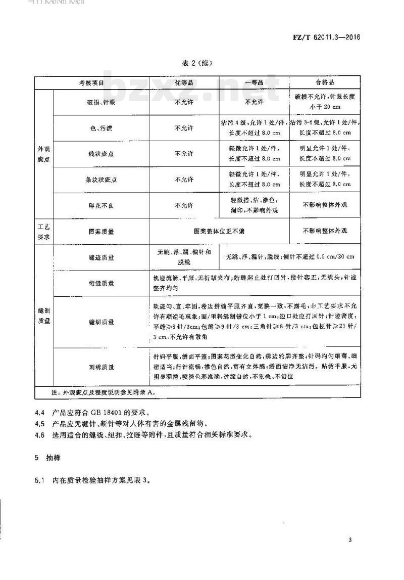
4.3产品的外观质量包括色差、外观症点、工艺要求、缝制质量,要求见表2。表 2 外观质量要求
考核项目
规格尺寸偏差率/%
纬斜、花斜/%
色差/级
优等品
一等品
合格品
2.5 ~ + 3.#
HiKAoNiKAca
考核项目
破损、针眼
色污满
线状点
条块状斑点
印花不良
图案质量
链迹质量
绗缝质最
缝纫质量
刺绣质笠
表2(续)
优等品
不充许
不充许
不允许
不充许
一等品
不充许
FZ/T 62011.3—2016
合格品
被不允诈,针眼长度
小于20cm
沾污4级,充许1处/件,沾污3-1级,充许1处/件,长度不超过8.0cm
轻微允许1处/件,
长度不超过 8,0 cm
轻微允许1处/件,
长度不超过 8.0 cm
轻微指、沾,落色,
谢印,不影响外观
图案整体位正不谢
无跳、浮、潴、偏针和
长度不超过8.0cm
明显充许1处/件,
长度不超过 8.0 cm
明显允许1处/件,
长度不超过 8,0 cm
不影响整体外观
不影响整体外观
无跳、浮、漏针,脱线;偏针不超过0.5cm/20cm轨迹流畅、平服,无折皱夹布绗缝起止处打回针,接针套正,无线头,针迹整齐均勾
轨迹勺、直、牢固,卷边拼缝平服齐直,宽狭一致,不露毛,非工艺要求不允许有顺逆毛现象;面/单料缝制错位小于1cm;边口处应打回针;针迹密度t平缝28针/3cm:包缝≥9针/3cm:三角针28针/3cm;包针=23针/3cm,不允许有散角
针码平服,绣面平整;图案花型变化自然,绣边轮廊齐整针码均勾细薄,细密适当;行针流畅,掺色自然,富有立体感绣面洁净无新污。贴绣平服,无明显漏绣,喷绣色彩准谁确,过渡自然,不重,不错位注:外观囊点及程度说明参见附录 A。4.4产品应符合GB18401的要求。4.5产品应无缝针、断针等对人体有害的金属残留物。4.6选用适合的缝线、纽扣、拉链等附件,且质量符合相关标催要求。5抽样
5.1内在质景检验抽样方案见表3。3
HKAKAca
FZ/T 62011.3—2016
批最范围 N
501~-35 000
2>35 000
表3内在质量检验抽样方案
样本大小n
外观现质量检验摘样方案见表4。合格判定数Ac
表4外观质量检验抽样方案
批萤范围 N
501~1200
1 201 ~3 200
>3 200
样本大小
检验样本应从检验批中随机抽取,外包装应完整。5.3
合格判定数 Ac
实施抽样时,当样本大小n 大于批量 N 时,实施全检,合格判定数 Ac 为 0。5.5
抽样方案另有规定和合同协议的,按有关规定和合同协议执行。6试验方法
内在质量检测
断裂强力检测按GB/T3923.1执行。6.1.11
撕破强力检测按GB/T3917.2执行。6.1.23
纱线滑移捡测按GB/T13772,2执行,6.1.3
不合格判定数Re
不合格判定数Re
起毛起球检测按 GB/T 4802.2 执行,以试样织物为磨料,摩擦饮数 2 000 次。评级按 GSB 166.1.41
3223评级样照进行。
6.1.5水洗尺寸变化率检测按GB/T8628,GB/T 86292001和GB/T8630执行,选用5A程序,干燥方法 F。
6.1.6于洗尺寸变化率检测按FZ/T80007.3执行。6.1.7
耐皂洗色率度检测按接GB/T39212008执行,试验采用A(1)。耐干洗色牢度检测按GB/T5711执行。耐摩擦色牛度检测按GB/T3920执行。6.1.10
耐光色牢度检测按GB/T8427执行.试验采用方法3。数值修约按 GB/T 8170执行。
外观质量检验
工具:钢儿,以毫米为刻度,其长度大于所测量方法的最大从寸,6.2.2外观质量检验以产品的正面为主,检验时产品表面照度不低于6001x,检验人员眼部距产品约1 m左右,检验人员用钢尺测量,以目光、手感进行检验。iKAoNiKAca
FZ/T62011.3—2016
6.2.3规格尺寸偏差率的测定:将产品平摊在检验台上,用手轻轻理平,使产品呈自然伸缩状态,用钢尺在整个产品长、宽方向的 1/4和 3/4 处测量,取最大长度和最大宽度后平乎均,精确到1 mm,按式(1)进行计算,计算结果按GB/T8170修约至1位小数。L)-L×100
式中:
规格尺寸偏差率,%:
产品规格尺寸明示值,单位为毫水(mm);L,—产品规格尺寸实测半均值,单位为毫米(mm)。6.2.4色差检测用GB/T250评定变色用炭色样卡进行评定。6.2.5色、污溃检测用GB/T 251评定沾色用灰色样卡进行评定。6.2.6纬斜检測按 G3/T 14801执行。6.2.7工艺质量的检测,由检验人员使用钢尺,结合目光.手感进行检验。6.3缝针、断针等金属残留按GB/T24121执行。7检验规则
(1)
7.1单件产品内在质量、外观质量分别按表1、表2中最低一项评等,综合质量按内在质量和外观质量f的最低等评定。
7.2批判定时内在质量按抽样方案表3执行,外观质量批判定按抽样方案表1执行。不合格数小于Re,则判检验批合格;不合格数大于或等于Re,则判检验批不合格。7.3综合质量批评定按内在质量抽样检查和外观质量抽样检查中最低等评定。8标志、包装、运输和贮存
8.1产品使用说明应符合GB5296.4的要求。产品应标明规格尺寸和单位,特殊产品按设计标注,异形产品不标注尺。
8.2产品应分类包装,包装大小根据具体产品而定,包装材料应选择适当,应保证不散落、不破损、不沾污、不受潮。
8.3产品运输应防潮、防火、防污染。8.4产品应放在阴凉、通风、干燥、清洁库房内,并防蛀、防霉。iiKAoNiKAca
FZ/T 62011.3—2016
附录A
(资料性附录)
外观脏点及程度说明
A,1线状疵点:沿经向或纬向延伸的,宽度不超过 0,2 cm的所有各类症点。A,2条块状疵点:沿经向或纬向延伸的,宽度超过0.2cm的症点,不包括色,污渍。A.3破损:相邻的纱、线断2根及以上的破洞,皱边,0.3cm及以上的跳花。A.4疵点轻微、明显程度见表 A.1。表 A.1外观点及程度说明
印染疵
纱、织癌
对GB/T250评定变色用灰色样卡,34级及以上为轻微,3-1级以下为明显轻微wwW.bzxz.Net
条块状
粗度不大丁纱支 3 倍的粗经,线状错经,稀 1 根~2 根纱的籍路,度不大于纱支3倍的粗纬,双纬,线状口脚,竹节纱等粗度大于纱支3倍的粗祭,锯齿状错经,断经,跳纱,稀2根纱以上的箍路,粗度大手纱支3倍的粗纬、竹节纱,脱纬,锯齿状百脚,一梭3根的多纱,色、油、污纱等杂物织入,条干不勾,经缩被纹,叠起来看不易发现的帮密路,折痕不起毛并列跳纱,明显货响外观的杂物织人,条干不匀,登起来着容易发现的邪密路,折痕起毛,经缩浪纹,宽 0.2 cm 以上的箍路,针路等TKANiKAca
FZ/T 62011. 3-2016
中华人民共和国纺织
行业标准
布艺类产品第3部分:家具用纺织品FZ/T 62011.3—2016
中国标准出版社出版发行
北京市朝阳区和平果西街甲2号(100029)北京市西城区三里河北街16号(100545)网址spc.net.cn
发行中心:(01051780238
总编室:(010)68533533
读者服务部:(010)68523946
中国标推出版社泰阜岛印刷厂印期各地新华书店经销
3印张0.75
开本880×12301/16
学数14千字
2017年1月第一次印刷
2017 年1月第 -版
15-号: 155066 -2-30945
告由本社发行中心调换
如有印装差错
版权专有侵权必究
举报电话:(010)68510107
小提示:此标准内容仅展示完整标准里的部分截取内容,若需要完整标准请到上方自行免费下载完整标准文档。
标准图片预览:





- 热门标准
- FZ纺织行业标准
- FZ/T32006-2016 苎麻本色线
- FZ/T62005-2003 被、被套
- FZ/T92024-2006 LZ系列下罗拉轴承
- FZ/T92037-1995 P型齿链式无级变速器
- FZ/T24024-2017 精梳单经单纬毛织品
- FZ/T20018-2000 毛纺织品中二氯甲烷可溶性物质的测定
- FZ/T42007-2001 生丝/氨纶包缠丝
- FZ/T64058-2016 汽车隔音隔热垫用再加工纤维毡
- FZ/T50001-2005 合成纤维长丝网络度试验方法
- FZ/T92042-1995 边字提花装置
- FZ/T62021-2012 厨浴清洁巾
- FZ/T93053-2019 转杯纺纱机转杯
- FZ/T93096-2015 棉精梳机钳板
- FZ/T90069-1995 零件表面交接处图形所代表的圆角半径尺寸要求
- FZ/T63020-2013 混合聚烯烃纤维绳索
- 行业新闻
网站备案号:湘ICP备2025141790号-2