- 您的位置:
- 标准下载网 >>
- 标准分类 >>
- 国家标准(GB) >>
- GB 17914-1999 易燃易爆性商品储藏养护技术条件
标准号:
GB 17914-1999
标准名称:
易燃易爆性商品储藏养护技术条件
标准类别:
国家标准(GB)
英文名称:
Specifications for storage and preservation of combustible and explosive goods标准状态:
已作废-
发布日期:
1999-01-01 -
实施日期:
2000-04-01 -
作废日期:
2014-07-01 出版语种:
简体中文下载格式:
.rar.pdf下载大小:
359.57 KB
标准ICS号:
环保、保健与安全>>13.300危险品防护中标分类号:
综合>>标志、包装、运输、贮存>>A80标志、包装、运输、贮存综合
替代情况:
被GB 17914-2013代替采标情况:
;
点击下载
标准简介:
标准下载解压密码:www.bzxz.net
本标准规定了易燃易爆性商品的储藏条件、养护技术和储藏期限等技术要求。本标准适用于GB 12268的爆炸品、压缩气体和液化气体、易燃液体、易燃固体、自燃物品、遇湿易燃物品、氧化剂和有机过氧化物(不含军工危险物)。 GB 17914-1999 易燃易爆性商品储藏养护技术条件 GB17914-1999
本标准规定了易燃易爆性商品的储藏条件、养护技术和储藏期限等技术要求。本标准适用于GB 12268的爆炸品、压缩气体和液化气体、易燃液体、易燃固体、自燃物品、遇湿易燃物品、氧化剂和有机过氧化物(不含军工危险物)。
部分标准内容:
GB179141999
本标雅是为规范化学危险品中易燃易爆性物品的储感管理,确保易燃易爆性物品在储藏过程中的安全而制定的。
本标准根据国务院发布的化学危险品管理条例》、国家国内贸易局制定的商品储藏养护技术规范》第七册,并结合四十余年储该类商品的实践经验和试验研究成果对易燃易爆性物品的合理安全贮存做了具体的规定
本标准的附录A和附录B都是标推的附录。本标准是由国家国内贸易局提出。本标准起草单位:北京市商业储运公司本标摊主要起草人孟浩、工秀芬、吴凤琴萃于玉洪、张桂荣。1范围
中华人民共和国国家标准
易燃易爆性商品储藏养护技术条件Specifications for storage and preservationof combustible and explostve goods本标准规定了易燃易爆性商品的储藏条件、养护技术和储激期限等技术要求。GB 179141999
本标适用于GB 12268中的爆炸品、压缩气体和液化气体,易燃液体、易燃固体。自燃物品、避距葛燃物品、氧化剂和有机过筑化物(不含军工危险物)。2引用标准
下列标准所包含的条文,通过在本标准中引用而构成为本标准的条文。本标准出版时,所示版本均为有效。所有标准都会被修订,使用本标准的各方应探讨使用下列标准最新版本的可能性,GB190--1990危险货物包装标志
GB191—1990包装储运图示标志
GB12268—1990危险货物品名表
GB12463—1990危险货物运输包装通用技术条件GBJ16—1987建筑设计防火规范
3鳍棘素件
3.1建筑条件
应符合GBJ16-~1987中4.2.1条的要求,库房耐火等级不低于三级。3.2库房条件
储越易燃易爆商品的库房,应冬暖夏凉,干燥、易于通风,密封和避光。3.2.1根据各类商品的不同性质.库房条件,灭火方法等进行产格的分区分类,分库存放。3.2.1.1爆炸品宜储戴于一缎轻项耐火建筑的库房内。3.2.1.2低、中闪点液体、一级易燃固体,自燃物品、压缩气体和液化气体类宜储藏于一级耐火建筑的库房内。
3.2.1.3逛湿易燃物品、氧化剂和有机过氧化物可储裁于一、二级耐火建筑的库房内。3.2.1.4二级易燃固体、高闪点液体可储藏于火等级不低于三级的库房内。33安全条件
3.3.1商品避免阳光直射、远离火源、热源,电源,无产生火花的条件。3.3.2除按附录A(标准的附录)规定分类存外·以下品种应专库储。3.3.2.1爆炸品,黑色火药类、燥炸性化合物分别专库储藏。3.3.2.2压缔气体和液化气体:易燃气体,不燃气体和有毒气体分别专库储戴。3.3.2.3易燃液体均可同库储;但甲醇,乙醇、阐等应专库贮存。国豪质量技术监督局 1999-11-29 批准2000-04 -01实施
GE17914-1999
易燃周体可同库储藏;但发乳剂H与酸或酸性物品分别储戴;硝酸纤维紊醋,安全火柴、红磷3. 312. 4
及硫化磷、铝扮等金属粉类应分别储藏,自燃物品:黄磷,烃基金属化台物,浸动、植物油制品须分别专库储藏。3. 3. 2. 5
3. 3. 2. 6
遇湿易燃物品专库储藏。
3. 3.2.7氧化剂和有机过氧化物一、一级无机氧化剂与一、一级有机氧化剂必须分别储裁,但硝酸铵,氧酸盐类、高锰酸盐、业硝酸盐、过氧化钠、过氨化氢等必颈分别专库储激。3.4环境卫生条件
3.4.1库房周國无杂草和易燃物。3.4.2库房内经常打扫,地面无漏撤商品·保持地面与贷垛精洁卫生。3.5温湿度条件
3.5.1各类商品适宜储溅的温湿度见表1。表 1温湿度条件免费标准bzxz.net
爆炸品
压缩气体和液化气件
另燃液体
易燃固体
自燃物品
调湿易燃物品
氧化剂和
有机过氧化物
4人库验收
4.1验收原则
黑火药、化合物
水作稳定剂的
易燃,不燃、有再
低闪点
中高医点
易燃固体
硝酸纤维素酯
安全火柴
红磷、硫化磷、铝粉
烃基金属化合物
含油制品
遇湿易燃物品
氧化剂利有机过氧化物
过氧化钠、镁、钙等
硝酸锌、钙,馍等
硝酸铵、亚硝酸钠
盐的水溶液
结晶硝酸锰
过氧化苯甲酰
过氧化丁酮等有机氧化剂
相对证度,%
含稳定剂
4.1.1入库商品必须符合产品标准,并附有生产许可证和产品检验合格证。进口产品还应有中文安全技术说明书或其他说明。
GB17914-1999
4.1.2保管方应验收商品的内外标志、容器,包装、衬垫等。验后作出验收记录。4、1.3验收应在库房外安全池点或验收室进行。4.1.4每种商品拆箱验收2~5箱(免检商品除外),发现问题,扩大验收比例。验后将商品包装复原.并做标记。
4.2验收项目
4.2.1验收内外标志
a)品名;
b)规格:
c)等级,
教数重量:
e)生产日期(批号);
f)生产工F,
)危险品标志符合GB190和GB191的规定。4.2.2.验收包装
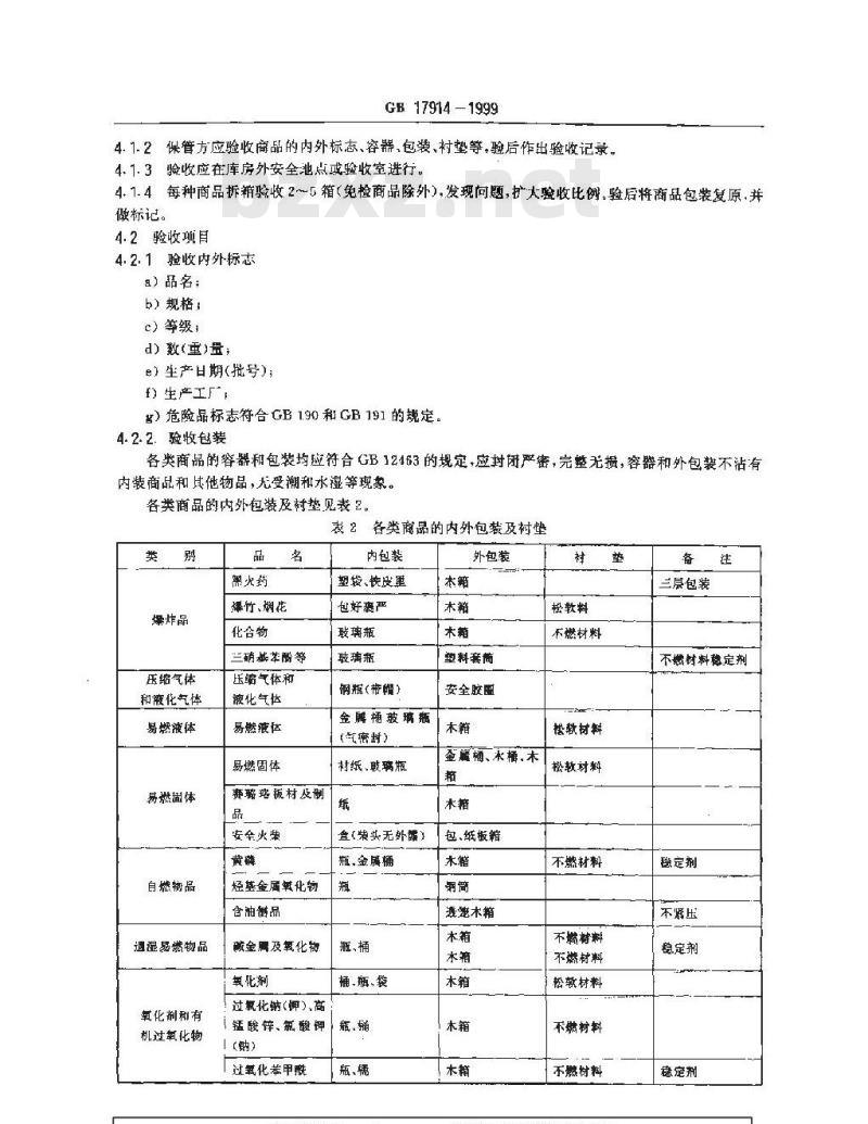
各类商品的容器和包装均应符合GB12463的规定,应封闭严密,完整无损,容器和外包装不沾有内装商品和其他物品,无受潮和水湿等现象。各类商品的内外包装及衬垫见表2。表2各类商品的内外包装及衬垫
爆炸品
压缩气体
和液化气体
易燃液体
易燃固体
自燃物品
温湿晶燃物品
氧化剂和有
机过氧化物
黑火药
操爆竹、斑花
化合物
兰硝基苯酚等
玉缩气体和
液化气达
易液区
易燃固体
郝瞻珞板材及制
安全火柴
烃基金属氧化物
含油品
碱金属及氧化物
氧化剂
过氧化钠(钾),高
内包装
塑较、恢皮重
包好裹严
玻璃瓶
玻璃瓶
钢瓶(带帽)
金属桶玻璃瓶
《气密封》
材纸.頭璃瓶
盒(柴头无外露)
瓶.金属桶
瓶,桶
桶.瓶.袋
锰酸锌、氯酸钾瓶,痛
【(钠)
过氧化苯甲
瓶,撬
外包装
塑科套简
安全胶围
金属桶、木桶、木
包、纸板箱
避笼木箱
松软料
不燃材料
松较材料
松软材料
不燃材料
不嫩料
不燃材料
松材料
不燃材料
不燃树料
三层包装
不燃树料稳定剂
稳定剂
不婚压
稳定剂
稳定剂
4.2.3验收商品质量(感官)
GB 17914 -1999
4.2.3.1面体无潮解,无熔(溶)化,无变色和风化。4.2.32液体题色正常,无封口不严,无挥发和满。4.2.3.3气体钢瓶螺旋严密,无漏气现象。4.3验收结果处理
4.3.1凡外标志不全,包装不符合4.2规定的不得等收入库或暂存观紊室。如包装破漏需整好后再行入库。
4.3.2验收完毕,合格的做好人库单放验收记录,并转存货方。5堆垛
5.1睢垛方法
根据库房条件、商品性质和包装形态采取适当的堆码和垫底方法。5.1.1各种商品不允许直接落地存放。根据库房地势高低,一般应垫15c血以上。遇易燃物品、易吸潮溶化和吸潮分解的商品应根据情况加大下垫高度。5.1-2各种商品应码行列式压键货垛,做到牢固,整齐、美观,出入库方便,一般垛高不超过3Ⅱ。5. 1-3堆垛间距,
a)主通道大于等于180cm
b)支通道大于等于80emi
c)墙距大于等于30cm
d)柱距大于等手10cms
e)垛距大于等于10cm
f)顶距大于等于50cm。
6菲护技术
6 1温湿度管理
6 1.1库房内设温凝度表(重点库可设自记温湿度计),按规定时间观测和记录。6.1.2根据商品的不同性质,采取密封、通风和库内吸潮相结合的溢湿度管理办法,严格控制并保持库房内的温度,使之符合表1的要求。6.2在库检查
6.2.1安全检查
每天对库房内外进行安全检查,检查易燃物是否清理,货垛牢固程度和异常现象等。6.2.2质量检查
根据商品性质,定期进行以感官为主的在库质量检查,每种商品抽查1一2件,主要检查商品自身变化,商品容器、封口、包装和衬垫等在储鼓期间的变化。6.2-2.1爆炸品:般不宜拆包检查+主要检查外包装。爆炸性化含物可拆箱检查。6.2.2.2压缩气体液化气体:用称量祛检查其重量检查钢瓶是否漏气可用气球将瓶嘴扎紧;也可用棉球稀盐酸液(用于氮)、稀氮水(用于氮氯)涂在瓶口处。如果气会立即产生大量烟雾。6.2.2.3易燃液体,主要查封口是否严密,有无挥发或渗漏,有无变色、变质和沉淀现象。6.2.2.4易燃固体:查有无溶(熔)、升华和变色,变质现象。6.2.2.5自燃物品、遇湿易燃物品:查有无挥发、谢满、吸潮溶化,含稳定剂的稳定剂要足量,否则立即添足补满。
6-2.2.6氧化剂和有机过氧化物:主要是检查包装封口是否严密,有无吸潮溶化,变色变质;有机过氧化物、含稳定剂的稳定剂要足量,封口严密有效。GB 17914 —1999
6.2.2.7按重量计的商品应抽检重量,以控制商品保管耗6-2.2.8每次质量检查后,外包装上均庞作出明显的标记,并作好记录。6.2.3检查结果问题处理
6.2.3.1检查结果逐项记录,在商品外包装.上傲出标记。6.2.3.2检查中发现的问题,及时填写有问题商品通知单通知存货方。如问题严重或危及安全时记即汇报和通知存货方,采取应急措施。6.2.3.3有效期商品应在有效期前一个月通知存货方。6.2.3.4超过储藏期限或长期不出库的商品应填写在库商品催调单,转存货方。7安全操作
7.1作业人员应穿工作服,戴手套,口罩等必要的防护用具,操作中轻搬轻放,防止摩擦和擅击,7.2各项操作不得使用能产生火花的.1.具,作业现场应远离热源与火源。7.3操作易燃液体需穿防静电工作服,禁止穿带钉鞋。大桶不得直接在水泥地面流动。出入库汽车要戴好防护罩,排气誉不得直接对准库房门。7.4桶装各种氧化剂不得在水泥地面滚动。7.5库房内不准分、改装,开箱、并桶、验收和质昼检查等需在库房外进行。B储麓期限
根据各种商品的生产日期和有效期而定。9出库
接生产日期和批号顺序先进先出。10应急情况处理
10.1灭火方法见附录B(标准的附录)。10.2各种物品在燃烧过程中会产生不同程度的毒性气体和毒害性烟雾。在灭火和抢救时,应站在上风头,佩戴防毒面具或自救式呼吸器。10.3如发现头罩,呕吐,呼吸困难,面色发青等中毒症状,立即离开现场,移至空气新鲜处或做人工呼唆,重者送医院诊治。
化学魁
险物品分类
爆炸性
氧化剂
压韬气体
化学危险物品分类
点火器材
超爆器材
爆炸及爆炸性药品
其他爆炸品
-级有机
一级有机
二级无机
二级有析
剧群(液氨和液氯有
和液化气体
白燃物品
避水燃
烧物品
易燃被体
易燃固体
妻声性物品
腐蚀酸性
效射性物品
剧毒无机
剧薄有机
有毒无机
有毒有机
说明,\C\符号表示可以混存+“\×\符号害示不可以混存:GB 17914-1999
附录A
(标准的附录)
化学危险物品混存性能互抵表
压缩气
爆炸性物品
氧化剂
体和液
液体固体!物品
物品门
化气体
腐蚀性
剧剧有有
每无有无有
级级级级易助不
无有无有专燃燃燃级级级织级级级级光有无有机机机机机机机
x区xx
区区份ixoxo
份消分分oook
闵区区区区区刘区
区闵区区区区区区区区区
闵区区闵区区区区区区
区区区区销区区消区消区
区区区区区区区区区区区区
区区区区区区区区区区区区
闵区冈区区岗区区区区区区清消C机机机机
区区区区区区区区区区区清消心分区分酒分分分分区分消消消消分分闵区区区区区区区区区区区区区区X
分区分分份份分区分消消消消分分收:区x区风区区区区区区区区分分消消ko闵区岗岗岗岗岗区岗岗区区区岗区岗岗区区闵区区区区区区区区区区区消第区区区区区区区分消分消分分份分分分消消道清分分区区区区区区区区区区区区区区区消清请消区区X
XIxIXIx
闵区区区区区岗区岗区区区区区区区冈区区岗区区区区区“分\指按化学危险品的分类进行分区分类忙存。如果物品不多或仓位不够时,因其性能并不互相抵,也可以据存;“消“指两种物品性能并不互相抵快,但消随施教方法不同,条性许可时最好分存:说离过平化销等过氧化物不宜和无挑氧化剂视存@说明具有还原性的亚硝酸钠等硝酸垫类,不宣和其他无机氧化剂混存。凡混存物品,货垛与货操之间,必须留有1m以上的距离,并要求包装容器完整,不使两种物品发生接触,类别
爆炸品
化合物
压缩气体和减化气体压蜡气体和液化气体易燃液体
易然固体
自燃物品
堰湿易燃物品
氧化剂和
有机过氧化物
中、低、高闪点
甲醇,乙醇、丙酮
易燃厨体
发乳剂
蕴化磷
自燃物品
烃基金属化合物
退湿易端物品
钠、钾
GB 17914—1999
(标雅的附录)
易燃易爆性物品灭火方法
灭火方法
霉状水
雾状水、水
大量水
泡干粉
抗落泡沫
水、泡沫
水、干粉
水、泡沫
氧化剂和有机过氧化物
过氧化钠,钾、镁、钙等
薄状水
玲却制瓶
禁月胺碱泡沫
募用水
禁用水
禁用水
禁用水、二氨化疑、四氯化幽
藥用水
小提示:此标准内容仅展示完整标准里的部分截取内容,若需要完整标准请到上方自行免费下载完整标准文档。
本标雅是为规范化学危险品中易燃易爆性物品的储感管理,确保易燃易爆性物品在储藏过程中的安全而制定的。
本标准根据国务院发布的化学危险品管理条例》、国家国内贸易局制定的商品储藏养护技术规范》第七册,并结合四十余年储该类商品的实践经验和试验研究成果对易燃易爆性物品的合理安全贮存做了具体的规定
本标准的附录A和附录B都是标推的附录。本标准是由国家国内贸易局提出。本标准起草单位:北京市商业储运公司本标摊主要起草人孟浩、工秀芬、吴凤琴萃于玉洪、张桂荣。1范围
中华人民共和国国家标准
易燃易爆性商品储藏养护技术条件Specifications for storage and preservationof combustible and explostve goods本标准规定了易燃易爆性商品的储藏条件、养护技术和储激期限等技术要求。GB 179141999
本标适用于GB 12268中的爆炸品、压缩气体和液化气体,易燃液体、易燃固体。自燃物品、避距葛燃物品、氧化剂和有机过筑化物(不含军工危险物)。2引用标准
下列标准所包含的条文,通过在本标准中引用而构成为本标准的条文。本标准出版时,所示版本均为有效。所有标准都会被修订,使用本标准的各方应探讨使用下列标准最新版本的可能性,GB190--1990危险货物包装标志
GB191—1990包装储运图示标志
GB12268—1990危险货物品名表
GB12463—1990危险货物运输包装通用技术条件GBJ16—1987建筑设计防火规范
3鳍棘素件
3.1建筑条件
应符合GBJ16-~1987中4.2.1条的要求,库房耐火等级不低于三级。3.2库房条件
储越易燃易爆商品的库房,应冬暖夏凉,干燥、易于通风,密封和避光。3.2.1根据各类商品的不同性质.库房条件,灭火方法等进行产格的分区分类,分库存放。3.2.1.1爆炸品宜储戴于一缎轻项耐火建筑的库房内。3.2.1.2低、中闪点液体、一级易燃固体,自燃物品、压缩气体和液化气体类宜储藏于一级耐火建筑的库房内。
3.2.1.3逛湿易燃物品、氧化剂和有机过氧化物可储裁于一、二级耐火建筑的库房内。3.2.1.4二级易燃固体、高闪点液体可储藏于火等级不低于三级的库房内。33安全条件
3.3.1商品避免阳光直射、远离火源、热源,电源,无产生火花的条件。3.3.2除按附录A(标准的附录)规定分类存外·以下品种应专库储。3.3.2.1爆炸品,黑色火药类、燥炸性化合物分别专库储藏。3.3.2.2压缔气体和液化气体:易燃气体,不燃气体和有毒气体分别专库储戴。3.3.2.3易燃液体均可同库储;但甲醇,乙醇、阐等应专库贮存。国豪质量技术监督局 1999-11-29 批准2000-04 -01实施
GE17914-1999
易燃周体可同库储藏;但发乳剂H与酸或酸性物品分别储戴;硝酸纤维紊醋,安全火柴、红磷3. 312. 4
及硫化磷、铝扮等金属粉类应分别储藏,自燃物品:黄磷,烃基金属化台物,浸动、植物油制品须分别专库储藏。3. 3. 2. 5
3. 3. 2. 6
遇湿易燃物品专库储藏。
3. 3.2.7氧化剂和有机过氧化物一、一级无机氧化剂与一、一级有机氧化剂必须分别储裁,但硝酸铵,氧酸盐类、高锰酸盐、业硝酸盐、过氧化钠、过氨化氢等必颈分别专库储激。3.4环境卫生条件
3.4.1库房周國无杂草和易燃物。3.4.2库房内经常打扫,地面无漏撤商品·保持地面与贷垛精洁卫生。3.5温湿度条件
3.5.1各类商品适宜储溅的温湿度见表1。表 1温湿度条件免费标准bzxz.net
爆炸品
压缩气体和液化气件
另燃液体
易燃固体
自燃物品
调湿易燃物品
氧化剂和
有机过氧化物
4人库验收
4.1验收原则
黑火药、化合物
水作稳定剂的
易燃,不燃、有再
低闪点
中高医点
易燃固体
硝酸纤维素酯
安全火柴
红磷、硫化磷、铝粉
烃基金属化合物
含油制品
遇湿易燃物品
氧化剂利有机过氧化物
过氧化钠、镁、钙等
硝酸锌、钙,馍等
硝酸铵、亚硝酸钠
盐的水溶液
结晶硝酸锰
过氧化苯甲酰
过氧化丁酮等有机氧化剂
相对证度,%
含稳定剂
4.1.1入库商品必须符合产品标准,并附有生产许可证和产品检验合格证。进口产品还应有中文安全技术说明书或其他说明。
GB17914-1999
4.1.2保管方应验收商品的内外标志、容器,包装、衬垫等。验后作出验收记录。4、1.3验收应在库房外安全池点或验收室进行。4.1.4每种商品拆箱验收2~5箱(免检商品除外),发现问题,扩大验收比例。验后将商品包装复原.并做标记。
4.2验收项目
4.2.1验收内外标志
a)品名;
b)规格:
c)等级,
教数重量:
e)生产日期(批号);
f)生产工F,
)危险品标志符合GB190和GB191的规定。4.2.2.验收包装
各类商品的容器和包装均应符合GB12463的规定,应封闭严密,完整无损,容器和外包装不沾有内装商品和其他物品,无受潮和水湿等现象。各类商品的内外包装及衬垫见表2。表2各类商品的内外包装及衬垫
爆炸品
压缩气体
和液化气体
易燃液体
易燃固体
自燃物品
温湿晶燃物品
氧化剂和有
机过氧化物
黑火药
操爆竹、斑花
化合物
兰硝基苯酚等
玉缩气体和
液化气达
易液区
易燃固体
郝瞻珞板材及制
安全火柴
烃基金属氧化物
含油品
碱金属及氧化物
氧化剂
过氧化钠(钾),高
内包装
塑较、恢皮重
包好裹严
玻璃瓶
玻璃瓶
钢瓶(带帽)
金属桶玻璃瓶
《气密封》
材纸.頭璃瓶
盒(柴头无外露)
瓶.金属桶
瓶,桶
桶.瓶.袋
锰酸锌、氯酸钾瓶,痛
【(钠)
过氧化苯甲
瓶,撬
外包装
塑科套简
安全胶围
金属桶、木桶、木
包、纸板箱
避笼木箱
松软料
不燃材料
松较材料
松软材料
不燃材料
不嫩料
不燃材料
松材料
不燃材料
不燃树料
三层包装
不燃树料稳定剂
稳定剂
不婚压
稳定剂
稳定剂
4.2.3验收商品质量(感官)
GB 17914 -1999
4.2.3.1面体无潮解,无熔(溶)化,无变色和风化。4.2.32液体题色正常,无封口不严,无挥发和满。4.2.3.3气体钢瓶螺旋严密,无漏气现象。4.3验收结果处理
4.3.1凡外标志不全,包装不符合4.2规定的不得等收入库或暂存观紊室。如包装破漏需整好后再行入库。
4.3.2验收完毕,合格的做好人库单放验收记录,并转存货方。5堆垛
5.1睢垛方法
根据库房条件、商品性质和包装形态采取适当的堆码和垫底方法。5.1.1各种商品不允许直接落地存放。根据库房地势高低,一般应垫15c血以上。遇易燃物品、易吸潮溶化和吸潮分解的商品应根据情况加大下垫高度。5.1-2各种商品应码行列式压键货垛,做到牢固,整齐、美观,出入库方便,一般垛高不超过3Ⅱ。5. 1-3堆垛间距,
a)主通道大于等于180cm
b)支通道大于等于80emi
c)墙距大于等于30cm
d)柱距大于等手10cms
e)垛距大于等于10cm
f)顶距大于等于50cm。
6菲护技术
6 1温湿度管理
6 1.1库房内设温凝度表(重点库可设自记温湿度计),按规定时间观测和记录。6.1.2根据商品的不同性质,采取密封、通风和库内吸潮相结合的溢湿度管理办法,严格控制并保持库房内的温度,使之符合表1的要求。6.2在库检查
6.2.1安全检查
每天对库房内外进行安全检查,检查易燃物是否清理,货垛牢固程度和异常现象等。6.2.2质量检查
根据商品性质,定期进行以感官为主的在库质量检查,每种商品抽查1一2件,主要检查商品自身变化,商品容器、封口、包装和衬垫等在储鼓期间的变化。6.2-2.1爆炸品:般不宜拆包检查+主要检查外包装。爆炸性化含物可拆箱检查。6.2.2.2压缩气体液化气体:用称量祛检查其重量检查钢瓶是否漏气可用气球将瓶嘴扎紧;也可用棉球稀盐酸液(用于氮)、稀氮水(用于氮氯)涂在瓶口处。如果气会立即产生大量烟雾。6.2.2.3易燃液体,主要查封口是否严密,有无挥发或渗漏,有无变色、变质和沉淀现象。6.2.2.4易燃固体:查有无溶(熔)、升华和变色,变质现象。6.2.2.5自燃物品、遇湿易燃物品:查有无挥发、谢满、吸潮溶化,含稳定剂的稳定剂要足量,否则立即添足补满。
6-2.2.6氧化剂和有机过氧化物:主要是检查包装封口是否严密,有无吸潮溶化,变色变质;有机过氧化物、含稳定剂的稳定剂要足量,封口严密有效。GB 17914 —1999
6.2.2.7按重量计的商品应抽检重量,以控制商品保管耗6-2.2.8每次质量检查后,外包装上均庞作出明显的标记,并作好记录。6.2.3检查结果问题处理
6.2.3.1检查结果逐项记录,在商品外包装.上傲出标记。6.2.3.2检查中发现的问题,及时填写有问题商品通知单通知存货方。如问题严重或危及安全时记即汇报和通知存货方,采取应急措施。6.2.3.3有效期商品应在有效期前一个月通知存货方。6.2.3.4超过储藏期限或长期不出库的商品应填写在库商品催调单,转存货方。7安全操作
7.1作业人员应穿工作服,戴手套,口罩等必要的防护用具,操作中轻搬轻放,防止摩擦和擅击,7.2各项操作不得使用能产生火花的.1.具,作业现场应远离热源与火源。7.3操作易燃液体需穿防静电工作服,禁止穿带钉鞋。大桶不得直接在水泥地面流动。出入库汽车要戴好防护罩,排气誉不得直接对准库房门。7.4桶装各种氧化剂不得在水泥地面滚动。7.5库房内不准分、改装,开箱、并桶、验收和质昼检查等需在库房外进行。B储麓期限
根据各种商品的生产日期和有效期而定。9出库
接生产日期和批号顺序先进先出。10应急情况处理
10.1灭火方法见附录B(标准的附录)。10.2各种物品在燃烧过程中会产生不同程度的毒性气体和毒害性烟雾。在灭火和抢救时,应站在上风头,佩戴防毒面具或自救式呼吸器。10.3如发现头罩,呕吐,呼吸困难,面色发青等中毒症状,立即离开现场,移至空气新鲜处或做人工呼唆,重者送医院诊治。
化学魁
险物品分类
爆炸性
氧化剂
压韬气体
化学危险物品分类
点火器材
超爆器材
爆炸及爆炸性药品
其他爆炸品
-级有机
一级有机
二级无机
二级有析
剧群(液氨和液氯有
和液化气体
白燃物品
避水燃
烧物品
易燃被体
易燃固体
妻声性物品
腐蚀酸性
效射性物品
剧毒无机
剧薄有机
有毒无机
有毒有机
说明,\C\符号表示可以混存+“\×\符号害示不可以混存:GB 17914-1999
附录A
(标准的附录)
化学危险物品混存性能互抵表
压缩气
爆炸性物品
氧化剂
体和液
液体固体!物品
物品门
化气体
腐蚀性
剧剧有有
每无有无有
级级级级易助不
无有无有专燃燃燃级级级织级级级级光有无有机机机机机机机
x区xx
区区份ixoxo
份消分分oook
闵区区区区区刘区
区闵区区区区区区区区区
闵区区闵区区区区区区
区区区区销区区消区消区
区区区区区区区区区区区区
区区区区区区区区区区区区
闵区冈区区岗区区区区区区清消C机机机机
区区区区区区区区区区区清消心分区分酒分分分分区分消消消消分分闵区区区区区区区区区区区区区区X
分区分分份份分区分消消消消分分收:区x区风区区区区区区区区分分消消ko闵区岗岗岗岗岗区岗岗区区区岗区岗岗区区闵区区区区区区区区区区区消第区区区区区区区分消分消分分份分分分消消道清分分区区区区区区区区区区区区区区区消清请消区区X
XIxIXIx
闵区区区区区岗区岗区区区区区区区冈区区岗区区区区区“分\指按化学危险品的分类进行分区分类忙存。如果物品不多或仓位不够时,因其性能并不互相抵,也可以据存;“消“指两种物品性能并不互相抵快,但消随施教方法不同,条性许可时最好分存:说离过平化销等过氧化物不宜和无挑氧化剂视存@说明具有还原性的亚硝酸钠等硝酸垫类,不宣和其他无机氧化剂混存。凡混存物品,货垛与货操之间,必须留有1m以上的距离,并要求包装容器完整,不使两种物品发生接触,类别
爆炸品
化合物
压缩气体和减化气体压蜡气体和液化气体易燃液体
易然固体
自燃物品
堰湿易燃物品
氧化剂和
有机过氧化物
中、低、高闪点
甲醇,乙醇、丙酮
易燃厨体
发乳剂
蕴化磷
自燃物品
烃基金属化合物
退湿易端物品
钠、钾
GB 17914—1999
(标雅的附录)
易燃易爆性物品灭火方法
灭火方法
霉状水
雾状水、水
大量水
泡干粉
抗落泡沫
水、泡沫
水、干粉
水、泡沫
氧化剂和有机过氧化物
过氧化钠,钾、镁、钙等
薄状水
玲却制瓶
禁月胺碱泡沫
募用水
禁用水
禁用水
禁用水、二氨化疑、四氯化幽
藥用水
小提示:此标准内容仅展示完整标准里的部分截取内容,若需要完整标准请到上方自行免费下载完整标准文档。
标准图片预览:





- 其它标准
- 热门标准
- 国家标准(GB)
- GB/T2828.1-2012 计数抽样检验程序 第1部分:按接收质量限(AQL)检索的逐批检验抽样计划
- GB/T228.1-2021 金属材料 拉伸试验 第1部分:室温试验方法
- GB50367-2013 混凝土结构加固设计规范
- GB/T18204.4-2000 公共场所毛巾、床上卧具微生物检验方法细菌总数测定
- GB/T12053-1989 光学识别用字母数字字符集 第一部分:OCR-A字符集印刷图象的形状和尺寸
- GB5725-2009 安全网
- GB/T23892.3-2009 滑动轴承 稳态条件下流体动压可倾瓦块止推轴承 第3部分:可倾瓦块止推轴承计算的许用值
- GB/T9145-2003 普通螺纹 中等精度、优选系列的极限尺寸
- GB/T11839-1989 二氧化铀芯块中硼的测定 姜黄素萃取光度法
- GB50209-2002 建筑地面工程施工质量验收规范
- GB/T6122.1-2002 圆角铣刀 第1部分:型式和尺寸
- GB/T7433-1987 对称电缆载波通信系统抗无线电广播和通信干扰的指标
- GB13851-2022 内河交通安全标志
- GB/T9239-1988 刚性转子平衡品质 许用不平衡的确定
- GB/T15917.3-1995 金属镝及氧化镝化学分析方法 对氯苯基荧光酮--溴化十六烷基三甲基胺分光光度法测定钽量
- 行业新闻
请牢记:“bzxz.net”即是“标准下载”四个汉字汉语拼音首字母与国际顶级域名“.net”的组合。 ©2025 标准下载网 www.bzxz.net 本站邮件:bzxznet@163.com
网站备案号:湘ICP备2025141790号-2
网站备案号:湘ICP备2025141790号-2