- 您的位置:
- 标准下载网 >>
- 标准分类 >>
- 国家标准(GB) >>
- GB 16802-1997 城镇燃气调压器
标准号:
GB 16802-1997
标准名称:
城镇燃气调压器
标准类别:
国家标准(GB)
英文名称:
Town gas pressure regulator标准状态:
已作废-
发布日期:
1997-05-28 -
实施日期:
1997-01-02 -
作废日期:
2008-08-01 出版语种:
简体中文下载格式:
.rar.pdf下载大小:
414.57 KB
替代情况:
被CJ 274-2008代替
点击下载
标准简介:
本标准规定了城镇燃气输配系统使用的压力调节器的定义、型谱、代号、技术要求、检测方法以及标志、包装等方面的内容。本标准适用于调节后压的调压器,不适用于调节前压的调压器。本标准所提到的压力值凡未标注者均指表压。 GB 16802-1997 城镇燃气调压器 GB16802-1997
部分标准内容:
GB 16802
本标准为首次制订的国家标推。前
本标准由中华人民共和国建设部提出。言
本标准由建设部技术归口单位中国市政工程华北设计院归口。本标准起草单位:中国市政工程华北设计院、上海市煤气公司。本标准主要起草人:刘书贞、朱功泽、郑安涛、龙树善、常淑英、苏西臣、邓永录、吴雯琼、屈庆涛。本标准委托中国市政工程华北设计院负责解释。778
1范围
中华人民共和国国家标准
城镇燃气调压器
Town gas pressure regulatorsGB 16802-1997
本标准规定了城镇燃气输配系统使用的压力调节器(以下简称调压器)的定义、型谱、代号、技术要求、检测方法以及标志、包装等方面的内容。本标准适用于调节后压的调压器,不适用于调节前压的调压器。其介质为进口压力不大于1.6MPa的城镇燃气(瓶装液化石油气除外),使用环境温度为一20~50℃,并应高于燃气的露点温度。本标准所提到的压力值凡未标注者均指表压。2引用标准
下列标准所包含的条文,通过在本标准中引用而构成为本标准的条文。本标准出版时,所示版本均为有效。所有标准都会被修订,使用本标准的各方应探讨使用下列标准最新版本的可能性。GB193-81普通螺纹直径与螺距系列(直径1~600mm),普通螺纹基本尺寸(直径1~600mm)GB 196—81
GB 197---81
普通螺纹公差与配合(直径1~355mm)GB 977--84
灰铸铁机械性能试验方法
塑料力学性能试验方法总则
GB/T 1039—92
不锈钢棒
GB 1220---92
GB1222—84弹簧钢
GB 1239.4—89
GB 1239. 5—89
GB 1527-
GB 2828—87
热卷圆柱螺旋弹簧技术条件
圆柱螺旋弹簧抽样检查
拉制铜管
逐批检查计数抽样程序及抽样表(适用于连续批的检查)GB 4216. 4--
GB 4216. 5--84
10巴灰铸铁管法兰尺寸
16巴灰铸铁管法兰尺寸
GB 4216. 10—84
GB 9119. 3--88
灰铸铁管法兰及垫片技术要求
PN1.0MPa(10bar)平面板式平焊钢制管法兰PN1.6MPa(16bar)平面板式平焊钢制管法兰GB 9119. 4—881
GB 9119. 8--88
PN1.6MPa(16bar)凸面板式平焊钢制管法兰GB9119.9--88PN2.5MPa(25bar)凸面板式平焊钢制管法兰GB 11352---89
一般工程用铸造碳钢件
金属镀层和化学覆盖层质量检验CB 744—83
JB/Z 88—75
JB/Z 90--75
热带电工产品的电镀
热带电工产品的涂漆
国家技术监督局1997-05-28批准1997-12-01实施
3定义
本标推采用下列定义。
3.1 调压器 pressure regulatorsGB 16802-1997
自动调节燃气出口压力,使其稳定在某一压力范围的降压设备。3.2直接作用式调压器pressure regulators of direct effect way敏感元件感受的力用于直接驱动调节机构。3. 3 间接作用式调压器 pressure regulators of indirect effect way敏感元件和调节机构的受力元件是相隔分开的、敏感元件所受的力经中间放大环节直到足以驱动调节机构动作。
3.4指挥器pilot regulaton
间接作用式调压器中,用于实现自动调节的辅助调节设备。3.5进口压力inlet pressure P
调压器进口处,按规定的测压法所测得的压力值。3.6 出口压力 outlet pressure P2调压器出口处,按规定的测压法所测得的压力值。3.7 最大进口压力 max inlet pressure P ima在规定的压力范围内,所允许的最高进口压力。3.8最小进口压力 min inlet pressure Pimin在规定的压力范围内,所允许的最低进口压力值。3.9最大出口压力max outletpressurePza在规定的稳压精度范围内所允许的最高出口压力。3.10最小出口压力min outlet pressure P2min在规定的稳压精度范围内,所允许的最低出口压力值。3.11 额定出口压力 nominal outlet pressure P2n调压器出口压力在规定范围内的某一选定值。3. 12 稳压精度 accuracy of pressure stability P2调压器出口压力偏离额定值的偏差与额定出口压力的比值。3.13关闭压力shutoff prwssurePb当调压器流量逐渐减小,其流量等于零时,输出侧所达到稳定的压力值。3. 14额定流量nominal flow rate Qn在规定的进口压力范围内,当进口乐力为Pmin,其出口压力在稳压精度范围内下限值时的流量。3.15静特性曲线static charecteristic curve在规定的P,范围内,固定P,为某一值时,P,随流量变化的关系曲线。3. 16 压力回差difference of pressure △P,当流量一定时,在规定的P,范围内升高和降低的往返过程中,同一P,压力下,所得到两个相应P2值之差。
3.17调压器综合流量系数total flowcoefficientof pressureregulatorK,在额定流量工况下的流量系数。4型号编制及基本设计参数
4.1调器的型号编制应包括下列内容::4.1.1调压器用汉语拼音字头RTJ或RTZ表示781
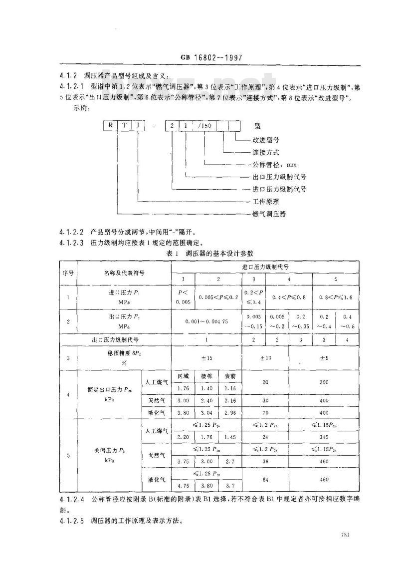
4.1.2调压器产品型号组成及含义:GB 16802-1997
4.1.2.1型谱中第1、2位表示“燃气调压器”,第3位表示“工作原理”,第4位表示“进口压力级制”,第5位表示\出门压力级制,第6位表示\公称管径”,第7位表示”连接方式”,第8位表示\改进型号”示例:
4. 1. 2. 2
21/150
产品型号分成两节,中间用“_”隔开。压力级制均应按表1规定的范围确定。型
一改进型号
一连接方式
-公称管径,mm
出口压力级制代号
一进口压力级制代号
工作原理
-燃气调压器
调压器的基本设计参数
名称及代表符号
进压力P
出口压力P
出门压力级制代号
稳压精度aP:
额定出口压力 P下载标准就来标准下载网
关闭玉力P:
人工煤气
天然气
液化气
人工煤气
天然气
液化气
0. 005
0.001 ~-0. 004 75
≤1.25Pz
≤1.25P2n
≤1.25 Pr
进口压力级制代号
0.4
0. 8
4.1.2.4公称管径应按附录B(标准的附录表B1选择,若不符合表B1中规定者亦可按相应数字编制。
4.1.2.5调压器的工作原理及表示方法。781
a)直接作用式用“Z\表示。
h)间接作用式用“J\表示。
GB16802-1997
c)带安全切断阀用“Q”表示;可填入改进型号框中。4.1.3调压器连接形式的一般规定和表示方法。4.1.3.1DN≤50mm采用螺纹连接。4.1.3.2N>50mm采用法兰连接。
1凡符合4.1.3.1、4.1.3.2要求的不予表示。2著不符合 4. 1. 3. 1、4. 1. 3. 2要求的加 L 或 F表示。4.1.3.3螺纹代号—L、法兰代号—F。4.2调压器的基本设计参数应采用表1中规定数值,4.3调压器的额定流量Q。不应低于附录A(标准的附录)规定公式计算的流量值。5技术要求
5.1一般规定
5.1.1调压器应进行调压静特性试验,其稳压精度、关闭压力等应符合表1的规定。5.1.2调压器的压力回差不应大于额定出口压力的3%。5.1.3调压器应有足够的强度,其壳体应能承受最大进口压力1.5倍的水压;但不应低于0.2MPa。5.1.4调压器必须进行气密性试验应无泄漏。5.1.4.1进口侧应采用最大进口压力的气压试验。5.1.4.2出口侧应采用P的4倍压力试验(中、高压采用1.5倍P)。5.1.5调压器应经久耐用,至少启闭30000次仍能满足技术要求。5.1.6调压器及指挥器的膜片应进行耐介质腐蚀和低温试验,并能承受0.1MPa的气压。5.1.7外观要求:
调压器的表面涂漆应均匀,色泽一致,无起皮、龟裂、气泡等缺陷。5.2材料及制造要求
5.2.1调压器的零部件必须采用耐介质腐蚀的材料制造,并应符合国家现行的有关标准。5.2.1.1金属零部件
a)阀体般采用灰铸铁或铸钢,其性能应符合GB977和GB11352的规定。b)阀座应采用不锈钢材料,其化学成分及机械性能应符合GB1220的规定。c)弹簧应采用碳素弹簧钢丝制造,化学成分应符合GB1222的规定。成品检验应符合GB1239.4和GB1239.5的规定。精度等级不应低于Ⅱ级。d)导压管材料应采用紫铜管并应符合GB1527的规定。e)某些零件若采用其他材料加工制造时,其机械性能不应低于上述材料机械性能指标,并应达到零件设计要求的技术条件。
)所有金属零件的内外表面应平整光洁,无气孔、砂眼、凹陷等缺陷。5.2.1.2非金属零件
a)膜片、阀垫及其他橡胶件,应采用耐介质腐蚀的腈基橡胶,并用合成纤维加强。b)橡胶材料的物理机械性能应符合附录C(标准的附录)的要求。c)橡胶膜片表面应平滑,无气泡、缺胶、脱层等缺陷。d)塑料制件应坚固耐用,并应符合GB1039的规定。5.2.2表面处理
a)调压器整体表面应采用油漆涂层,其涂层应符合JB/Z90的规定。782
GB 16802--1997
b)调压器的黑色金属零部件均应进行表面处理,应采用金属镀层或氧化处理。金属镀层应符合JB/Z88的规定,氧化处理的质量检验应符合CB744的规定。5.3结构要求
5.3.1调压器的结构应保证使用安全,运行可靠.便于维护,指挥器进口应采取过滤措施。5.3.2调压器、指挥器等的呼吸孔应有保护装置。5.3.3调压器信号管的内径d不应小于$8mm,其弯曲半径不应小于3d,折弯后的断面积不应小于原断面面积的90%。
5.3.4调压器的连接应符合4.1.3的规定,法兰尺寸应符合铸铁、钢制件有关标准规定,螺纹应符合GB193的规定。
5.3.5带法兰的调压器壳体长度应符合附录B表B2的规定。5.3.6内螺纹连接的调压器壳体长度应符合附录B表B3的规定。5.4城镇燃气调压器的质量分等
调压器各项技术指标达到表1规定后,以综合流量系数K。、压力回差、膜片成品检验、耐久试验、零件加工质、用户意见等指标进行质量分等。参见附录F(标准的附录)。6试验方法
6. 1-般规定
6.1.1试验室的温度应为15~30℃,每次试验过程中室温波动应小于士5℃。6.1.2相对湿度:45%~85%。
6.1.3大气压力:86~106kPa860~1060 mbar)。6.1.4检验用介质:一般采用空气,气源压力应大于最大进口压力。6.2、检验用仪表可参见附录E(标准的附录)。6.2.1检验装置的误差不得超过被检测设备基本误差的二分之一。6.2.2检验仪表使用前均应按有关规定校正。但必须在使用周期内。6.3外观检查:外观用观察的方法进行检查,并应符合5.1.7的规定。6.4强度试验
6.4.1将调压器的壳体全部密封,按5.1.3规定进行试验,观测3min不得有泄漏和其他异常。6.4.2将待测的膜片带上膜盘,装回原壳体内,在另一面保持不受外力,按5.1.6规定的压力进行试验持续3min,该膜片不得拉出和撕裂。6.5气密性试验
6.5.1对于进口侧,充气加压至最大压力,然后关闭调压器出口阀门,用皂液或浸入水中,观测1min,不得泄漏。
6.5.2对于出口侧,低压级按5.1.4.2规定试验,中压以上级按1.5倍P试验,应不漏气。6.6耐久试验
将调压器及指挥器下膜腔压力控制在0.01MPa,模拟运行状态连续拉、压阀杆30000次后,该调压器仍能满足技术要求。
6.7调压特性试验
6.7.1调压特性试验装置系统图1所示:783
GB 16802--1997
1进口压力定值器;2流量计3进口压力计;4被测调压器;5-出口压力计;6流量控制阀D·进、出口连接管公称直径图 1 调压特性试验图
6.7.2调压器出压力的调定
6.7.2.1直接作用式调压器,在接通气源后,调节螺塞或改变配重时,出口压力应均匀上升或下降,不得有滞后和喘振,当调至给定值时,出口压力应保持稳定。6.7.2.2间接作用式调压器,调节指挥器的有关部件,操作方法及要求同6.7.2.1。6.7.3调压静特性试验
6.7.3.1静特性试验至少要测得三条曲线;即固定不同的进口压力,检测出口压力随流量变化的关系。其进口压力一般为P1min,0.5(Pimin十P1max),P1max,当产品出厂检验,若后两项没有条件实现时,可选择较小的进口压力代替。
6.7.3.2在调压静特性试验的全过程中,不允许改变调压器的调节装置。6.7.4调压器静特性试验方法
6.7.4.1控制调压器的进口压力分别为:Pimin,Pi1x,0.5(Pimin十Pimax),Pimax,改变其对应的流量(流量变化点应不少于7个),使其由零至Q。,再由Q.至零往返各一次,观测并记录出口压力P2x和相应的流量Q值,同一流量下所得两个出口压力值之差不应大于5.1.2规定值。其出口压力P,值按算术平均值计算。
6.7.4.2在不同的进口压力下,缓慢关闭调压器的出口阀门,当流量等于零时,1min后读取出口压力值不应大于表1规定的关闭压力P值。6.7.4.3调压特性还应符合表1规定的稳压精度3P2的要求。6.7.4.4调压器的额定流量Q,应符合4.3的要求。6.8调压器膜片成品检验
6.8.1调压器橡胶膜片成品质量检验应符合附录D(标准的附录)的规定。6.8.2橡胶膜片的成品还应承受一30℃的低温,其试验方法将膜片放入低温室中,一次降温至一30℃,持续1h的耐低温试验。膜片的柔性不应降低。并应符合本标准规定的性能指标要求。7检验规则
7.1调压器应按批做全性能检验
7.1.1型式检验的样机应在出厂检验合格入库产品中,每半年随机抽取百分之三,每批不少于三台;检验过程中,如发现任何一项指标不合格时,应在同批产品中加倍抽样,复检其不合格项目。若仍不合格,则该批产品为不合格品。
注:DN≥100mm抽壹台;
DN≤100 mm 抽叁台,
7.1.2凡有下列情况之一者,应按7.1.1规定进行全性能试验,合格后方出厂。a)新试制的产品;
6)产品在设计、工艺、材料上有较大改变时;()停产满一年再次生产时;
d)在库存放超过一年时。
GB 16802—1997
7.2出厂的调压器,应按GB2828的规定,由本厂技术检验部门做常规检验,并应有产品质量合格证。7.3
型式检验和出厂检验项目按表2进行。表2型式检验和出广检验项目表
检验项目
外观检验
强度试验
气密性试验
关闭压力试验
耐久性试验
静特性试验
膜片成品检验
膜片耐低温试验
注:“\表示检验项目。
8标志、包装、运输和储存
8.1标志
型式检验
8.1.1调压器应在明显部位设置型号标牌,其内容应包括:a)调压器型号;
b)调压器主要技术性能指标;
c)制造厂名称和商标;
d)生产许可证号码:
e)出『日期,
8.1.2在调压器主阀壳体上应有气体流向箭号。8.2包装
8.2.1调压器的包装应保证搬运过程不受损坏。出厂检验
8.2.2调压器产品出厂时,应附有使用说明和产品检验合格证。8.2.2.1使用说明内容包括:
a)调压器的工作原理;
b)技术参数;
c)使用与安装说明;
d)常见故障及排除方法。
8.2.2.2合格证内容包括:
a)调压器产品型号;
b)制造厂名称和商标;
c)检验结果;
技术要求条款试验方法条款
d)产品编号、合格证号、检验日期、检验员标记。8.3调压器及其部件应储存在干燥通风无腐蚀性介质的室内,并有入库日期登记。8.4调压器在运输过程中,应防让剧烈震动、雨淋及化学物品的浸蚀,严禁抛掷、碰撞等。6.3
GB 16802--1997
附录A
(标推的附录)
调压器的流量计算
燃气通过调压器的流量根据其进、出口压力比,可分为三种情况进行计算:Ap
≤0.08,且P,<0.11MPa时,即调压器的压力降甚小,可忽略燃气的压缩性。根据水力阻A1
力系数用下式表示(计算误差不大于2.5%)。Q= 509
式中:Q
燃气的流量,m\/h;
调压器连接管的流通断面面积,cm2;调压器的压力降,MPa;
-燃气的密度,kg/m~;
调节机构的局部阻力系数,
调压器进口绝对压力,MPa。
》0.08,且进口压力较大时,应考虑燃气的可压缩性和密度的变化,则公式如下:V2F
经换算整理后得到:
式中,Q:
Q。 - 5 256K,e
标准状态下燃气的体积流量,m/h;标准状态下燃气的密度,kg/m~;P,
进口(绝对)压力,MPa;
T,—进口处燃气温度,K;
进口处燃气的压缩系数;
绝热系数;
调压器的综合流量系数;
·(A1)
+*+-.(A2 )
·(A3)
.·.(A4)
(A5)
燃气流经节流机构时,燃气密度变化的膨胀系数由于气体流经阀门时的流动与绝热过程有区别,其计算误差应利用系数ε予以补偿,但在计算中不采用理论公式(A4),通常采用试验数据。786
GB 16802--1997
的关系曲线如图A1所示。各试验曲线均近似直线,对于空气可用公式(A6)计算;对P
于具有其他绝热值指数的气体,可用乘以一个校正系数来求得。EB
式中: E,
燃气的膨胀系数;
空气的膨胀系数;
s.和E可按公式(A4)求得。
= 1— 0. 46
为了计算方便,有时可变换(A3)如下;P,AP
已知各种燃气的不同表值可利用下图求出值。0. 9
系数ε与
++rrebe00+0+erobh0:(A6 )
.(A7)
(号))91-
的关系曲线
......(A8)
......(Ag)
当压力降为临界值或很大时,即式中 角标c表示临界。
GB 16802
—1997
此时调压器的流量可由式(A3)以临界压力比值代人而求得:AP
Q, = 5 256 K,6Pf ~
式中:()
空气的临界压力比(瓷)
0.48;而理论值
一0.528,其比值为
公式的校正值,可得计算任意组分燃气的临界压力比2
&的计算与e相同,只是其中以
阻力系数与主阀行程比有关。
式中:
行程比;
主阔行程;
主阀最大行程。
\与的关系见下表。
代人,
(A10)
(All)
-0.91,以此作为计算
·(A12)
2阻力系数同阀面积与连接管断面面积之比有关,且与调压器的结构有关,当流量甚小时还同雷诺数R。有关。对于单座阀的调压器断面面积之比可采用()
= 0. 16 ~~ 0. 2
式中;f及d
对丁双座阀:
式中·
阀口的面积及直径;
连接管面积及直径。
- 0. 36 ~ 0. 56
两个阀口的总面积。
GB16802--1997
附录B
(标准的附录)
管径、法兰、螺纹参数
管径系列:采用调压器进、出口管径的公称直径作为调压器管径代号。B1
法益连接的调压器壳体长度如表B2。公称直径DN
70(65)
1.0(铸铁))、2.0钢)
B3内螺纹连接的调压器壳体长度如表B3。表B3
公称直径DN
短系列
结构长度
压力等级
长系列
常用管径系列如表B1。
2.5(铸铁)、5.0钢)
小提示:此标准内容仅展示完整标准里的部分截取内容,若需要完整标准请到上方自行免费下载完整标准文档。
标准图片预览:





- 其它标准
- 上一篇: GB 16798-1997 食品机械安全卫生
- 下一篇: GB 16804-1997 气瓶警示标签
- 热门标准
- 国家标准(GB)
- GB/T30917—2014 /ISo 29941:2010 天然胶乳橡胶避孕套中可迁移亚硝胺的测定
- GB/T12777-1999 金属波纹管膨胀节通用技术条件
- GB15193.5-2003 骨髓细胞微核试验
- GB/T29633.4-2020 南极地名 第4部分:罗马字母拼写
- GB/T39964-2021 造纸行业能源管理体系实施指南
- GB/T43929-2024 空间用纤维光学器件测试指南
- GB/T42970-2023 半导体集成电路 视频编解码电路测试方法
- GB/T43225-2023 空间物体登记要求
- GB15985-1995 丝虫病诊断标准及处理原则
- GB19159-2003 车用液化石油气
- GB/T7407-1997 中国及世界主要海运贸易港口代码
- GB1913.2-1990 漂白浸渍绝缘纸
- GB14287.4-2014 电气火灾监控系统 第4部分:故障电弧探测器
- GB5237.3-2008 铝合金建筑型材 第3部分:电泳涂漆型材
- GB/T9771.6-2020 通信用单模光纤 第6部分:宽波长段 光传输用非零色散单模光纤特性
- 行业新闻
网站备案号:湘ICP备2025141790号-2