- 您的位置:
- 标准下载网 >>
- 标准分类 >>
- 船舶行业标准(CB) >>
- CB/T 3572-94 气水分离器
标准号:
CB/T 3572-94
标准名称:
气水分离器
标准类别:
船舶行业标准(CB)
标准状态:
现行出版语种:
简体中文下载格式:
.zip .pdf下载大小:
1.08 MB
点击下载
标准简介:
CB/T 3572-94.
1主题内容 与适用范围
CB/T 3572规定了法兰连接尺寸按GB 569、GB 2501的气水分离器(以下简称分离器)的产品分类、技术要求试验方法检验规则、标志和包装。
CB/T 3572适用于介质为空气的船舶压缩空气管路系统。
2引用标准
CB569船用法兰连接尺寸和密封面
GB600船舶管路阀件通用技术条件
GB 2501船用法兰连接尺寸和密封面(四进位)
CB" 56管 子平肩螺纹接头
3产品分类
3.1分离器的型式规定如下:
A型一-法兰连接尺寸按GB 569的气水分离器;
AS型--- 法兰连接尺寸按GB 2501的气水分离器;
B型一法兰连接尺寸按GB569的自动排水气水分离器;
BS型-一法兰连接尺寸按GB 2501的自动排水气水分离器。
3.2分离器的基本參数按表1。
表1
4.2螺纹接头尺寸应符合 CB* 56的规定。
4.3法兰连接尺寸和密封面应符合GB569,GB2501的规定。
4.4 分离器应镀锌,锌层平均厚度不少于30 μm。
4.5分离器应标有介质流向的标记。
4.6 本体焊接后,应进行退火处理。
部分标准内容:
中华人民共和国船舶行业标准
CB/T357294
气水分离器
1994-02-01发布
中国船舶工业总公司发布
1994-08-01实施
中华人民共和国船舶行业标准
1主题内容与适用范围
CB/T3572-94
分类号:U55
代替CB'423—77
CB*3148-83
本标准规定了法兰连接尺寸按GB569.GB2501的气水分离器(以下简称分离器)的产品分类、技术要求、试验方法、检验规则、标志和包装。本标准适用于介质为空气的船舶压缩空气管路系统。2引用标准
CB569船用法兰连接尺寸和密封面GB600船舶管路阀件通用技术条件GB2501:船用法兰连接尺寸和密封面(四进位)CB'56管子平肩螺纹接头
3产品分类
3.1分离器的型式规定如下:
A型一—法兰连接尺寸按GB569的气水分离器;AS型-
一法兰连接尺寸按GB2501的气水分离器:B型-
一法兰连接尺寸按GB569的自动排水气水分离器:法兰连接尺寸按GB2501的自动排水气水分离器。BS型—
3.2分离器的基本参数按表 1。
工作压力。
A型、AS型
B型、BS型
3.3分离器的结构和基本尺寸
3.3.1A型的分离器结构和基本尺寸按图1和表2的规定。中国船舶工业总公司1994-02-01批准公称通径DN
1994-08-01实施
公称通径
结构尺寸
CB/T3572-94
法兰尺寸
370333253218
478338324
145107
155117
3.3.2AS型的分离器结构和基本尺寸按图1和表3的规定。表3
公称通径
结构尺寸
HHHeLD
法兰尺寸
1057558
370333253218695.51
140100
520478338324168
15011088
155125
连接螺纹
M27X×1.5
连接螺纹
M36×2
CB/T357294
3.3.3B型的分离器结构和基本尺寸按图2和表4的规定。图2
公称通径
66045595
830560140
结构尺寸
130230159
152345203
190152
法兰尺寸
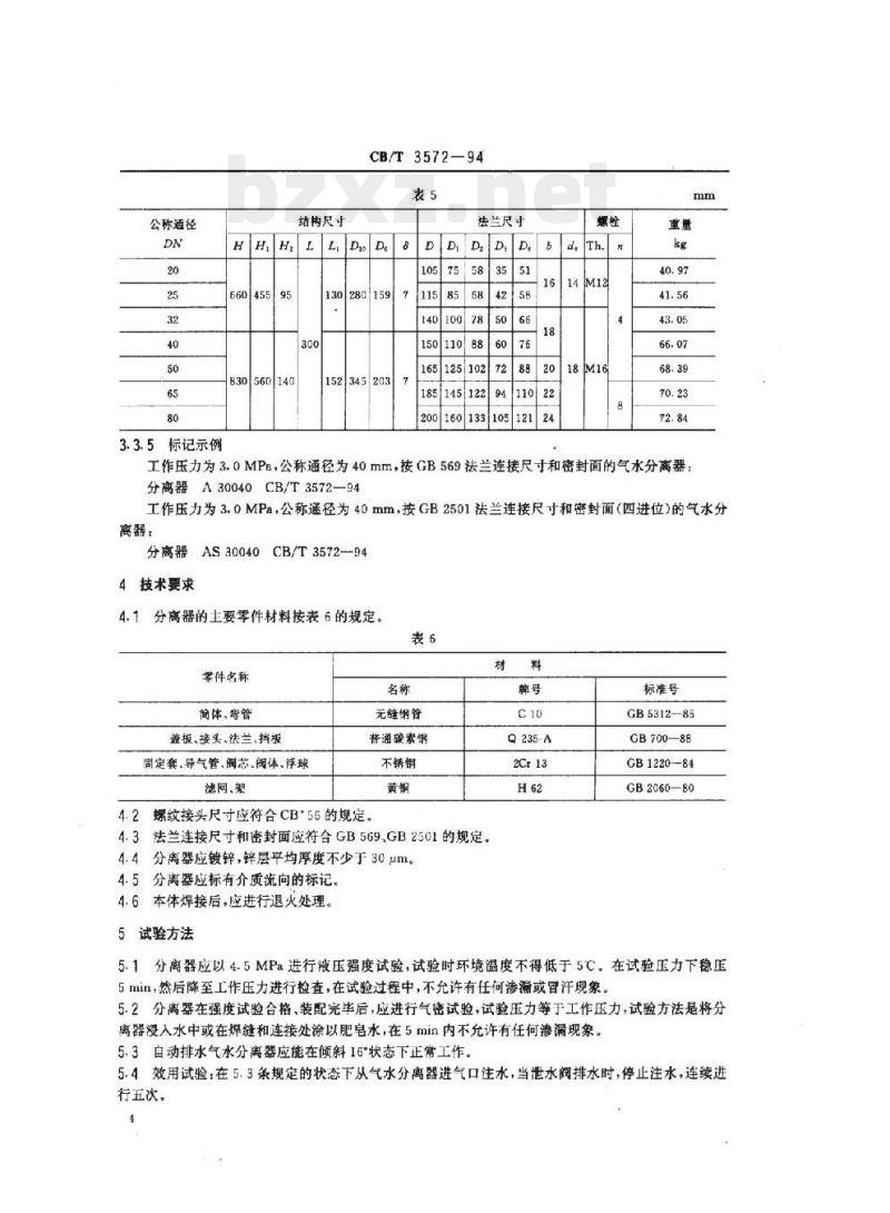
3.3.4BS型的分离器结构和基本尺寸按图2和表5的规定。D
公称通径
3.3.5标记示例
结构尺寸
CB/T3572—94
法兰尺寸
HHHLLDD8
66045595
830560140
130280159
152345203
14010078
15011088
125102
145122
200160133
105121
工作压力为3.0MPa,公称通径为40mm,按GB569法兰连接尺寸和密封面的气水分离器分离器A30040CB/T3572—94
工作压力为3.0MPa,公称通径为40mm,按GB2501法兰连接尺寸和密封面(四进位)的气水分离器:
分离器AS30040CB/T3572-94
4技术要求
4.1分离器的主要零件材料按表6的规定。表6
零件名称
简体,弯管
盖板、接头、法兰、挡板
周定套、导气管、阀芯、阀体、浮球滤网、架
无缝钢管
普通碳素钢
不锈钢
4.2螺纹接头尺寸应符合CB*56的规定。4.3法兰连接尺寸和密封面应符合GB569,GB2501的规定。4.4分离器应镀锌,锌层平均厚度不少于30μm。4.5分离器应标有介质流向的标记。4.6本体焊接后,应进行退火处理。5试验方法
Q235-A
标准号
GB5312—85
GB700—88
GB1220-84
GB2060—-80
5.1分离器应以4.5MPa进行液压强度试验,试验时环境温度不得低于5C。在试验压力下稳压5min,然后降至工作压力进行检查,在试验过程中,不允许有任何渗漏或宜汗现象,5.2分离器在强度试验合格、装配完毕后,应进行气密试验,试验压力等于工作压力,试验方法是将分离器浸入水中或在焊缝和连接处涂以肥皂水,在5min内不充许有任何渗漏现象。5.3自动排水气水分离器应能在倾斜16°状态下正常工作。5.4效用试验:在5.3条规定的状态下从气水分离器进气口注水,当泄水阅排水时,停止注水,连续进行五次。
6检验规则
CB/T3572-94
分离器的检验分出厂检验和型式检验。有下列情况之一时,应进行型式检验。新产品或老产品转厂生产的试制定型鉴定。a.
正式生产后,如结构、材料、工艺有较大改变,可能影响产品性能时。正常生产时,定期或积累一定产量后,应周期性进行一次检验。国家质量监督机构提出进行型式检验的要求时。d.Www.bzxZ.net
6.2型式检验和出厂检验的项目及要求应符合表7的规定。表?
材料的理化性能试验
外观检查
强度水压试验
密封性气密试验
效用试验
出厂检验
型式检验
气水分离器应按表7的1--4逐项检验合格后方可出厂6.3
7标志与包装
分离器应具有下列标志:
产品的名称;
产品的规格和标准号:
制造厂名称:
制造日期;
检查合格印章。
7.2经检查合格的分离器,在螺纹和法兰进出口端应封闭,并存放在于爆处。附加说明:
本标准由船用机械标准化技术委员会管系分技术委员会提出。本标准由中国船舶工业总公司603所归口。本标准由江南造船厂负责起草,大连船研所参加起草。本标准主要起草人罗梅珍、周德兴。本标准有统一施工图样提供。
符合4.1条规定
符合GB600规定
符合5.1条规定
符合5.2条规定
符合5.3及5.4条规定
小提示:此标准内容仅展示完整标准里的部分截取内容,若需要完整标准请到上方自行免费下载完整标准文档。
CB/T357294
气水分离器
1994-02-01发布
中国船舶工业总公司发布
1994-08-01实施
中华人民共和国船舶行业标准
1主题内容与适用范围
CB/T3572-94
分类号:U55
代替CB'423—77
CB*3148-83
本标准规定了法兰连接尺寸按GB569.GB2501的气水分离器(以下简称分离器)的产品分类、技术要求、试验方法、检验规则、标志和包装。本标准适用于介质为空气的船舶压缩空气管路系统。2引用标准
CB569船用法兰连接尺寸和密封面GB600船舶管路阀件通用技术条件GB2501:船用法兰连接尺寸和密封面(四进位)CB'56管子平肩螺纹接头
3产品分类
3.1分离器的型式规定如下:
A型一—法兰连接尺寸按GB569的气水分离器;AS型-
一法兰连接尺寸按GB2501的气水分离器:B型-
一法兰连接尺寸按GB569的自动排水气水分离器:法兰连接尺寸按GB2501的自动排水气水分离器。BS型—
3.2分离器的基本参数按表 1。
工作压力。
A型、AS型
B型、BS型
3.3分离器的结构和基本尺寸
3.3.1A型的分离器结构和基本尺寸按图1和表2的规定。中国船舶工业总公司1994-02-01批准公称通径DN
1994-08-01实施
公称通径
结构尺寸
CB/T3572-94
法兰尺寸
370333253218
478338324
145107
155117
3.3.2AS型的分离器结构和基本尺寸按图1和表3的规定。表3
公称通径
结构尺寸
HHHeLD
法兰尺寸
1057558
370333253218695.51
140100
520478338324168
15011088
155125
连接螺纹
M27X×1.5
连接螺纹
M36×2
CB/T357294
3.3.3B型的分离器结构和基本尺寸按图2和表4的规定。图2
公称通径
66045595
830560140
结构尺寸
130230159
152345203
190152
法兰尺寸
3.3.4BS型的分离器结构和基本尺寸按图2和表5的规定。D
公称通径
3.3.5标记示例
结构尺寸
CB/T3572—94
法兰尺寸
HHHLLDD8
66045595
830560140
130280159
152345203
14010078
15011088
125102
145122
200160133
105121
工作压力为3.0MPa,公称通径为40mm,按GB569法兰连接尺寸和密封面的气水分离器分离器A30040CB/T3572—94
工作压力为3.0MPa,公称通径为40mm,按GB2501法兰连接尺寸和密封面(四进位)的气水分离器:
分离器AS30040CB/T3572-94
4技术要求
4.1分离器的主要零件材料按表6的规定。表6
零件名称
简体,弯管
盖板、接头、法兰、挡板
周定套、导气管、阀芯、阀体、浮球滤网、架
无缝钢管
普通碳素钢
不锈钢
4.2螺纹接头尺寸应符合CB*56的规定。4.3法兰连接尺寸和密封面应符合GB569,GB2501的规定。4.4分离器应镀锌,锌层平均厚度不少于30μm。4.5分离器应标有介质流向的标记。4.6本体焊接后,应进行退火处理。5试验方法
Q235-A
标准号
GB5312—85
GB700—88
GB1220-84
GB2060—-80
5.1分离器应以4.5MPa进行液压强度试验,试验时环境温度不得低于5C。在试验压力下稳压5min,然后降至工作压力进行检查,在试验过程中,不允许有任何渗漏或宜汗现象,5.2分离器在强度试验合格、装配完毕后,应进行气密试验,试验压力等于工作压力,试验方法是将分离器浸入水中或在焊缝和连接处涂以肥皂水,在5min内不充许有任何渗漏现象。5.3自动排水气水分离器应能在倾斜16°状态下正常工作。5.4效用试验:在5.3条规定的状态下从气水分离器进气口注水,当泄水阅排水时,停止注水,连续进行五次。
6检验规则
CB/T3572-94
分离器的检验分出厂检验和型式检验。有下列情况之一时,应进行型式检验。新产品或老产品转厂生产的试制定型鉴定。a.
正式生产后,如结构、材料、工艺有较大改变,可能影响产品性能时。正常生产时,定期或积累一定产量后,应周期性进行一次检验。国家质量监督机构提出进行型式检验的要求时。d.Www.bzxZ.net
6.2型式检验和出厂检验的项目及要求应符合表7的规定。表?
材料的理化性能试验
外观检查
强度水压试验
密封性气密试验
效用试验
出厂检验
型式检验
气水分离器应按表7的1--4逐项检验合格后方可出厂6.3
7标志与包装
分离器应具有下列标志:
产品的名称;
产品的规格和标准号:
制造厂名称:
制造日期;
检查合格印章。
7.2经检查合格的分离器,在螺纹和法兰进出口端应封闭,并存放在于爆处。附加说明:
本标准由船用机械标准化技术委员会管系分技术委员会提出。本标准由中国船舶工业总公司603所归口。本标准由江南造船厂负责起草,大连船研所参加起草。本标准主要起草人罗梅珍、周德兴。本标准有统一施工图样提供。
符合4.1条规定
符合GB600规定
符合5.1条规定
符合5.2条规定
符合5.3及5.4条规定
小提示:此标准内容仅展示完整标准里的部分截取内容,若需要完整标准请到上方自行免费下载完整标准文档。
标准图片预览:





- 其它标准
- 热门标准
- CB船舶标准
- CB/Z280-2011 海船艏锚泊设计导则
- CB667-1968 铝质通风法兰
- CB/T4160-2011 锚修理技术要求
- CB/Z145-1977 船模阻力与推进试验资料卡格式
- CB/T3879-1999 船用混油装置技术条件
- CB/Z266-98 水面舰艇风浪稳性计算方法
- CB/T4154-2011 船用不锈钢管简选系列
- CB/T3380-2013 船用钢材焊接接头宏观组织及缺欠酸蚀试验方法
- CB/T3852.8-2008 船用照明灯具类型、参数和主要尺寸 第8部分:台灯
- CB/T4130-2011 液化石油气船用加热器
- CB888-1980 潜艇手术台
- CB/T3852.9-2008 船用照明灯具类型、参数和主要尺寸 第9部分:海图灯
- CB/T4405-2014 额定电压6kV Um7.2kV 至30kV Um36kV 船舶和近海设施变频传动用电力电缆
- CB/T3379-91 船用Z型推进装置修理技术要求
- CB/T4009-2005 J类法兰铸铁0.5 MPa止回阀
- 行业新闻
请牢记:“bzxz.net”即是“标准下载”四个汉字汉语拼音首字母与国际顶级域名“.net”的组合。 ©2025 标准下载网 www.bzxz.net 本站邮件:bzxznet@163.com
网站备案号:湘ICP备2025141790号-2
网站备案号:湘ICP备2025141790号-2