- 您的位置:
 - 标准下载网 >>
 - 标准分类 >>
 - 船舶行业标准(CB) >>
 - CB 589-95 带有安装板高压空气直角截止阀规范
 
标准号:
CB 589-95
标准名称:
带有安装板高压空气直角截止阀规范
标准类别:
船舶行业标准(CB)
标准状态:
现行出版语种:
简体中文下载格式:
.zip .pdf下载大小:
253.60 KB
点击下载
标准简介:
					CB 589-95.
1范围
1.1主题内容
CB 589规定了带有安装板的高压空气截止阕(以下简称截止阀)的要求,质量保证规定和交货准备。
1.2适用范围
CB 589适用于公称压力为20.0MPa、25.0MPa的压缩空气管路系统直角截止阀。
2引用文件
GB 600—91船舶管路阀件通用技术条件
GB 3032—89船舶管路附件的标志
CB 316—95高压空气管子螺纹接头规范
3要求
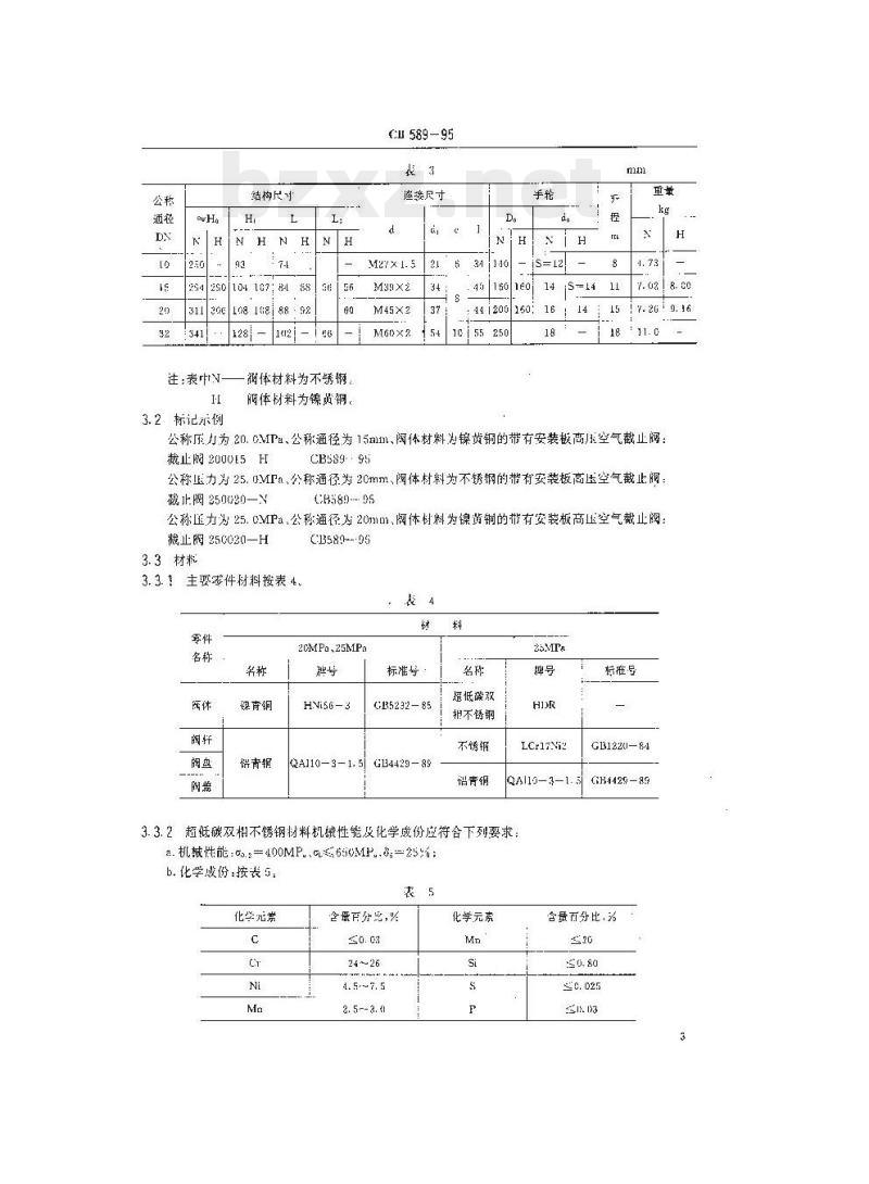
3.1 结构和规格尺寸
3.1.1 截止阀的基本参数按表1。
注;表中N—-一阀体材料为不锈钢。
H——阀体材料为镍黄铜。
3.2标记示例
公称压力为20.0MPa、公称通径为15mm,阀体材料为镍黄铜的带有安装板高压空气截止阀:截止阀200015—H CB589—-95
公称压力为25.0MPa,公称通径为20mm,阀体材料为不锈钢的带有安装板高压空气截止阀:截止阀250020—N CB589---95
公称压力为25.0MPa,公称通径为20mm,阀体材料为镍黄铜的带有安装板高压空气截止阀:截止阀250020—H CB589--95
3.3 材料
3.3.1 主要零件材料按表4。
部分标准内容:
					
					中国船舶工业总公司部标准
CB589—95
带有安装板高压空气直角
截止阀规范
1995—12—19发布
中国船舶工业总公司发布
199608--01实施
1范围
中国船舶工业总公司部标准
带有安装板高压空气直角截止阀规范CB589-95
分类号:U52
代替CB589-67
1.1主题内容
本规范规定了带有安装板的高压空么截正阀(以下简称截止阀>的要求、质虽保证规定和交货准备,1.2适用范围
本规范适用于公称压力为20.0MPa、25.0MPa的/缩空气管路系统直角截止阀、2引用文件
GB 6C0—91
GB3C32—89
CE 316—95
3要求
船舶管路闷件通用技术条件
骼舶管路附件的标志
高压空气管子螺纹接头规范
3.1结构和规格尺寸
3.1.1截止阀的其本参数按表1。表
公称压力PN
公称通径DN
3、1.2PN20.0MP截止闷的结构尺寸按图1及表2。中国船舶工业总公司1995:1219批准造分质
高玉空气
1996—08—01实施
公称通径
结构尺
CE 589-95
连接尺
M39×2
M45×2
M60×2
3.1.3PN25.0MPa截止阅的结构尺寸按图1及表3。21
d,为击式手轮
结尺寸
294250104 187: 84
10816888-92
311206
注:表
3.2标记示例
润体材料为不锈钢
阀体材料为镍黄铜。
C 589-95
连接尺寸
[150160
411200160
1Y. 2G 1 9. 16
公称压力为20.0MPa、公称通径为15mm、阀体材料为镍黄钢的带有安装板商压空气截止阀:截止阀2000E5H
CB589. : 95
公称正力为25.0MPa、公称通径为2Cmm、阅体材料为不锈钢的带有安装板高压空气截止间:截止阀25020—
CB589--- 05
公称压力为25.0MPa,公称通径为20mm.阀体材料为镍背铜的节有安装板商压空气截止阀裁止阀25G020—H此内容来自标准下载网
3.3材料
3. 3. 1主要零件材料按表 4.
镍育铜
铝青铜
C13589--·05
20MPa,25MPa
HNi56-3
标准号
GR5232-85
QA110-3-1.5 GB4429-89
超低磁双
排不锈钢
不锈钢
诏青铜
LCr17Ni2
标准号
GB122(1—84
QAI19-3-1. 3
GH4429-89
3.3.2超低碳双相不锈钢材料机裁性能及化学成份应符合下列要求:a.机械性能:60:=400MP..c≤650MP..8=25%:b.化学成份:按表5:
化学崇
含正分,%
24 ~-26
2. 5--3. 41
化学元素
含量百分比,%
≤c. 025
3.4性能
3.4.1螺纹接头尺寸按CB316。
CB 589-95
3.4.2截止阅的主要零件必须模锻或用型材制造。3.4.3截止阀阅休利阀盖--起用液压选行强度与材料紧密性试验,试验压力为1.5倍的公称压力,正力持续时间为lonmin应无渗漏。3.4.4截止阀应进行液压密均性试验,当截止间分别以波压为Pm=1.25FV,在阀盘下方加H,E力持续时问为10min,试验重复2次,关闭和打开时应无渗漏和润滑现象。3.4.5截止阀应进行/气穿封性试验:用气压Pm一PV,从阀癌下方加压,压力持续时问为10m1in,在截上闷关闭阀盘与阀座问应无泄蒲现象在减止阀打开时,阀盖与阀体、闷杆接合处应无泄漏现象。3.5外观
截止阅外表面应光活平整、不允许有毛刺,火渣,国坑等缺陷。4质量保证规定
4.1检森责任
截止阀拓制造厂技术检查部门负责检验,提交验收的截止阀必须符合木规范第3章和第5章的要求。
4.2试验方法
4.2.1截止阀应按GB60C的要求进行强度波压材料紧密性试验,应符合3.4.3条的规定。4.2.2截止阀应按GB600的要求、分划进行液正,气压密封性试验,应符合3.4.4条和3.4.5条的规定。
5交货准备
5.1包装
包装前.截止阀操纹部位应加护套。5.2装箱
截止阀出厂应有装箱,装箱单应注明下列内容:a.产品名称、标准代号:
b.公称压力、公称通径:
c.雄箱数量:
d.产品合格证号码。
5.3赔存
产品应放在干媒室内,不允许露犬存放。5.4标志
截止阀的标志按GB2032的要求,并应有图号、检验印和谢造厂标志。附加说明:
本规范由中国船帕T业总公司GO1院提出,木规范由中国船上业总公可武昌造船!归口。CB 58995
本规范由中国船舶工业总公司七〇四研究所起草。六三所参加起草本规范主要起草人:刘至诚。
本规范有统一施工图样提供。
计划预目代号932801。
小提示:此标准内容仅展示完整标准里的部分截取内容,若需要完整标准请到上方自行免费下载完整标准文档。
	 
	        
	      CB589—95
带有安装板高压空气直角
截止阀规范
1995—12—19发布
中国船舶工业总公司发布
199608--01实施
1范围
中国船舶工业总公司部标准
带有安装板高压空气直角截止阀规范CB589-95
分类号:U52
代替CB589-67
1.1主题内容
本规范规定了带有安装板的高压空么截正阀(以下简称截止阀>的要求、质虽保证规定和交货准备,1.2适用范围
本规范适用于公称压力为20.0MPa、25.0MPa的/缩空气管路系统直角截止阀、2引用文件
GB 6C0—91
GB3C32—89
CE 316—95
3要求
船舶管路闷件通用技术条件
骼舶管路附件的标志
高压空气管子螺纹接头规范
3.1结构和规格尺寸
3.1.1截止阀的其本参数按表1。表
公称压力PN
公称通径DN
3、1.2PN20.0MP截止闷的结构尺寸按图1及表2。中国船舶工业总公司1995:1219批准造分质
高玉空气
1996—08—01实施
公称通径
结构尺
CE 589-95
连接尺
M39×2
M45×2
M60×2
3.1.3PN25.0MPa截止阅的结构尺寸按图1及表3。21
d,为击式手轮
结尺寸
294250104 187: 84
10816888-92
311206
注:表
3.2标记示例
润体材料为不锈钢
阀体材料为镍黄铜。
C 589-95
连接尺寸
[150160
411200160
1Y. 2G 1 9. 16
公称压力为20.0MPa、公称通径为15mm、阀体材料为镍黄钢的带有安装板商压空气截止阀:截止阀2000E5H
CB589. : 95
公称正力为25.0MPa、公称通径为2Cmm、阅体材料为不锈钢的带有安装板高压空气截止间:截止阀25020—
CB589--- 05
公称压力为25.0MPa,公称通径为20mm.阀体材料为镍背铜的节有安装板商压空气截止阀裁止阀25G020—H此内容来自标准下载网
3.3材料
3. 3. 1主要零件材料按表 4.
镍育铜
铝青铜
C13589--·05
20MPa,25MPa
HNi56-3
标准号
GR5232-85
QA110-3-1.5 GB4429-89
超低磁双
排不锈钢
不锈钢
诏青铜
LCr17Ni2
标准号
GB122(1—84
QAI19-3-1. 3
GH4429-89
3.3.2超低碳双相不锈钢材料机裁性能及化学成份应符合下列要求:a.机械性能:60:=400MP..c≤650MP..8=25%:b.化学成份:按表5:
化学崇
含正分,%
24 ~-26
2. 5--3. 41
化学元素
含量百分比,%
≤c. 025
3.4性能
3.4.1螺纹接头尺寸按CB316。
CB 589-95
3.4.2截止阅的主要零件必须模锻或用型材制造。3.4.3截止阀阅休利阀盖--起用液压选行强度与材料紧密性试验,试验压力为1.5倍的公称压力,正力持续时间为lonmin应无渗漏。3.4.4截止阀应进行液压密均性试验,当截止间分别以波压为Pm=1.25FV,在阀盘下方加H,E力持续时问为10min,试验重复2次,关闭和打开时应无渗漏和润滑现象。3.4.5截止阀应进行/气穿封性试验:用气压Pm一PV,从阀癌下方加压,压力持续时问为10m1in,在截上闷关闭阀盘与阀座问应无泄蒲现象在减止阀打开时,阀盖与阀体、闷杆接合处应无泄漏现象。3.5外观
截止阅外表面应光活平整、不允许有毛刺,火渣,国坑等缺陷。4质量保证规定
4.1检森责任
截止阀拓制造厂技术检查部门负责检验,提交验收的截止阀必须符合木规范第3章和第5章的要求。
4.2试验方法
4.2.1截止阀应按GB60C的要求进行强度波压材料紧密性试验,应符合3.4.3条的规定。4.2.2截止阀应按GB600的要求、分划进行液正,气压密封性试验,应符合3.4.4条和3.4.5条的规定。
5交货准备
5.1包装
包装前.截止阀操纹部位应加护套。5.2装箱
截止阀出厂应有装箱,装箱单应注明下列内容:a.产品名称、标准代号:
b.公称压力、公称通径:
c.雄箱数量:
d.产品合格证号码。
5.3赔存
产品应放在干媒室内,不允许露犬存放。5.4标志
截止阀的标志按GB2032的要求,并应有图号、检验印和谢造厂标志。附加说明:
本规范由中国船帕T业总公司GO1院提出,木规范由中国船上业总公可武昌造船!归口。CB 58995
本规范由中国船舶工业总公司七〇四研究所起草。六三所参加起草本规范主要起草人:刘至诚。
本规范有统一施工图样提供。
计划预目代号932801。
小提示:此标准内容仅展示完整标准里的部分截取内容,若需要完整标准请到上方自行免费下载完整标准文档。
标准图片预览:





- 其它标准
 
- 热门标准
 - CB船舶标准
 
- CB/T1033-1999 船用油分浓度计
 - CB/T3799-1997 船舶液压系统修理清洗技术要求
 - CB/T4160-2011 锚修理技术要求
 - CB/T3924-2002 船用锅炉原材料入厂检验
 - CB/T4405-2014 额定电压6kV Um7.2kV 至30kV Um36kV 船舶和近海设施变频传动用电力电缆
 - CB/T3686-1995 电汽热水柜
 - CB/T3679-1995 船用往复式液压舵机修理技术要求
 - CB/T3921-2001 船用辅锅炉人孔装置
 - CB/T3668-1995 电刷镀镍、铜工艺技术要求
 - CB/T3752-1995 机械压力式燃烧器
 - CB/Z303-1978 长江客货船船模系列试验图谱
 - CB/T3837-1998 船舶用气囊上排、下水工艺要求
 - CB/T3955-2004 法兰不锈钢闸阀
 - CB/T47-1999 船用对焊钢法兰
 - CB/T19-2001 船用人孔盖
 
- 行业新闻
 
请牢记:“bzxz.net”即是“标准下载”四个汉字汉语拼音首字母与国际顶级域名“.net”的组合。 ©2025 标准下载网 www.bzxz.net 本站邮件:bzxznet@163.com
网站备案号:湘ICP备2025141790号-2
网站备案号:湘ICP备2025141790号-2