- 您的位置:
- 标准下载网 >>
- 标准分类 >>
- 轻工行业标准(QB) >>
- QB/T 1939—1994 电风扇用机械式定时器
标准号:
QB/T 1939—1994
标准名称:
电风扇用机械式定时器
标准类别:
轻工行业标准(QB)
标准状态:
现行出版语种:
简体中文下载格式:
.zip .pdf下载大小:
228.28 KB
点击下载
标准简介:
QB/T 1939—1994.
5.10耐强制返回能力的试验
将定时器主轴柄处于水平位置,引出线垂直向下安装固定,并连接在功率因数为0.9的额定负载试
验电路中。试验时定时器主轴柄以3次/min的均匀速度正反向转动,角度不小于120°。主轴柄经5000
次操怍(正反转算- - -次),每次操作时触点应接通、断开各一次。连续试验时间不大于5h。经上述试验
后,测其定时误差。结果应符合4.2.2条的要求。
5.11触点接通与分断能力试验
触点在功率因数为0.9.电压为额定值、电流为3倍额定值的负载电路中,经以2次/min的速度接
通与断开电路2次后,结果应符合4.2.3条的要求。
5.12噪声 测试
在背景噪声不大于30dB的条件下,将正常工作的定时器以主轴柄为水平位置放置,将声级计的传
声器置于定时器正前方30 cm处进行测量。结果应符合4. 2.4条的要求。
5.13绝缘电阻的测试
用电压等级为500 V的直流兆欧表测出以引出线为一极,主轴柄为另一极的电阻。结果应符合
4.3.3条的要求。
5.14电气强度的试验
以引出线为一-极,主轴柄为另--极,试验开始时,逐步施加电压至规定电压值的一半,然后迅速升高
至试验电压值,历时1min,结果应符合4.3.4条的要求。试验变压器容量应不小于0.5kV●A.试验装
置的过电流继电器接于高电压侧时,动作电流应整定为10mA;若过电流继电器接于低电压侧时,可按
其变比折算其动作电流。出厂允许采用试验电压值增至2 500 V(有效值)历时1 s的加速试验方法。
5.15耐湿热试验
将定时器放人温度为40士2C ,相对湿度为90%~95%的恒温恒湿箱中,连续放置48 h.在试验结
束前1h内,在试验箱内测量定时器的绝缘电阻及电气强度。结果应符合4.3.5条的要求。
5.16跌落 试验
将定时器故于试验板上,按主轴柄垂直向下和水平两个位置,从200mm的高度(以最低点计算,不
计引出线)自由跌落在水泥工作台面上各-次,结果应符合4. 2.5条的要求。
6检验规则
6.1 出厂检验
6.1.1出厂 检验按GB/T 2828的二次抽样方案进行。
.6.1.2 检验项目、不合格分类、合格质量水平(AQL)和检查水平(IL)见表3。
部分标准内容:
电风扇用机械式定时器
1主题内容与适用范围
QB/T1939
9—1994
本标推规定了电风扇用机械式定时器的产品分类、技术要求、试验方法、检验规则及标志、包装、运输、贮存。
本标准适用于以发条为动力源、作电风扇定时通断电源用的机械式定时器(以下简称“定时器\)。2引用标准
GB/T2828逐批检查计数抽样程序及抽样表(适用于连续批的检查)GB/T2829周期检查计数抽样程序及抽样表(适用于生产过程稳定性的检查)QB/T1538计时仪器产品代号编写规定表、钟、定时器代号表示方法3产品分类
3.1产品分类
3.1.1产品代号按QB/T1538中第4.3条规定。3.1.2定时器按定时范围分为三种规格,见表1表1
3.2触点额定值
额定电压
额定频率50Hz
额定电流1A。
定时范围
3.3外形尺寸和安装尺寸bzxz.net
定时器的外形尺寸及安装尺寸应符合图1规定,主轴中心位于两安装孔中心线中点。图1a及图1b中主轴柄均处于常通极限位置。注:外形尺寸和安装尺寸如有特殊要求,可由供需双方商定。中华人民共和国轻工业部1994-04-23批准1994-12-01实施
定时极限位量
QB/T1939
- 6_α o5
常通极限位置
270°±5
图la主轴柄铣扁式
斯开位置
3.4上条方向
定时摄限位量
定时器上条方向为顺时针方向。4技术要求
4.1一般性能要求
4.1.1外观质量
QB/T1939--1994
常理损限位置
图1b主轴柄插销式
断开位量
金属零件表面应无明显锈斑。塑料制件表面应光滑,色泽均匀,不得有裂纹和影使用的变形及凹缩。不得采用硝化纤维类的易燃材料制作零件。4.1.2引出线
引出线焊接应牢固,每根引出线应采用多股锅芯绝缘软线,其公称截面积不小于0.3mm,在15N的力拉引下,历时15,不拉断、脱落,绝缘层应完好。塑压焊片不应有松动现象。4.1.3定时误差
QB/T 1939--1994
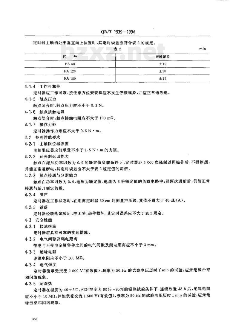
定时器主轴柄处于垂直向上位置时,其定时误差应符合表2的规定,表2
4.1.4工作可靠性
定时误差
定时器应工作可靠,按任意方位安装都应不发生停摆现象,并应正常通断电。4.1.5触点压力
触点闭合时,触点压力应不小于0.3N。4.1.6触点接触电阻
触点闭合时,触点接触电阻应不大于100m。4.1.7操作力矩
定时器操作力矩应不大于0.6N·m。4.2特殊性能要求
4.2.1主轴限位器强度
主轴限位器应能承受不小于1.5N·m的力矩。4.2.2耐强制返回能力
触点在施加功率因数为0.9的额定值负载条件下,定时器经5000次强制返回操作后,不得停摆,并能正常通断电,其定时误差应不大于表2规定值的两倍。4.2.3触点接通与分断能力
融点在功率因数为0.9,电压为额定值,电流为3倍额定值的负载电路中,经两次通断后,仍能正常接通与断开额定负载。
4.2.4噪声
定时器在工作状态时,在距离定时器30cm处测量声压级,其值不得大于40dB(A)。4.2.5跌落
定时器经跌落试验后,应无零、部件损坏,其定时误差应不大于表2规定。4.3安全性能
4.3.1接地措施
定时器应具有可靠的接地措施。4.3.2电气间隙及爬电距离
带电与不带电金属零件之间的电气间隙及爬电距离应不小于3mm。4.3.3绝缘电阻
绝缘电阻应不小于100M2。
4.3.4电气强度
定时器能承受交流2000V(有效值),频率为50Hz的试验电压历时1min的试验,应无绝缘击穿和闪络现象。
4.3.5耐湿热
定时器在温度为40士2℃,相对湿度为90%~95%的湿热试验条件下,连续放置48h后,绝缘电阻应不小于10MQ,并能承受交流1500V(有效值),频率为50Hz的试验电压历时1min的试验,应无绝缘击穿和闪络现象。
TKAKAca
5试验方法
5.1环境条件
QB/T 1939-1994
除特别规定外,试验应在温度为15~35C,相对湿度为45%~75%的室内进行。5.2试验用仪表及量具的精度
5.2.1用于型式检验的电工仪表的精度:兆欧表不低于1.0级,其余不低于0.5级。用于测量触点接触电阻的毫伏表其阻抗不小于1kn。5.2.2测量尺寸用的通用量具,其精度等级应不低于2级,5.2.3测量走时误差的计时仪器的日差应不大于士1min/d,并具有秒刻度。5.2.4测量触点压力的测力计,其精度应不低于4级,测量范围为0~0.5N。5.2.5测量电气间隙与爬电距离用的专用量具误差不大于士0.02mm。5.2.6噪声用1型精密声级计测量,其固有误差不大于士0.7dB。5.3外观尺寸及外观质量的检测
本标准3.3,3.4,4.1.1,4.1.2,4.3.1和4.3.2条用正常视力观察及有关量具进行测量。5.4定时误差的测试
将定时器装在测试台上,主轴柄处于竖直向上位置,上条至定时极限位置后让其自然返回(上条时间不大于1s),测量并记录其定时误差。结果应符合4.1.3条表2的要求。5.5工作可靠性的试验
将定时器分别按主轴柄垂直向上、水平两个位置,放置在测试台上,触点串接在有通断显示的电路中,满程各测试一次,结果应符合4.1.4条的要求。5.6触点压力的测试
定时器触点处于闭合状态,触点串接在有通断显示的电路中,用测力计测量触点压力两次。结果应符合4.1.5条的要求。
5.7触点接触电阻的测试
将定时器触点处于闭合状态,用伏安法测量触点之间的接触电阻,取其三次读数的平均值。结果应符合4.1.6条的要求。
试程序如下:
按图2接线;
b.调整电流使之保持为1A;
毫伏表接在定时器两引出线焊接处,读出电压值。测试时应注意防止由于测试装置的接触电阻c
及连接导线电阻对被测值的影响。直流稳压电源
定时器触点
5.8操作力矩的测试
测试前将主轴柄按满程预转2饮,然后从触点断开位置开始,测量正方向主轴柄的操作力矩,再从定时极限位置开始,测量反方向主轴柄的操作力矩。结果应符合4.1.?条的要求。5.9主轴限位器强度的试验
QB/T 1939—1994
将定时器按主轴柄为水平位置固定在支架上,先将主轴柄旋至任一极限位置,然后给主轴柄施加1.5N·m的力矩,历时15S后,再反向按上述方法进行一次,观察主轴限位器不应有永久变形及摄坏。5.10耐强制返回能力的试验
将定时器主轴柄处于水平位置,引出线垂直向下安装固定,并连接在功率因数为0.9的额定负载试验电路中。试验时定时器主轴柄以3次/min的均匀速度正反向转动,角度不小于120°。主轴柄经5000次操作(正反转算一次),每次操作时触点应接通、断开各一次。连续试验时间不大于5h。经上述试验后,测其定时误差。结果应符合4.2.2条的要求。5.11触点接通与分断能力试验
触点在功率因数为0.9.电压为额定值、电流为3倍额定值的负载电路中,经以2次/min的速度接通与断开电路2次后,结果应符合4.2.3条的要求。5.12噪声测试
在背景噪声不大于30dB的条件下,将正常工作的定时器以主轴柄为水平位置放置,将声级计的传声器置于定时器正前方30cm处进行测量。结果应符合4.2.4条的要求。5.13绝缘电阻的测试
用电压等级为500V的直流兆欧表测出以引出线为一极,主轴柄为另一极的电阻。结果应符合4.3.3条的要求。
5.14电气强度的试验
以引出线为一极,主轴柄为另一极,试验开始时,逐步施加电压至规定电压值的一半,然后迅速升高至试验电压值,历时1min,结果应符合4.3.4条的要求。试验变压器容量应不小于0.5kV·A。试验装置的过电流继电器接于高电压侧时,动作电流应整定为10mA,若过电流继电器接于低电压侧时,可按其变比折算其动作电流。出厂充许采用试验电压值增至2500V(有效值)历时1s的加速试验方法。5.15耐湿热试验
将定时器放人温度为40土2℃,相对湿度为90%~~95%的恒温恒湿箱中,连续放置48h。在试验结束前1h内,在试验箱内测量定时器的绝缘电阻及电气强度。结果应符合4.3.5条的要求。5.16跌落试验
将定时器放于试验板上,按主轴柄垂直向下和水平两个位置,从200mm的高度(以最低点计算,不计引出线)自由跌落在水泥工作台面上各一次,结果应符合4.2.5条的要求。6检验规则
6.1出厂检验
6.1.1出厂检验按GB/T2828的二次抽样方案进行。6.1.2检验项目、不合格分类、合格质量水平(AQL)和检查水平(IL)见表3。表3
不合格分类
检验项目
工作可靠性
引出线
触点压力
定时误差
外观质量
主要外形尺寸和安装尺寸
6.1.3批的组成、批量由供需双方商定。338
对应条款
TKAKAca
QB/T 1939—1994
6.1.4检查严格度按GB/T2828第4.6条规定。6.1.5根据上述6.1.2~~6.1.4条确定的各项,按GB/T2828第4.8条的规定检索抽样方案、确定样本大小和判定数组。
6.1.6对样本进行检查后,出厂检验合格与不合格的判断,按GB/T2828第4.11条的规定进行。6.1.7检查后的处置按GB/T2828第4.12条规定执行。6.1.8在出厂检验中对绝缘电阻、电气强度、电气间隙及爬电距离和可靠接地措施四项安全要求,采用抽查方法,用一次抽样,合格判定数为零。抽查的样本大小由供需双方商定,对抽查的样本进行四项检验必须全部合格,如有一个样本一项不合格则判出厂检验不合格。对不合格的项目允许生产方采取措施改进后再进行抽查直至合格为止。6.2型式检验
6.2.1型式检验按GB/T2829的规定进行。6.2.2
采用判别水平(DL)1和一次抽样方案。6.2.3
检验项目、不合格分类、样本大小及不合格质量水平(RQL)见表4。表4
不合格
捡验项目
工作可靠性(包括定时误差测中停摆)触点压力
触点接触电阻
引出线
主要外形尺寸、安装尺寸及上条方向外观质量
定时误差
操作力矩
主轴限位器强度
耐强制返回
触点接通与分断能力
对应条款
根据上述6.2.2和6.2.3条确定的各项,查GB/T2829表2检索抽样方案,结果见表4。6.2.4
型式检验的样本应从出厂检验合格的某个批或若干批中随机抽取。6.2.5型
对样本进行检查后型式检验合格与不合格的判断按GB/T2829第4.11条的规定执行。6.2.6
型式检验后的处置按GB/T2829第4.12条规定执行。6.2.7
型式捡验的周期一般为一年一次。发现下列情况之一时,应进行型式检验:6.2.8
新产品或老产品转厂生产的试制定型鉴定:正式生产后,如结构、材料、工艺有较大改变,可能影响产品性能时;正常生产时,定期或积累一定产量后,应周期性进行一次检验;产品长期停产后,恢复生产时:出厂检验结果与上次型式检验有较大差异时;国家质量监督机构提出进行型式检验要求时。R
QB/T1939—1994
6.2.9型式检验的抽样方案类型也可由检验部门与生产厂商定。6.2.10型式检验中电气间隙及爬电距离、绝缘电阻、电气强度、耐热及可靠接地措施五项安全要求采用抽查方法,用一次抽样,合格判定数为零。抽查的样本大小由供需双方商定。对抽查的样本进行五项检验必须全部合格,如有一个样本一项不合格则判型式检验不合格。对不合格的项目允许生产方采取措施,改进后再进行抽查直至合格为止。7标志、包装、运输、贮存
7.1每只定时器应在明显的位置标有以下永久性标志:a.产品代号(包括企业代号或企业名称以及产品基本型号);b、额定电压、额定电流值。
7.2出厂的定时器应有完整的,且有一定的防湿、防震能力的包装。包装箱外应印刷有产品名称、产品标准代号、产品基本型号、数量、制造厂名、发货日期以及“小心轻放”“怕湿”等标志或文字。包装箱内应有产品质量合格证,其内容包括产品的名称、产品的基本型号、制造厂名称、检验员代号、检验日期等内容。7.3出口产品的标志和包装要求由供需双方商定。7.4产品在运输过程中应小心轻放,避免雨淋,受潮和挤压。7.5定时器应贮存在温度为10~十40℃、相对湿度不大于75%.无腐蚀性气体、通风干燥的室内。附加说明:
本标准由轻工业部质量标准司提出。本标准由全国钟表标准化中心归口。本标准由汕头钟厂负责起草,上海手表七厂、广州钟厂参加起草。本标推主要起草人陈德祯、李惠珍、周辉宣、汪国平、包琳玲、李正中、丁惠群、吕小琳。本标准于1983年首次发布。
本标准1993年第一次修订。
小提示:此标准内容仅展示完整标准里的部分截取内容,若需要完整标准请到上方自行免费下载完整标准文档。
标准图片预览:





- 其它标准
- 上一篇: QB/T 1940-1994 饲料酵母
- 下一篇: QB/T 1938—1994 松软纸厚度的测定法
- 热门标准
- QB轻工标准
- QB/T5247-2018 箱包配件塑料插扣耐 用性能试验方法
- QB/T2856-2007 毛革服装
- QB/T2425-1998 封箱用再湿性牛皮纸胶粘带
- QB/T3520-1999 500kV油纸套管绝缘纸
- QB2584-2003 蒸汽淋浴房
- QB/T2591-2003 抗菌塑料-抗菌性能试验方法和抗菌效果
- QB/T1439-2005 帐册
- QB/T1584-2005 日用皮手套
- QB/T1756-1993 造纸机械湍流式中浓度浆泵
- QB/T1782-1993 苯乙醇
- QB/T1664-1998 纸板戳穿强度测定仪
- QB/T1702.2-1993 括板升运机
- QB/T2501-2000 重力式自动装料衡器
- QB/T2161-1995 儿童推车整车通用技术条件
- QB/T3510-1999 Y311条粗条干仪用记录纸
- 行业新闻
网站备案号:湘ICP备2025141790号-2