- 您的位置:
- 标准下载网 >>
- 标准分类 >>
- 轻工行业标准(QB) >>
- QB/T 1922-1993 理发推剪
标准号:
QB/T 1922-1993
标准名称:
理发推剪
标准类别:
轻工行业标准(QB)
标准状态:
现行出版语种:
简体中文下载格式:
.zip .pdf下载大小:
176.03 KB
相关标签:
理发
点击下载
标准简介:
QB/T 1922-1993.
4.9标志
产品上必须标明厂`名或商标,应清晰完整。
4.10外观
4.10.1 上、下刀片齿应相对整齐,反向目测上刀片可略有露刃不大于3齿。上刀片齿尖不超过下刀片三.角根部平面。
4.10.2下刀片齿尖应圆滑,无毛刺,螺钉平服不拉发。
4.10.3 下刀片背槽应垂直清晰,齿距均匀,表面无明显斑疤等缺陷。
4.10.4把手表面应无明显砂眼﹑斑痕,毛刺等缺陷。
5试验方法
5.1硬度试验
碳钢、不锈钢刀片采用洛氏硬度计测试,载荷为150kg ,渗碳钢刀片采用维氏硬度计测试,载荷为1kg,测试部位均为刀片空当近齿部取左右二点。
5.2金相组织试验
采用金相显微镜测定,测试部位为刀片齿根部位的横截面,马氏体级别参照《工具钢图谐》评定。
5- 3 锋利度试验
将32支棉纱4根在每齿间和齿根部位作往复剪轧,速度与理发时基本相似。
5.4轻松度试验
用弹簧测力计测定,测定部位为弹簧柱至尾端6Omm处。
5-5表面粗糙度
采用符合GB/T 6062规定的表面粗糙度测量仪或粗糙度样板对照﹐用测量仪仲裁。
5.6把手强度试验
用弹簧测力计测定,测定部位为弹簧柱至尾端60mm处,加载时间为2s。
5.7镀层耐腐蚀试验
按GB 5938试验,按GB 5944评价。
5-8其他试验
外观及其他要求均采用相应精度的游标卡尺、直尺,塞尺检测或视检。
6检验规则
6.1产品必须经制造厂"检验部门检验合格方可出厂。
6.2产品检验分为出厂检验和型式检验,均采用每百单位不合格品数计算。
6.3出厂检验按GB/T 2828的规定进行,采用正常检查--次抽样方案。
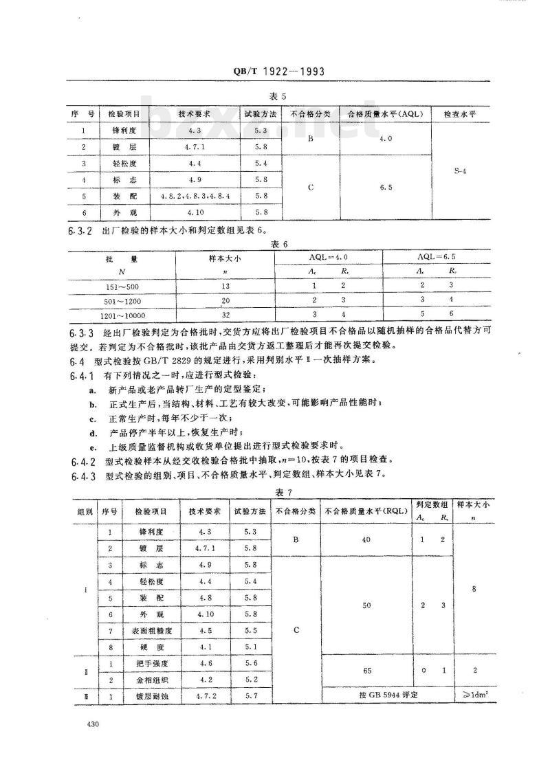
6. 3.1出厂检验的项目、不合格分类、合格质量水平,检查水平见表5。
部分标准内容:
主题内容与适用范围
发推剪
QB/T 1922
—1993
本标准规定了理发推剪的产品分类、技术要求、试验方法、检验规则及标志、包装、运输、贮存等内容。
本标准适用于理发及类似用途的理发推剪。2引用标准
GB/T2828逐批检查计数抽样程序及抽样表(适用于连续批的检查)周期检查计数抽样程序及抽样表(适用于生产过程稳定性的检查)GB/T 2829
GB 5938
轻工产品金属镀层和化学处理层的耐腐蚀试验方法中性盐雾试验(NSS)法轻工产品金属镀层腐蚀试验结果的评价GB5944
GB/T6062轮廓法触针式表面粗糙度测量仪轮廓记录仪及中线制轮计钢件渗碳淬火有效硬化层深度的测定和校核GB/T 9450
3产品分类
3.1理发推剪按型式可分为:
3.1.1中式理发推剪,用汉语拼音乙表示。3.1.2西式理发推剪,用汉语拼音X表示。3.2理发推剪典型结构(见图1)
中式理发推剪
西式理发推剪
1—小把手:2-大把手;3—弹簧;4-螺钉;5—螺母;6下刀片:7—垫圈;8—上刀片:9—暗弹簧中华人民共和国轻工业部1994-01-06批准1994-08-01卖施
3.3产品型号命名
4技术要求
4.1硬度
刀片硬度应符合表1规定。
瀚碳钢
4.2金棚组织
QB/T 1922. 1993
规格号(下刀片齿数表示)
型式(中武代号Z、西式代号X)
理发工具
值HRC
万片金相组织及渗碳层深度应符合表2规定。表2
不锈钢
渗碳钢
锋利度
回火马氏体粒获磁化物,马氏体4缓魔状针回灰马氏体十粒获碳化物舞齿间均能剪断32支棉纱4根,但齿根可路有带毛。4.4轻松度
理发推剪开合树应轻松灵活,合拢树所需静医力应符合表3规庭。表3
发推剪
理发推剪(明弹)
理发推剪(暗弹簧)
4.5表粗糙度
下刀背槽表面粗糙度为R.0.8m上下万片的其他表面粗糙度为R1.6m。4.6批手强度
4.6.1铸铁把手受静压力147N时应不折断。4.6.2锌合金把手静压力98N谢变形量不大于6m度
4.7镀层
4.7、1把手表面镀层应色泽一致光燕,无密黛的麻点、纹、泛点、燃焦、剃落、露底发明显的擦毛现象。电镀把手本性盐水喷雾试验,基体腐蚀不小子5级。4.7.2
4.8装配
QB/T1922--1993
4.8.1定位梁与定位槽配合间隙不大于0.12mm。4.8.2上刀片不动时,小把手空摆动距离不大于3mm。4.8.3自然平放,下刀片两边齿尖垂直高度差应不大于3mm。4.8.4把手开档部位内最大宽度应符合表4规定。表4
FTZ型
理发推剪
FTX型
4.9标志
理发推剪
产品上必须标明厂名或商标,应清晰完整。宽
4.10外观
4.10.1上、下刀片齿应相对整齐,反向目测上刀片可略有露刃不大于3齿。上刀片齿尖不超过下刀片角根部平面。
4.10.2下刀片齿尖应圆滑,无毛刺,螺钉平服不拉发。4.10.3下刀片背槽应垂直清晰,齿距均匀,表面无明显斑疤等缺陷。4.10.4把手表面应无明显砂眼、斑痕、毛刺等缺陷。5试验方法
5.1硬度试验
碳钢、不锈钢刀片采用洛氏硬度计测试,载荷为150kg,渗碳钢刀片采用维氏硬度计测试,载荷为1kg,测试部位均为刀片空当近齿部取左右二点。5.2金相组织试验
采用金相显微镜测定,测试部位为刀片齿根部位的横截面,马氏体级别参照《工具钢图谱》评定。5.3锋利度试验
将32支棉纱4根在每齿间和齿根部位作往复剪轧,速度与理发时基本相似。5.4轻松度试验
用弹簧测力计测定,测定部位为弹簧柱至尾端60mm处。5.5表面粗糙度
采用符合GB/T6062规定的表面粗糙度测量仪或粗糙度样板对照,用测仪仲裁。5.6把手强度试验
用弹簧测力计测定,测定部位为弹簧柱至尾端60mm处,加载时间为2s。5.7镀层耐腐蚀试验
按GB5938试验,按GB5944评价。5.8其他试验
外观及其他要求均采用相应精度的游标卡尺、直尺、塞尺检测或视检。6检验规则
6.1产品必须经制造厂检验部门检验合格方可出厂。6.2产品检验分为出厂检验和型式检验,均采用每百单位不合格品数计算。6.3出厂检验按GB/T2828的规定进行,采用正常检查-一次抽样方案。6.3.1出厂检验的项用、不合格分类、合格质量水平、检查水平见表5。429
检验项目
锋利度
轻松度
技术要求
基,4
QB/T19221993
试验方法
4.8. 2,4.8.3,4. 8. 4
出厂检验的样本大小和判定数组见表6。不合格分类
151~500
501~1200
1201~10000
样本大小
合格质量水平(AQ表)
检查水平
经出厂检验判定为合格批时,交货方应将出厂检验项目不合格品以随机抽样的合格品代替方可6.3.3
提交。若判定为不合格批时,该批产品由交货方返工整理后才能再次提交检验。6.4型式检验按GB/T2829的规定进行,采用判别水平1一次抽样方案。6.4.1有下列情况之时,应进行型式检验:a.
新产品或老产品转厂生产的定型鉴定;正式生产后,当结构、材料、工艺有较大改变,可能影响产品性能时;正常生产时,每年不少于一次;产品停产半年以上,恢复生产时,上级质量监督机构或收货单位提出进行型式检验要求时。型式检验样本从经交收检验合格批中抽取,n10,按表7的项目检查。6.4.2
型式检验的组别、项目、不合格质量水平、判定数组、样本大小见表7。6.4.3
检验项目
锋利度
轻松度
表面粗糖度
把手强度
金机纽织
镀层蚀
技术要求
试验方法
不合格分类
不合格质量水平(RQL)
判定数组样本大小
按GB5944评定
QB/T 1922-1993
6.4.4经型式检验被判为不合格,在下列情况之一时,并征得上级主管质量部门的许可,可重新进行型式检验。
因试验设备故障或操作错误而影响检验结果时;因受检企业提出复验要求时;
c.企业采取必要的纠正措施时。7标志、包装、运输、贮存
7.1标志
7.1.1产品标志应符合4.9条规定。7.1.2内包装盒上应标明产品名称、规格型号、商标、制造厂名。7.2包装
7.2.1内包装盒内应附有使用说明书和合格证及标明标准号,合格证上应注明检验员工号、制造日期。7.2.2外包装箱内应衬防潮纸,箱外注明产品名称、规格型号、货号、数量、重量、体积、出厂日期、制造厂名及相应的贮运标记。
7.3运输wwW.bzxz.Net
在运输过程中,严禁雨淋和剧烈碰撞。7.4贮存
产品应贮存在通风干燥,相对湿度小于80%仓库中,箱体应距地面200mm以上,周围应无腐蚀性化学物品。
7.5在符合7.3和7.4条规定的条件下,自出厂日起,产品贮存保质期为一年。附加说明:
本标准由轻工业部质量标准司提出。本标准由全国日用五金标准化中心归口。本标准由上海新中华刀剪厂、广州理发器具厂负责起草。本标准主要起草人李浩新、届倩儿、潘禧祥、蔡彦亮。自本标准实施之日起,原轻工业部部标准SG92--1981《理发推剪》作废。431
小提示:此标准内容仅展示完整标准里的部分截取内容,若需要完整标准请到上方自行免费下载完整标准文档。
标准图片预览:





- 其它标准
- 上一篇: QB/T 1923—1993 理发刀
- 下一篇: QB/T 1893-1993 自行车支架
- 热门标准
- QB轻工标准
- QB/T5302-2018 生活用干纸巾流延聚乙烯(CPE) 包装膜
- QB/T1334-2013 水嘴通用技术条件
- QB/T2609-2003 工业缝纫机漏油的测试方法 第1部分:平缝纫机漏油的测试方法
- QB/T2049.5-1994 电光源玻壳K型玻壳尺寸系列
- QB1872-1993 服装用皮革
- QB/T2858-2007 学生书袋
- QB/T2816-2006 工业用缝纫机单(双)针下送料立柱式平缝机机头
- QB/T5302-2018 生活用干纸巾流延聚乙烯(CPE) 包装膜
- QB/T4702-2014 稀土厚膜电路电热元件
- QB/T2530-2001 木制柜
- QB/T1683-1993 铝硅镁质匣钵
- QB/T2494-2000 双面胶带原纸
- QB/T2157-1995 制革用揩光浆、颜料膏测试方法
- QB/T4916-2016 伊代欣糖(浆)
- QB/T2384-1998 木制写字桌
- 行业新闻
网站备案号:湘ICP备2025141790号-2