- 您的位置:
- 标准下载网 >>
- 标准分类 >>
- 国家标准(GB) >>
- GB/T 42065-2022绿色产品评价 厨卫五金产品
标准号:
GB/T 42065-2022
标准名称:
绿色产品评价 厨卫五金产品
标准类别:
国家标准(GB)
英文名称:
Green product assessment—Kitchen and sanitary ware fittings标准状态:
现行-
发布日期:
2022-10-12 -
实施日期:
2023-05-01 出版语种:
简体中文下载格式:
.pdf .zip下载大小:
2.58 MB
标准ICS号:
建筑材料和建筑物>>建筑物中的设施>>91.140.70卫生设备中标分类号:
轻工、文化与生活用品>>五金制品>>Y71建筑五金
起草人:
林晓伟、柳润峰、林翎、朱艺、陈良权、廖荣华、郑雪珍、邵佳佳、丁爽、袁涵、许建平、严云方、林海林、丁伟刚、黄秋琼、李勇、张朝辉、管鸿升、杨志雄、颜伟国、骆琦、郑声顺、梁德福、翟光洪、何鑫、郭颖云起草单位:
九牧厨卫股份有限公司、中国五金制品协会、中国标准化研究院、厦门卓标厨卫技术服务有限公司、路达(厦门)工业有限公司、宁波埃美柯铜阀门有限公司、宣城市德思电子电器有限公司、广东金凯达实业有限公司、浙江达柏林阀门有限公司、广州蒙娜丽莎卫浴股份有限公司等归口单位:
全国五金制品标准化技术委员会(SAC/TC 174)提出单位:
中国轻工业联合会发布部门:
国家市场监督管理总局 国家标准化管理委员会主管部门:
全国五金制品标准化技术委员会(SAC/TC 174)相关标签:
绿色 产品 评价 厨卫 五金产品
部分标准内容:
ICS91.140.70
CCSY71
中华人民共和国国家标准
GB/T42065-—2022
绿色产品评价
厨卫五金产品
Green product assessment-Kitchen and sanitary ware fittings2022-10-12发布
国家市场监督管理总局
国家标准化管理委员会
2023-05-01实施
GB/T42065-—2022
本文件按照GB/T1.1一2020《标准化工作导则第1部分:标准化文件的结构和起草规则>的规定起草。
请注意本文件的某些内容可能涉及专利。本文件的发布机构不承担识别专利的责任本文件由中国轻工业联合会提出。本文件由全国五金制品标准化技术委员会(SAC/TC174)归口。本文件起草单位:九牧厨卫股份有限公司、中国五金制品协会、中国标准化研究院、厦门卓标厨卫技术服务有限公司、路达(厦门)工业有限公司、宁波埃美柯铜阀门有限公司、宣城市德思电子电器有限公司、广东金凯达实业有限公司、浙江达柏林阀门有限公司、广州蒙娜丽莎卫浴股份有限公司、福建省小牧优品科技有限公司、福建省产品质量检验研究院、温州鸿升集团有限公司、佛山市质量计量监督检测中心、土海建科检验有限公司、浙江省轻工业品质量检验研究院、厦门全新顺新材料科技有限公司、江门市浩睿工程设计有限公司、江苏威诺检测技术有限公司本文件主要起草人:林晓伟、柳润峰、林翎、朱艺、陈良权、廖荣华、郑雪珍、邵佳佳、丁爽、袁涵、许建平、严云方、林海林、丁伟刚、黄秋琼、李勇、张朝辉、管鸿升、杨志雄、颜伟国、骆琦、郑声顺、梁德福、翟光洪、何鑫、郭颖云。
1范围
绿色产品评价
厨卫五金产品
本文件规定了厨卫五金绿色产品的评价要求和评价方法。GB/T42065—2022
本文件适用于厨卫五金绿色产品评价·包括水嘴、角阀、淋浴器、不锈钢水槽、地漏、软管等厨卫五金产品,
规范性引用文件
下列文件中的内容通过文中的规范性引用而构成本文件必不可少的条款,其中,注日期的引用文件·仅该日期对应的版本适用于本文件:不注日期的引用文件.其最新版本(包括所有的修改单)适用于本文件。
GB4806.10
食品安全国家标准
食品接触用金属材料及制品
食品安全国家标准
食品接触用涂料及涂层
GB/T10125
GB18145
人造气氛腐蚀试验盐雾试验
陶瓷片密封水嘴
GB/T19001
GB/T23447
GB/T23448
GB/T23986
GB/T24001
GB25501
质量管理体系
卫生洁具淋浴用花酒
卫生洁具
挥发性有机化合物(VOC)含量的测定色漆和清漆
气相色谱法
环境管理体系要求及使用指南
水嘴水效限定值及水效等级
GB/T27710
GB28378
淋浴器水效限定值及水效等级
GB/T33000
GB/T33733
GB/T45001
JC/T932
企业安全生产标准化基本规范
厨卫五金产品术语与分类
职业健康安全管理体系
要求及使用指南
卫生洁具排水配件
QB/T1334
QB/T2806
QB/T5003
QB/T5281
QB/T5418
QB/T5420
QB/T5525
术语和定义
水嘴通用技术条件
温控水嘴
触控式水嘴
数显花酒
恒温淋浴器
饮用水系统组件铅含量限值及测试方法厨卫五金产品有害物析出限量及测试方法GB/T33733界定的以及下列术语和定义适用于本文件GB/T42065-—2022
绿色产品
green product
在全生命周期过程中,符合环境保护要求,对生态环境和人体健康无害或危害小、资源能源消耗少、品质高的产品。
[来源:GB/T33761-2017.3.1]
评价要求
基本要求
生产企业的污染物排放状况应符合相关环境保护法律法规,达到国家和地方污染物排放标准的要求,近3年无重大质量、安全和环境事故4.1.2生产企业的污染物总量控制应达到国家和地方污染物排放总量控制指标4.1.3生产企业的管理应按照GB/T24001,GB/T19001GB/T45001和GB/T33000分别建立并运行环境管理体系、质量管理体系、职业健康安全管理体系和安全生产管理体系。4.1.4
产品质量水平应满足相关国家强制性标准和明示执行标准的要求。4.1.5
与生活伙用水接触的厨卫五金产品有害物析出量应满足QB/T5525的规定:铅含量限值应满足QB/T5420的规定。
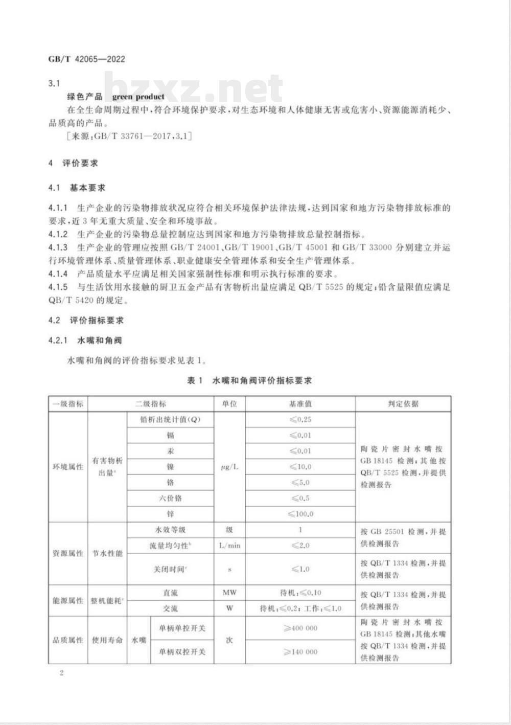
评价指标要求
水嘴和角阀
水嘴和角阀的评价指标要求见表1。表1
一级指标
环境属性
资源属性
能源属性
品质属性
有害物析
节水性能
整机能耗
使用寿命
二级指标
铅析出统计值(Q)
六价铬
水效等缓
流量均匀性
关闭时间
单柄单控开关
单柄双控开关
水嘴和角阀评价指标要求
基准值
待机:≤0.10
待机:≤0.2:工作:≤1.0
≥400000
≥140000
判定依据
陶瓷片密封水喘按
GB18145检测:其他按
QB/T5525检测.并提供
检测报告
按GB25501检测,并提
供检测报告
按QB/T1334检测,并提
供检测报告
按QB/T1334检测,并提
供检测报告
陶瓷片密封水嘴按
GB18145检测:其他水嘴
按QB/T1334检测,并提
供检测报告
一级指标
品质属性
使用寿命
二级指标
水嘴和角阀评价指标要求(续)单位
延时自闭开关
感应开关
触控式开关
温控开关
切换开关
旋转出水口
抽取式出水口
耐腹蚀性能*
基准值
≥400.000
≥400000
≥300:000
≥60000
≥60.000
≥160:.000
≥20.000
≥酸性盐雾48h.10级
仅适用于饮用水接触类的水嘴或角闷,如厨房水嘴、洗面器水嘴、饮水器水嘴。仅适用于洗面器水嘴、厨房水嘴、妇洗器水嘴。仅适用于感应水嘴
仅适用于安装后可见外表面
淋浴器
淋浴器的评价指标要求见表2
级指标
资源属性
品质属性
二级指标
水效等级
最高出水温度
单柄双控启闭开关
单柄单控启闭开关
转换开关
旋转出水口
恒温控制装置
花酒座
升降杆
耐腐蚀性能
仪适用于恒温淋浴器
*仅适用于安装后可见外表面
淋浴器评价指标要求
基准值
≥140.000
≥400000
≥60.000
≥60000
>60000
≥4000
抗拉伸:≥20000
功能切换:≥20000
球形连接摇摆:≥20.000
显示功能:≥4000
≥酸性盐雾48h.10级
GB/T42065—2022
判定依据
按QB/T1334检测,并提
供检测报告
按QB/T5003检测,并提
供检测报告
按QB/T2806检测,并提
供检测报告
陶瓷片密封水喘按
GB18145检测:其他水嘴
QB/T1334检测.并提供
检测报告
按GB/T10125检测,并
提供检测报告
判定依据
按GB28378检测,并提
供检测报告
按QB/T5418检测,并提
供检测报告
陶瓷片密封淋浴器按
GB18145检测:其他淋浴
器按QB/T1334检测并
提供检测报告
按QB/T5418检测·并提
供检测报告
按GB/T23448检测,并
提供检测报告
按GB/T23447检测,并
提供检测报告
按QB/T5281检测,并提
供检测报告
按GB/T10125检测,并
提供检测报告
GB/T42065—2022
不锈钢水槽
不锈钢水槽的评价指标要求见表3表3
一级指标
环境属性
品质属性
二级指标
防结露涂层
与食品接触的金属
材料有害物迁移
与食品接触的涂层
材料有害物迁移
挥发性有机物
总迁移量
高锰酸钾消耗量
不锈钢水槽评价指标要求
tng/kg
重金属(以Pb计)
耐腐蚀性能
热循环
仅适用于安装后可见外表面
地漏的评价指标要求见表4,
级指标
品质属性
耐腐蚀
二级指标
徐、镀层bzxz.net
个周期
无涂、镀层的金属件/
氧化膜
密闭性”
水封稳定性
*仅适用于安装后可见外表面
基准值
不允许检出
与食品接触的金属材料:
≥(中性盐雾96h.10级):
排水配件镀层表面:
≥(酸性盐雾48h.10级)
排水配件:≥15
排水配件:≥20000
地漏评价指标要求
仅适用于机械密封式地漏、混合密封式地漏。仅适用于水封式地漏
基准值
≥酸性盐雾48h,10级
≥中性盐雾200h.10级
≥60:000
60min,无水溢出
判定依据
按GB/T23986检测,并
提供检测报告
按GB4806.9检测,并提
供检测报告
按GB4806.10检测,并提
供检测报告
按GB/T10125检测,并
提供检测报告
按JC/T932检测·并提供
检测报告
判定依据
按GB/T10125检测,并
提供检测报告
按GB/T27710检测,并
提供检测报告
软管的评价指标要求见表5
级指标
环境属性
品质属性
有害物
二级指标
铅析出统计值(Q)
氧乙婚
邻苯二甲酸二酯
邻苯二甲酸二甲酯
邻苯二甲酸二乙酯
邻苯二甲酸二丁酯
邻苯二甲酸丁芋酯
苯并噻唑
耐腐蚀性能”
抗拉伸
抗脉冲
耐冷热循环
耐老化
仅适用于饮用水接触类的软管
仅适用于安装后可见外表面,
评价方法
软管评价指标要求
基准值
≥酸性盐雾48h.10级
淋浴软管、洗涤软管和抽取软管≥20000
连接软管:≥500000;
洗涤软管:≥100000
淋浴软管、洗涤软管和
抽取软管:≥600
连接软管,洗涤软管:≥336
GB/T42065-—2022
判定依据
按QB/T5525检测,并提
供检测报告
按GB/T10125检测并
提供检测报告
按GB/T23448检测·并
提供检测报告
本文件采用指标符合性评价的方法。绿色厨卫五金产品应同时满足基本要求(见4.1)和评价指标要求(见4.2),
GB/T42065-2022
[1]GB/T337612017
参考文
绿色产品评价通则
小提示:此标准内容仅展示完整标准里的部分截取内容,若需要完整标准请到上方自行免费下载完整标准文档。
CCSY71
中华人民共和国国家标准
GB/T42065-—2022
绿色产品评价
厨卫五金产品
Green product assessment-Kitchen and sanitary ware fittings2022-10-12发布
国家市场监督管理总局
国家标准化管理委员会
2023-05-01实施
GB/T42065-—2022
本文件按照GB/T1.1一2020《标准化工作导则第1部分:标准化文件的结构和起草规则>的规定起草。
请注意本文件的某些内容可能涉及专利。本文件的发布机构不承担识别专利的责任本文件由中国轻工业联合会提出。本文件由全国五金制品标准化技术委员会(SAC/TC174)归口。本文件起草单位:九牧厨卫股份有限公司、中国五金制品协会、中国标准化研究院、厦门卓标厨卫技术服务有限公司、路达(厦门)工业有限公司、宁波埃美柯铜阀门有限公司、宣城市德思电子电器有限公司、广东金凯达实业有限公司、浙江达柏林阀门有限公司、广州蒙娜丽莎卫浴股份有限公司、福建省小牧优品科技有限公司、福建省产品质量检验研究院、温州鸿升集团有限公司、佛山市质量计量监督检测中心、土海建科检验有限公司、浙江省轻工业品质量检验研究院、厦门全新顺新材料科技有限公司、江门市浩睿工程设计有限公司、江苏威诺检测技术有限公司本文件主要起草人:林晓伟、柳润峰、林翎、朱艺、陈良权、廖荣华、郑雪珍、邵佳佳、丁爽、袁涵、许建平、严云方、林海林、丁伟刚、黄秋琼、李勇、张朝辉、管鸿升、杨志雄、颜伟国、骆琦、郑声顺、梁德福、翟光洪、何鑫、郭颖云。
1范围
绿色产品评价
厨卫五金产品
本文件规定了厨卫五金绿色产品的评价要求和评价方法。GB/T42065—2022
本文件适用于厨卫五金绿色产品评价·包括水嘴、角阀、淋浴器、不锈钢水槽、地漏、软管等厨卫五金产品,
规范性引用文件
下列文件中的内容通过文中的规范性引用而构成本文件必不可少的条款,其中,注日期的引用文件·仅该日期对应的版本适用于本文件:不注日期的引用文件.其最新版本(包括所有的修改单)适用于本文件。
GB4806.10
食品安全国家标准
食品接触用金属材料及制品
食品安全国家标准
食品接触用涂料及涂层
GB/T10125
GB18145
人造气氛腐蚀试验盐雾试验
陶瓷片密封水嘴
GB/T19001
GB/T23447
GB/T23448
GB/T23986
GB/T24001
GB25501
质量管理体系
卫生洁具淋浴用花酒
卫生洁具
挥发性有机化合物(VOC)含量的测定色漆和清漆
气相色谱法
环境管理体系要求及使用指南
水嘴水效限定值及水效等级
GB/T27710
GB28378
淋浴器水效限定值及水效等级
GB/T33000
GB/T33733
GB/T45001
JC/T932
企业安全生产标准化基本规范
厨卫五金产品术语与分类
职业健康安全管理体系
要求及使用指南
卫生洁具排水配件
QB/T1334
QB/T2806
QB/T5003
QB/T5281
QB/T5418
QB/T5420
QB/T5525
术语和定义
水嘴通用技术条件
温控水嘴
触控式水嘴
数显花酒
恒温淋浴器
饮用水系统组件铅含量限值及测试方法厨卫五金产品有害物析出限量及测试方法GB/T33733界定的以及下列术语和定义适用于本文件GB/T42065-—2022
绿色产品
green product
在全生命周期过程中,符合环境保护要求,对生态环境和人体健康无害或危害小、资源能源消耗少、品质高的产品。
[来源:GB/T33761-2017.3.1]
评价要求
基本要求
生产企业的污染物排放状况应符合相关环境保护法律法规,达到国家和地方污染物排放标准的要求,近3年无重大质量、安全和环境事故4.1.2生产企业的污染物总量控制应达到国家和地方污染物排放总量控制指标4.1.3生产企业的管理应按照GB/T24001,GB/T19001GB/T45001和GB/T33000分别建立并运行环境管理体系、质量管理体系、职业健康安全管理体系和安全生产管理体系。4.1.4
产品质量水平应满足相关国家强制性标准和明示执行标准的要求。4.1.5
与生活伙用水接触的厨卫五金产品有害物析出量应满足QB/T5525的规定:铅含量限值应满足QB/T5420的规定。
评价指标要求
水嘴和角阀
水嘴和角阀的评价指标要求见表1。表1
一级指标
环境属性
资源属性
能源属性
品质属性
有害物析
节水性能
整机能耗
使用寿命
二级指标
铅析出统计值(Q)
六价铬
水效等缓
流量均匀性
关闭时间
单柄单控开关
单柄双控开关
水嘴和角阀评价指标要求
基准值
待机:≤0.10
待机:≤0.2:工作:≤1.0
≥400000
≥140000
判定依据
陶瓷片密封水喘按
GB18145检测:其他按
QB/T5525检测.并提供
检测报告
按GB25501检测,并提
供检测报告
按QB/T1334检测,并提
供检测报告
按QB/T1334检测,并提
供检测报告
陶瓷片密封水嘴按
GB18145检测:其他水嘴
按QB/T1334检测,并提
供检测报告
一级指标
品质属性
使用寿命
二级指标
水嘴和角阀评价指标要求(续)单位
延时自闭开关
感应开关
触控式开关
温控开关
切换开关
旋转出水口
抽取式出水口
耐腹蚀性能*
基准值
≥400.000
≥400000
≥300:000
≥60000
≥60.000
≥160:.000
≥20.000
≥酸性盐雾48h.10级
仅适用于饮用水接触类的水嘴或角闷,如厨房水嘴、洗面器水嘴、饮水器水嘴。仅适用于洗面器水嘴、厨房水嘴、妇洗器水嘴。仅适用于感应水嘴
仅适用于安装后可见外表面
淋浴器
淋浴器的评价指标要求见表2
级指标
资源属性
品质属性
二级指标
水效等级
最高出水温度
单柄双控启闭开关
单柄单控启闭开关
转换开关
旋转出水口
恒温控制装置
花酒座
升降杆
耐腐蚀性能
仪适用于恒温淋浴器
*仅适用于安装后可见外表面
淋浴器评价指标要求
基准值
≥140.000
≥400000
≥60.000
≥60000
>60000
≥4000
抗拉伸:≥20000
功能切换:≥20000
球形连接摇摆:≥20.000
显示功能:≥4000
≥酸性盐雾48h.10级
GB/T42065—2022
判定依据
按QB/T1334检测,并提
供检测报告
按QB/T5003检测,并提
供检测报告
按QB/T2806检测,并提
供检测报告
陶瓷片密封水喘按
GB18145检测:其他水嘴
QB/T1334检测.并提供
检测报告
按GB/T10125检测,并
提供检测报告
判定依据
按GB28378检测,并提
供检测报告
按QB/T5418检测,并提
供检测报告
陶瓷片密封淋浴器按
GB18145检测:其他淋浴
器按QB/T1334检测并
提供检测报告
按QB/T5418检测·并提
供检测报告
按GB/T23448检测,并
提供检测报告
按GB/T23447检测,并
提供检测报告
按QB/T5281检测,并提
供检测报告
按GB/T10125检测,并
提供检测报告
GB/T42065—2022
不锈钢水槽
不锈钢水槽的评价指标要求见表3表3
一级指标
环境属性
品质属性
二级指标
防结露涂层
与食品接触的金属
材料有害物迁移
与食品接触的涂层
材料有害物迁移
挥发性有机物
总迁移量
高锰酸钾消耗量
不锈钢水槽评价指标要求
tng/kg
重金属(以Pb计)
耐腐蚀性能
热循环
仅适用于安装后可见外表面
地漏的评价指标要求见表4,
级指标
品质属性
耐腐蚀
二级指标
徐、镀层bzxz.net
个周期
无涂、镀层的金属件/
氧化膜
密闭性”
水封稳定性
*仅适用于安装后可见外表面
基准值
不允许检出
与食品接触的金属材料:
≥(中性盐雾96h.10级):
排水配件镀层表面:
≥(酸性盐雾48h.10级)
排水配件:≥15
排水配件:≥20000
地漏评价指标要求
仅适用于机械密封式地漏、混合密封式地漏。仅适用于水封式地漏
基准值
≥酸性盐雾48h,10级
≥中性盐雾200h.10级
≥60:000
60min,无水溢出
判定依据
按GB/T23986检测,并
提供检测报告
按GB4806.9检测,并提
供检测报告
按GB4806.10检测,并提
供检测报告
按GB/T10125检测,并
提供检测报告
按JC/T932检测·并提供
检测报告
判定依据
按GB/T10125检测,并
提供检测报告
按GB/T27710检测,并
提供检测报告
软管的评价指标要求见表5
级指标
环境属性
品质属性
有害物
二级指标
铅析出统计值(Q)
氧乙婚
邻苯二甲酸二酯
邻苯二甲酸二甲酯
邻苯二甲酸二乙酯
邻苯二甲酸二丁酯
邻苯二甲酸丁芋酯
苯并噻唑
耐腐蚀性能”
抗拉伸
抗脉冲
耐冷热循环
耐老化
仅适用于饮用水接触类的软管
仅适用于安装后可见外表面,
评价方法
软管评价指标要求
基准值
≥酸性盐雾48h.10级
淋浴软管、洗涤软管和抽取软管≥20000
连接软管:≥500000;
洗涤软管:≥100000
淋浴软管、洗涤软管和
抽取软管:≥600
连接软管,洗涤软管:≥336
GB/T42065-—2022
判定依据
按QB/T5525检测,并提
供检测报告
按GB/T10125检测并
提供检测报告
按GB/T23448检测·并
提供检测报告
本文件采用指标符合性评价的方法。绿色厨卫五金产品应同时满足基本要求(见4.1)和评价指标要求(见4.2),
GB/T42065-2022
[1]GB/T337612017
参考文
绿色产品评价通则
小提示:此标准内容仅展示完整标准里的部分截取内容,若需要完整标准请到上方自行免费下载完整标准文档。
标准图片预览:





- 其它标准
- 热门标准
- 国家标准
- GB/T21666-2008 尿吸收辅助器具 评价的一般指南
- GB/T32999-2016 表面化学分析 深度剖析 用机械轮廓仪栅网复型法测量溅射速率
- GB/T39454-2020 国际贸易业务数据规范货物跟踪与追溯
- GB/T38948-2020 沥青混合料低温抗裂性能评价方法
- GB/T13589-2007 锌及锌合金废料
- GB28355-2012 食品添加剂 水杨酸甲酯(柳酸甲酯)
- GB/T13070-1991 铀矿石中铀的测定 电位滴定法
- GB∕T7676.3-2017 直接作用模拟指示电测量仪表及其附件 第3部分:功率表和无功功率表的特殊要求
- GB14880-2012 食品营养强化剂使用标准
- GB/T43912-2024 铸造机械 再制造 通用技术规范
- GB/T9003-1988 调音台基本特性测量方法
- GB5585.3-1985 电工用铜、铝及其合金母线 第3部分:铝母线
- GB/T19561-2004 寒地节能日光温室建造规程
- GB/T7574-1987 信息处理交换用磁带标号和文卷结构
- GB/T24715-2009 氧源转换器
- 行业新闻
请牢记:“bzxz.net”即是“标准下载”四个汉字汉语拼音首字母与国际顶级域名“.net”的组合。 ©2025 标准下载网 www.bzxz.net 本站邮件:bzxznet@163.com
网站备案号:湘ICP备2025141790号-2
网站备案号:湘ICP备2025141790号-2