- 您的位置:
- 标准下载网 >>
- 标准分类 >>
- 轻工行业标准(QB) >>
- QB 1082-1991 针刺地毯
标准号:
QB 1082-1991
标准名称:
针刺地毯
标准类别:
轻工行业标准(QB)
标准状态:
现行出版语种:
简体中文下载格式:
.zip .pdf下载大小:
2.44 MB

点击下载
标准简介:
QB 1082-1991.
QB 1082规定了针刺地毯产品的技术要求、试验方法、检验规则等内容。
QB 1082适用于在针刺机上用刺针穿刺纤网,使纤维相互缠结,并在毯背涂上粘合剂,经加热固合而制成的针刺地毯。
QB 1082适用于以丙纶、涤纶等合成短纤维为原料制成的针刺地毯,以其他短纤维为原料制成的针刺地毯也可参照使用。
2引用标准
GB 6529纺织品的调湿 和试验用标准大气
QB 1087机制地毯物理试验的取样和试样的截取法
QB 1089机制地毯厚度的试验方法
QB 1091地毯在 动态负载下厚度减少的试验方法
QB1092地毯在短时间中等静负载后厚度减少的试验方法.
QB 1088 机制地毯在浸水和热干燥作用下尺寸变化的试验方法
QB x x地毯质量的试验方法
QB 8427 纺织品耐光色牢度试验方法 氙弧
GB 250评定变色用灰色样卡
GB 251评定沾色用灰色样卡 ●
GB11049铺地纺织品燃烧性能室温片剂试验
GB 8170数值修约规则
3术语
破损:损及毯体的破洞、撕裂、割伤等。污溃:毯面沾有油污、色斑、锈斑、胶斑等。条纹、花纹不清晰毯 面纹路缺陷或紊乱。透胶:胶液渗至毯面。涂胶不匀:毯背缺胶或胶层厚薄不匀。毯边不良:毯边不平齐。折痕:毯体有难以回复的条痕。烤焦:毯体呈现熔缩、变色等焦灼痕。
4产品分类
4.1产品品种
针刺地毯按耐燃性能不同分为: P 一普通针刺地毯(不耐燃)和N -耐燃针刺地毯两类。

部分标准内容:
中华人民共和国行业标准
针刺地毯
本标准规定了针刺地毯产品的技术要求、试验方法、检验规则等内容。QB1082—91
2价房
本标准适用于在针刺机上用刺针穿刺纤网,使纤维相互缠结,并在毯背涂上粘合剂,经加热固合而制成的针刺地毯。
本标准适用于以丙纶、涤纶等合成短纤维为原料制成的针刺地毯,以其他短纤维为原料制成的针刺地毯也可参照使用。2引用标准
GB6529
QB1087
QB1089
QB1091
QB1092
QB1088
QB××
GB8427
纺织品的调湿和试验用标准大气机制地毯物理试验的取样和试样的截取法机制地毯厚度的试验方法
地毯在动态负载下厚度减少的试验方法地毯在短时间中等静负载后厚度减少的试验方法:机制地毯在浸水和热干燥作用下尺寸变化的试验方法地毯质量的试验方法
纺织品耐光色牢度试验方法氙弧评定变色用灰色样卡
评定沾色用灰色样卡·
GB11049
GB8170
3术语
铺地纺织品燃烧性能室温片剂试验数值修约规则
破损:损及毯体的破洞、撕裂、割伤等。污渍:毯面沾有油污、色斑、锈斑、胶斑等。条纹、花纹不清晰毯面纹路缺陷或紊乱。透胶:胶液渗至毯面。
涂胶不勾:毯背缺胶或胶层厚薄不匀。毯边不良:毯边不平齐。
折痕:毯体有难以回复的条痕。烤焦:毯体呈现熔缩、变色等焦灼痕。4产品分类
4.1产品品种
针刺地毯按耐燃性能不同分为:P一普通针刺地毯(不耐燃)和N一耐燃针刺地毯两类。中华人民共和国轻工业部1991—03—30批准1991—12-01实施
QB1082—91
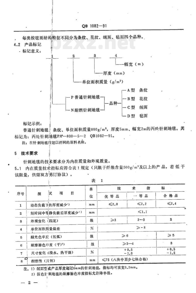
每类按毯面结构特征不同分为条纹、花纹、绒面、毡面四个品种。4.2产品标记
、标记意义:
幅宽(m)
厚度(mm)
单位面积质量(g/m2)
-P普通针刺地毯
-N耐燃针刺地毯+
标记示例:
幅宽2m的丙纶针刺地毯。其
条纹、单位面积质量800g/m,厚度5mm、普通针刺地毯!
标记为:丙纶针刺地毯PA—800—5-2QB108291。注:在针刺地毯前冠以纤网的原料名称。5技术要求
针刺地毯的技术要求分为内在质量和外观质量。5.1内在质量技术指标应符合表1规定(只限于纤维含量500g/m2及以上的产品,若低于该限量,供需双方另订协议)。表1
动态负载下的厚度减少1)
短时间中等静负载后厚度减少1)外观变化《四足)
单位面积质量偏差
耐光色牢鹿(氙弧)
耐摩擦色字度(干)\)
尺寸变化(浸水、热干燥)
耐燃性(片剂)
优等品
一等品
≥3—4
≤75(八块中至少七块合格)
注:1)绒面型或产品厚度超过6mm的针刺地毯,指标均可放宽0.2mm。
2)深色针刺地毯的耐摩擦色牢度指标允许降半级。标
合格品
外观质量应符合表2规定。
疵点名称
条纹、花纹不清晰
涂胶不勾
毯边不良
幅宽尺寸偏差
6试验方法
QB1082—91
不充许
不明显
不充许
不明显
不充许
不允许
不充许
不小于规定尺寸
不充许
不明显
不明显
较明显
不明显
较明显
不明显
较明显
不明显
外观质量检验:检验人员对毯面、毯背按“外观疵点样照”进行目测检验分等。6.2内在质量试验方法见附录A(补充件)。7检验规则
7.1针刺地毯内在质量技术指标和外观质量分为优等品、一等品、合格品三个品等。低于合格品者为等外品。
7.2内在质量评等以批为单位(原料、工艺条件、品种规格相同者为一批);外观质量评等以卷为单位。
7.3产品的品等由内在质量和外观质量结合评定,最终是以内在质量和外观质量中最低的一项品等定该批产品的等。
7.4出厂检验:产品交货前对外观疵点进行全数检验,对内在质量主要性能指标进行抽检。7.5型式检验
7.5.1有下列情况之一时,应进行型式检验:a。‘正式生产后,如产品结构、原料、工艺条件有较大改变,可能影响产品性能时。b.正常生产时,产品定期或积累一定产量后,应周期性进行一次检验。国家质量监督机构提出进行型式检验的要求时。型式检验对产品的质量进行抽样检验,以批为单位,其批量和样本数见表3。7.5.2
批量大小
样本大小
100以下
100~200
200~400
单位:卷
400以上
QB1082—91
7.6判定规则
内在质量的测试项目按标准要求进行测试。如果其中只有一项指标达不到合格品时,允许对该批产品的该项加倍抽样复验,若仍不合格时,则判该批产品为不合格品;如复验为合格品,或优于合格品时,则判该批产品为合格品。8标志、包装、运输、贮存
8.1标志
8.1.1产品标志
生产单位应向消费者提供产品标签。基本内容:
制造厂名;
b.产品名称;
d。制造日期:
产品品等:www.bzxz.net
产品标记。
包装标志
基本内容:
制造厂名:
产品名秘;
商标:
产品标记和色别、卷长:
产品品等;
f.制造日期;
提示语为“不准用钩”、“防潮”等。9.
8.2包装
针刺地毯包装应保证产品不受损伤,能防污防潮,便于贮存和运输。8.3运输、贮存
地毯在运输和贮存时不得重压,避免日晒雨淋,防止受潮,避开火源,室内温度不得超过40℃。
A1试验条件
A1.1调湿和试验用标准大气
QB1082—91
附录A
内在质量试验方法
(补充件)
调湿和试验用标准大气采用GB6529中规定的二级试验用标准大气。温带二级标准大气温度为20±2℃,相对湿度65±3%。仲裁性试验必须采用一级试验用温带标准大气。A1.2调湿处理
试验前在A1.1条规定的试验用标准大气条件下调湿试样,将试样单个平置,使用面朝上至少调湿24h。
取样方法按QB1087执行。
A3试验结果的计算
数值修约采用GB8170的规定。
A4试验方法
A4.1.厚度
试验方法按QB1089执行。
A4.2动态负载下厚度减少
试验方法按QB1091执行。其中,针刺地毯:钢脚撞击终点次数规定为500次。A4.3短时间中等静负载后的厚度减少试验方法按QB1092执行。
A4.4单位面积质量
试验方法按QB××××《地毯质量的试验方法》执行。单位面积质量偏差百分率的计算:D=mt-ms
式中:D-一一单位面积质量偏差百分率,%(准确至小数点后一位);一实测单位面积质量的平均值,号/m\;mt
一标定单位面积质量,g/m。
A4.5耐光色牢度氙弧
试验方法按GB8427执行。
A4.6尺寸变化(浸水、热干燥)试验方法按QB1088执行。
QB1082—91
A4.7耐燃性(片剂)
试验方法按GB11049执行。其中,试样的调湿按4.3b)法进行。试验结果是以测量每块试样的中心到损毁边缘的最大距离表示(不采用平均值和最大值)。A4.8外观变化的试验方法
A4.8.1本方法规定了针刺地毯在四足滚筒试验仪的机械作用下,产生毯面外观变化的试验程序。
A4.8.2原理
将一个带有四个聚氨基甲酸酯的四足体装入覆有地毯试样的滚筒内,在以规定次数转动的滚筒内随机翻滚踩踏试样,然后评定疲劳试样的外观变化等级。A4.8.3设备
a.滚筒:聚乙烯圆管,内径200~210mm,筒深190~195mm,壁厚6mm,滚筒转速50土2r/min。并有一个盖子将一端封闭。b。四足体(踩踏器):由四只金属柱体顶端汇集构成的铸件,每只柱体底部嵌上一个聚氨基甲酸酯的半球形脚。
c.吸尘器
A4.8.4试样的选取和准备
a:按照QB1087规定取样,选取的试样尽可能代表这批产品。b。截取两块相邻位置的试样,在毯背作相同机制方向的标记。取一块机制方向长约620mm,宽185mm试样作为疲劳试样用,再取一块机制方向长300mm,宽185mm试样作为不经疲劳试验的试样(供外观变化评定比较用)。A4.8.5试验程序
a。将试样装入滚筒内壁上,用两个弹簧钢丝卡紧,四足体的脚用95%浓度乙醇擦洗,然后放入滚筒内,并盖紧盖子,放在支撑架上。b。将计数器预置至5000次,待滚筒自停,取出试样,用吸尘器先沿试样纵向,后沿绒头倾斜方向吸尘。进行中间阶段的评级。c。把试样重新装入滚筒内,重复上述程序,累计至终点10000次,滚筒自停。将试样取出,用吸尘器按上述要求,对疲劳试样吸尘。评级前放置24h,然后进行评级。A4.9外观变化的评定
A4.9.1适应范围
本方法适用于评定由四足滚筒试验仪所产生的毯面外观变化的针刺地毯。A4.9.2术语1
A4.9.2.1毯面外观变化
疲劳和未疲劳试样使用面之间的综合外观变化,应考虑下列特性:a。结构变化
毯面绒圈和(或)纤维形状发生可见的变化,是由于受机械力的作用使毯面厚度减损,绒头压扁、倒伏、松散、毡合,降低了绒头清晰度。b:起毛
QB1082-91
经吸后未能去除的突出于毯面的纤维或纤维间相互缠绕压缩附着在毯面上(是严重起毛的结果)。
A4.9.3原理
对比疲劳试样和末疲劳试样的毯面,并用标样对比,直观评定试样的外观变化。,A4.9.4标准材料和设备
:标样是供评定毯面外观变化参照的标准实物,一套标样有五个标准等级,即5、48、2、1,依次变化,程度逐渐增大。每个标准等级包括未疲劳和疲劳两块试样。五级:无变化:
四级:微小变化:
三级:中等变化;
二级:大变化:
一级:严重变化。
b。照明装置采用D65标准光源,光照度1100Lx,灯光垂直照射试样表面,室内亮度呈自然的或暗淡的。
评级台大小应能并排展示标样和试样。d。罩框应采用中性灰色无反光材料制成,并有一个长方形孔,这是用以能把评定工作限制在试样的普遍外观变化部分上,它将代表整体外观变化。孔的尺寸为200mm×300mm,能并排同时观察到1.50mm×200mm的疲劳试样、未疲劳试样、标样的区域,见图A1。单位:mm
未疲劳试样
参照方向
未疲劳标样
A4.9.5试样的选取和准备
评定试样的布置
疲劳试样
疲劳标样
在疲劳试样上选取一个具有普遍变化的能代表毯面整体变化的疲劳区域,作为评定区QB1082—91
域,并同时在未经疲疫劳试样面积上选取参考区域。参照方向和试样标记方向相同,并排地与参照方向相同地排列,盖上罩框,同时将参加评定的标样(已选择等级)并列在评级台上。见图A1。
A4.9.6评定程序
选定的标样和疲劳试样、未疲劳试样进行对比评定工作至少由三个人单独进行目测。b。毯面外观变化的评定
每个评定员对照标样等级对试样毯面外观变化进行评定,可以评半级。应忽略颜色上的任何变化,对术语中规定的外观变化具有显著特征的应予记录。A4.9.7检验报告
检验报告应包括下列几项内容:a。采用本标准试验评定方法及偏离本标准的一切细节;b,仪器型号、试验终点次数;
每个评定员对外观变化所评定的等级;C.
d。外观变化等级的中位数:
e。评定项目中规定应注明的“显著型外观变化”A4.10耐摩擦色牢度(干摩擦)
A4.10.1原理
用干摩擦试验布往复摩擦地毯使用面,用灰色样卡评定摩擦试验布的沾色程度。
A4.10.2仪器和材料
。地毯耐摩擦色牢度试验仪摩擦头作往复直线摩擦,向下压力为22N,摩擦动程为100mm,每秒往复一次,摩擦头规格如图A2所示,
b。摩擦试验布经过退浆、漂白、不含整理剂的标准棉布。剪成80mm.×80mm方块。
c.样卡应符合GB251的规定。
A4.10.3试样
50mm×200mm,试样纵,横各一块。A4.10.4试验程序
单位:mm
图A2摩擦头
。将试样使用面朝上,平整地固定在试验仪平台上,将干摩擦试验布套装在摩擦头上使摩擦头沿试样的长度方向往复摩擦十次,用灰色样卡评定干摩擦试验布的沾色级数。b。评级前需清除滞留在摩擦试验布表面上的有色纤维,应只考核染色所造成的沾色。c:用灰色样卡评定摩擦布的沾色级数。A4.10.5试验结果
按GB251逃行评定,分别对纵、横向沾色级数做出报告。A4.11幅宽测量
A4.11.1原理
QB1082-91
用尺测量地毯处于松驰状态的不同部位的幅宽尺寸。A4.11.2量具
钢卷尺长度应大于地毯幅宽,刻度值,mm。A4.11.3测量方法
将地毯展开,铺放在平面上,呈松驰状,进行测量。b。在每卷地毯上,分五个不同部位测量幅宽尺寸,准确至0.5cm,如小于0.5cm时,可记录为零。
A4.11.4试验结果的计算
求出地毯实测幅宽平均值,m。即为该地毯幅宽。e:
b幅宽偏差百分率按下式计算
式中:D一幅宽尺寸偏差百分率,%(计算准确至小数点后一位);Lt-一实测幅宽尺寸平均值,cm(准确至小数点后一位):Ls规定幅宽尺寸,cm。
附加说明:
本标准由全国地毯标准化中心归口。(A2)
本标准由天津市地毯研究所、上海纺织科学研究院、上海石化总厂实验厂、辽阳石化公司纤维二厂、甘肃无纺织地毯厂负责起草。本标准主要起草人:李孝文、张玉芬、夏嘉蝶、朱守恒、龚嘉来、蔡致中、吴神沙。
小提示:此标准内容仅展示完整标准里的部分截取内容,若需要完整标准请到上方自行免费下载完整标准文档。

标准图片预览:





- 其它标准
- 上一篇: QB 1222-1991 普通陶器缸类
- 下一篇: QB/T 1736-2018 木工钻
- 热门标准
- QB轻工标准
- QB/T5396-2019 水晶自动研磨机
- QB/T1978—2004 染发剂
- QB/T1693-1993 制浆造纸机械设备术语
- QB/T2894-2007 丙烯腈-丁二烯-苯乙烯(ABS)色母料
- QB/T2578—2002 陶瓷原料化学成分光度分析方法
- QB/T5201-2017 冰衬疫苗保存箱
- QB/T2896-2007 纸和纸板湿拉毛和湿排 斥的测定
- QB/T2062-1994 贵金属首饰
- QB/T2232-1996 电动童车通用技术条件
- QB/T4625-2014 黄瓜罐头
- QB/T1670-1992 微控电子式抗张强度试验机
- QB/T4294.3-2018 服装机械直刀式数控裁剪机 第3部分:结构要求
- QB/T4338-2012 鞋类化学试验方法烷基酚聚氧乙烯醚的测定
- QB/T1704-1993 铝箔衬纸
- QB364-1981 硬钢纸板
- 行业新闻
网站备案号:湘ICP备2023016450号-1