- 您的位置:
- 标准下载网 >>
- 标准分类 >>
- 国家标准(GB) >>
- GB 11575-1989 海洋运输船舶机修设备配备基本定额
标准号:
GB 11575-1989
标准名称:
海洋运输船舶机修设备配备基本定额
标准类别:
国家标准(GB)
英文名称:
Basic quotas for equipment for marine transport vessel repair标准状态:
已作废-
发布日期:
1989-08-10 -
实施日期:
1990-03-01 -
作废日期:
2005-10-14 出版语种:
简体中文下载格式:
.rar.pdf下载大小:
144.14 KB
点击下载
标准简介:
标准下载解压密码:www.bzxz.net
本标准规定了海洋运输船舶柴油机动力装置进行检修维修服务的机修设备配备基本定额。本标准适用于主机标定功率290~15000kW,载重量为300~65000t的海洋运输船舶。 GB 11575-1989 海洋运输船舶机修设备配备基本定额 GB11575-1989
部分标准内容:
UDC629.123.5:627.435
中华人民共和国国家标准
GB 1157589
海洋运输船舶机修设备配备基本定额Standard of machine tools facility andoutfits for the machinery of ships1989-08-10发布
1990-03-01实施
国家技术监督局
中华人民共和国国家标准
海洋运输船机修设备配备基本定额Standacd ot machine tools facility sndoutfite far the machinery of ships主题内容与适用范围
GB 11575.·89
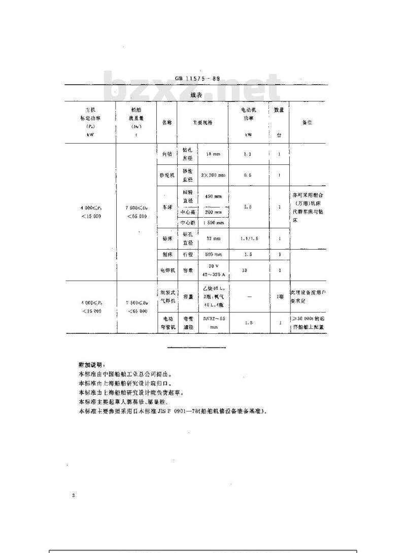
本标准规定了为海洋逆摘船舶柴油机动力装置进行枪修维修服务的机修设备配备基本定额。本标准适用予主机标定功率为290~15000kW,裁重量为300~65000r的海洋运输船舶。2机修设备配备定额(见下表)
标定功率
载重敏
国家技术监督局1989-08-10批准名称
砂轮机
电焊板
主要规
中心高
中心距
2×150mm
2×200mm
42--320 A
电动机
亦可采闻组合
(万用)机床
代替车床与钻
1990-03-01实
标定功率
100nsg
.15000
附加说明:
载重量
7500sm
65 000
?500sLh
65 000
GB11575-89
主要规格
电焊机
中心商
中心甄
统装式
气焊机
驾管凯
本标雅由中国船期正票总公可提出。本标准由上船舶研究设计院归口。容盛
本标准出E海船舶研究设计皖负责起草。本标准主要起草人郭葆珍、邬显醚,1amm
2×200mm
1500mm
42~320A
2炔48,
2瓶-瓶气
40L,4瓶
D232-65
电动机
本标准主要参照采用口本标准JISF0901一78增机够设备装备基准数斑
亦可采用组合
(万用)机床
代替车床与帖Www.bzxZ.net
融项设各按用户
要求定
230000t的运
1洋船前上配
小提示:此标准内容仅展示完整标准里的部分截取内容,若需要完整标准请到上方自行免费下载完整标准文档。
中华人民共和国国家标准
GB 1157589
海洋运输船舶机修设备配备基本定额Standard of machine tools facility andoutfits for the machinery of ships1989-08-10发布
1990-03-01实施
国家技术监督局
中华人民共和国国家标准
海洋运输船机修设备配备基本定额Standacd ot machine tools facility sndoutfite far the machinery of ships主题内容与适用范围
GB 11575.·89
本标准规定了为海洋逆摘船舶柴油机动力装置进行枪修维修服务的机修设备配备基本定额。本标准适用予主机标定功率为290~15000kW,裁重量为300~65000r的海洋运输船舶。2机修设备配备定额(见下表)
标定功率
载重敏
国家技术监督局1989-08-10批准名称
砂轮机
电焊板
主要规
中心高
中心距
2×150mm
2×200mm
42--320 A
电动机
亦可采闻组合
(万用)机床
代替车床与钻
1990-03-01实
标定功率
100nsg
.15000
附加说明:
载重量
7500sm
65 000
?500sLh
65 000
GB11575-89
主要规格
电焊机
中心商
中心甄
统装式
气焊机
驾管凯
本标雅由中国船期正票总公可提出。本标准由上船舶研究设计院归口。容盛
本标准出E海船舶研究设计皖负责起草。本标准主要起草人郭葆珍、邬显醚,1amm
2×200mm
1500mm
42~320A
2炔48,
2瓶-瓶气
40L,4瓶
D232-65
电动机
本标准主要参照采用口本标准JISF0901一78增机够设备装备基准数斑
亦可采用组合
(万用)机床
代替车床与帖Www.bzxZ.net
融项设各按用户
要求定
230000t的运
1洋船前上配
小提示:此标准内容仅展示完整标准里的部分截取内容,若需要完整标准请到上方自行免费下载完整标准文档。
标准图片预览:



- 热门标准
- 国家标准(GB)
- GB∕T38992-2020 军民通用资源 语义关系分类与表示
- GB/T22264.5-2022 安装式数字显示电测量仪表 第5部分:相位表和功率因数表的特殊要求
- GB/T42459-2023 信息技术 系统间远程通信和信息交换 局域网和城域网 特定要求 站点和媒体访问控制连通性发现
- GB/T24555-2009 200m氦氧饱和潜水作业要求
- GB/T32383-2020 城市轨道交通直线电机车辆通用技术条件
- GB/T16606.3-2009 快递封装用品 第3部分:包装袋
- GBZ/T240.20-2011 化学品毒理学评价程序和试验方法 第20部分:亚慢性吸入毒性试验
- GB16487.9-2017 进口可用作原料的固体废物环境保护控制标准—废电线电缆
- GB/T5694-1985 CAMAC系统中的块传送
- GB/T24496-2009 钢筋混凝土大板间有连接筋并用混凝土浇灌的键槽式竖向接缝 实验室力学试验 平面内切向荷载的影响
- GB∕T38117-2019 电动汽车产品使用说明 应急救援
- GB9706.29-2006 医用电气设备 第2部分:麻醉系统的安全与基本性能专用要求
- GB/T43266-2023 永磁体磁偏角的测量方法
- GB/T14506.25-1993 硅酸盐岩石化学分析方法 硫酸-苯羟乙酸-辛可宁-氯酸钾底液极谱法连续测定钼量和钨量
- GB/T33775-2017 地面数字电视手持式接收设备技术要求和测量方法
- 行业新闻
请牢记:“bzxz.net”即是“标准下载”四个汉字汉语拼音首字母与国际顶级域名“.net”的组合。 ©2025 标准下载网 www.bzxz.net 本站邮件:bzxznet@163.com
网站备案号:湘ICP备2025141790号-2
网站备案号:湘ICP备2025141790号-2