- 您的位置:
- 标准下载网 >>
- 标准分类 >>
- 公共安全行业标准(GA) >>
- GA 278-2001 警用服饰横杠
标准号:
GA 278-2001
标准名称:
警用服饰横杠
标准类别:
公共安全行业标准(GA)
标准状态:
现行出版语种:
简体中文下载格式:
.zip .pdf下载大小:
154.05 KB
点击下载
标准简介:
GA 278-2001.Accessories for police uniform-Horizontal insignia.
1范围
GA 278规定了99 式警用服饰一横杠的技术要求、试验方法、检验规则及标志、包装、运输与贮存。
GA 278适用于以铜材经冲压、焊接、电镀等工艺制作的99式警用服饰一横杠的生产及检验。
2引用标准
下列标准所包含的条文,通过在本标准中引用而构成为本标准的条文。本标准出版时,所示版本均为有效。所有标准都会被修订,使用本标准的各方应探讨使用下列标准最新版本的可能性.
GB/T 91--2000开口销
GB/T 2059- -2000 铜及铜合 金带材
GB/T 6462- 1986 金属 和氧化物覆盖层横断 面厚度显微镜测量方法
GB/T 6543-1986瓦楞纸箱
QB/T 3811- 1999塑料打包带
QB/T3826-1999轻工产品金属镀层和化学处理层的耐腐蚀试验方法中性盐雾试验(NSS)法
3技术要求
3.1结构
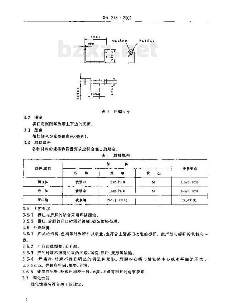
横杠由横杠体和后脚构成,结构与主要尺寸应符合图1和图2的规定。
3.2图案
横杠正面图案为带上下边的光面。
3.3 颜色
横杠颜色为光亮银白色(铬色)。
3.4材料规格
各种材料的规格和质量要求应符合表1的规定。
3.5 工艺要求
3.5.1横杠与后脚的结合采用焊接固定。
3.5.2横杠、后脚和开口销须经镀镍、镀装饰铬处理。
3.6 外观质量
3.6.1 产品的结构、色相等外观特性及质量,应符合主管部门批准的标样。批产品与标样的色相应一致。
3.6.2 产品边缘规鳖.无毛刺。
3.6.3产品外观不得有明显的凹痕、划痕、脏污、变形等缺陷。
部分标准内容:
中华人民共和国公共安全行业标准GA 2782001
警用服饰
Accessories for police uniform-llorizontal insignis2001-01 -22发布
中华人民共和国公安部发布
2001-07-01实施
GA 27B2001
本标准的全部技术内为幅制挥。前
本标准后39式替用服饰系刻标准之一。99式替用散饰一演杠是与99式替用脏饰一硬肩苹配衰生用的。本标准的附录A是标准的附逐。
本标准由中华人尽共和间公安部装备则务局提出:本标准出公安部警币械具背配标准化技术要会归门。本标犯概草单位,总后军需生产技术研空所断江永嘉县钮扣,。本标准上要起草人:高军、崔秀教、刘恋明、柯杰。本标连垂托公安部装备财务局负辉释。本标准于201年1月22日政发。
中华人民共和国公共安全行业标准警用服饰
Aceessuriesforpoliceuniform-HoraoatelfnsignisGA 278·2001
本标准成定了99式置用票饰一质车的裁术要求,试验方法,检验规购及标志,包装、运辅与恶疗本标准适用以铜树经冲压,接,电谦等工艺制作的5替用服怖一横在的生产及检验。2引用标准
下列标准所包合的录文,通过在本标准中引用而构成为本标准的美文。本标准出版时,所示版本均为有效。所有标准部会鼓能订,使用本标准的各方应探讨使用下列标准最新版本的可能性,GB/TS1·2000口销
GH/T20592000银及铜合金带材
GB/6462—1986金属和氧化物通蓝层核断面厚度显微镜测量点法GB/T 6543-1986
QB/T2811-1999
QB/T3826—1999
3技术要求
改楼纸箱
塑料打包带
轻工产品金属镀层和化学处理层的耐离独试验疗法小性盐雾试验(NSS)达树杠山损托体和脚构成,结将与主要尺中应符合图1和捆2的规定。好接
1:3后
图1愤杠结拘及主要尺寸
中华人民共和国公安部2001-01-22北准200:-07-01麦施
3.2调案
5±业
GA2782001
图名尼脚尺十
黄扛面图案为带上下边的光面,3.3朗色
铺杠额色为光宽带白色(资色)3.4材料规整
各种材料的规格利质量要求应符合表1的规定、表 1 材料规格
帮件、部位
横江体
开口摘下载标准就来标准下载网
3.5上求要求
黄铜亨
普朝市
碳事朝
3.5.1摘杞与启的结合采用焊接固定。规
20\.2.×5
3.5.2横拉后脚和开口错须经镀键、裁改饰势处理。3.6外质觉
GE/T 20
3.6.1产品的结构色相等外特件及压量,应荷合土笃部门批准的标样,批产品与标样的色扫应一致.
3.6.2产品边缘规虚、无毛刺。
3.6.1产品列观不得有明显的即痕、球痕、脏污、变形节缺陷。36-4烯接后,后脚人待存明显的筛至和查形。后即中心线与循红体中心线水平痛录不大于二心.5m。烘接应牢成,规整、滑,3.65链层应完些,外现色担应一致、光亮,不得有明原的自载缺择。3.7理化性能
理化性能应符合表2的义定
4减检方法
4.1外观控验
4. T.1检验条件
愧被层厚皮
后脚焊接洗拉遥所
GA27E—2001
表2埋化性能
2x5 μm
招上主要表面无棕包质性物
在天益做光线感无反射光前白色避射光线下进行,光的度不得性于3001x(相当十40W日光灯下离500mm处的光瓶盘).
4. 1. 2 检验为法
以目规阅施和手密拉验,并与主暂部门批准的标样比版检验,4.2尺寸检酸
尺寸的验验用精度为0.2拉教酵标卡女趋验,4.3现化性能试验
4.3.1馈层厚度的检验,按GB/T6462的裁定。4.3.2够层耐益的检验,按QH/T3826的规定。4.3.3脚焊接抗拉强度的检验,按附录A(标准的谢录>的规定,5格扭测
5.1检验分类
质扛检验分为型式检验新出厂检验。5.1.1型式检验
在下列情况之“时刻进行型式检验,E)当村质,上艺或生产单位发生变化时;1.)产品长期停产后,恢更生产,)定期感累乱一定产量症,应刷期性进行检整出!检验结果与上次型式检验有较人差异:e)丰维部门提出型式抢验的要求:型式检验时,对第3章全部项目进行检整,5.1.2山厂检验
所有产品出!时必须做出」检验,用!检验项日为,外观和主要尺寸5.2抽单
5.2.1检验以·-次交变验的产站为一批,以每效产品为一个单忙产品5.2.2外规和主婴尺寸检测样本数量:10m放,理化性能检测样本数载:30格。5.2.3在每10万校杠中(不足10万快恢1C万收寸).随机抽长2箱·在每箱中各抽取50枚(共100收>进行外规和上费尺验验,如进行理化性能检股,则刃行抽取出校检测样品进行理化性能检验,5.3到定规则
5.3.1单件产品不等合本标准所规是的技术整求,即构虑缺陷,缺陷分为轻陷和再缺陷不符合本标准的规定,但对产品的停用性能及外观影响较小的缺陷为轻缺陷,严重彬响魅用及外观的缺随为更快陷。在一快情打上尚时出现一种或二种以上轻缺降,概同重缺陷。3
5.3.2懒在常见缺降的判定见表3G± 278— 201
表3需见缺陷分类
缺峰市[]
理化性距
亡是专超差多0. 2 mm
主素儿于通些≥[. 2 mm
十去临镇后两底、花色
毛耳长0.5mm
毛可长>25mm
不刷显的与部形
较大的变形
非妥表面起皮或起浓≥.2mm,限两处土要衣两起皮成起随>乳.0mm
表面经稳礼痕,四题其积2--J 处衣西明足题或四退:微好费,四瘦要处以上后水.5mm:后不后朗脏带
4um品5m
爆性员享注<4m
利盗再性整,抗起强座不符合本标准的理定轻缺陷
5.3.3每1CC收横中若出现需快有更快陷+购连行一次灿样,样本如信。若第积出现1枚有再映陷,则将也批产品不合格.者现轻缺陷的产品数盘剂过检测样本数盘的20兴,视同重缺陷.判为比产战不合格。
6标患,包满.运输与贮存
6- 1 标表
6-1.1产益标患
在每救横札的后脚工冲压生产单位代号。代号虫两位教字构或6.1.2位装标志
6. 1. 2. 1维盒标心
纸小血需注明产品名称(站普用脏饰模卡)教策、生产单位及作产口期等内窄6.1.2.2矫能标志
抵箱外降侧面均须标注如下内答a)产品名称,
b)数盘:
c) 垂量:
体积长)
e)牛★单位:
E告产E。
在两端面袜径“警用品”,让意所期字。纸销外志一伴采巾是学,产品名等和生产日为黑依字,其会为果贷字。印市局度舍里,学的大小适宫,字迹应清晰.工整,6.2包畏
CA2782001
6.2.1成江400放与开口销40(枚(单独装--送明塑料袋)装-纸盘:每20盒(共850U妆装纸箱。6-2.2纸质量应物合GB/T4547—186中不低了2类纸箱药规定67.3母个纸箱内需除产品合格证,坐明声品各称,数量、主产单位、包装期、检验人尚等内容62.4若用对口纸箔,低能上下口益对接处必须用宽55~50mm胶粘带封牢粘贴后夜粘带下获逆应不低于50 川比。股粘带质取应合相关标准规定62.5拥箱用资12~1:m型料打位带翻成\寸字塞·打包传质最应符合QB/T38的规定。捆扎险严量害监。
6.3运输与比存
6.3.1运摘,忙与中严禁愿天存效。注意防谢,不得日两雨洋。概运,转卸过中严瓶挥6.3.2则存么数件的色库必须通必干爆·库内相对显度不得超过2心%,5
A1.1取样教量:各取3,
GA 278- 2001
附录A
【标准的附录】
后邮恒接抗拉强既试瞻方法
-?供检测的域样必须外观检验合格。A2试验设备
A2.1强力试验机应具有调速或无级究速装景并符合相关标难,A2.2强勺试编起以I%应谢定,同时保证使用时负荷在满标15%--A5%的范闹以内。A2.3夹持器,上支持器为个不锡钢来月,应平稳均央住后即,下来持器为叫定或样主体,保证在平行的位置上均衡地类紧,
A3试验步票
A3.1将试样固定在夹扑器上,他就样的轴向与延神左向平行,A3.2启动拉力机,链其以(200士10)min/min的速度均创运行.至试样拉脱为止。43.3记录拉脱时的最大拉力。
试验报告
A4.7计算结果取整最.计量单位1V,A4-2试将控告应歧写次洲量值皮算术平均值。
小提示:此标准内容仅展示完整标准里的部分截取内容,若需要完整标准请到上方自行免费下载完整标准文档。
标准图片预览:





- 其它标准
- 上一篇: QB/T 5373-2019 F型夹
- 下一篇: GA 276-2001 警用服饰警号
- 热门标准
- GA公共安全标准
- GA563-2009 警服 春秋执勤服
- GA407.1-2003 进口机动车制造厂品牌名称代码 第1部分:制造厂各称代码
- GA470-2004 法庭科学DNA数据库现场生物样品和被采样人信息项及其数据结构
- GA899-2010 大型焰火燃放作业单位资质条件及管理
- GA300.1-2001 看守所在押人员信息管理代码 第1部分:看守所编码
- GA/T368-2001 入侵报警系统技术要求
- GA40-2004 交通事故案卷文书
- GA385-2002 火灾声和/或光警报器
- GA/T704.15-2007 出入境管理信息代码 第15部分:中国机读护照证件名称及种类代码
- GA/T704.11-2007 出入境管理信息代码 第11部分:入出境人员乘坐交通工具类型代码
- GA473-2004 抗人精液血清试剂
- GA/T536.4-2005 易燃易爆危险品 火灾危险性分级及试验方法 第4部分:遇水放出易燃气体物质分级试验方法
- GA/T70-2004 安全防范工程费用预算编制办法
- GA44-1993 消防头盔
- GA209-1999 消防过滤式自救呼吸器
- 行业新闻
网站备案号:湘ICP备2025141790号-2