- 您的位置:
- 标准下载网 >>
- 标准分类 >>
- 国家标准(GB) >>
- GB/T 4637-1994 35mm磁片上三声轨、四声轨和六声轨磁头隙缝的位置和宽度尺寸
标准号:
GB/T 4637-1994
标准名称:
35mm磁片上三声轨、四声轨和六声轨磁头隙缝的位置和宽度尺寸
标准类别:
国家标准(GB)
标准状态:
现行出版语种:
简体中文下载格式:
.zip .pdf下载大小:
93.44 KB
点击下载
标准简介:
GB/T 4637-1994.Head gaps and sound records for three-,four- ,or six-track magnetic sound records on 35 mnm motion-picture film containing no picture- Positions and width dimensions.
GB/T 4637等效采用国际标准ISO 162- -1985435 mm磁片上三声轨、四间轨和六声轨及17.5 mm磁片上单声轨磁头隙缝的位置和负度尺寸》。
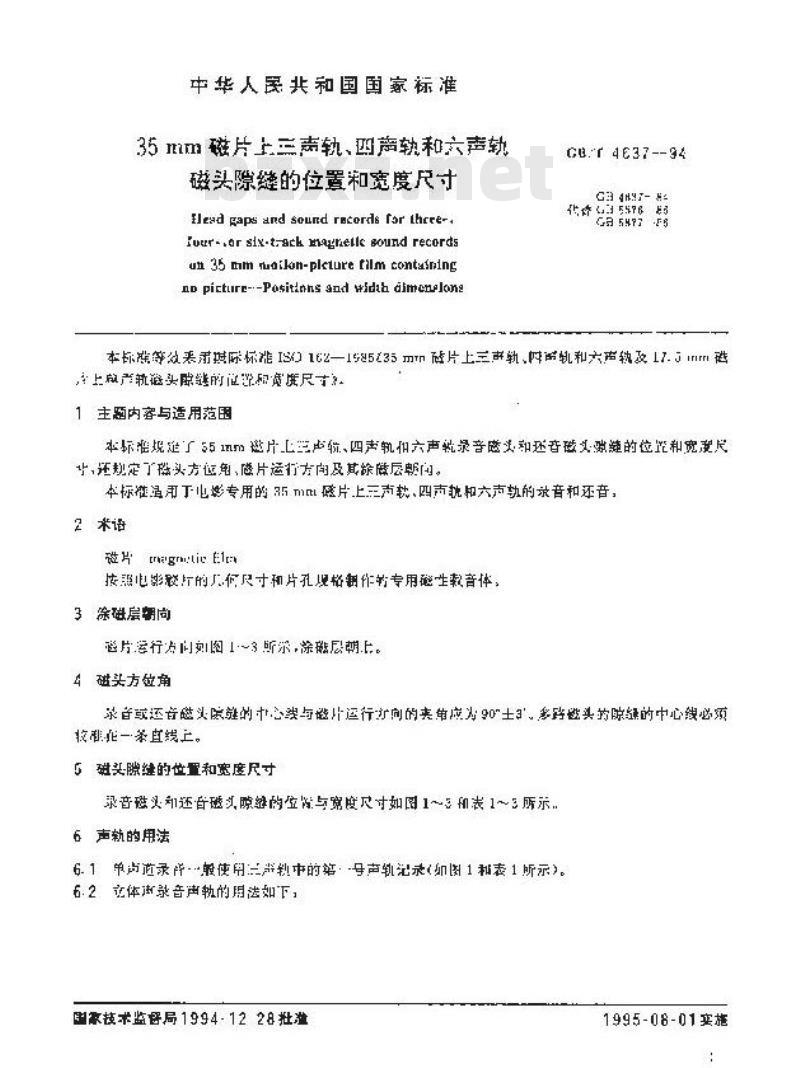
1主题内容 与适用范围
GB/T 4637规定了35mm礅片上三声锁、四声轨和六声轨录音磁头和还音磁头隙缝的位置和宽度尺寸,还规定了磁头方位角、磁片运行方向及其徐磁层朝向。
GB/T 4637适用于电影专用的35mm磁片上三声轨、四声轨和六声轨的录音和还音。
2术语
磁片magnetic film按照电影胶片的几何尺寸和片孔规格制作的专用磁性载音体。.
3涂磁层朝向
磁片运行方向如图1~3所示,徐磁层朝上。
4磁头方位角
录音或还音磁头原缝的中心线与磁片运行方向的夹角应为90*士3'。多路磁头的隙缝的中心线必须枚准在一条直线上。
5磁头隙缝的位置和宽度尺寸
录音磁头和还音磁头隙缝的位置与宽度尺寸如图1~3和表1~3所示。
6声轨的用法
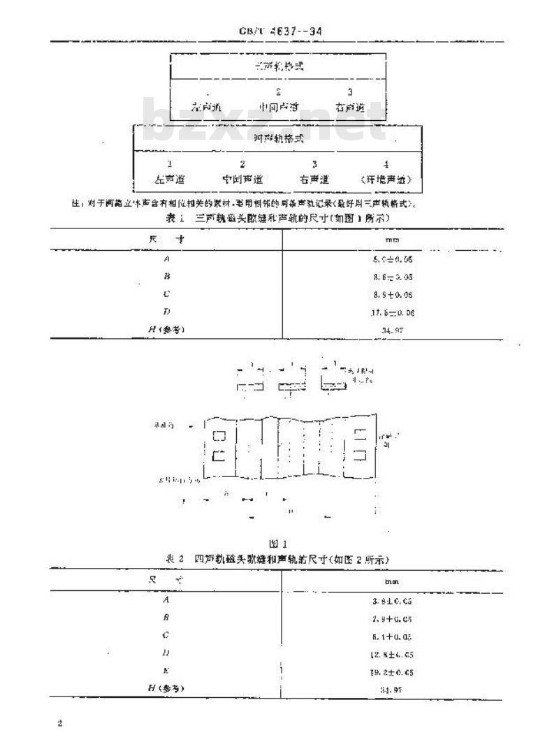
6.1 单声道录音一般使用三声轨中的第一号声轨记录(如图1和表1所示)。
6.2 立体声录音声轨的用法如下:
6.3出!在实际1.外中六声轨裕式有许多不同的攸巾方法旧此在移条破片上郁应清楚地标明肖轨的使用方法。
所有片公众上能应惊州书轨[编了和使用方法。
附加说明:
GB/T 4637由中华人民共和国广福电彩电视部提出。
GB/T 4637由广折电影电视部中国电彬科学技术研究所归口.
GB/T 4637白广播电影电视部中国屯影科学技术研究所负黄起草。
部分标准内容:
中华人民共和国国家标准
GB/T 4637 94
35mm磁片上三声轨、四声轨和六声轨磁头隙缝的位置和宽度尺寸
Hcad gaps and sound records for thrcc-,four-,nr six-track magnetic sound recordson 35 nm motion-picture film containingno picturtPositions and width dimensions1994-12-28发布
国家技术监督
1995-08-01实施免费标准下载网bzxz
中华人民共和国国家标准
35mm磁片上三需轨、声轨和六声轨磁头隙缝的位置和宽度尺寸
Hlead gaps and sound records for thcee-.Iuur-ir six-t-ack maghelle gound recordsun 35 mm ruailon-pleiure talm contasningn picture--Positinns and width dlmenelongGBT 4E37--94
E AI-8
化许5576
本等表或标31621535破片上轨物和方声热改17m,主上微产航头原继的世配和质质尺式1主题内容与适用范围
本标雅现延了551mm越片至也航四声轨六声就录音感头和还音磁义激的位和宽我尺,还规定了磁头方位角、感片运行方向及其综做层邮间。本标推温闭丁电影专用的35mnL磁片上三软、四声航和六声轨的录音和还音,2米语
片[egitie Elr
按照电彩整打的厂作尺寸和片孔理格制作的专用磁生较音体,3涂磁层期向
送片案行为间刻图1~3所尔,涂磁层期上。4磁头方粒角
录音或还音磁头院链的中心线与能比运行扩向的来单应为90士3多跨越头的晾经的中心线必须将租正一直线上。
5磁头续的位置和宽度尺寸
录音磁头和还自磁头晚然的位降与宽度尺寸如图1~3表1~3所示6声轨的用法
6.1单尚适录件·般使用三举软中的第:号声轨范录(图1利表1所示)。6.2文体街录音声轨的用法如下,国象技术监局1994-1228批
1995-08-01实施
CB/T 4637--34
间卢道
研产轨格式
中国道
左声道
《环境声近》
注,对于两陷立本声含有相位扫关的求过,毛用相书的与强声效记录(最好二声频格式》。表1
三声执盈头断缝和产轨的尺寸(如图房示)mm
5, 0, 05
8.6元2.05
8.9±0.05
1t.6-0.D6
2四醛头狱缝和声轨苗尺寸(如医2所示)表2
H(乡)
3.±心,c5
1, 9+ G. c5
12.#±4.c5
.2±心.65
GB/T 4637- 94
半3产轨避头继整和声轨的尺寸(如图3所示)尺
2.64牛n, 05
7. 34 ±0. 05
4..16±0.06
8.12±0.05
12.18±.04
18. 21±0, 05
30.30±0.05
GB/ 4637-94
心3F性实:非统陪式行评您不尚的值法图此在轻务您中上部应请超标明使让
净:斯行左可上成际学声软均演5和用为法附加说期、
本频州面中华人民共他国播电影电税部提出,本标需广势电能电现部码电研学消券究照购本标理落电能电现部中国电举科举技术研究新负即起节。
小提示:此标准内容仅展示完整标准里的部分截取内容,若需要完整标准请到上方自行免费下载完整标准文档。
标准图片预览:





- 热门标准
- GB国家标准
- GB/T30917—2014 /ISo 29941:2010 天然胶乳橡胶避孕套中可迁移亚硝胺的测定
- GB/T12777-1999 金属波纹管膨胀节通用技术条件
- GB/T29633.4-2020 南极地名 第4部分:罗马字母拼写
- GB15193.5-2003 骨髓细胞微核试验
- GB30530-2024 二甲基硅氧烷单位产品能源消耗限额
- GB/T43225-2023 空间物体登记要求
- GB4706.3-1986 家用和类似用途电器的安全食物搅碎器及类似用途电器的特殊要求
- GB15985-1995 丝虫病诊断标准及处理原则
- GB19159-2003 车用液化石油气
- GB/T7407-1997 中国及世界主要海运贸易港口代码
- GB/T15425-1994 贸易单128条码
- GB5237.3-2008 铝合金建筑型材 第3部分:电泳涂漆型材
- GB/T39964-2021 造纸行业能源管理体系实施指南
- GB/T9771.6-2020 通信用单模光纤 第6部分:宽波长段 光传输用非零色散单模光纤特性
- GB/T43929-2024 空间用纤维光学器件测试指南
- 行业新闻
网站备案号:湘ICP备2025141790号-2