- 您的位置:
- 标准下载网 >>
- 标准分类 >>
- 国家标准(GB) >>
- GB/T 1653-2023邻、对硝基氯苯
标准号:
GB/T 1653-2023
标准名称:
邻、对硝基氯苯
标准类别:
国家标准(GB)
英文名称:
o-,p-Chloronitrobenzene标准状态:
现行-
发布日期:
2023-08-06 -
实施日期:
2024-03-01 出版语种:
简体中文下载格式:
.pdf .zip下载大小:
2.76 MB
替代情况:
替代GB/T 1653-2013
点击下载
标准简介:
本文件规定了邻硝基氯苯、对硝基氯苯的要求、安全信息、采样、试验方法、检验规则,以及标志、标签、包装、运输和贮存。
本文件适用于邻硝基氯苯、对硝基氯苯的产品质量控制。
部分标准内容:
ICS71.100.01;87.060.10
CCSG56
中华人民共和国国家标准
GB/T1653—2023
代替GB/T1653—2013
邻、对硝基氯苯
o-,p-Chloronitrobenzene
2023-08-06发布
国家市场监督管理总局
国家标准化管理委员会
2024-03-01实施
GB/T1653—2023
本文件按照GB/T1.1—2020《标准化工作导则第1部分:标准化文件的结构和起草规则》的规定起草。
本文件代替GB/T1653—2013《邻、对硝基氯苯》,与GB/T1653—2013相比,除结构调整和编辑性改动外,主要技术变化如下:
删除了干品结晶点控制项目及其试验方法(见2013年版的第3章、6.3);更改了产品质量要求的指标(见第4章,2013年版的第3章);更改了采样要求(见第6章,2013年版的第5章);一更改了外观评定的测定方法(见7.2,2013年版的6.2);更改了纯度及其有机杂质含量测定和水分测定中的溶剂(见7.3.3、7.4,2013年版的6.4.2、6.5.1);
更改了平行测定允许差(见7.3.8,2013年版的6.4.6)。请注意本文件的某些内容可能涉及专利。本文件的发布机构不承担识别专利的责任。本文件由中国石油和化学工业联合会提出。本文件由全国染料标准化技术委员会(SAC/TC134)归口。本文件起草单位:中国石化集团南京化学工业有限公司、浙江闰土新材料有限公司、沈阳沈化院测试技术有限公司、沈阳化工研究院有限公司、厦门凯越特科技有限公司、金华橙拓家居用品有限公司、沈阳中化新材料科技有限公司。本文件主要起草人:周立军、王明、阮兴龙、杜建国、陈素娟、谭运超、向清龙、李婧伊、孔京、胡彦冰。本文件及其所代替文件的历次版本发布情况为:-1986年首次发布为GB1653一1986,1997年第一次修订;2006年第二次修订时,并入了GB/T6817一1992《对硝基氯苯》的内容(GB/T6817一1992的历次版本发布情况为:GB6817—1986);2013年第三次修订;
一本次为第四次修订。
邻、对硝基氯苯
GB/T1653—2023
警示一一使用本文件的人员应有正规实验室工作的实践经验。本文件并未指出所有可能的安全问题。使用者有责任采取适当的安全和健康措施,并保证符合国家有关法规规定的条件。1范围
本文件规定了邻硝基氯苯、对硝基氯苯的要求、安全信息、采样、试验方法、检验规则,以及标志、标签、包装、运输和贮存
本文件适用于邻硝基氯苯、对硝基氯苯的产品质量控制。分子式:C.H,CINO2
结构式:
邻硝基氯苯
CAS编号:
88-73-3
对硝基氯苯
100-00-5
相对分子质量:157.55(按2021年国际相对原子质量)2规范性引用文件
下列文件中的内容通过文中的规范性引用而构成本文件必不可少的条款。其中,注日期的引用文件,仅该日期对应的版本适用于本文件;不注日期的引用文件,其最新版本(包括所有的修改单)适用于本文件。
危险货物包装标志
GB/T191—2008
GB/T2386—2014
GB/T6678—2003
GB/T8170—2008
GB/T9722—2006
GB12268—2012
GB12463
GB15258
GB15603
包装储运图示标志
染料及染料中间体
水分的测定
化工产品采样总则
数值修约规则与极限数值的表示和判定化学试剂气相色谱法通则
危险货物品名表
危险货物运输包装通用技术条件化学品安全标签编写规定
危险化学品仓库储存通则
GB/T16483
3术语和定义
化学品安全技术说明书
内容和项目顺序
本文件没有需要界定的术语和定义。1
GB/T1653—2023
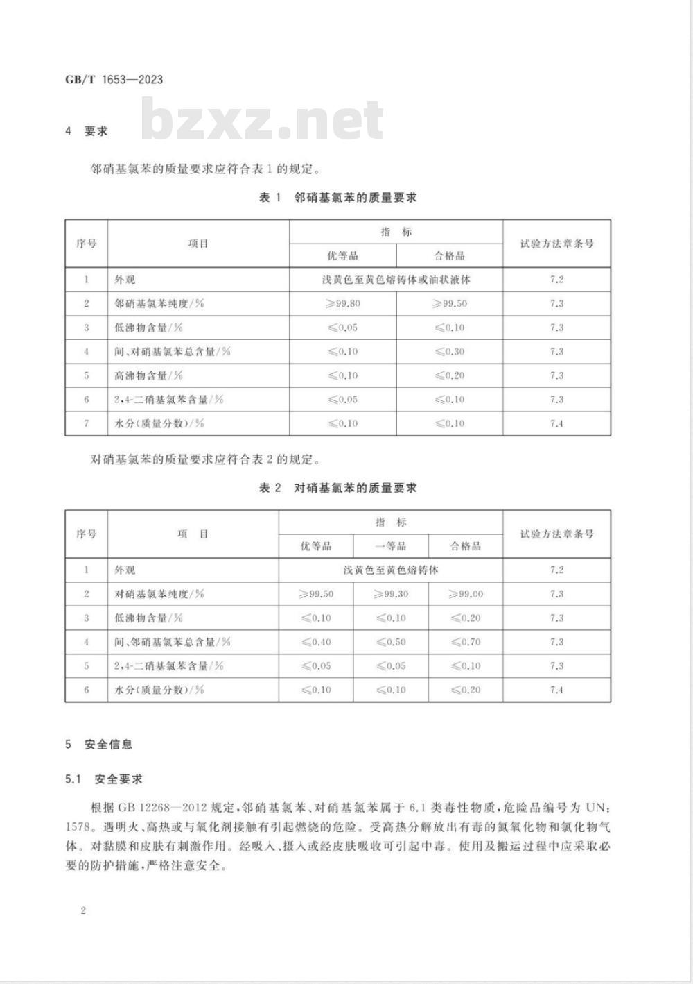
邻硝基氯苯的质量要求应符合表1的规定。表1
邻硝基氯苯纯度/%
低沸物含量/%
间、对硝基氯苯总含量/%
高沸物含量/%
2,4-二硝基氯苯含量/%
水分(质量分数)/%
邻硝基氯苯的质量要求
优等品
合格品
浅黄色至黄色熔铸体或油状液体≥99.80
对硝基氯苯的质量要求应符合表2的规定。表2
对硝基氯苯纯度/%
低沸物含量/%
间、邻硝基氯苯总含量/%
2,4-二硝基氯苯含量/%
水分(质量分数)/%
安全信息
安全要求
对硝基氯苯的质量要求
优等品
一等品
合格品
浅黄色至黄色熔铸体
试验方法章条号
试验方法章条号
根据GB12268一2012规定,邻硝基氯苯、对硝基氯苯属于6.1类毒性物质,危险品编号为UN:1578。遇明火、高热或与氧化剂接触有引起燃烧的危险。受高热分解放出有毒的氮氧化物和氯化物气体。对黏膜和皮肤有刺激作用。经吸入、摄人或经皮肤吸收可引起中毒。使用及搬运过程中应采取必
要的防护措施,严格注意安全。2
2安全技术说明书
按GB/T16483,邻硝基氯苯和对硝基氯苯出厂应提供详细的安全技术说明书6采样
GB/T1653—2023
以批为单位采样,生产厂以均匀产品为一批。每批采样数应符合GB/T6678一2003中7.6的规定,所采样品的包装应完好,采样时不应使外界杂质落人产品中。采样时先将桶放人化料池,待桶内物料全部熔化后搅匀,用采样管采取包括上、中、下三部分的样品,所采样品量不应少于200g。将采取的样品充分混匀后,分装于两个清洁、干燥、密封良好的容器中,其上粘贴标签。注明:产品名称、批号、生产厂名称、采样日期、地点。一个供检验,一个保存备查。试验方法
1一般规定
除非另有规定,仅使用确认为分析纯的试剂。检验结果的判定按GB/T8170一2008中的4.3.3修约值比较法进行。
外观的评定
在自然北叠光下采用自视评定。7.3
邻硝基氯苯、对硝基氯苯纯度及其有机杂质含量的测定7.3.1方法提要
采用气相色谱法,在毛细管色谱柱上,分离邻、对硝基氯苯及其有机杂质,经氢火焰离子化检测器(FID)检测,采用峰面积归一化法定量。7.3.2仪器设备
气相色谱仪:仪器稳定性和灵敏度应符合GB/T9722一2006中6.3和6.4.2的规定。7.3.2.2
检测器:氢火焰离子化检测器(FID)。毛细管色谱柱:长30m、内径0.32mm、膜厚0.25μm的毛细管色谱柱,固定相为(14%氰丙基-苯基)-甲基聚硅氧烷(如DB-1701或能达到同等分离效果的其他毛细管柱)。7.3.2.4
微量注射器或自动进样器。
分析天平:精度为0.1mg。
色谱工作站或积分仪,
7.3.3试剂
二氯甲烷:色谱纯。
7.3.4色谱分析条件
气相色谱分析条件如表3所示。wwW.bzxz.Net
GB/T1653—2023
控制参数
载气压力/kPa
检测器温度/℃
汽化室温度/℃
燃烧气(氢气)流量/(mL/min)助燃气(空气)流量/(mL/min)补偿气(高纯氮气)流量/(mL/min)分流比
进样量/μ山L
柱温(程序升温)
7.3.5试样溶液配制
色谱分析条件
分析条件
高纯氮气
初始温度为80℃,保持0min,以10℃/min的速度升温至140℃,保持5min。再以20℃/min的速度升温至250℃,保持5min称取试样约0.5g(精确至0.0001g)于烧杯中,加人适量二氯甲烷溶解,转移至10mL容量瓶中稀释到刻度,摇匀,为试样溶液。测定
可根据仪器设备不同,选择最佳分析条件。开启色谱仪,待仪器各项分析条件稳定后,进试样溶液,待出峰完毕后,用色谱工作站或积分仪进行结果处理。7.3.7
结果计算
邻硝基氯苯、对硝基氯苯纯度及其有机杂质含量以w,计,按式(1)计算:A,
式中:
试样中邻硝基氯苯、对硝基氯苯及其有机杂质的峰面积数值;...
ZA,一试样中邻硝基氯苯、对硝基氯苯及其有机杂质的峰面积数值之和。计算结果保留到小数点后两位。如结果小于0.01%,则保留一位有效数字。...(1)
注1:邻硝基氯苯一一低沸物为溶剂峰后邻硝基氯苯峰前除间、对硝基氯苯以外所有流出组分总和;高沸物为邻硝基氯苯峰后除2,4-二硝基氯苯以外所有流出组分总和。注2:对硝基氯苯一一低沸物为溶剂峰后对硝基氯苯峰前除间硝基氯苯以外所有流出组分总和;高沸物为对硝基氯苯峰后除邻硝基氯苯和2,4-二硝基氯苯以外所有流出组分总和。7.3.8
允许差
邻硝基氯苯、对硝基氯苯两次平行测定值之差的绝对值应不大于0.10%,其他有机杂质两次平行测定值之差的绝对值应不大于0.02%。取其算术平均值作为测定结果。7.3.9色谱图
邻硝基氯苯气相色谱示意图见图1,对硝基氯苯气相色谱示意图见图2。4
标引序号说明:
1——溶剂;
2—-氯苯;
3——对二氯苯;
4—硝基苯;
间硝基氯苯;
标引序号说明:
1溶剂;
2——氯苯;
3—-对二氯苯;
4——硝基苯;
6——对硝基氯苯;
邻硝基氯苯;
8——2,5-二氯硝基苯;
9—2,4-二硝基氯苯。
邻硝基氯苯气相色谱示意图
间硝基氯苯;
对硝基氯苯;
邻硝基氯苯;
8——2.4-二硝基氯苯。
图2对硝基氯苯气相色谱示意图
GB/T1653—2023
GB/T1653—2023
水分的测定
称样量为2.0g~5.0g(精确至0.0001g),溶剂为1体积甲醇和3体积二氯甲烷的混合溶液。其他按GB/T2386—2014中3.4规定的方法进行。计算结果保留到小数点后两位
水分两次平行测定值之差的绝对值应不大于0.03%,取其算术平均值作为测定结果,检验规则
检验分类
第4章规定的所有项目均为出厂检验项目。8.2
出厂检验
产品应由生产厂的质量检验部门进行检验合格,附合格证明后方可出厂。生产厂应保证所有出厂的邻硝基氯苯、对硝基氯苯产品都符合本文件的要求。8.3复检
检验结果中有一项指标不符合本文件的要求,应重新自两倍量的包装中取样进行复检。复检结果有一项指标不符合本文件要求,则整批产品判定为不合格。9标志、标签、包装、运输和购存9.1标志
产品的每个包装容器上都应按GB190和GB/T191一2008中的有关规定涂印耐久、清晰的标志,标志内容至少应有:
a)产品名称;
生产厂名称、厂址;
生产日期;
生产许可证编号和标志;
净含量;
警示标志(毒性物质)。
2标签
产品应有标签,标签上应注明产品生产日期、合格证明、本文件编号、批号和等级等。标签的编写应符合GB15258的规定。9.3包装
产品用清洁、干燥、坚固的200L钢桶包装,每桶净含量200kg土2.0kg。其他包装可与用户协商确定。产品的包装应符合GB12463的有关规定9.4运输
产品在运输过程中应防雨、防晒,搬运时应轻装轻卸,应防止包装及容器损坏。6
GB/T1653—2023
产品的贮存应符合GB15603的有关规定。应贮存于阴凉通风处,严防受潮,远离火源、热源。
小提示:此标准内容仅展示完整标准里的部分截取内容,若需要完整标准请到上方自行免费下载完整标准文档。
CCSG56
中华人民共和国国家标准
GB/T1653—2023
代替GB/T1653—2013
邻、对硝基氯苯
o-,p-Chloronitrobenzene
2023-08-06发布
国家市场监督管理总局
国家标准化管理委员会
2024-03-01实施
GB/T1653—2023
本文件按照GB/T1.1—2020《标准化工作导则第1部分:标准化文件的结构和起草规则》的规定起草。
本文件代替GB/T1653—2013《邻、对硝基氯苯》,与GB/T1653—2013相比,除结构调整和编辑性改动外,主要技术变化如下:
删除了干品结晶点控制项目及其试验方法(见2013年版的第3章、6.3);更改了产品质量要求的指标(见第4章,2013年版的第3章);更改了采样要求(见第6章,2013年版的第5章);一更改了外观评定的测定方法(见7.2,2013年版的6.2);更改了纯度及其有机杂质含量测定和水分测定中的溶剂(见7.3.3、7.4,2013年版的6.4.2、6.5.1);
更改了平行测定允许差(见7.3.8,2013年版的6.4.6)。请注意本文件的某些内容可能涉及专利。本文件的发布机构不承担识别专利的责任。本文件由中国石油和化学工业联合会提出。本文件由全国染料标准化技术委员会(SAC/TC134)归口。本文件起草单位:中国石化集团南京化学工业有限公司、浙江闰土新材料有限公司、沈阳沈化院测试技术有限公司、沈阳化工研究院有限公司、厦门凯越特科技有限公司、金华橙拓家居用品有限公司、沈阳中化新材料科技有限公司。本文件主要起草人:周立军、王明、阮兴龙、杜建国、陈素娟、谭运超、向清龙、李婧伊、孔京、胡彦冰。本文件及其所代替文件的历次版本发布情况为:-1986年首次发布为GB1653一1986,1997年第一次修订;2006年第二次修订时,并入了GB/T6817一1992《对硝基氯苯》的内容(GB/T6817一1992的历次版本发布情况为:GB6817—1986);2013年第三次修订;
一本次为第四次修订。
邻、对硝基氯苯
GB/T1653—2023
警示一一使用本文件的人员应有正规实验室工作的实践经验。本文件并未指出所有可能的安全问题。使用者有责任采取适当的安全和健康措施,并保证符合国家有关法规规定的条件。1范围
本文件规定了邻硝基氯苯、对硝基氯苯的要求、安全信息、采样、试验方法、检验规则,以及标志、标签、包装、运输和贮存
本文件适用于邻硝基氯苯、对硝基氯苯的产品质量控制。分子式:C.H,CINO2
结构式:
邻硝基氯苯
CAS编号:
88-73-3
对硝基氯苯
100-00-5
相对分子质量:157.55(按2021年国际相对原子质量)2规范性引用文件
下列文件中的内容通过文中的规范性引用而构成本文件必不可少的条款。其中,注日期的引用文件,仅该日期对应的版本适用于本文件;不注日期的引用文件,其最新版本(包括所有的修改单)适用于本文件。
危险货物包装标志
GB/T191—2008
GB/T2386—2014
GB/T6678—2003
GB/T8170—2008
GB/T9722—2006
GB12268—2012
GB12463
GB15258
GB15603
包装储运图示标志
染料及染料中间体
水分的测定
化工产品采样总则
数值修约规则与极限数值的表示和判定化学试剂气相色谱法通则
危险货物品名表
危险货物运输包装通用技术条件化学品安全标签编写规定
危险化学品仓库储存通则
GB/T16483
3术语和定义
化学品安全技术说明书
内容和项目顺序
本文件没有需要界定的术语和定义。1
GB/T1653—2023
邻硝基氯苯的质量要求应符合表1的规定。表1
邻硝基氯苯纯度/%
低沸物含量/%
间、对硝基氯苯总含量/%
高沸物含量/%
2,4-二硝基氯苯含量/%
水分(质量分数)/%
邻硝基氯苯的质量要求
优等品
合格品
浅黄色至黄色熔铸体或油状液体≥99.80
对硝基氯苯的质量要求应符合表2的规定。表2
对硝基氯苯纯度/%
低沸物含量/%
间、邻硝基氯苯总含量/%
2,4-二硝基氯苯含量/%
水分(质量分数)/%
安全信息
安全要求
对硝基氯苯的质量要求
优等品
一等品
合格品
浅黄色至黄色熔铸体
试验方法章条号
试验方法章条号
根据GB12268一2012规定,邻硝基氯苯、对硝基氯苯属于6.1类毒性物质,危险品编号为UN:1578。遇明火、高热或与氧化剂接触有引起燃烧的危险。受高热分解放出有毒的氮氧化物和氯化物气体。对黏膜和皮肤有刺激作用。经吸入、摄人或经皮肤吸收可引起中毒。使用及搬运过程中应采取必
要的防护措施,严格注意安全。2
2安全技术说明书
按GB/T16483,邻硝基氯苯和对硝基氯苯出厂应提供详细的安全技术说明书6采样
GB/T1653—2023
以批为单位采样,生产厂以均匀产品为一批。每批采样数应符合GB/T6678一2003中7.6的规定,所采样品的包装应完好,采样时不应使外界杂质落人产品中。采样时先将桶放人化料池,待桶内物料全部熔化后搅匀,用采样管采取包括上、中、下三部分的样品,所采样品量不应少于200g。将采取的样品充分混匀后,分装于两个清洁、干燥、密封良好的容器中,其上粘贴标签。注明:产品名称、批号、生产厂名称、采样日期、地点。一个供检验,一个保存备查。试验方法
1一般规定
除非另有规定,仅使用确认为分析纯的试剂。检验结果的判定按GB/T8170一2008中的4.3.3修约值比较法进行。
外观的评定
在自然北叠光下采用自视评定。7.3
邻硝基氯苯、对硝基氯苯纯度及其有机杂质含量的测定7.3.1方法提要
采用气相色谱法,在毛细管色谱柱上,分离邻、对硝基氯苯及其有机杂质,经氢火焰离子化检测器(FID)检测,采用峰面积归一化法定量。7.3.2仪器设备
气相色谱仪:仪器稳定性和灵敏度应符合GB/T9722一2006中6.3和6.4.2的规定。7.3.2.2
检测器:氢火焰离子化检测器(FID)。毛细管色谱柱:长30m、内径0.32mm、膜厚0.25μm的毛细管色谱柱,固定相为(14%氰丙基-苯基)-甲基聚硅氧烷(如DB-1701或能达到同等分离效果的其他毛细管柱)。7.3.2.4
微量注射器或自动进样器。
分析天平:精度为0.1mg。
色谱工作站或积分仪,
7.3.3试剂
二氯甲烷:色谱纯。
7.3.4色谱分析条件
气相色谱分析条件如表3所示。wwW.bzxz.Net
GB/T1653—2023
控制参数
载气压力/kPa
检测器温度/℃
汽化室温度/℃
燃烧气(氢气)流量/(mL/min)助燃气(空气)流量/(mL/min)补偿气(高纯氮气)流量/(mL/min)分流比
进样量/μ山L
柱温(程序升温)
7.3.5试样溶液配制
色谱分析条件
分析条件
高纯氮气
初始温度为80℃,保持0min,以10℃/min的速度升温至140℃,保持5min。再以20℃/min的速度升温至250℃,保持5min称取试样约0.5g(精确至0.0001g)于烧杯中,加人适量二氯甲烷溶解,转移至10mL容量瓶中稀释到刻度,摇匀,为试样溶液。测定
可根据仪器设备不同,选择最佳分析条件。开启色谱仪,待仪器各项分析条件稳定后,进试样溶液,待出峰完毕后,用色谱工作站或积分仪进行结果处理。7.3.7
结果计算
邻硝基氯苯、对硝基氯苯纯度及其有机杂质含量以w,计,按式(1)计算:A,
式中:
试样中邻硝基氯苯、对硝基氯苯及其有机杂质的峰面积数值;...
ZA,一试样中邻硝基氯苯、对硝基氯苯及其有机杂质的峰面积数值之和。计算结果保留到小数点后两位。如结果小于0.01%,则保留一位有效数字。...(1)
注1:邻硝基氯苯一一低沸物为溶剂峰后邻硝基氯苯峰前除间、对硝基氯苯以外所有流出组分总和;高沸物为邻硝基氯苯峰后除2,4-二硝基氯苯以外所有流出组分总和。注2:对硝基氯苯一一低沸物为溶剂峰后对硝基氯苯峰前除间硝基氯苯以外所有流出组分总和;高沸物为对硝基氯苯峰后除邻硝基氯苯和2,4-二硝基氯苯以外所有流出组分总和。7.3.8
允许差
邻硝基氯苯、对硝基氯苯两次平行测定值之差的绝对值应不大于0.10%,其他有机杂质两次平行测定值之差的绝对值应不大于0.02%。取其算术平均值作为测定结果。7.3.9色谱图
邻硝基氯苯气相色谱示意图见图1,对硝基氯苯气相色谱示意图见图2。4
标引序号说明:
1——溶剂;
2—-氯苯;
3——对二氯苯;
4—硝基苯;
间硝基氯苯;
标引序号说明:
1溶剂;
2——氯苯;
3—-对二氯苯;
4——硝基苯;
6——对硝基氯苯;
邻硝基氯苯;
8——2,5-二氯硝基苯;
9—2,4-二硝基氯苯。
邻硝基氯苯气相色谱示意图
间硝基氯苯;
对硝基氯苯;
邻硝基氯苯;
8——2.4-二硝基氯苯。
图2对硝基氯苯气相色谱示意图
GB/T1653—2023
GB/T1653—2023
水分的测定
称样量为2.0g~5.0g(精确至0.0001g),溶剂为1体积甲醇和3体积二氯甲烷的混合溶液。其他按GB/T2386—2014中3.4规定的方法进行。计算结果保留到小数点后两位
水分两次平行测定值之差的绝对值应不大于0.03%,取其算术平均值作为测定结果,检验规则
检验分类
第4章规定的所有项目均为出厂检验项目。8.2
出厂检验
产品应由生产厂的质量检验部门进行检验合格,附合格证明后方可出厂。生产厂应保证所有出厂的邻硝基氯苯、对硝基氯苯产品都符合本文件的要求。8.3复检
检验结果中有一项指标不符合本文件的要求,应重新自两倍量的包装中取样进行复检。复检结果有一项指标不符合本文件要求,则整批产品判定为不合格。9标志、标签、包装、运输和购存9.1标志
产品的每个包装容器上都应按GB190和GB/T191一2008中的有关规定涂印耐久、清晰的标志,标志内容至少应有:
a)产品名称;
生产厂名称、厂址;
生产日期;
生产许可证编号和标志;
净含量;
警示标志(毒性物质)。
2标签
产品应有标签,标签上应注明产品生产日期、合格证明、本文件编号、批号和等级等。标签的编写应符合GB15258的规定。9.3包装
产品用清洁、干燥、坚固的200L钢桶包装,每桶净含量200kg土2.0kg。其他包装可与用户协商确定。产品的包装应符合GB12463的有关规定9.4运输
产品在运输过程中应防雨、防晒,搬运时应轻装轻卸,应防止包装及容器损坏。6
GB/T1653—2023
产品的贮存应符合GB15603的有关规定。应贮存于阴凉通风处,严防受潮,远离火源、热源。
小提示:此标准内容仅展示完整标准里的部分截取内容,若需要完整标准请到上方自行免费下载完整标准文档。
标准图片预览:





- 热门标准
- 国家标准
- GB/T2828.1-2012 计数抽样检验程序 第1部分:按接收质量限(AQL)检索的逐批检验抽样计划
- GB/T18204.4-2000 公共场所毛巾、床上卧具微生物检验方法细菌总数测定
- GB/T23892.3-2009 滑动轴承 稳态条件下流体动压可倾瓦块止推轴承 第3部分:可倾瓦块止推轴承计算的许用值
- GB/T11839-1989 二氧化铀芯块中硼的测定 姜黄素萃取光度法
- GB/T6122.1-2002 圆角铣刀 第1部分:型式和尺寸
- GB/T7433-1987 对称电缆载波通信系统抗无线电广播和通信干扰的指标
- GB/T21238-2007 玻璃纤维增强塑料夹砂管
- GB/T28809-2012 轨道交通 通信、信号和处理系统 信号用安全相关电子系统
- GB/T9124.1-2019 钢制管法兰 第1部分:PN 系列
- GB17945-2024 消防应急照明和疏散指示系统
- GB15603-2022 危险化学品仓库储存通则
- GB6819-1996 溶解乙炔
- GB/T9239-1988 刚性转子平衡品质 许用不平衡的确定
- GB/T15917.3-1995 金属镝及氧化镝化学分析方法 对氯苯基荧光酮--溴化十六烷基三甲基胺分光光度法测定钽量
- GB/T5738-1995 瓶装酒、饮料塑料周转箱
- 行业新闻
请牢记:“bzxz.net”即是“标准下载”四个汉字汉语拼音首字母与国际顶级域名“.net”的组合。 ©2025 标准下载网 www.bzxz.net 本站邮件:bzxznet@163.com
网站备案号:湘ICP备2025141790号-2
网站备案号:湘ICP备2025141790号-2