- 您的位置:
 - 标准下载网 >>
 - 标准分类 >>
 - 公共安全行业标准(GA) >>
 - GA/T 1132-2014 车辆出入口电动栏杆机技术要求
 
标准号:
GA/T 1132-2014
标准名称:
车辆出入口电动栏杆机技术要求
标准类别:
公共安全行业标准(GA)
标准状态:
现行出版语种:
简体中文下载格式:
.zip .pdf下载大小:
6.64 MB
点击下载
标准简介:
					GA/T 1132-2014.Technical requirements for electrical barriers used in vehicle access.
1范围
GA/T 1132规定了车辆出人口电动栏杆机的技术要求和试验方法,是设计、制造、检验车辆出入口电动栏杆机的基本依据。
GA/T 1132适用于以安全防范为目的,采用栏杆垂直于出人方向旋转方式工作的车辆出入口电动栏杆机,其他工作方式的出入口电动栏杆机可参照执行。
2规范性引用文件
下列文件对于本文件的应用是必不可少的。凡是注日期的引用文件,仅注日期的版本适用于本文件。凡是不注日期的引用文件,其最新版本(包括所有的修改单)适用于本文件.
GB/T 2421.1- 2008电工电子产品环境试验概述与指南
GB/T 2423.1- 2008电工电子产品环境试验第2部分:试验方法试验 A:低温
GB/T 2423.2- 2008 电工电子产 品环境试验第2部分:试验方法试验 B:高温
GB/T 2423.3- 2006 电工电子产 品环境试验第2 部分:试验方法试验 Cab:恒定湿热试验
GB/T 2423.17- 2008电工电 子产品环境试验第2 部分:试验方法试验 Ka:盐雾
GB/T2828.1--2012计数抽样检验程序第1部分:按接收质量限(AQL)检索的逐批检验抽样计划
GB 4208- 2008外壳防 护等级(IP代码)
GB16796-2009安全防范报警设备安全要求和试验方法
GB/T 17626.2- 2006 电磁兼容 试验 和测量技术静 电放电抗扰度试验
GB/T 17626.4- 2008电磁兼容 试验 和测量技术电 快速瞬变脉冲群抗扰度试验
GB/T 17626.5- 2008 电磁兼容 试验 和测量技术浪 涌(冲击)抗扰度试验
GB/T 17626.11-2008电磁兼容 试验和测量技术 电 压暫降.短时中断和电压变化的抗扰度试验
GA/T 761- 2008停车库(场)安全管 理系统技术要求
3术语和定义
GA/T 761- 2008界定的以及下列术语和定义适用于本文件。
部分标准内容:
中华人民共和国公共安全行业标准GA/T1132—2014
车辆出入口电动栏杆机技术要求Technical requirements for electrical barriers used in vehicle access2014-01-20发布
中华人民共和国公安部
2014-03-01实施
GA/T1132—2014
2规范性引用文件www.bzxz.net
3术语和定义
电动栏杆机组成及分类
5技术要求
6试验方法.
检验规则·
附录A(规范性附录)
电动栏杆机分类
附录B(资料性附录)
电动栏杆机相关标识图形或符号附录C(规范性附录)
设备安装后结构尺寸要求,
本标准按照GB/T1.1一2009给出的规则起草。本标准由全国安全防范报警系统标准化技术委员会(SAC/TC100)归口。GA/T1132—2014
本标准主要起草单位:深圳市捷顺科技实业股份有限公司、北京艾克塞斯科技发展有限责任公司、北京中盾安全技术开发公司、国家安全防范报警系统产品质量监督检验中心(上海)、国家安全防范报警系统产品质量监督检验中心(北京)、深圳市车安科技发展有限公司、深圳市博思高科技有限公司。本标准主要起草人:唐健、朱峰、金巍、戎玲、李井山、王建军、李启家、何军、杨立新、王桃、杨彦辉、景发俊、周自芳、陶。
1范围
车辆出入口电动栏杆机技术要求GA/T1132-—2014
本标准规定了车辆出人口电动栏杆机的技术要求和试验方法,是设计,制造,检验车辆出人口电动栏杆机的基本依据
本标准适用于以安全防范为目的、采用栏杆垂直于出人方向旋转方式工作的车辆出人口电动栏杆机,其他工作方式的出人口电动栏杆机可参照执行。2规范性引用文件
下列文件对于本文件的应用是必不可少的。凡是注日期的引用文件,仅注日期的版本适用于本文件。凡是不注日期的引用文件,其最新版本(包括所有的修改单)适用于本文件。GB/T2421.1—2008
电工电子产品环境试验
概述与指南
GB/T2423.12008电工电子产品环境试验第2部分,试验方法
GB/T2423.2—2008
电工电子产品环境试验
第2部分:试验方法
试验A:低温
试验B:高温
电工电子产品环境试验
第2部分:试验方法
GB/T2423.32006
试验Cab:恒定湿热试验
GB/T2423.17—2008电工电子产品环境试验第2部分:试验方法试验Ka:盐雾GB/T2828.1一2012计数抽样检验程序第1部分:按接收质量限(AQL)检索的逐批检验抽样计划
3外壳防护等级(IP代码)
GB4208--2008
9安全防范报警设备安全要求和试验方法GB167962009
电磁兼容试验和测量技术
静电放电抗扰度试验
GB/T17626.2--2006
GB/T17626.4—2008
电磁兼容
试验和测量技术
电快速瞬变脉冲群抗扰度试验
GB/T17626.5—2008
试验和测量技术浪涌(冲击)抗扰度试验电磁兼容
GB/T17626.11—2008
试验和测量技术电压暂降、短时中断和电压变化的抗扰度电磁兼容
GA/T761一2008停车库(场)安全管理系统技术要求3术语和定义
GA/T761一2008界定的以及下列术语和定义适用于本文件。3.1
电动栏杆机electrical barrier设置在车辆出人口,通过垂直于出人方向旋转的栏杆起杆/落杆,提示车辆放行/禁行的设备。3.2
Iaccess space available
有效通行空间
电动栏杆机在车辆出人口通道形成的允许车辆通过的有效空间。注:有效通行空间示意图见附录A中的图A.1,1
GA/T1132—2014
有效阻挡空间blocked spaceavailable电动栏杆机在车辆出人口通道形成的阻挡车辆通过的有效空间。注:有效阻挡空间示意图见附录A中的图A.1。3.4
放行状态
access state
栏杆实现起杆后使出人口通道形成有效通行空间的状态。3.5
禁行状态prohibited access state栏杆实现落杆后使出人口通道形成有效阻挡空间的状态。3.6
polerunningstate
栏杆运行状态
栏杆实现放行、禁行两种状态转换的过程。3.7
emergency access
应急放行
在紧急情况下,能够自动和/或手动使栏杆处于放行状态。4电动栏杆机组成及分类
电动栏杆机组成
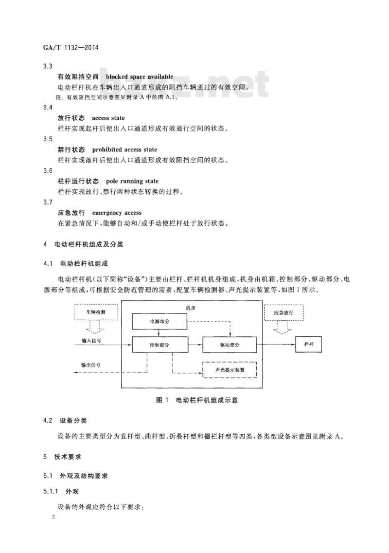
电动栏杆机(以下简称“设备”)主要由栏杆、栏杆机机身组成,机身由机箱、控制部分、驱动部分、电源部分等组成,可根据安全防范管理的需要,配置车辆检测器、声光提示装置等,如图1所示。车辆检剩
输入信号
输出信号
4.2设备分类
电源部分
控制部分
驱动部分
声光提示装置
图1电动栏杆机组成示意
应息放行
设备的主要类型分为直杆型、曲杆型、折叠杆型和栅栏杆型等四类,各类型设备示意图见附录A。5技术要求
外观及结构要求
5.1.1外观
设备的外观应符合以下要求:
GA/T1132—2014
a)外表应平整清洁,不应有毛刺、飞边,砂眼,气孔等缺陷,不应有擦伤,划痕,变形,破损以及生锈、腐蚀等损伤,不应有渗漏、析出物痕迹,不应有尖锐的凸起、边角或棱角;透明材料的内部应无明显空穴,气泡、流体线迹和夹杂的杂质;b)
镀层和涂覆层应有良好的附着力,表面色泽应均匀一致,平整光滑,无修整后痕迹,无嵌人表面和附在表面上的杂质,不应有裂纹,起泡及表层脱落等现象5.1.2标志
5.1.2.1标志要求
标志应符合以下要求:
a)标志的所有文字、符号应清晰、正确,易于识别;b)标志的耐擦性应符合GB16796—2009中5.3.2的要求。5.1.2.2机身标志
设备机身应有清晰牢固的标志,标志应包括以下内容:5.1.2.2.1
a)规格型号:
b)制造厂商的名称或商标;
应急放行提示标识(标识图形符号参见附录B)d)其他必要的提示符号,如安全警示符号、安全接地符号、危险电压标示等;供电电源的性质及极性;
接线端子的性质及功能。
5.1.2.2.2设备机身标志宜包括以下内容,如无法在设备上标注下述内容,则应在说明书中给出:供电电源的电压额定值:
设备运行的功率消耗值;
设备应用环境分类。
5.1.2.3栏杆标志
栏杆应具有便于通行对象识别的视觉特征标识/标志,如反光或发光的图形、符号、文字等栏杆应具备对比鲜明的两种或两种以上颜色的视觉特征,特征表现形式为不同色条或色环相间,宜为红白颜色相间或黑黄颜色相间,相间间距宜为125mm~300mm,并且相间的色块或色环高度宜不小于25mm,如图2所示。色块或色环宜具备发光和/或反光的能力。+
相间间距
相间间距
色条或色环尺寸示意
5.1.3结构
5.1.3.1结构基本要求
设备结构应满足以下要求:
a)机箱采用厚度不低于1.5mm和抗拉强度极限不小于345MPa的钢板制成,或采用强度与之3
GA/T1132—2014
相当的材料和其他结构;
设备机身具有驱动和支撑栏杆的相应结构:栏杆机机身箱体具有锁止装置,开启应使用专用工具或钥匙(密钥);c)
d)运行时的转换速度为高速、快速的栏杆,应加装缓冲胶条、保护套等防护材料。注:转换速度的划分参照表1。
5.1.3.2结构强度
设备各部分的结构强度要求如下:a)栏杆处于禁行状态时,在没有任何支撑(除了机身的支撑的情况下,栏杆挠度不大于60mm;注:计算挠度时以栏杆的下沿高度为基准。b)栏杆(主杆)应能承受250N静压力,不应出现机械损伤或产生永久变形;机箱外壳上能正常接触到的最薄弱面应能承受0.5J的机械冲击强度,不应产生永久的变形和损坏;
注:试验后,允许机箱外壳有轻微的凹坑和掉漆。d)栏杆与机身组合,栏杆在非运行状态时,在垂直于出人口方向的最大截面(如图A.1所示,指W,H形成的截面)上承受350N/m的压强,设备受压后恢复1min应能正常工作,栏杆不应损坏或产生永久变形。
注:设备制造厂商宜在产品说明书中说明栏杆的最大截面面积和支持的栏杆长度。5.1.3.3结构尺寸要求
设备的结构尺寸应满足以下要求设备的结构尺寸应符合产品说明书或技术手册的明示;a)
栏杆、机身及其组合的结构应适应出人通道的形式,保证在禁行状态下形成有效阻挡空间,在b)
放行状态下形成有效通行空间:直杆,曲杆,折叠杆,栅栏杆形态(见附录A)下的有效阻挡空间和有效通行空间在产品说明书或技术手册中应分别进行描述,安装后应符合附录C的要求:c)产品说明书中应明示设备安装后的允许浸水高度,并给出设备安装图,设备安装后的浸水高度应符合附录C的要求。
5.2功能
5.2.1放行/禁行
设备控制部分应具备接收人工操作的和/或出人口控制系统的和/或检测通行对象等输人信号,控制驱动部分驱动栏杆起杆/落杆并到位,实现“放行”/禁行”的功能,并满足以下要求a)设备应具备开启优先功能,当栏杆处于非放行状态而接收到放行指令时,应立即运行到放行状态:
检测车辆的信号从有车到无车时,能控制驱动部分驱动栏杆运行到禁行状态;在驱动部分的驱动下,栏杆完成禁行状态到敬行状态转换或完成放行状态到禁行状态转换的c
单程运行时间(参见表1),可由制造厂商预设,或单程运行时间可调节。5.2.2放行计数控制
设备宜具有放行计数控制功能,设备记录接收放行指令的次数与通过车辆检测器感知车辆通过的次数,判定相等并在车辆检测信号为无车时,设备自动运行到禁行状态5.2.3视觉/听觉显示和提示
设备宜具备视觉/听觉(声、光)显示和提示功能,例如通过不同颜色的光、符号或文字,或者通过声4
音,显示/提示设备状态信息。
显示所用文字/字符和图形符号的字号、字体应以醒目、便于阅读为宜,视觉信息包含5.4.2中输出功能的各种信号。视觉信息应按照以下优先顺序:报警信号,包括5.4.2中输出功能的报警信号:—栏杆状态信号:
其他信号。
5.2.4联动
GA/T1132—2014
设备宜具备与其他阻挡或劝阻设备联动的功能,如路障机、红绿灯、电动栏杆机等。5.2.5应急放行
设备在停电,电源故障或机械故障时,应具有以下一种或几种方式实现应急放行功能a)由操作人员手动或借助辅助工具操作使栏杆处于“放行”状态,辅助工具宜为专用工具由操作人员手动或借助辅助工具使栏杆与机身分离,辅助工具宜为专用工具:b)
c)在电源断电后使栏杆能够运行到“放行”状态。注:手动或借助辅助工具及其操作应在说明书中说明,工具存放地点应在说明书中指明。5.2.6通行安全
设备具有以下保障通行安全的功能:a)设备具备以下防砸车功能:
1)车辆检测信号为有车辆时,处于“放行”状态的栏杆应不改变状态,处于“放行”状态转变为“禁行”状态的栏杆应停止运行或自动返回到“放行”状态;2)栏杆从放行状态向禁行状态转变过程中遇阻时,宜自动返回放行状态或停止运行;b)设备所有部分的缝隙及运动(转动)部件应具备防止对人可能伤害的措施,例如禁止触摸的警示标志:
设备可能被通行车辆碰撞或冲击的部位,不宜采用易破碎飞溅的材料:d)
当起杆或落杆单程运行的时间超过制造商的预设值时,则栏杆宜停止动作。5.3性能
设备的单程运行时间
设备完成禁行/故行状态转换的单程运行时间宜符合表1中的要求,不同长度的栏杆宜支持不同等级的转换速度要求。
表1电动栏杆机的转换速度与栏杆长度转换速度
单程运行时间/s
“禁行”状态转换到”放行”状态tti≤1.5
1.5<≤2.5
2.5
1.5≤2.5
注:栏杆单程运行时间与烂杆长度相匹配,制造厂家应在说明书中明确指出。适宜栏杆长度
GA/T1132—2014
设备运行稳定性
依据单程运行时间,设备在“放行”/“禁行”状态不间断转换500次后,设备的功耗、转换速率应无变化(允许误差范围为土1%),栏杆(主杆)与预设地面的角度应符合规范性附录C中C.1c)的要求。5.3.3
3噪声限值
栏杆处于运行状态时设备产生的噪声应不大于75dB(A)。5.4接口要求
电气物理接口
设备的电气物理接口符合以下要求:设备的接口能力应满足功能配置要求,可支持有线和/或无线传输方式,宜预留扩展接口;a)
设备应至少具有开关量信号接口,开关量信号为手动按钮开关量信号时,持续时间不小于b)
400ms;
c)设备可支持一种或多种通讯接口,如RS485/232/422、TCP/IP.CAN总线等接口。5.4.2输入输出信号
输入信号
控制部分具有5.4.1的接口,应能够接收以下输人信号:人工操作指令:
出人口控制系统指令;
一车辆检测器的信号。
控制部分宜能接收以下输人信号:一栏杆受到外力的信号。
输出信号
控制部分宜具有5.4.1的接口,能够输出以下信号:放行状态信号;
禁行状态信号;
放行状态,禁行状态相互转换的信号:报警信号,包括未经正常操作而使栏杆处于放行状态的报警信号、设备故障报警信号等。5.5
电源适应性
设备应给定电源适应性指标,其中,由交流电源(AC)供电的,要求设备电源电压波动范围在额定值220VAC的土15%之内时应能正常工作;由直流电源(DC)供电的,要求设备电源波动范围在电源电压额定值士10%之内时应能正常工作。5.6
环境适应性
5.6.1设备适宜环境分类
适宜于设备工作的以下环境类别和严酷等级:6
a)类别I:通常意义的室内,本处指地下车库内(或者立体车库);GA/T1132—2014
b)类别Ⅱ:处于室外有遮蔽的环境条件,有直接淋雨和日晒的防护,或者室内极端的环境条件(例如,车库出人口等),经受大气环境的气压,湿度,温度、日晒、风力等作用:类别Ⅲ:通常意义的室外,指完全暴露于室外环境条件,经受大气环境的气压、湿度、温度、日c
晒、风力、淋雨等作用。
类别I、类别Ⅱ、类别Ⅲ逐级严酷,因此,后续表2、表3、表4中所要求的类别Ⅲ设备可被用于类别I、类别Ⅱ的应用中,类别Ⅱ设备可被用于类别I的应用中。后缀AB可加在类别Ⅲ中,类别ⅢA对应我国南部热带地区的特殊高温条件,类别ⅢB对应最北部地区的特殊低温条件以及沙漠地区早晚温差极大的恶劣条件,类别ⅢA和类别ⅢB应作为类别Ⅲ处理。
5.6.2工作温度环境适应性
设备工作温度环境适应性应符合表2的要求,在承受各项气候环境试验中和试验后,均应正常工作。
表2设备所处环境适应性要求
室内安装部分设备
高温试验
低温试验
类别I
额定值试验时间
-10℃
5.6.3恒定湿热
室外1安装部分设备
类别Ⅱ
额定值
-25℃
试验时间
室外2安装部分设备
类别ⅢA
额定值
试验时间
类别ⅢB
额定值
设备在温度为(40士2)℃、相对湿度为RH(93士3)%的环境中,48h内能正常运行。5.6.4盐雾
设备暴露在如表3的盐雾(氯化钠)环境中,设备内部及外部不应有锈蚀等永久性损伤。表3盐雾要求
项目名称
盐雾试验
15℃~35C:
盐溶液浓度为(5士0.1)%;
额定值
雾化前盐落液的pH值在6.5~7.2之间注:类别Ⅲ级的耐盐雾在我国北部寒冷地区、沙漠地区不做要求。5.7设备机箱外壳防护等级
试验时间
试验时间
不同类别环境下的设备机箱外壳防护等级符合表4中的规定,设备机箱外壳防护等级的“IP数字”应符合GB4208—2008的规定。
GA/T1132—2014
设备适宜环境分类
类别I
类别Ⅱ
类别Ⅲ
设备电气安全性要求
5.8.1抗电强度
表4设备机箱外壳防护等级要求
设备机箱外壳防护等级
设备在相对湿度为(93土3)%、温度为(十40土2)℃的条件下,经48h的恒定湿热预处理后,在电源输人端与外壳裸露金属部件之间,应能经受1.5kV、45Hz~65Hz交流电压、历时1min而无击穿和飞弧现象。
5.8.2绝缘电阻
设备的电源插头或电源引人端与外壳裸露金属部件之间的绝缘电阻,在常规环境条件下应不小于100MQ,在湿热条件下应不小于5M2。5.8.3
泄漏电流
设备的泄漏电流应不大于5mAAC、峰值)。5.8.4保护接地端子
设备与交流电源的连接,应采用工作零线和保护接地线严格分开的方式,即S(TN-S)方式。设备应具有保护接地端子,其与可触及的导电零部件间应有导电良好的直接连接,接触电阻应不大于0.10。
5.8.5自我保护
5.8.5.1温升
设备防止过热应符合GB16796--2009中5.6.2的规定,机壳外表的温度应不超过65℃。5.8.5.2
过载保护
电动机运转应有过负荷保护功能,包括过流保护、过压保护等,但不应仅使用熔断型保险丝实现保护。当出口控制设备执行启闭动作的电动或电磁等部件短路时,进行任何开启、关闭操作都不得导致电源损坏,但允许更换保险装置。5.8.5.3防止触及危险电压
设备能够被打开(开放)的部位,对带有危险电压可能被触及的零部件应有必要的警示符号,宜有隔挡、屏蔽、绝缘包裹等措施。
5.9电磁兼容性要求
5.9.1静电放电抗扰度
设备的静电放电抗扰度限值应符合GB/T17626.2一2006中试验等级3的规定。8
试验期间,试样不应损坏、故障或发生状态改变。试验后基本功能应满足5.2.1的要求。5.9.2电快速瞬变脉冲群抗扰度
GA/T1132—2014
设备各端口的电快速瞬变脉冲群抗扰度限值应符合GB/T17626.4—2008中试验等级3的规定。重复频率5kHz。
试验期间,试样不应损坏、故障或发生状态改变。试验后基本功能应满足5.2.1的要求。5.9.3浪涌(冲击)抗扰度
设备的浪涌(冲击)抗扰度限值应符合GB/T17626.5--2008的规定:电源端口及1/O端口等级3;通信端口等级2。
试验期间。试样不应损坏、故障或发生状态改变。试验后基本功能应满足5.2.1的要求。5.9.4电压暂降、短时中断和电压变化抗扰度试验本要求仅适用于交流电源端口。电压暂降、短时中断和电压变化抗扰度限值应符合GB/T17626.11一2008的规定:减少到30%UT持续0.5个周期:减少到60%UT持续5个周期;减少到95%UT持续250个周期。试验期间,被测样品不应损坏、故障或发生状态改变。试验后设备应正常工作。6试验方法
6.1一般测试条件
除非另有规定,用于测量和试验的试验室大气条件应是如下所述的GB/T2421.1-2008规定的标准的大气条件:
—温度:15℃~35℃;
相对湿度:25%~75%;
—大气压:86kPa~106kPa。
注:如这些参数对测试有明显的影响时,在对样品的测试过程当中应将此变化控制在最小的范围内。6.2外观及结构检查
6.2.1外观检查
通过目视和手触摸检验,用计量工具测量尺寸,还可以采用试样与样品比对的方式,检查试样外观,判定结果是否符合5.1.1的要求。其中,目视检查人员应有正常的视力和颜色分辨力,并在最有利的观察距离和适当的照明条件下进行检查。6.2.2标志检查
逐项检查设备的标志,判定结果是否符合5.1.2的要求,包括:a)按照5.1.2.2的要求,目视检查试样机身标志内容,用计量工具测量尺寸,并手触摸检验以及按5.1.2.1b)的要求进行标志耐擦性试验,判定结果是否符合5.1.2.1a)的要求;b)通过目视和手触摸检验,用计量工具测量尺寸,还可以采用试样与样品比对的方式,检查栏杆9
小提示:此标准内容仅展示完整标准里的部分截取内容,若需要完整标准请到上方自行免费下载完整标准文档。
标准图片预览:





- 其它标准
 
- 热门标准
 - GA公共安全标准
 
- GA/T1588-2019 法庭科学 法医临床鉴定室建设规范
 - GA/T970-2011 危险化学品泄漏事故处置行动要则
 - GA/T1727-2020 光幕靶测速仪校准规范
 - GA55-93物 通用标签
 - GA436-2003 机动车修理业、报废机动车回收拆解业治安管理信息系统数据库规范
 - GA136-1996 软垫家具易燃性的实验和分级方法
 - GA557.2-2005 互联网上网服务营业场所信息安全管理代码第2部分:营业场所营业状态代码
 - GA233.4-1999 旅馆业治安管理信息基本数据交换格式第4部分:旅馆处罚结果基本数据交换格式
 - GA557.7-2005 互联网上网服务营业场所信息安全管理代码第7部分:管理端代码
 - GA660-2006 互联网公共、上网服务场所信息安全管理系统上网服务场所端功能要求
 - GA301.2-2001 看守所在押人员信息管理数据交换格式 第2部分:看守所信息数据交换格式
 - GA/T1049.2-2013 公安交通集成指挥平台通信协议 第2部分 交通信号控制系统
 - GA/T1254-2015 公安信息网信息安全事件分类与代码
 - GA301.3-2001 看守所在押人员信息管理数据交换格式第3部分:监管业务指导部门信息数据交换格式
 - GA/T16.108-2015 道路交通管理信息代码第108部分:交通违法文书编号编码规则
 
- 行业新闻
 
网站备案号:湘ICP备2025141790号-2