- 您的位置:
- 标准下载网 >>
- 标准分类 >>
- 通信行业标准(YD) >>
- YD/T 760-1995 市内通信电缆用聚烯烃绝缘料
标准号:
YD/T 760-1995
标准名称:
市内通信电缆用聚烯烃绝缘料
标准类别:
通信行业标准(YD)
标准状态:
现行出版语种:
简体中文下载格式:
.zip .pdf下载大小:
562.62 KB

点击下载
标准简介:
YD/T 760-1995.
1范围
YD/T 760规定了市内通信电缆用聚烯烃绝缘料(以下筒称为绝缘料)的分类、要求、试验方法等。
YD/T 760适用于绝缘料的制造、使用和验收。
2引用标准
下列标准所包含的条文,通过在本标准中引用而构成为本标准的条文。本标准出版时,所示版本均为有效。所有标准都会被修订,使用本标准的各方应探讨使用下列标准最新版本的可能性。
GB 1033--86塑料密度和相对密度试验方法
GB 1040--92.塑料拉伸性能试验方法
GB1409--88固体绝缘材料在工频、音频、高频(包括米波长在内)下相对介电常数和介质损耗因数的试验方法
GB 1410--89固体绝缘材 料体积电阻率和表面电阻率试验方法
GB 1842--80聚乙烯环境应力开裂试验方法
GB 2547--81塑料树脂取样方法
GB 2918--89塑料试样状态调节和试验的标准环境
GB 2951.37--83电线电缆氧化诱导期试验方法
GB 3682--89热塑性塑料熔体流动速率试验方法
GB 5470--85塑料冲击脆化温度试验方法
GB 9352--88热塑性塑料压塑试样的制备
GB/T 13849.3--93聚烯烃绝缘聚烯烃护套市内通信电缆第3部分:铜芯、实心或泡沫(带皮泡沫)聚烯烃绝缘填充式挡潮层聚乙烯护套市内通信电缆
3产品分类、用途
3.1 分类及代号
绝缘料分为实心绝缘料和泡沫绝缘料两大类;每类按其密度有所区别,名称及代号如下:
一低密度实心聚乙烯绝缘料用“LDPE”表示;
一中密度实心聚乙烯绝缘料用“MDPE”表示;
一高密度实心聚乙烯绝缘料用“HDPE”表示;

部分标准内容:
YD/T 760- 95
市内通信申缆用聚烯烃绝缘料
1995-07-02发布
中华人民共和国邮电部发布
1995-12-01实施
引用标推
产品分类、用遂
4要求
5试验方法
6标志、包
附录 A(标准的附录)
附录B(标准的附录)
附录C(标准的附录)
附录D(标准的附录)
附最 E(标准的附录)
附录F(标准的附录)
附录 G(提示的附录)
臻乙烯绝缘料全性能、斑闪烯绝漾料电气性能试样的制备烯绝缴料试样的制备
泡深乙烯绝缘料试样的制备
+..++.+.+.*
耐热应力开製性试验方法
漫水稳定性试验方法
已发泡颗粒数试验方法
发泡度测试方法
【2】
YD/T760--95
本标题概据美国农村电气化管理局REA规范,美国材科与试验协会ASTM规范及国际电信中心CNET规范制定的。
本标唯将绝缘料分为两大类,即实心烯烃绝缴料(包括LDPE、MDPE、HDPE、PP)和泡沫聚乙烯绝缘料(包括MDPE/F,HDPE/F)。PP是根据REAPE-22(1988年版)《架空和地下电话电缆》制定的,技术内容变更如下,1.熔体流动速率限制范翻变窄由原标准不大于5.0改为2.0~~3.5;2增加“密度”、“水分”“绝缘料与填充化合物相容性”及“氧化诱导期”。PE是根据REAPE-39(1993年版)《填充电话电缆》制定的(其中绝缘材料的要求引用了ASTMD1248—89),技术内容变更如下:1.采用“低温脆性”代替“低温脆化温度”,2.采用“氧化诱导期”代誉“混炼稳定性”,3、增加\水分”及“绝缘料与填充化合物相容性”MDPE/F、HDPE/F是根据CNETCM-25(1984年版)《通信电缆泡沫班Z烯绝缴料》制定的,本标准将泄沫绝缘与带皮泡沫绝缘中的泡沫绝缘料合为一种,技术内容变化如下,1.熔体流动速率限定在较的范圖(MDPE/F≤1.0HDPE/F1.0),2.发泡度为30%~50%
3.增加了“介质拥耗因数”“低温脆性”,“已发泡颗粒数”,4.提高了“拉伸强度\和“断裂伸长率”。本标谁为第一版,从1995年12月1日起实施。本标准的附录 A、附录B、附录C,附录 D、附录E谢录 F都是标准的附录,附录 G飚示的附录。本标准由邮电部电信科学研究规划院提出并归口。本标准由成都电缆股份有限公司起蕈。本标准主要起草人,张亦希、杨惠、范敏、陈怀民、邓宗叶。1范圈
中华人民共和国通信行业标准
市内通信电缆用聚烯烃绝缘料
YD/T 760-95
本标唯规定了市内通信电缆用聚烯烃绝缘料(以下简称为绝缘料)的分类、要求、试验方法等:本标准适用于绝缘料的制造、使用和验收。2引用标准
下列标准所包含的条文,通过在本标准中引用而构成为本标准的条文。本标准出版时,所示版本均为有效。所有标准都会被修订,使用本标准的各方应探讨使用下列标准最新版本的可能性。GB1033—86料密度和相对密度试验方法GB1040-92塑料拉伸性能试验方法GB1409--88固体绝缘材料在工频、音频、高频(包括米波长在内)下相对介电常数和介质拥耗因数的试验方法
置体绝缘材料体积电阻率和表面电阻率试验方法GB 1410--89
GB1842—80聚乙烯环境应力开裂试验方法GB2547--81塑料树脂取样方法
GB2918·--89塑料试样状态调节和试验的标准环境GB2951.87—83电线电缆氧化诱导期试验方法GB 3682—89热塑性塑料熔体流动速率试验方法GB5470—85塑料冲击脆化温度试验方法GB9352-—88热塑性塑料压塑试样的制备CB/T18849.3一93聚烯烃绝缘骤烯烃护套市内通信电缆第3部分,铜芯、实心或泡沫(带皮泡沫)烯烃绝缘填充式挡潮层乙烯护套冲内通信电缆3产品分类、用途
3.1分类及代号
绝缘料分为实心绝缘料和泡沫绝缘料两大类;每类按其密度有所区别,名称及代号如下:低密度实心乙烯绝缘料用“LDPE\表示;一中密度实心聚乙烯绝缘料用\MDPE”表示,高密度实心聚Z烯绝缘料用“HDPE\表示实心聚丙烯绝缘料用“PP\表示;.一中密度泡沫聚乙烯绝缘料用“MDPE/F\表示,高密度泡沫案乙烯绝缘料用“HDPE/F”表示。3.2绝缘料的密度及用途
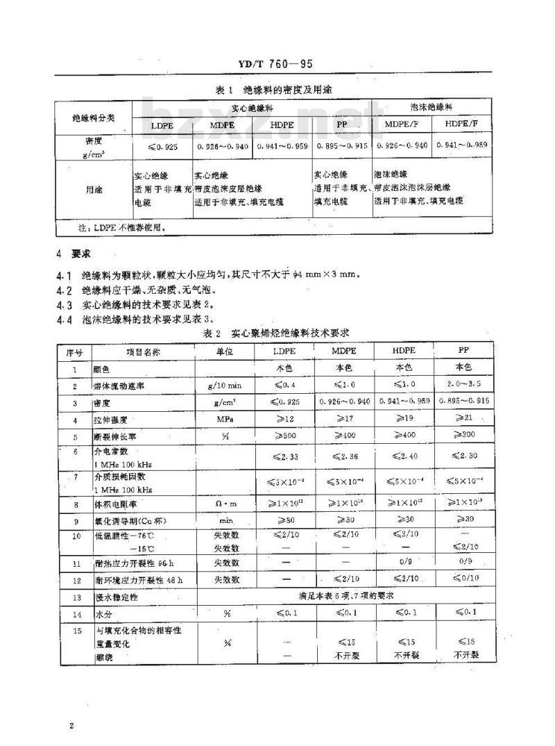
绝缘料的密度及用途见表1。
中华人民共和国邮电部1995-07-02批准1995-12-01实施
绝娠料分类
实心绝缘
YD/T 760—95
表1绝缘料的密度及用途
实心绝缘料
0. 926-~0. 940
实心绝缘
0. 895~0. 915
0, $41~0.959
实心绝缘
适用于非填充带皮泡沫皮层绝缘适用于非填充、填充电缆
注,LDPE不推荐使用。
泡沫绝缘料
MDPE/F
0. 926~-0. 940
泡沫绝缘
HDPE/F
0. 941-~0..959
适用于非填充、带皮泡沫泡沫层绝缘填充电缆
适用于非填充填充电缆
绝缘料为题粒状,颗粒大小应均匀,其尺寸不大于 d4 mn × 3 mm:绝缘料应干燥、无杂质,无气泡。实心绝缘料的技术要求见表2。
泡沫绝缘料的技术要求见表3。
表2实心彝烯烃绝缘料技术要求
项目名称
熔体流动速率
拉伸强度
断裂伸长率
介电常数
1MHz100kHz
介质损耗因数www.bzxz.net
1 MHz 100 kHa
体积电鼠率
氧化诱导期(Cu杯)
低温脆性—76℃
-15℃
耐热应力开裂性96h
耐环境应力开裂性 48 h
没水稳定性
与填充化合物的相容性
重量变化
g/10min
失效数
尖效数
尖效数
5X10-1
21x10a
0.926~0.940
0.941~0.959
≤5×10-
满足本表6项.7项的要求
不开裂
不开裂
2. 0~ 3. 5
0. 895~0. 915
s5×10-4
≤2/10
不开裂
项目名称
熔体流动速率
低温脆性
-76℃
拉伸届眼强度
断婺伸长率
氧化诱导期
介电常数 1 MHz
价质摄耗因数1MHz
体积电阻率
发泡度
已发泡颗粒数
与填充化合物的相容性
重量变化
YP/T 760-- 95
表3泡沫绝缘料技术要求
g/10min
失效数
粒/50g
1除第11项外,均为未发泡时材料的性能,2 第 2 项为基本树脂的測定值。试验方法
MDPE/F
淡黄色
0. 926-~0. 940
≤1x10-3
21×108
不开裂
HDPE/F
淡黄色
0. 941~ 0. 959
≤2/10
≥400
≤1X10-s
不开裂
51抽样
5.1.1绝缘料以批为单位逆行检验,原料、配方、生产工艺不变为-批。每批产品数量不应超过50t。5.1.2按GB2547规定的方法进行取样。5.2检验
检验分出厂检验和型式试验。
5.2.1出厂检验按第4章规定,除表中“爱水稳定性”、“与填充化合物相容性”和“发泡度”要求作为型武试验之外,其余全检。
5.2.2型式试验半年一次,检验第4章规定的全都要求。5.2.3有下列情说之一应进行型式试验:正式生产后,如材料、工艺、设备改变,有可能影响产品性能时;产品长期停产,恢复生产时:
·出厂检验结果与上次型式试验有较大差异时,一国家质量监督机构提出进行型式试验要求时。5.2.4捡验合格·并附质量证明书,方可出厂5.2.5检验出现不合格时,应加倍敢样对该项目进行复捡,如仍不合格,则判该批为不合格品。5.3试样的制备
聚乙烯绝缘料金性能和聚丙烯绝缘料电气性能试样的制备见附录A(标准的附录),聚丙烯绝缘料试样的制备见附录B(标准的附录)泡沫聚乙烯绝缘料试样的制备见附录C(标准的附录)。3
5.4试样状态调节和试验环境
YD/T 760-95
按GB2918的规定,特殊要求应加以说明。5.5方法
5.5.1熔体流动速率
接GB3682的规定:其中,
聚乙烯接标准试验条件3;骤芮烯按标准试验条件12。5.5.2密度
按GB10334.1A法(浸被法)和4.4D法(密度梯度标柱法)的规定仲裁试验应按D法。5.5.3拉伸疆度、拉伸届服强度、断裂伸长率按GB1040的规定;其中;
a)试验速度LDPE为500mm/min,其它均为50mm/min,允许速度变化范围为10%:b)聚乙烯采用型试样,骤丙烯采用I型试样。5.5.4低温脆性
按GB5470的规定:在表2规定的温度下,测定10个试样的失效数来表示。5.5.5·耐环境应力开裂性
按GB1842的规定,其中;
a)试样应按附录A(标准的附录)A5的要求进行退火;退火后应在24 h内进行试验;b)试样要求与试剂的浓度见表4,c)以10个试样的失效数表示,
表4耐环境应力开裂性试验条件
树料种类
试样原度
1. 75 ~2. 0
注:仲裁试验应用 Igepal Co-630 作试剂刻瓣深度
0. 3- 0. 4
0. 3~ 0. 4
0. 3~0. 4
剂浓度
5.5.6耐热应力开裂性
试验方法见附录D(标准的附录),试样应按附录A(标准的附录)A5的要求进行退火,退火后应在24 h 内进行试验。
5.5.7氧化诱导期
按GB2951.37的规定,其中:
a)试样准备
敢数颗粒子切成厚为0.2mm的薄片。b)铜杯的氧化处理
应将新铜杯放在燃气炉火焰上,慢慢转动(约5s~10s),使之形成均与的氧化层,然后在空气中冷却至室温。
c)试验条件:
紅气流速(50土5)mL/min
氧气流速(50土5)L/min
升温速度为20℃/mi。
5.5.B介电带数和介质损耗因数
按GB1409的规定,其中:
a)试验题率为1MHz和100kHz:允许频率偏差范围为20%,4
YD/T 760—95
b)试样应在标准条件下至少处理48h后,进行测试。5.5.9体积电阻率
按GB1410的规定,其中:
u)试样应在标准条件下至少处理48h后进行测诚b)试验电压为 500 V士5 V,通电时间为 1 min。5. 5. 10浸水稳定性
试验方法见附录E(标推的附录)。5. 5. 11 水分
a)仪器
称盘血,空气循环箱、分析天平、干燥器。b)试验步骤
称量血100℃恒重,重量记作W。,精确到 0.000 1多取约10g试样放在恒重的称量血中称重,重盘记作W1,稍确到0.0001g将试样放入100℃的空气循环箱中4h;取出试样手干燥器中冷却至室温,立即称重,重量记作W.,精确至0.0001g。
c)按(1)式计算水分?
5.5.12发泡度
试验方法见附录G(提示的附录)。5.5.13已发泡颗粒数
试验方法见附录F(标准的附录)。5.5.14与填充化合物的相容性
W,-W×100
按GB/T13849.3附录B(补充件)和附录C(补充件)的规定。6 标、包装
6.1包装袋上应标明产品名称、分类代号、生产厂名、商标、牌号、批号(生产日期)、重量,并标注\防潮”要求,
6.2绝缘料应装入内衬塑料薄膜的袋内,每袋净重25kg袋内应保持清洁,不应有杂质混入。允许采用用户要求的包装方式。
6.3.运输中应避免包装受到机械损伤,防止日晒丽琳。6.4.绝缘料应储存在消洁、干燥通风的库房内。6.5绝缘料自生产之日起储存期为一年。5
A1适用范围
YD/T 760—95
附最A
【标准的附录】
聚乙烯绝缘料全性,聚丙烯绝
续料电气性能试样的棚备
本方法适用于低度,中密度、高密度桑乙烯实心绝缘料、带皮泡沫皮层绝缘材料试样的制备。本方法也适用于聚丙烯绝缘料测试电性能所需试样的制备。A2方法提要
采用混炼、模压、退火等工序,将颗粒状的绝缘材料制成试样。A3混炼
A3.1设备
温度可达180的双辊开炼机。
A3.2程序
a)按式(A1)计算出混炼、模压张试片所需装料量 G1G-.p+
式中:V—模腔体积,cm\;
一绝缘料密度+名/cm\,
K添加量.5g10g。
b)混炼.模压、冷却工艺见表A1表A1混炼、压、冷却工艺
双辊温度,℃
时间,min
温度,
加压时间
出模温度
155±10
150±10
160±10
160±10
按GB9352的规定制备试样,模压工艺见表A1A5退火
170±10
180±10
测试耐环境应力开裂性能和耐热应力并裂性能时,应进行退火处理。A5.1设备
a)温度可达160℃能以(0℃~30℃)/h恒速降温的空气循环箱:PP
195~215
b)与模压相筒的模板!
YD/T: 760-95
c)比模腔每边小1mm~2mm,厚1.6mm的光滑铝村板:d)200mm×150rm的塘密盘或相当器血:e)橡胶级滑右粉,
f)分度值为 0. 02 mm游标卡尺,A5.2退火程序
a)完成模压操作后,从模压机上取下模具,在下模板与铝箔(或聚醋薄膜)之间加铝衬板,组成退火模具。将退火模具水平地放进退火烘箱内的支架上,在退火模具上施以14kPa的压力。b)退火的条件见表A2。
表A2退火条件
这火项耳
试验项目
预热温度,C
保温时间,h
逆火速率,/h
出模溢度,
A5. 3°剩余应力的检测
145±5
环境应力开裂
155±5
热应力开裂
a)将装有3mm~6mm厚滑右粉的瓷盘放入烘箱内预热到表6规定的温度,从退火后的试样不同部位切出尺寸为(12mm×40mm)±0.4mm=个相互垂直的试片,放入糖瓷盘内,在规定温度下保持30min,然后取出瓷盘,冷却至室温。b)用游标卡尺测量试片。
)当收缩率小于10%时,试样的表面光滑平整,则试样是符合要求的。当收缩率大于10%时,测试合格,试样可以使用,测试不合格,试样废弃:应重新制样。附录B
(标唯的附录)
丙烯绝缘料试样的制备
B1适用范围
本方法适用于实心聚丙烯绝缘料全性能测试所需试样的制备。B2方法提要
采用一次注塑成型或注塑成片后冲制成型的方法制备试样。B3设备
注塑机和相应的模具,
B4注塑条件
物料温度260℃;
模具温度60±3℃;
注塑时间208,
合模时间20s1
开模时间5s+
注塑总周期45$;
最大注塑量为设备额定能力的 45%。YD/T 760-95
附录C
(标准的附录)
泡沫聚乙烯绝缘料试样的制备
C1适用范函
本方法适用于泡沫聚艺烯绝缘料试样的制备。C2方法提要
采用直接模压并迅速冷却的工艺制备试样。C3设备
按GB9352的规定。
C4程序
C4.1计算~张试片所要的材料的重量按附录A公式(A1)计算,其中K取2g。C4.2 模压
a)预热压机,升温到146C土1C后放入模具#b)关闭压机,缓慢施加压力直到12 MPa 保持 5·min+再增大压力至 42 MPa.保持 3 min tc)开启压机,取出模其,拿掉模板,迅速漫入冷却水中急冷,10 min后取出试样:附录D
(标的附录)
耐热应力开裂性试验方法
D1适用范围
本方法适用高密度乐乙烯和聚丙烯绝缘料的热应力开双试验D2‘方法提要
将制备好的样品绕在一定直径芯轴上,暴露于热环境中检验其是否开裂D3仪器
:3.1能切出尺寸为:长127mm.宽6.4mm试样的冲模。8
D3.2芯轴
YD/T 760-- 95
黄钢或不锈钢芯轴三根,试样及其缠绕见图D1。127
图D1试样,芯轴尺寸及试样在芯轴上的缠绕方式D3.3直径为1.4mm的黄铜螺栓或销子18个。D3.4内径为32mm.长200mm的试管3支。U3.5用铝箔包裹的木塞或橡皮塞3个D3.6能将温度控制在100℃土1C的恒漏浴槽或恒温鼓风干燥箱。D4试样
长127mm宽6.4mm,厚1.27mm士0.13mm的试样九条。D5试验步骤
D5.1按图D1在试样条两端钻孔,并固定在芯轴上D5.2将固定有试样的芯轴放人试管内插入塞子,-支试管内只允许放入一根芯轴。D5.3,将3支试管放在温度为100℃主1℃的浴或恒温鼓风千爆箱中.D5.4试验周期为96h,
D5.5从试管中取出试样,肉眼观察每--试样是否开裂。D6试验结果以9个试样的开避数表示,附聚E
(标准的附录)
浸水稳定性试验方法
E1适用范围
本打法适用于实心绝缘料漫水稳定性的测定。E2方法提要
将测定了介电带数和介质损耗因数的样品爱人蒸馏水中,然后测定其电气性能的变化情说。
小提示:此标准内容仅展示完整标准里的部分截取内容,若需要完整标准请到上方自行免费下载完整标准文档。

标准图片预览:





- 热门标准
- YD通讯标准
- YD/T2343-2011 通信用前置端子阀控式密封铅酸蓄电池
- YD/T1319-2013 通信电缆无线通信用 50Ω 泡沫聚烯烃绝缘编织外导体射频同轴电缆
- YD/T1843.4-2009 2GHz TD-SCDMA数字蜂窝移动通信网 高速上行分组接入(HSUPA)Uu接口物理层技术要求 第4部分:扩频和调制
- YD/T2282-2011 通信设备用3GHz及以下频段对称电缆技术条件
- YD/T2488-2013 柔性钢管铠装光缆
- YD/T1352-2005 千兆比以太网用光收发合一模块技术要求和测试方法
- YD/T1558-2013 800MHz/2GHz cdma2000 数字蜂窝移动通信网设备技术要求移动台(含机卡一体)
- YD/T1911-2009 软交换业务接入控制设备安全技术要求和测试方法
- YDN115.3-1999 中国智能网业务测试规范(电话投票业务)
- YD/T2098-2010 信息无障碍语音上网技术要求
- YD/T2086-2010 CDMA 数字蜂窝移动通信网通用集成电路卡(UICC)与终端间接口测试方法 CSIM 应用特性
- YD/T1603.2-2007 2GHz 数字蜂窝移动通信网网络管理测试方法网络管理系统(NMS)一网元管理系统(EMS)接口信息模型一致性测试 第2部分: TD-SCDMA 网络资源模型
- YD/T1702-2007 公众 IP 网络可靠性 IP 快速重路由技术框架
- YDB121-2013 通用集成电路卡(UICC)与非接触通信模块(CLF)间主控接口(HCI)技术要求
- YDN116-1999 通用个人通信业务(UPT)、广域集中用户交换机业务(WAC)、电话投票业务(VOT)、大众呼叫业务(MAS)的信息流
- 行业新闻
网站备案号:湘ICP备2025141790号-2