- 您的位置:
- 标准下载网 >>
- 标准分类 >>
- 化工行业标准(HG) >>
- HG/T 3796.10-2005 螺杆式搅拌器
标准号:
HG/T 3796.10-2005
标准名称:
螺杆式搅拌器
标准类别:
化工行业标准(HG)
标准状态:
现行出版语种:
简体中文下载格式:
.zip .pdf下载大小:
93.27 KB
点击下载
标准简介:
HG/T 3796.10-2005.Screw agitator.
1范围
HG/T 3796.10规定了螺杆式搅拌器的产品分类、结构与主要参数、技术要求,以及检验、包装和贮运等要求。
HG/T 3796.10适用于钢制螺杆式搅拌器。
2规范性引用文件
下列文件中的条款通过本标准的引用而成为本标准的条款。凡是注日期的引用文件,其随后所有的修改单(不包括勘误的内容)或修订版均不适用于本标准,然而,鼓励根据本标准达成协议的各方研究是否可使用这些文件的最新版本。凡是不注日期的引用文件,其最新版本适用于本标准。
GB/T 912碳素结构钢和低合金结构钢热轧薄钢板和钢带
GB/T 983不锈钢焊条
GB/T 985气焊、手工电弧焊及气体保护焊焊缝坡口的基本形式与尺寸
GB/T 1184形状和位置公差未注公差值
GB/T 1801极限与配合公差带与配合的选择
GB/T 1804一般公差未注公差的线性和角度尺寸的公差
GB/T 3274碳素结构钢和低合金结构钢热轧厚钢板和钢带
GB/T 3280不锈钢冷轧钢板
GB/T 4237不锈钢热轧钢板
GB/T 5117碳钢焊条
GB/T 5118低合金钢焊条
3符号
d 搅拌轴直径,单位为毫米(mm);
4产品分类
LG——螺杆式搅拌器 LGH——带导流筒螺杆式搅拌器
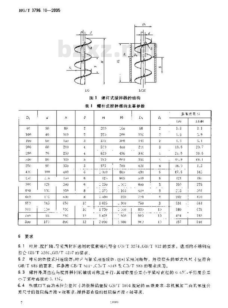
5结构与主要参数
螺杆式搅拌器的结构与主要参数应符合图1和表1的规定。
6要求
6.1叶片、搅拌轴、导流筒材料选用的碳素钢应符合GB/T 3274、GB/T 912的要求。选用的不锈钢应符合GB/T 3280、GB/T 4237 的要求。
部分标准内容:
备率号:17261—2006
中华人民共和国化工行业标准
HG/T3796.10—2005
螺杆式搅拌器
Serew agilator
2006-01-17 发布
2006-07-01实施
中华人民·共利国国家展和改蒂委凤会发布前
本标准出中围洲相化学一业协会提出。言
本标准巾化学工业机技设备标准化转术委员会点口:本标准负变应其单位;渐江关减减速机有限公司HG/T 3796.10—2005
木标非参与起蓝单位,渐汀大学化工机放研究所,大华化工机械及自办化研办设计院。本标业负克起单人:用国患、原培清:本标参与起草人贵志骨,杨陈公才,陈志单,张科。.
1范围
螺杆式搅拌器
HG/T3796.10—2005
本标准规定了趣杆式搅扑器的产品分炎,暂均与兰要参数,装人费求,以及检发,包装和忙运等,
标准适用下钢制缓打式宽洋器.
2规范性引用文件
下列文件中的兼通过本标准的引而双为木标谨的杀款,凡尽汁口共的引用文心,其延后所有核改:不包括助误的内窄或修订版与不证卫本标准,然而,歧助权摄本标准咨成地议的各方划究是使这当文件的最新成本,凡是不注F期的用文件,其微服适于你准。GE/T2
GB/T 98
缺紊信构钢和低高金黏构据炜乳薄闷板和钢带不颜阅焊条
气许、于工电焊及气体保护样焊链坡口基不长我与尺寸,
影状和位置公木注公差值
GE:T 1801
GR:T 18u1
GB/ 3274
GB/ 3200
21- 1337
GB/-5117
3村号
恐限马乱合公案带上配合的选烊一段公差未半公差的线件初角度尺寸的公差磁载结构均低合金洁构钙热轧厚制板动制带不讯冷轧钢板
不锈钢熟乳瓶板
碳钊脱条
低合金钢据案
排轴性
导询内≥位为毫未(m.
搅径,位等m:
拌光急考质止按小锈钢件单定干;经的质,单位为来(m:
导流简的产度,单位为落米(mm):螺杆境的导置单为惠定
搅程聚的原,单位m;
导流前的厚,单位为实米(m,
4产品分类
提式锁器
5结构与主要参数
LCE—.化寻流短培托式范器
螺将式境器的结均与上要参数显符合阅1和表:的规量。95
HG/T3796.10—2005
6要求
源杆式搅拌器的结构
显杆式搅拌器的主要参整
多庆品
6.1叶片搅扩轴,号荒等材轻选用的微素钢等(T3274,GB/1912的要求:选用的不锈钢应行GG27要求
6.2叶片的你接采连续坐,叶产与能杀书连编好,也来用川断悦,好核核头的型式为尺小业符台GB85的求:条按B/T511/C3/X的要求.6.3螺托外同边应与扰排暴叫托轴线剂称工平行·其对移展参左小于浆吐它往的.2平打展参益小下案叶品度的0.15。免费标准bzxz.net
6.4,机越1T面的术注公差尺的摄限偏室按G3/T1801舰定的m级要求.非机城加一而拍示注公差尽寸助摄限差按然要求:搅拌器自径的极因关接(统要求6.5拱拌器表回大尖倦、毛也,时片应平整、光滑。HGT3796.102005
6.6摘拌碧外达账我速度小于5拉/时叫不进行新平衡试验,拼的叶片,加驾筋板等构件应轴对称·该少不半衡区京,当线速座不小」5m/时,应进行静半衡试登。7检验
7.1揽弱需按图样及木标准进行检验:7.2对叶片等形状尺寸检测世所用的样板及测量工其的误差,的不得期近做测尺寸公差的1/5。7.3辞平衡试验是以达到陷遇平律为合格。8包装和贮运
8.1按扎器山」前应送行防锈处理:不锈铜件应逆行验法,钝化或其他段护处理。轴孔等配合百成诊中性洲猎。
8.2微样器的出!文件包括下列:a)产品说明书,需注读名称,直价、财料,质求等内容产品质证明书:
)产品出厂年格证,
d)装单,
B.3产品贮退成采取防快,防损防潮举措施,不允许天存放或注置,
小提示:此标准内容仅展示完整标准里的部分截取内容,若需要完整标准请到上方自行免费下载完整标准文档。
标准图片预览:





- 其它标准
- 热门标准
- HG化工标准
- HG/T3985-2007 聚四氟乙烯波纹管膨胀节
- HG/T20518-2008 化工粉体工程设计通用规范
- HG∕T5056-2016 GB 7544在天然橡胶胶乳避孕套质量管理中的使用指南
- HG/T3219-2009 代替 HG/T 3219-1999 搪玻璃平面阀
- HG/T3459-2003 化学试剂 顺丁烯二酸酐
- HG/T2017-2011 代替 HG/T 2017-2000 普通运动鞋
- HG/T2257-2011 代替 HG/T 2257-1991 照相化学品 成色剂挥发分的测定
- HG/T21529-2014 代替 HG/T 21529-2005 板式平焊法兰手孔
- HG/T2956.5-2001 硼镁矿石中氧化亚铁含量的测定重铬酸钾 容量法
- HG/T2371-2003 代替 HG/T 2371-1992 搪玻璃开式搅拌容器
- HG/T2044-2020 代替 HG/T 2044-2003 机械密封用喷涂氧化铬密封环技术条件
- HG/T2343-2012 硫化促进剂 ETU
- HG/T3531-2011 代替 HG/T 3531-2003 工业循环冷却水污垢和腐蚀产物中水分含量的测定
- HG/T3415-2010 代替 HG/T 3415-2001 红色基 B(2-甲氧基-4-硝基苯胺)
- HG/T3276-2019 代替 HG/T 3276-2012 腐植酸铵肥料分析方法
- 行业新闻
网站备案号:湘ICP备2025141790号-2