- 您的位置:
- 标准下载网 >>
- 标准分类 >>
- 化工行业标准(HG) >>
- HG/T 2225-2001 工业硫酸铝
标准号:
HG/T 2225-2001
标准名称:
工业硫酸铝
标准类别:
化工行业标准(HG)
标准状态:
现行出版语种:
简体中文下载格式:
.zip .pdf下载大小:
189.14 KB
点击下载
标准简介:
HG/T 2225-2001.Aluminum sulfate for industrial use.
1范围
HG/T 2225规定了工业硫酸铝的要求、试验方法、检验规则以及标志、标签、包装、贮存和运输。
HG/T 2225适用于工业硫酸铝。该产品主要用于生活污水和工业废水处理、造纸、印染、鞣革,还作为消防材料以及木材防护剂等。
2引用标准
下列标准所包含的条文,通过在本标准中引用而构成为本标准的条文。本标准出版时,所示版本均为有效。所有标准都会被修订,使用本标准的各方应探讨使用下列标准最新版本的可能性。
GB 191--1990包装储运图示标志
GB/T 601-1988化学试剂滴定分析(容量分析)用标准溶液的制备
GB/T 602-1988化学试剂杂质测定用标准溶液的制备(neq ISO 6353-1:1982)
GB/T 603-1988化学试剂试验方法中所用制剂及制品的制备(neq ISO 6353-1:1982)
GB/T 1250-1989极限数值的表示方法和判定方法
GB/T 3049-1986化工产品中铁含量测定的通用方法邻菲 哕啉分光光度法(neq 1SO 6685:1982)
GB/T 6678-1986化工产品采样总则.
GB/T 6680-1986液体化工产品采样通则
GB/T 6682-1992分析实验室用水规格和试验方法(eqv ISO 3696:1987)
3产品分类
工业硫酸铝分为固体和液体两类。
固体分三种型号:
固体I型为一般工业品,主要用于工业废水和生活污水的处理以及造纸、鞣革、木材防腐等。
固体II型为低铁产品,用于钛白粉后处理、高档纸的生产和催化剂载体的生产。
固体III型为高铝低铁的精制产品。
部分标准内容:
HG/T 2225—2001
本标准是非等效采用日本工业标准JISK1423:1970(1991)《硫酸铝》对推荐性化工行业标准HG/T2225—-1991《工业硫酸铝》修订而成。本标准与JISK1423:1970(1991)的主要技术差异为:本标准将固体产品分为三个型号,其中I型和Ⅱ型各分为两个等级。本标准与HG/T2225—1991的主要技术差异为:增设液体产品,并按用途不同将固体分为三种型号。-对I型中的铁含量指标进行了调整。提高了每批产品批量。
本标准自实施之日起,同时代替HG/T2225---1991。本标准由原国家和石油化学工业局政策法规司提出。本标准由全国化学标准化技术委员会无机化工分会归口。本标准负责起草单位:天津化工研究设计院、河南省鹤壁市化工四厂、山东新华医药集团淄博制酸有限责任公司、河南省焦作市化工总厂、上海民乐化工有限责任公司。本标准参加起草单位:云南昆明南坝化工总厂、湖南衡阳建衡化工厂。本标准主要起草人:刘幽若、尹世荣、林红、曹晶明、藏金城、高纪忠。本标准于1964年首次发布,1977年第一次修订,1991第二次修订。本标准委托全国化学标准化技术委员会无机化工分会负责解释。372
1范围
中华人民共和国化工行业标准
工业硫酸铝
Aluminum sulfate for industrial seHG/T 2225-2001
代替HG/T22251991
本标准规定了工业硫酸铝的要求、试验方法、检验规则以及标志、标签、包装、贮存和运输。本标准适用于工业硫酸铝。该产品主要用于生活污水和工业废水处理、造纸、印染、革,还作为消防材料以及木材防护剂等。
分子式:Al2(SO)·H,O
相对分子质量[以Ai2(SO),计]:342.15(按1999年国际相对原子质量)2引用标准
下列标准所包含的条文,通过在本标准中引用而构成为本标准的条文。本标准出版时,所示版本均为有效。所有标准都会被修订,使用本标准的各方应探讨使用下列标准最新版本的可能性。GB191—1990包装储运图示标志
GB/T601-1988化学试剂滴定分析(容量分析)用标准溶液的制备GB/T602~-1988化学试剂杂质测定用标准溶液的制备(neqISO6353-1:1982)GB/T603—1988化学试剂试验方法中所用制剂及制品的制备(neqISO6353-1:1982)GB/T 1250--- 1989
GB/T 3049—1986
极限数值的表示方法和判定方法化工产品中铁含量测定的通用方法1982)
GB/T 6678-19861
化工产品采样总则
GB/T 6680--1986
GB/T 6682--1992
3产品分类
液体化工产品采样通则
邻菲啰啉分光光度法(neqISO6685:分析实验室用水规格和试验方法(eqvISO3696:1987)工业硫酸铝分为固体和液体两类。固体分三种型号:
固体I型为一般工业品,主要用于工业废水和生活污水的处理以及造纸、革、木材防腐等。固体Ⅱ型为低铁产品,用于钛白粉后处理、高档纸的生产和催化剂载体的生产。固体Ⅲ型为高铝低铁的精制产品。要求
4.1外观
固体工业硫酸铝为白色、浅灰绿色或浅黄色片状或块状固体。液体工业硫酸铝为浅绿色或浅黄色液体。国家经济贸易委员会2002-01-24批准2002-07-01实施
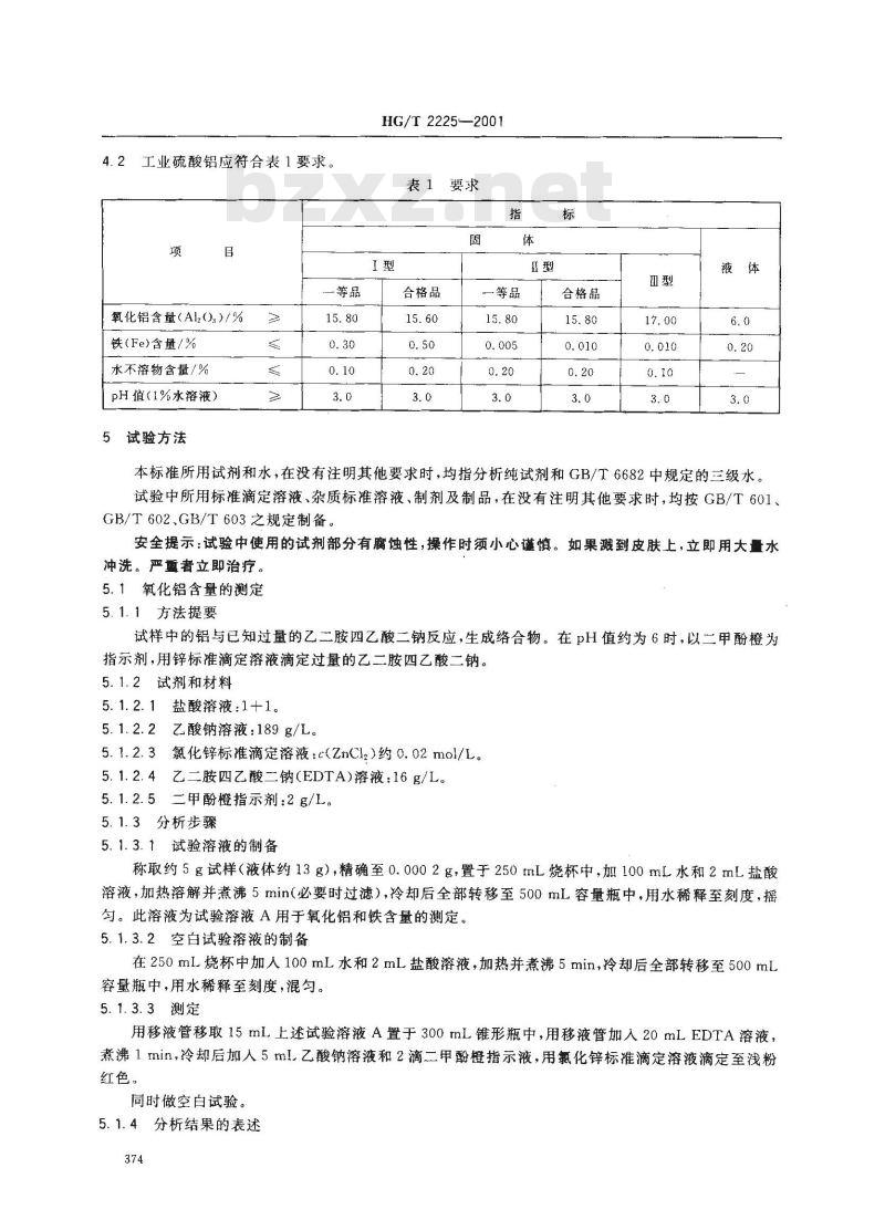
4.2工业硫酸铝应符合表1要求。项
一等品
氧化铝含量(Al,0).)/%
铁(Fe)含量/%
水不溶物含量/%
pH值(1%水溶液)Www.bzxZ.net
试验方法
HG/T2225—2001
表1要求
合格品
合格品
本标准所用试剂和水,在没有注明其他要求时,均指分析纯试剂和GB/T6682中规定的三级水。试验中所用标准滴定溶液、杂质标准溶液、制剂及制品,在没有注明其他要求时,均按GB/T601、GB/T602、GB/T603之规定制备
安全提示:试验中使用的试剂部分有腐蚀性,操作时须小心谨慎。如果溅到皮肤上,立即用大量水冲洗。严重者立即治疗。
5.1氧化铝含量的测定
5.1.1方法提要
试样中的铝与已知过量的乙二胺四乙酸二钠反应,生成络合物。在pH值约为6时,以二甲酚橙为指示剂,用锌标准滴定溶液滴定过量的乙二胺四乙酸二钠。5.1.2试剂和材料
5.1.2.1盐酸溶液:1+1。
5.1.2.2乙酸钠溶液:189g/L。
5.1.2.3氯化锌标准滴定溶液:c(ZnCl2)约0.02mol/L。5.1.2.4 乙二胺四乙酸二钠(EDTA)溶液:16 g/L。5.1.2.5二甲酚橙指示剂:2g/L。5.1.3分析步骤
5.1.3.1试验溶液的制备
称取约5g试样(液体约13g),精确至0.0002g,置于250mL烧杯中,加100mL水和2mL盐酸溶液,加热溶解并煮沸5min(必要时过滤),冷却后全部转移至500mL容量瓶中,用水稀释至刻度,摇匀。此溶液为试验溶液A用于氧化铝和铁含量的测定。5.1.3.2空白试验溶液的制备
在250mL烧杯中加人100mL水和2mL盐酸溶液,加热并煮沸5min,冷却后全部转移至500mL容量瓶中,用水稀释至刻度,混匀。5.1.3.3测定
用移液管移取15mL上述试验溶液A置于300mL锥形瓶中,用移液管加入20mLEDTA溶液,煮沸1min,冷却后加人5ml乙酸钠溶液和2滴二甲酚橙指示液,用氟化锌标准滴定溶液滴定至浅粉红色。
同时做空白试验。
5.1.4分析结果的表述
HG/T2225—2001
以质量分数表示的氧化铝(Al20,)含量(X,)按式(1)计算:_ 0. 050 98 c (V. -V) × 100 - 0. 912 8 X2X =
m×500
_169. 9 c (V。 V) - 0. 912 8 X2m
式中:
0. 912 8-
0. 050 98-
氯化锌标准滴定溶液的实际浓度,mol/L;滴定空白试验溶液所消耗的氯化锌标准滴定溶液的体积,mL,滴定试验溶液所消耗的氯化锌标准滴定溶液的体积,mL;试样的质量,g;
-5.2中测出的铁(Fe)含量,%;
铁(Fe)换算成氧化铝(AizO:)的系数;(1)
与1.00mL氯化锌标准滴定溶液[c(ZnCl.)=1.000mol/I.]相当的以克表示的氧化铝(A12O)的质量。
5.1.5允许差
取平行测定结果的算术平均值为测定结果。平行测定结果的绝对差值不大于0.15%。5.2铁含量的测定
5.2.1方法提要
同GB/T3049—1986中第2章。
5.2.2试剂和材料
同GB/T3049—1986中第3章。
5.2.3仪器、设备
分光光度计:带有厚度为1cm的吸收池。5.2.4工作曲线的绘制
按GB/T3049--1986中5.3的规定,使用1cm吸收池及相应的铁标准溶液用量,绘制工作曲线。5.2.5分析步骤
用移液管移取2mL或5mL试验溶液和2mL或5mL空白试验溶液(固体Ⅱ型和皿型各移取5.0mL),分别置于100mL容量瓶中,以下按GB/T3049一1986中5.4的规定,从\必要时,加水至60ml.…….”开始,进行操作。5.2.6分析结果的表述
以质量分数表示的铁(Fe)含量(X,)按式(2)计算:(m -m2)
m×1000×500
50(m) m2)
根据测得试验溶液的吸光度,从工作曲线上查出的铁含量,mg;式中:mi-
m2———根据测得空白试验溶液的吸光度,从工作曲线上查出的铁含量,mg;m
试样的质量,g;
V—用移液管移取试验溶液的体积,mL。5.2.7允许差
取平行测定结果的算术平均值为测定结果。平行测定结果的绝对值之差I型不大于0.03%,Ⅱ型不大于0.001%,Ⅲ型不大于0.002%,液体不大于0.02%。5.3水不溶物含量的测定
5.3.1方法提要
HG/T 2225-—-2001
用水溶解试样,用玻璃砂埚过滤,残渣干燥后称量。5.3.2试剂和材料
氯化锁(BaCl2·2H0)溶液:100g/I。5.3.3仪器、设备
玻璃砂埚:滤板孔径为5μm~15μm。5.3.4分析步骤
称取约20g试样(精确至0.01g),置于250mI.烧杯中,加100ml.水,加热溶解,趁热用已于105℃~~110℃干燥至恒重的玻璃砂过滤,用热水洗涤至无硫酸根离子为止(用氯化钡溶液检验)。于105℃~110℃下干燥至恒重。5.3.5分析结果的表述
以质量分数表示的水不溶物含量(X。)按式(3)计算:X=ma=ml×100
式中:m
玻璃砂的质量,;
m2水不溶物与玻璃砂埚的质量,g;试样的质量,g。
5.3.6允许差
取平行测定结果的算术平均值为测定结果。平行测定结果的绝对值之差不大于0.02%。5.4pH值的测定
5.4.1方法提要
·(3))
试样溶于水,用配有复合电极或玻璃测量电极和饱和甘汞参比电极的酸度计测量试验溶液的pH值。
5.4.2仪器、设备
酸度计:分度值为0.1pH单位,配有复合电极或玻璃测量电极和饱和甘汞参比电极。5.4.3分析步骤
称取(1.00土0.01)g试样E液体(2.60士0.01)g],置于烧杯中,加约50mL不含二氧化碳的水溶解,全部转移到100mL容量瓶中,用不含二氧化碳的水稀释至刻度,摇匀。用酸度计测量。5.4.4允许差
取平行测定结果的算术平均值为测定结果。平行测定结果的绝对值之差不大于0.2pH单位。6检验规则
6.1本标准规定的所有项目为出厂检验项目。6.2每批产品不超过150t。
6.3按GB/T6678的规定确定采样单元数。固体产品采样时,先去掉包装袋上层约30cm厚的料层,用采样工具从每袋中间抽取不少于100g样品,将采出的样品迅速破碎至约10mm以下,混勾,按四分法缩分至不少于500g;液体产品按GB/T6680的规定采样,从贮槽、船舱、槽车的顶部进口插人液层的上、中、下三部分或从出料口分前、中、后三段采取500mI以上样品,混合均勾。将所取样品分装于两个清洁、干燥的具塞广口瓶(固体可装在清洁干燥的塑料袋)中,密封,瓶上粘贴标签,注明生产厂名称、产品名称、等级、批号、采样日期和采样者姓名。一瓶作为试验室样品,另一瓶保存三个月备查。
6.4二工业硫酸铝由生产厂的质量监督检验部门按本标准的规定进行检验。生产厂应保证所有出厂的工.业硫酸铝都符合本标准的要求。376
HG/T2225—2001
6.5使用单位有权按照本标准的规定对所收到的工业硫酸铝进行验收,验收应在到货之日算起的二个月内进行。
6.6检验结果如有一项指标不符合本标准要求时,应重新自两倍量的包装袋中采样进行复验,复验的结果即使有一项指标不符合本标准要求时,则整批产品为不合格。6.7按GB/T1250规定的修约值比较法判定检验结果是否符合标准。7标志、标签
7.1工业硫酸铝包装上应有牢固清晰的标志,内容包括生产厂名、厂址、产品名称、商标、等级、净含量、批号或生产日期、本标准编号及GB191中规定的“怕”标志。7.2每批出厂的工业硫酸铝都应附有质量证明书,内容包括生产厂名、厂址、产品名称、商标、等级、净含量、批号或生产日期、产品质量符合本标准的证明和本标准编号。8包装、运输、贮存
8.1工业硫酸铝固体产品,采用内衬聚乙烯塑料袋的塑料编织袋或复合塑料编织袋包装,每袋净含量50kg。液体产品采用散装。
8.2工业硫酸铝在运输过程中应防止雨淋、受潮。8.3工业硫酸铝应贮存于阴凉于燥处,防止雨淋、受潮。377
小提示:此标准内容仅展示完整标准里的部分截取内容,若需要完整标准请到上方自行免费下载完整标准文档。
标准图片预览:





- 其它标准
- 热门标准
- HG化工标准
- HG/T3985-2007 聚四氟乙烯波纹管膨胀节
- HG/T20518-2008 化工粉体工程设计通用规范
- HG/T3459-2003 化学试剂 顺丁烯二酸酐
- HG∕T5056-2016 GB 7544在天然橡胶胶乳避孕套质量管理中的使用指南
- HG/T3219-2009 代替 HG/T 3219-1999 搪玻璃平面阀
- HG/T2017-2011 代替 HG/T 2017-2000 普通运动鞋
- HG/T2956.5-2001 硼镁矿石中氧化亚铁含量的测定重铬酸钾 容量法
- HG/T3276-2019 代替 HG/T 3276-2012 腐植酸铵肥料分析方法
- HG/T5036-2016 常温有机硫转化吸收催化剂催化性能试验方法
- HG/T4752-2014 整体浇铸乙烯基树脂混凝土电解槽
- HG/T3449-1999 化学试剂 甲基红
- HG/T2371-2003 代替 HG/T 2371-1992 搪玻璃开式搅拌容器
- HG/T4103-2009 化学试剂 有机氮化合物测定通用方法
- HG/T5780-2020 涂料用高氯化聚乙烯树脂
- HG/T4221-2011 双组分室温硫化有机硅模具胶
- 行业新闻
网站备案号:湘ICP备2025141790号-2