- 您的位置:
- 标准下载网 >>
- 标准分类 >>
- 化工行业标准(HG) >>
- HG/T 3139.9-2001 釜用立式减速机 P 系列带传动减速机
标准号:
HG/T 3139.9-2001
标准名称:
釜用立式减速机 P 系列带传动减速机
标准类别:
化工行业标准(HG)
标准状态:
现行出版语种:
简体中文下载格式:
.zip .pdf下载大小:
354.91 KB
手机扫码下载更方便
点击下载
标准简介:
HG/T 3139.9-2001.Vertical reducer for tank Series P belt-driving reducer.
1范围
HG/T 3139.9规定了P系列带传动减速机(以下简称减速机)的产品分类、要求、试验方法、检验规则、标志、包装、运输贮存。
HG/T 3139.9适用于石油化工、制药、轻工食品及污水处理等釜用搅拌减速机以及其他用途的立式减速机。
2引用标准
下列标准所包含的条文,通过在本标准中引用而构成为本标准的条文。本标准出版时,所示版本均为有效。所有标准都会被修订,使用本标准的各方应探讨使用下列标准最新版本的可能性。
GB/T 1095-1979平键键和键槽的剖面尺寸
GB/T 1184-1996形状位置公差公差值
GB 7324-1994通用锂基润滑脂
GB/T 9439-1988灰铸铁件
GB/T 10412-1989普通V带轮
GB/T 10413-1989窄V带轮
GB/T 11357-1989带轮的材质、表面粗糙度及平衡
GB/T 11544-1997普通V带和窄V带尺寸
GB/T 13575.1-1992带传动普通V带传动
GB/T 13575.2-1992带传动窄V带传动
JB/T 7512.1-1994圆弧齿同步带传动带
JB/T 7512.2-1994圆弧齿同步带传动带轮
3产品分类
3.1P型系列带传动减速机分为三类:
——普通V带传动减速机。
——窄V带传动减速机。
——同步带传动减速机。
3.2型号表示方法及示例:
部分标准内容:
中华人民共和国化工行业标准
鑫用立式减速机,
P系列带传动减速机
Yertical reducer for tank
Series P belt-driving reducerHG/T 3139. 9—2001
代替 HG/T 3142—1978
本标准规定了P系列带传动减速机(以下简称减速机)的产品分类、要求、试验方法、检验规则、标志、包装、运输、贮存。
本标准适用于石油化工、制药、轻工食品及污水处理等签用搅拌减速机以及其他用途的立式减速机。
2引用标准
下列标准所包含的条文,通过在本标准中引用而构成为本标准的条文。本标准出版时,所示版本均为有效。所有标准都会被修订,使用本标准的各方应探讨使用下列标准最新版本的能性。GB/T10951979平键键和键槽的部面尺寸GB/T1184—1996形状位置公差公差值GB 7324—1994通用锂基润滑脂
GB/T 9439—1988
灰铸铁件
GB/'1 10412—1989
普通V带轮
窄V带轮
GB/T 10413-1989
GB/T 11357—1989
带轮的材质,表面粗糙度及平衡GB/T 11544—1997普通 V带和窄 V带尺寸GB/13575.1-1992带传动普通V带传动GB/T 13575.2—1992 带传动 窄 V带传动JB/T7512.1—1994
圆弧齿尚步带传动带
JB/T 7512.21994
圆孤齿同步带传动带轮
3产品分类
3.1P型系列带传动减速机分为=类:普通V带传动减速机。
窄V带传动减速机。
同步带传动减速机。
3.2型号表示方法及示例:
国家经济贸易委员会2002-01-24批准2002-07-01实施
电动机类型代号
HG/T 3139. 9—2001
菩涵V带窄V带同步带
减速机的传动比、输出转速,输人功率及输出轴许用转矩应符合表】的规定。3.3
传动比
输出转速n
电动机功率P
传动比、输出转速、输人功率及输出许用转短3.63
6极电动机 1000 r/min
4 极电动机 1 50u r/min
P/n代
见表!
减速机
PA4,PV2
许用出轴转
矩,N·m
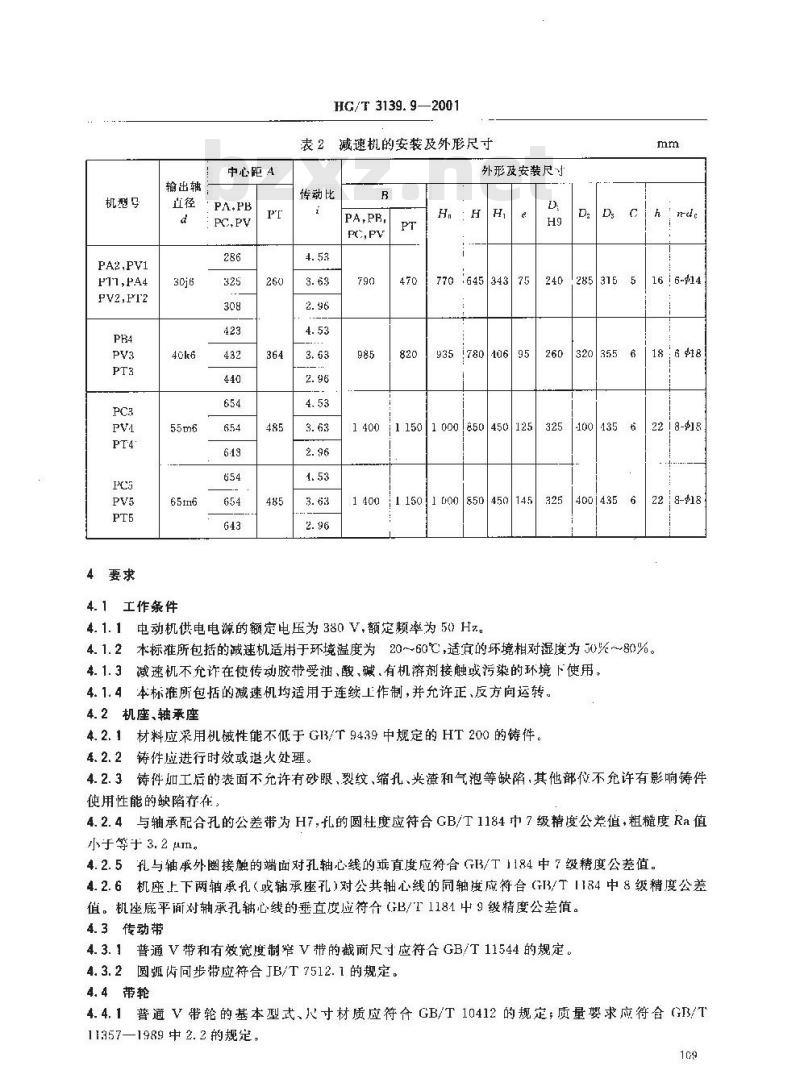
减速机的安装及外形尺寸应符合图1和表2的规定。迎
地脑孔,布受医
图!P系列带传动减速机外形图
PA2,PV1
P71,PA4
PV2,FT2
4要求
输出轴
4. 1工作条件
中心距A
HG/T3139.9—2001
表2减速机的安装及外形尺寸
外形及安装尺
传动比
PA,PR,
770645343
935 178010695
140011501000850450125
140011501[00550450145
4.1.1电动机供电电源的额定电压为380V,额定频率为50Hz.。D
285315
320355
400435
hi nredc
1616-±14
18:6 8
2218-$18
228-$18
4.1.2本标准所包括的减速机适用于环境温度为20~60℃,适宜的坏境相对湿度为50%~80%。4.1.3减速机不允许在使传动胶带受油、酸、碱.有机溶剂接触或污染的环境下使用,4.1.4本标准所包括的减速机均适用于连续上作制,并允许正、反方向运转。4.2机座、轴承座
4.2. 1材料应采用机械性能不低于 G13/T94.39中规定的HT 200的铸件。4.2.2铸件应进行时效或邀火处理。4.2.3铸件加工后的表面不允许有砂眼、裂纹,缩孔、渣和气泡等缺陷,其他部位不允许有影响铸件使用性能的缺陷存在,
4.2. 4与轴承配合孔的公差带为H7,孔的圆杜度应符合 GB/T 1184中7级精度公差值,粗糙度 Ra值小于等于3.2 。
4.2.5孔与轴承外圈接触的端面对孔轴心线的垂直度应符合GB/T1184中7级精度公差值。4.2.6机座上下两轴承孔《或轴承座孔)对公共轴心线的同轴度应符合GB/T1184中8级精度公差值。机座平面对轴承孔轴心线的垂直度应符合(B/T1184中9级精度公差值。4.3传动带
4.3.1普通V带和有效宽度制窄V带的截面尺寸应符合GB/T11544的规定。4.3.2圆弧齿同步带应符合JB/T7512.1的规定。4.4带轮
4.4.1普通V带轮的基本型式、人寸材质应符合GB/T10412的规定;质量要求应符合GB/T11357—1989中2.2的规定,
HG/T3139.9—2001
4.4.2普通V带轮表面粗糙度和形位公差(见图2)应符合表3规定。A
图2普通√带轮
表3普通V带轮形位公差和表面粗糙度基准直径Www.bzxZ.net
a,tutn
5=20--30
2>30--50
>50--120
>120-~250
250-500
500-~800
800-1250
>1 250-.2 000
>2000~25c0
圆跳动
表面粗糙度Ru,μm
4.4.3窄V特轮的基本型式,尺小、材质应符合GI3/T10413的规定;质量要求应符合GB/T11357-1989中2.2的规定。
4.4.4窄√带轮表面粗糙度和形位公差(见图3)应符合表4规定,a
图 3 窄 V带轮
有效直径
2>50-~120
120250
250~500
>500--800
800-1250
1250--2000
2000-~2500
HG/T 3139. 9—2001
表4窄V带轮形位公差和表面粗糙度圆跳动
表面粗粒度 Ra+μm
普通和窄V带轮,轮毂孔的公差带为H7,毂长上偏差为1T14,卡偏差为零。4.4.5
4. 4. 6 普通和窄 V带轮,轮槽间距的累积误差不得超过+0. 8 mm 4. 4.7
圆弧齿同步带带轮盐本型式、尺小应符合JB/T7512.2的规定。4.4.8圆弧齿向步带轮基准面径向和端面圆跳动公差及齿面粗糙度应符合表5的要求。表5径向和端面跳动公差及齿面粗糙度Ra值带轮外径,u
*120--400
2400-~900
圆弧齿同步带带轮挡圈的设置:a)一般小轮两侧设挡圈,大轮可以不设。b)也叫在大小轮的不同侧各设一挡圈。跳动+mm
)在中心距较大情况下,必要时,大、小轮两侧均设挡圈12.5
粗度Ra,m
4.4.10圆孤齿同步带轮的材质可根据所传递功率大小一般可采用铸铁或钢。带轮质量要求应符合GB/T11357—1989中2.2的规定。4.5输出轴
4.5.1材料为 45导钢,热处理调质硬度217~255 HI3。4.5.2输出轴为夹壳型轴头-键应符个GB/T1095的规定,4.6装配
4.6. 1轴承内圜必须紧贴轴片或定距环,用 0.05 mm塞尺检查不得塞入。4.6.2圆锥滚了轴承(接触角3一10°~16\)的轴向间隙-应符合表6的规定。用手转动轴轴承运转必须轻快灵活。
表6圆锥滚子轴承的轴向间隙
轴内径
>50~-80
>80~-120
120-~180
>180-~260
轴甸问隙m
HG/T 3139.92001
4.6.3带轮的平衡要求应按GB/T11357的规定执行。4.6.4带的安装要求:
普通 V带传动和窄 V带传动分别按GB/T 13575.1和 GB/T 13575.2的规定。4.6.5普通V带和窄V带传动装置中各带轮轴线应相互平行,各带轮相对应的“V\形槽的对称平面应重合,其误差不得超过20(即图4中β的要求)。图4V带传动装置中带轮轴线板对应V形槽的对称平面误差图示4.6.6圆孤齿同步带传动巾,各带轮轴线应相互平行,各带轮相对应的端面应重合.其误差不得超过表7的规定,
表7圆弧齿带轮共面偏差
带宽,mm
38. 1-~50. &
4.6.7圆弧齿同步带传动中心谢偏差,应控制在以下范周内:中心距大于250mm至500mm,其偏差为0.25mm
4.6.8零件在装配前内外表面必须清除毛刺、切屑、锈迹、残砂与脏物:铸件不加工的表面(包括护罩外表面)应涂以底漆后涂油漆。不加工的内表面(包括护罩内表面)应涂以红色耐油油漆。带轮轮箍部位涂耐油清漆,轮辐部位涂红色耐油油漆。4.6.9轴承的润滑:
轴承应洁净,装配时应涂上足够的符合GB7324要求的通用锂基润滑脂。4.6.10诚速机的外观应整洁,漆层应均勾,表面损伤。5试验方法
5.1空载试验
减速机应进行空载试验:试验前应将皮带护罩按图样要求安装毕固可靠并检查润滑脂是香注人,试验时在额定转速下,正反方向各运转().5 h。空载试验应符合以下要求:a)各联接件、紧固件不得松动。b)V带型号应符合要求,配组公差合适,两带轮相对应的\V\形槽对称平面重合度应符合4.6.5的要求;同步带无磨边,应符合4.6.6的要求。c)运转平稳止常,无异常噪声。d)轴承和油封处温升不得超过25℃。5.2负载试验
HG/T 3139. 92001
5.2.1在空载试验合格后.方可进行负载试验,在额定转速下,分四步逐级加裁试验.每次加载额定功率的25%,每级负载试验达到轴承温几平衡0.5h后再增加--级。5.2.2负载试验应符合以下要求:)出轴油封不得渗油。
b)轴承处温升不得超过 60℃。c)减速机运转应平稳正常,噪声不人于85dBA)。d)同步带不得有跳齿和跑偏现象。5.3满负载试验
满负载试验应加载到额定功率的90%以1,持续运行24h以上,试验结果应符合5.2.2的要求。此项试验允许在主机现场并按主机要求逊行,6检验规则
6.1出厂检验
产品应逐台检验合格后出广。
出厂检验按5.1的要求执行,并应符合第4章各项要求。6.2抽样检验
6.2.1凡有以下情况应进行抽样检验:a)各种桃型号年累计产量大于100台者,每年抽样检验不得少于次。不尼100台者,在案计产量达100 台期限内抽样检验不得少于一次。b)评定或认证产品质量时。
c)山现主要技术性能不合格时。6.2.2抽样方法:被抽检减速机批量大于10台时抽检10%,每批小于10台时抽检台。抽检不合格时再加倍抽检,仍不合格时应逐台检验。6.2.3抽样检验的项口应按5.1和5.2的要求进行,也允许按5.1和5.3的要求进行7标志、包装、运输、贮存
7.1每台减速机应按产品图样上规定的位置固定产品铭牌,铭牌安装时应与基体有漆层隔开,产品铭牌的内容如下:
a)产品名称,
b)产品型号。
c)传动比。
d)额定输出转速。
e)额定功率。
f)重量,
g)产品编号。
h)出厂日期。
1)制造厂名称。
7.2减速机外露加工表面应涂防锈油。7.3随同产品提供的技术文件包括:a)产品合格证及装箱单。
b)产品使用说明书。
技术文件应放在塑料袋内并固定在箱了内壁上。7.4产品装箱发运·应在箱内加以固定,并要适合丁陆路、水运输及装载的要求,包装箱内应铺设防113
水材料。
IIG/T3139.92001
7.5包装箱外壁应有明显文字标记,文字标记应清楚整齐,保证不因雨水冲制而模糊不清,其内容包括:
a)收货单位与地址。
b)产品制造厂、产品名称、型专。c)净重、毛重、箱子外形尺寸及出厂编。7.6在运输和吊装过程中应稳起、稳放、直立放置、不得倒置。7.7减速机应贮存在清洁并能防止雨、雪、水侵袭的地方。114
小提示:此标准内容仅展示完整标准里的部分截取内容,若需要完整标准请到上方自行免费下载完整标准文档。
标准图片预览:





- 热门标准
- HG化工标准
- HG/T20592-2009 钢制管法兰(PN系列)
- HG/T20519-2009 代替 HG/T 20519-1992 化工工艺设计施工图内容和深度统一规定
- HG/T20615-2009 钢制管法兰(Class系列)
- HG/T5624-2019 工业用四羟甲基硫酸磷
- HG20571-2014 代替 HG 20571-1995 化工企业安全卫生设计规范
- HG/T20613-2009 钢制管法兰用紧固件(PN系列)
- HG/T20553-2011 代替 HG 20553-1993 化工配管用无缝及焊接钢管尺寸选用系列
- HG/T20206-2017 代替 HG 20206-1992 化工机器安装工程施工及验收规范(中小型活塞式压缩机)
- HG/T21574-2018 代替 HG/T 21574-2008 化工设备吊耳设计选用规范
- HG20583-1998 钢制化工容器结构设计规定
- HG/T21547-2016 代替 HG 21547-1993 管道用钢制插板、垫环、8字盲板系列
- HG/T20634-2009 钢制管法兰用紧固件(Class系列)
- HG/T2373-2004 代替 HG/T 2373-1992 搪玻璃开式贮存容器
- HG/T20606-2009 钢制管法兰用非金属平垫片(PN系列)
- HG/T20610-2009 钢制管法兰用缠绕式垫片(PN系列)
- 行业新闻