- 您的位置:
- 标准下载网 >>
- 标准分类 >>
- 铁路运输行业标准(TB) >>
- TB/T 2499-2008 列车调度指挥系统(TDCS)数据通信规程
标准号:
TB/T 2499-2008
标准名称:
列车调度指挥系统(TDCS)数据通信规程
标准类别:
铁路运输行业标准(TB)
标准状态:
现行出版语种:
简体中文下载格式:
.zip .pdf下载大小:
39.09 MB
点击下载
标准简介:
TB/T 2499-2008.The data communication protocol of Train operation Dispatching Command System.
1范围
TB/T 2499规定了列车调度指挥系统(以下简称TDCS)的数据通信的一般规定通信规程及信息格式。
TB/T 2499适用于新建、改建铁路线路TDCS的工程软件设计和技术文件编制,也适用于调度集中系统中的相同功能的通信规程及信息格式,调度集中系统不同功能的通信规程及信息格式遵循相关规定。
TB/T 2499适用于基于无线列调的无线车次号校核系统和调度命令无线传送系统。
TDCS与其他系统间的通信协议可遵从相应技术规程或标准的规定,没有相应规程或标准的可参照本标准制定。
2总要求
2.1 一般规定
本标准规定了TDCS在以下情况的网络通信规程和信息表示规范,对未作规定的可按有关标准及使用要求定义。
a)部TDCS中心与局TDCS中心之间(以下不需特指时,均简称TDCS中心)。
b)各局 TDCS中心之间。
c) 局TDCS中心与车站之间。
d) 车站与车站之间。
e) TDCS 与其他相关系统连接时,TDCS与其他相关系统之间。
2.2铁路局间分界口
铁路局间的分界口车站纳人各自路局的TDCS车站基层网,通过相关局IDCS中心实现信息交换。
2.3 其他
2.3.1 TDCS的车站站场显示图形描述信息的内容.存储格式和交换方法应按附录A和附录B中的规定执行。
部分标准内容:
中华人民共和国铁道行业标准
TB/T2499—2008
代替TB/T2499—2002
列车调度指挥系统(TDCS)数据通信规程The data communication protocol of Train operation DispatchingCommandSystem
2008-09-06发布
2008-12-01实施
中华人民共和国铁道部
总要求
数据通信规程
3.1物理层
3.2数据链路层
3.3网络层
3.4传输层
3.5会话层
3.6表示层
附录A(规范性附录)单站站场显示图形描述文件附录B(规范性附录)
区段描述文件(全景显示图形描述文件).·附录C(规范性附录)
附录D(规范性附录)
铁路局相关交换文件的规定
TDCS系统MQ消息队列定义及使用规定附录E(规范性附录)
附录F(规范性附录)
TDCS系统的各种信息定义表
TDCS站场图形显示规范
TB/T2499--2008
TB/T2499——2008
本标准代替TB/T2499一2002《DMIS、调度集中、调度监督系统间的数据通信规程》。本标准与TB/T2499--2002相比主要变化如下:重新定义了铁道部TDCS中心(以下简称部TDCS中心)与铁路局TDCS中心(以下简称局TDCS中心)、铁路局TDCS中心与车站、铁路局TDCS中心与铁路局TDCS中心之间、车站与车站之间交换信息的类型和流向:
-重新对TDCS系统部TDCS中心、局TDCS中心、车站之间的信息交换规程进行了统一规定;一取消了原标准中对铁路分局TDCS中心的规定;一明确了物理层和数据链路层的使用规定;一增加了部TDCS中心对局TDCS中心的调度命令信息进行查询的通信规程;-增加了部TDCS中心对局TDCS中心的运行图信息(基本图/历史图/调整方案/日班计划等)进行查询的通信规程;
增加了部TDCS中心对局TDCS中心的列车编组信息、站存车、小编组、甩挂计划等信息的查询通信规程:
增加了原标准中未规定的局TDCS中心与车站之间的通信规程;一增加了通过车务终端办理邻站之间预告确认与取消通知的通信规程;一增加了既有线提速CTCS-2区段相邻路局间跨局限速调度命令通信规程;本标准着重各种不同类型TDCS系统的互联互通,按本标准实施的TDCS系统将可以实现不同类型TDCS车站设备和TDCS中心设备之间的接人。本标准的附录A、附录B、附录C、附录D、附录E、附录F为规范性附录。本标准由铁道部运输局提出。
本标准由北京全路通信信号研究设计院归口。本标准起草单位:北京全路通信信号研究设计院、铁道科学研究院通信信号研究所、卡斯柯信号有限公司、河南辉煌科技股份有限公司。本标准主要起草人:赵星、李建业、应志鹏、孙军峰、李萍、何杰、靳俊、于龙、王忠卫、郭治国、王壮峰、张国萃
本标准所代替标准的历次版本发布情况为:TB/T2499—1994TB/T2499—2002。I
1范围
列车调度指挥系统(TDCS)数据通信规程TB/T2499-2008
本标准规定了列车调度指挥系统(以下简称TDCS)的数据通信的一般规定,通信规程及信息格式本标准适用于新建、改建铁路线路TDCS的工程软件设计和技术文件编制,也适用于调度集中系统中的相同功能的通信规程及信息格式,调度集中系统不同功能的通信规程及信息格式遵循相关规定。
本标推适用于基于无线列调的无线车次号校核系统和调度命今无线传送系统。IDCS与其他系统间的通信协议可遵从相应技术规程或标准的规定,没有相应规程或标准的可参照本标准制定。
2总要求
2.1一般规定
本标准规定了TDCS在以下情况的网络通信规程和信息表示规范,对未作规定的可按有关标准及使用要求定义。
a)部TDCS中心与局TDCS中心之间(以下不需特指时,均简称TDCS中心)。b)各局TDCS中心之间。
c)局TDCS中心与车站之间。
d)车站与车站之间。
e)TDCS与其他相关系统连接时,TDCS与其他相关系统之间。2.2铁路局间分界口
铁路局间的分界口车站纳人各自路局的TDCS车站基层网,通过相关局TDCS中心实现信息交换。2.3其他
2.3.1TDCS的车站站场显示图形描述信息的内容、存储格式和交换方法应按附录A和附录B中的规定执行。
2.3.2需要互连的不同TDCS,应按本标准,将现场动态信息提供给对方,同时按附录C将站场显示图形描述文件,运行图底图等静态信息提供给对方2.3.3CTC系统需要接人路局TDCS中心时,TDCS和CTC系统应按本标准,将现场动态信息提供给对方,同时按附录C将站场显示图形描述文件、运行图底图等静态信息提供给对方。2.3.4MQ的消息队列定义及使用规定见附录D。2.3.5TDCS的各种信息定义见附录E。2.3.6TDCS的站场图形显示规范见附录F。3数据通信规程
3.1物理层
物理层通道应为2M数字通道,采用V.35接口标准。3.2数据链路层
数据链路层可采用以下所列的标准:a)HDLC——高级数据链路通信规程。1
TB/T2499—2008
一点到点通信规程。
3.3网络层
3.3.1网络层协议应采用IP协议。3.3.2铁道部TDCS中心与路局TDCS中心、路局TDCS中心与路局TDCS中心之间路由协议应采用OSPF;路局TDCS中心与车站之间路由协议可采用OSPF、RIP2、EIGRP。3.4传输层
传输层协议应采用面向连接方式的TCP协议。3.5会话层
3.5.1TDCS中心之间会话层
3.5.1.1铁道部TDCS中心与路局TDCS中心、路局TDCS中心与路局TDCS中心之间会话层,应采用MQ通信支撑软件。
3.5.1.2TDCS中心之间分别启动与对方建立两条MQ通道,一条传输实时信息,另一条传输非实时信息。当60s无信息时,发送方发送一次无变化信息报文。接收方当90s收不到任何信息时,可认为链路中断,向系统发出报警信息,提示维护人员。两条通道均应根据实际需要设置各类信息包的有效时限。
TDCS中心之间应互相向对方发送控制信息。3.5.1.4TDCS中心应根据接受的控制信息向对方发送相应的数据。3.5.1.5TDCS中心应接受对方发送的数据。3.5.1.6TDCS中心可选择向对方发送控制信息。3.5.1.7
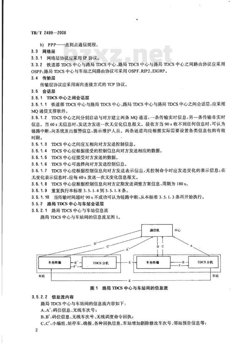
TDCS中心应根据控制信息向对方发送表示信息,无控制命令时应发送变化的表示信息;在无变化表示信息时,应每60s发送一次无变化信息报文。3.5.1.8TDCS中心应根据控制信息向对方定期发送调整方案信息,周期为180s。3.5.1.9重复执行本标准3.5.1.4到3.5.1.8条。3.5.1.10当传输时间超时90s不成功可认为链路中断,从本标准3.5.1.3条再开始执行。3.5.2路局TDCS中心与车站会话层3.5.2.1路局TDCS中心与车站信息流路局TDCS中心与车站间的信息流见图1。通信机
车务终端
3.5.2.2信息流内客
TDCS分机
车务络端
图1路局TDCS中心与车站间的信息流路局TDCS中心与车站间的信息流内容如下:A、A':码位信息、无线车次号;B、B':码位信息、无线车次号、无线调度命令回执:中心
TDCS分机
C、C':小编组、站存车、确报、各种回执信息、车站增加删除修改车次号、邻站预告信息等;2
TB/T2499—2008
D、D:自动报点信息、车次跟踪信息、限速封锁的显示信息、邻局车站码位信息、甩挂计划、确报、阶段计划、调度命令(包含无线调度命令)邻站预告信息等;E、E':码位信息;
F、F:无线调度命令,无线调度命令均通过车务终端下达给TDCS车站分机(以下简称分机)。路局内相邻站直接进行码位信息的交换,相邻路局邻站的码位信息通过TDCS中心通信机转发。3.5.2.3路局TDCS中心与车站的通信3.5.2.3.1路局TDCS中心和车站之间应以TCP/IP为网络通信协议,采用Client/Server方式。3.5.2.3.2车站分机和车务终端、TDCS中心通信服务器的通信。分机为SERVER端,分机侦听端口为4095;车务终端、TDCS中心通信服务器以下车务终端、TDCS中心通信服务器均简称为客户端)为CLIENT端。分机向各个客户端发送的应用数据包括登录确认信息、分机主备状态信息、码位信息、采集板状态报告信息、无线车次号信息、无线调度命令回执信息、无线设备接口测试命令回执信息、心跳信息等。各个客户端向分机发送的数据包括登录请求信息、无线调度命令发送信息、无线设备接口测试命令发送信息、心跳信息等。
3.5.2.3.3车务终端和TDCS中心通信服务器的通信应符合以下条件:a)TDCS中心通信服务器为SERVER端,车务终端为CLIENT端。b)采用4095端口,交换的信息内容为邻局间相邻车站的码位信息。采用3095端口,为车站提供自动报点信息、车次跟踪信息、限速封锁的显示信息、甩挂计划、预c
确报、阶段计划、调度命令(包含无线调度命令)等信息。3.5.3
会话层数据帧格式
3.5.3.1会话层数据顿格式见表1。表1
data_head
总顿数
当前顿号
data_len
data_tail
会话层数据顿格式
内容说明
顿头,两个字节,固定为OEFH,OEFH数值
从1开始编号
值为n,表示data域的长度,两个字节,低字节在前,高字节在后表示发送的应用数据个数,长度圾长为2048字节顿尾,两个字节,固定为OFDH,OFDH3.5.3.2数据顿为会话层发送的最小信息单位。3.5.3.3
一个数据顿中只允许一个表示层的信息包,但数据长度最多为2048字节。3.5.3.4表示层的一个信息包也可以拆分成多个数据顿发送,但总长度不得超过255×2048个字节。3.6表示层
3.6.1信息包格式
3.6.1.1信息包为表示层发送的最小信息单位,信息包格式见表2。表2表示层信息包格式
功能码
版本号
用于区分信息包的类型
内容说明
用于区分同一信息类型下的不同功能用来区分协议的版本,本版指定为01H3
TB/T2499—2008
总包数
当前包号
信息正文
表2(续)
总的要发送的信息包的数量
内容说明
正在发送的信息包序号,从1开始该顿信息流总字节数(不包括类型、功能码、版本号、字长、总包数、当前包号)字长规定长度的信息
当一个任务需发送多个同一类型和功能码的信息包时,在所有此类信息包未发送完毕之前,不应发送新的信息包。
3.6.1.3对于所有多字节的数值型数据,低字节在前,高字节在后。3.6.1.4本标准中使用到的各种类型码规定如下:8AH:调度命令信息包格式(适用于铁道部、路局、车站各级之间);8BH:调度命令回执信息包格式(适用于铁道部、路局、车站各级之间);8CH:通信状态信息包格式(适用于铁道部、路局各级之间);8DH:晚点原因信息包格式(适用于铁道部、路局各级之间):8EH:控制信息包格式(适用于铁道部、路局各级之间);8FH:采集表示信息包格式(适用于铁道部、路局各级之间);90H:逻辑表示信息包格式(适用于铁道部、路局、车站各级之间);91H:到发点信息包格式(适用于铁道部、路局、车站各级之间);80H:运行图信息包格式(适用于铁道部、路局、车站各级之间);81H:阶段计划信息包格式(适用于路局、车站各级之间):82H:交叉互控信息包格式(适用于路局、车站各级之间)83H:邻站预告确认与取消(适用于路局转发车站之间的预告信息);84H:终端车次维护命令(适用于路局、车站之间)85H:站存车(适用于铁道部、路局、车站各级之间):86H:甩挂车(适用于铁道部、路局、车站各级之间):87H:小编组(适用于铁道部、路局、车站各级之间):88H:预确报(运统一)(适用于铁道部、路局、车站各级之间);11H:临时限速调度命令(适用于铁道部、路局、车站各级之间);12H:临时限速调度命令回执(适用于铁道部、路局、车站各级之间);13H一1FH:预留信息类型(开发新功能时暂用,经铁道部确认后转为正式信息类型):79H—7FH:旧版本信息类型。
3.6.1.5本标准中对“时间”格式的规定如下:使用7字节,以数字表示年、月、日、时、分、秒。其中,年:2字节。月:1字节。日:1字节。时:1字节。分:1字节。秒:1字节。例如,需要传送的时间为2001年9月21日15时29分30秒,则年、月、日、时、分、秒各单元的值分别为:2001、9、21、15、29、30。3.6.1.6本标准中的其他规定:
a)站码
以代码表示各局所管辖车站,2字节;路局内车站(包括远程受令终端)统一编码,协议中各种“单位”的车站类型编码原则与此相同。b)调度台ID
以代码表示各局所管辖调度台,2字节,对应具体的物理设备;路局内调度台(包括值班主任台等)统4
一编码,协议中各种“单位”的调度台类型编码原则与此相同。c)调度区段ID
TB/T2499—2008
以代码表示各局所管辖调区段,2字节;路局内调度区段统一编码,协议中各种单位”的调度区段类型编码原则与此相同。区段ID包括与运输指挥划分模式相关的调度区段ID和与界面显示相关的站场显示区段ID。
d)列车ID
列车唯一标识编码,4字节,以调度区段为单位,第一趟列车从1开始编号,每增加一趟列车加1,保证一个调度区段内唯一。
e)节点ID
运行图上的站名线编码,1字节,以调度区段为单位;是本区段运行图上站名线的唯一编号,原则上从0开始,按站名线从上到下的原则依次顺序编码。详见基本图运行线处的图示。3.6.2调度命令信息格式
3.6.2.1调度命令流程见图2。
铁道部调度台
其他铁路局
值班主任台
注:车站包括远程终端
铁路局调度台
车站转接器
铁路局到车站的调度命令,A'为回执:铁路局内同级调度台之间转发调度命令,B为回执:一铁路局内需由值班主任审核的调度命令,C为回执;-铁路局之间的调度命令,D为回执:铁路局之间需由铁道部审核的调度命令,E'为回执;铁道部向铁路局发送的调度命令,F为回执:铁道部向车站发送的调度命令,G为回执。铁路局调度台
车站转接器
图2TDCS调度命令流程图
调度命令信息包格式见表3。
表3调度命令信息包格式
功能码
铁路局值班主任台
车站转接器
内容说明
一调度命令下达
调度命令申请审核
03H一调度命令请求
无线调度命令下达
无线调度命令申请审核
TB/T2499—2008
版本号
总包数
当前包号
发令局代码
发令单位类型
发令单位ID
受令局代码
受令单位类型
受令单位ID
命令序号
命令编号
命令类型代码
发令时间
发令机构长度
发令机构
发令者长度
发令者
受令机构长度
受令机构
值班主任姓名长度
值班主任姓名
审核时间
抄送站数
抄送站站码1
抄送站名长度1
抄送站名1
抄送目标长度1
抄送目标1
表3(续)
内容说明
用来区分协议的版本,本版指定为01H总的要发送的信息包的数量,一个信息包指一个完整的调度命令正在发送的信息包序号,从1开始该顿信息流总字节数(不包括类型、功能码、版本号、字长总包数、当前包号)
发令铁路局编码,见附录E的表E.1,当此代码指定为00H时表示为铁道部发送
01H一车站/远程受令终端,02H一调度台发令单位的编号:路局内车站(包括远程受令终端等)统一编码,调度台(包括值班主任台等)统一编码受令铁路局编码,见附录E的表E.1,当此代码指定为OFFH时表小为全部路局
01H一车站/远程受令终端,02H--调度台受令单位的编号,00FFH表示全部调度台,OFFFFH全部车站。路局内车站(包括远程受令终端等)统一编码,调度台(包括值班主任台等)统一编码
系统内部编号,作为唯一标识
每个调度台分别计数,ASCII码,按调规编码根据路局要求确定
表示调度命令第一顿下达的时间,以数字表示年、月、日、时、分、秒表示发令机构内容的长度
表示发令机构,长度为可变长,具体长度由发令机构长度决定,字符
表示发令者内容的长度
表示发令者,长度为可变长,具体长度由发令者长度决定,字符受令机构内容的长度
表示受令机构,长度为可变长,具体长度由受令机构长度决定,字特
表示值班主任姓名内容的长度
表示值班主任姓名,长度为可变长,具体长度由值班主任姓名长度决定,学符
表示值班主任审核该调度命令的时间,以数字表示年、月、日、时、分、秒。当该调度命令不需要审核时,7个学节全为0需要抄送的车站数目m,下面的“抄送站站码数由抄送站数决定
由路局对各车站进行统一编码
车站站名长度
抄送目标”的个
车站名,长度为可变长,具体长度由抄送站名长度决定,字符表示抄送目标的长度
表示抄送目标,长度为可变长,具体长度由抄送目标长度决定序
下一站
受令机车数目
(车次号(10BYTE)+
机车号(8BYTE))
无线功能码
发送属性
群发开始时间
群发结束时间
标题长度
命令正文长度
命令正文
表3(续)
内容说明
TB/T2499--2008
“抄送站站码——抄送目标”,27~31项重复,直至第m个需要接受此调度命令的机车数n,每台受令机车由下面的“车次号+机军享”确定:为0时后面34~38项不需填写车次号:ASCI码,顺序发送。不足10位时后面用空格(20H)补齐;机军号:ASCI码,顺序发送。机军类型代码3位,机军编号5位,不定5位高位填0补齐
用于无线信息分类,01H一调度命令;02H一路票:03H一绿色许可证04H一红色许可证:05H一出站跟踪调车通知书01H一车站值班员确认发送;
02H一直接发送到机车;
04H一上行群发;
08H一下行群发
调度台直接向机车发送无线调度命令时,由调度台确定发送时机年(2BYTE)、月、日、时、分、秒年(2BYTE)、月、日、时、分、秒数字,表示标题的长度
数字,表示命令正文的长免费标准bzxz.net
表示命令正文,长度为可变长,具体长度由命令正文长度决定调度命令回执信息包格式见表4,回执类型为01H时的信息内容格式见表5,回执类型为02H时的信息内容格式见表6,回执类型为03H、04H时的信息内容格式见表7。表4
调度命令回执信息包格式
功能码
版本号
总包数
当前包号
回执类型
信息内容
内容说明
01H一调度命令下达:
02H—调度贪令申舒审核;
03H-调度令请录:
11H一无线调度命令下达;
12H一无线调度命令中请审核
用来区分协议的版本,本版指定为01H总的要发送的信息包的数量,一个信息包表示一个完整的调度命令回执
正在发送的信息包序号,从1开始该顿信息流总字节数(不包括类型、功能码、版本号、字长、总包数、当前包号)
01H一自动回执:
02H一人工回执
03H一机车装置自动确认:
04H一机车装置签收数据
回热类型为01H时信息内容的格式见表5;回执类型为02H时信总内容的格式见表6;回执类型为03H.04H时信总内容的格式见表7TB/T2499---2008
发令局代码
发令单位类型
发令单位ID
受令局代码
受令单位类型
受令单位ID
命令序号
命令编号
回执时间
发令局代码
发令单位类型
发令单位D
受令局代码
受令单位类型
受令单位ID
命令序号
命令编号
回执时间
受令者长度
受令者
受令结果
发令局代码
发令单位类型
发令单位D
受令局代码
回执类型为01H时的信息内容格式字节
内容说明
发令铁路局编码,见附录E的表E.1,当此代码指定为00H时表示为铁道部发送
01H一车站/远程受令终端,02H-调度台发令单位的编号,路局内车站(包括远程受令终端等)统一编码,调度台(包括值班主在谷等)统一编码受令铁路局编码,见附录E的表E.1,当此代码指定为OFFH时表示为全部路局
01H一车站/远程受令终端,02H一调度台受令单位的编号,00FFH表示全部调度台,OFFFFH全部车站。路局丙车站(包括远程受令终端等)统一编码,调度台(包括值班主在召等)统一缩码
系统内部编号,作为唯一标识
每个调度台分别计数,ASCI码,按调规编码表示命令接收方服务器(或终端)收到该包信息的时间表6[
回执类型为02H时的信息内容格式内容说明
发令铁路局编码,见附录E的表E.1,当此代码指定为00H时表示为铁道部发送01H—车站/远程受令终端,02H一调度台发令单位的编号,路局内车站(包括远程受令终端等)统一一编码,调度台(包括值班主住台等)统编码
受令铁路局编码,见附录E的表E.1,当此代码指定为OFFH时表示为全部路局01H一车站/远程受令终端,02H一调度台受令单位的编号,00FFH表示全部调度台,OFFFFH全部车站。路局内车站(包括远程受令终端等)统一编码,调度分(包括值班主任台等统一编码系统内部缩号,作为唯标识
每个调度台分别计数,ASCII码,按调规编码表示命令接收方值班人员接受该完整调度命令的时间表示受令者内容的长度
表示受令者,长度为可变长,具体长度由受令者长度决定,字符为01H时表示接受,为00H时表示不接受表7
回执类型为03H、04H时的信息内容格式字节
内容说明
发令铁路局编码,见附录E的表E.1,当此代码指定为00H时表示为铁道部发送
01H一车站/远程受令终端,02H一调度台发令单位的编号,路局内车站(包括远程受令终端等)统一编码,调度台(包括值班主任台等)统一编码受令铁路局编码,见附录E的表E.1,当此代码指定为OFFH时表示为全部路局
受令单位类型
受令单位ID
命令序号
命令编号
回执时间
无线功能码
车次号
机车号
签收地点公里标
签收地点GPS经度
签收地点GPS纬度
司机姓名长度
司机姓名
表7(续)
内容说明
01H一车站/远程受令终端,02H-一调度台TB/T2499—2008
受令单位的编号,00FFH表示全部调度台,OFFFFH全部车站。路局内车站(包括远程受令终端等)统二编码,调度台(包括值班主任台等)统一编码
系统内部编号,作为唯一标识
每个调度台分别计数,ASCI码,按调规编码表示机车自动确认或人工签收确认调度命令的时间用于无线信息分类,01H一调度命令:02H一路票;03H-绿色许可证;04H一红色许可证:05H一出站跟踪调车通知书ASCII码,顺序发送。不足10位时后面用空格(20H)补齐ASCII码,顾序发送。机车类型代码3位,机车编号5位,不足5位高位\o\补齐
BCD码,单位百米
BCD码,低三个字节表示\分”;高两个字节表示“度”,无GPS时填“0”BCD码,低二个字节表示“分”;高一个字节表示“度”,无GPS时填“0”表示受令机车司机姓名的长度
表示司机姓名,长度为可变长,具体长度由司机姓名长度决定,字符调度命令查询结果信息包格式见表8。表8
功能码
版本号
总包数
当前包号
查询命令编号
发令局代码
发令单位类型
发令单位ID
受令局代码
受令单位类型
受令单位ID
调度命令查询结果信息包格式
04H调度命令套询结果:
14H-无线调度命令准询结果
用来区分协议的版本,本版指定为01H总的要发送的信息包的数量,一个信息包指一个完整的调度命令正在发送的信息包序号,从1开始该顿信息流总字节数不包括类型、功能码、版本号、字长、总包数、当前包号
查询方所发出控制命令的统一顺序编号发令铁路局编码,见附录E的表E.1,当此代码指定为00H时表示为铁道部发送
01H一车站/远程受令终端,02H一调度台发令单位的编号,路局内车站(包括远程受令终端等)统一编码,调度台(包括值班主任台等)统一编码受令铁路局编码,见附录E的表E.1,当此代码指定为OFFH时表示为全部路局
01H一车站/远程受令终端,02H一调度台受令单位的编号,00FFH表示全部调度台,0FFFFH全部车站。路局内车站(包括远程受令终端等)统一缩码,调度台(包括值班主任台等)统一编码
小提示:此标准内容仅展示完整标准里的部分截取内容,若需要完整标准请到上方自行免费下载完整标准文档。
标准图片预览:





- 热门标准
- TB铁路运输标准
- TB/T2769-2008 重型轨道车试验方法
- TB/T3015.6-2001 铁道车辆整体车轮外形尺寸检测量具技术条件轮辋宽度卡尺
- TB/T2075.4-2002 电气化铁道接触网零部件 第4部分:双横承力索线夹
- TB/T2075.54-2002 电气化铁道接触网零部件 第54部分:接地线连接线夹
- TB/T1686-2000 25t电动架车机技术条件
- TB/T3121-2005 铁路食(饮)具洁净度ATP生物发光检测法和分级判定
- TB/T2922.2-1998 铁路混凝土用骨料碱活性试验方法化学法
- TB/T2494.1-1994 轨道车辆车轴探伤方法 新制车轴超声波探伤
- TB1670.8-1985 15号车钩钩体防跳台样板
- TB10001-2005 铁路路基设计规范(附条文说明)
- TB/T2997.1-2000 铁路程控共线电话设备 主控机技术要求及试验方法
- TB/T3102.28-2005 机车车辆用曲面卡套式管接头 第28部分:四通管接头
- TB/T3059-2009 车机联控作业
- TB/T3108-2011 铁道客车塞拉门
- TB/T2472-1993 DK.S型道口闪光器
- 行业新闻
网站备案号:湘ICP备2025141790号-2