- 您的位置:
- 标准下载网 >>
- 标准分类 >>
- 通信行业标准(YD) >>
- YD/T 3024-2016 阵列掺铒光纤放大器
标准号:
YD/T 3024-2016
标准名称:
阵列掺铒光纤放大器
标准类别:
通信行业标准(YD)
标准状态:
现行出版语种:
简体中文下载格式:
.zip .pdf下载大小:
4.68 MB
点击下载
标准简介:
YD/T 3024-2016.Erbium doped fiber amplifier array.
1范围
YD/T 3024规定了阵列掺铒光纤放大器(以下简称EDFA Array)的缩略语、术语和定义、技术要求、测试方法、检验规则、包装、标志、运输和储存要求。
YD/T 3024适用于C波段EDFA Array。
2规范性引用文件
下列文件对于本文件的应用是必不可少的。凡是注日期的引用文件,仅注日期的版本适用于本文件。凡是不注日期的引用文件,其最新版本(包括所有的修改单)适用于本文件。
GB/T 2421.1-2008电工电子产品环境试验概述和指南
GB/T 16849-2008光纤放大器总规范
GB/T 18898.1掺铒光纤放大器第1部分: C波段掺铒光纤放大器
GB/T 26125-2011电子电气产品六种限用物质(铅、汞、镉、六价铬、多溴联苯和多溴二苯醚)的测定
GB/T 26572-2011电子信息产品中有毒有害物质的限量要求
IEC 60825-1 2007激光器产品防护第1部分: 设备分类和技术要求(Safety of laser products-Part1: Equipment classification and requirements)
Telcordia GR-63-CORE: 2012 网络 设备建造系统(NEBS)要求:物理保护(Network equipment-building system (NEBS) Requirements: Physical Protection)
部分标准内容:
中华人民共和国通信行业标准
YD/T3024-2016
阵列掺镇光纤放大器
Erbiumdopedfiberamplifierarray2016-01-15发布
2016-04-01实施
中华人民共和国工业和信息化部发布前言
1范围·
2规范性引用文件
3缩略语
4术语和定义·
5技术要求
5.1性能规范·
5.2环境和机械性能试验要求.
5.3环保符合性
5.4激光安全…
6测试方法
6.1外观检查、常规光学性能测试6.2瞬态性能参数测试
6.3控制串扰(CCT)测试
7环境和机械性能试验
7.1机械性能试验
7.2环境试验
7.3电气性能试验
7.4可靠性试验
标志、包装、运输和储存。
YD/T3024-2016
YD/T3024-2016
本标准按照GB/T1.1-2009给出的规则起草。本标准在制定过程中,术语定义和技术要求主要参考了ITU-TG.661-2007《光放大器器件和子系统的定义及相关参量的测量方法》、ITU-TG.662-2005《光纤放大器器件和子系统的一般特性》、ITU-TG.663-2011《光纤放大器器件和子系统的相关应用》标准。瞬态特性试验方法参考了IEC61290-4-22011《光放大器一测试方法第4-2部分:增益瞬态参数一宽带光源方法》请注意本文件的某些内容可能涉及专利。本文件的发布机构不承担识别这些专利的责任。本标准由中国通信标准化协会提出并归口。本标准起草单位:武汉烽火科技集团有限公司、中兴通讯股份有限公司。本标准主要起草人:下勤练、陈俊、江毅、武成宾。H
iiKAoNiKAca
1范围
阵列掺钼光纤放大器
YD/T3024-2016
本标准规定了阵列掺饵光纤放大器(以下简称EDFAArray)的缩略语、术语和定义、技术要求、测试方法、检验规则、包装、标志、运输和储存要求。本标准适用于C波段EDFAArray。2规范性引用文件
下列文件对于本文件的应用是必不可少的。凡是注日期的引用文件,仅注日期的版本适用于本文件。凡是不注日期的引用文件,其最新版本(包括所有的修改单)适用于本文件。GB/T2421.1-2008电工电子产品环境试验概述和指南GB/T16849-2008光纤放大器总规范GB/T18898.1掺饵光纤放大器第1部分:C波段掺饵光纤放大器GB/T26125-2011电子电气产品六种限用物质(铅、汞、镉、六价铬、多漠联苯和多溴二苯醚)的测定
GB/T26572-2011电子信息产品中有毒有害物质的限量要求IEC60825-12007激光器产品防护第1部分:设备分类和技术要求(Safetyoflaserproducts-Partl:Equipment classification and requirements)TelcordiaGR-63-CORE:2012网络设备建造系统(NEBS)要求:物理保护(Networkequipment-building system (NEBS) Requirements: Physical Protection)TelcordiaGR-418-CORE:1999光纤传输系统通用可靠性保证要求(GenericReliabilityAssuranceRequirementsforFiberOpticTransportSystems)TelcordiaGR-468-CORE:2004电信设备用光电子器件通用可靠性保证要求(GenericReliabilityAssurance Requirements for Optoelectronic Devices Used in Telecommunications Equipment)TelcordiaGR-1089-CORE:2011电磁兼容和电气安全一电信网络设备通用准则(ElectromagneticCompatibility and Electrical Safety -Generic Criteria for Network Telecommunications Equipment)TelcordiaGR-1312-CORE:1999光纤放大器和专用密集波分复用系统总规范(GenericRequirements for optical fiber amplifiers and proprietary dense wavelength-division multiplexed systems)3缩略语
下列缩略语适用于本文件。
Automatic GainControl
AmplifiedSpontaneousEmissionControl Cross-Talk
Erbium-DopedFiberAmplifier
自动增益控制
放大的自发辐射
控制串扰
掺饵光纤放大器
HiKAoNiKAca
YD/T3024-2016
4术语和定义
ArrayErbium-DopedFiberAmplifierArrayElectro-Static discharge
PolarizationDependentGain
Reconfigurable Optical Add Drop MultiplexerVariableOptical Attenuator
GB/T16849-2008界定的以及下列术语和定义适用于本文件。4.1
阵列掺饵光纤放大器Erbium-DopedFiberAmplifierArray阵列掺镇光纤放大器
静电放电
偏振相关增益
可重构光分插复用器
可变光衰减器
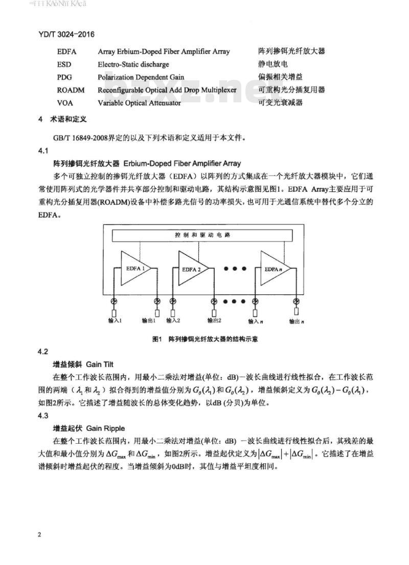
多个可独立控制的掺饵光纤放大器(EDFA)以阵列的方式集成在一个光纤放大器模块中,它们通常使用阵列式的光学器件并共享部分控制和驱动电路,其结构示意图见图1。EDFAArray主要应用于可重构光分插复用器(ROADM)设备中补偿多路光信号的功率损失,也可用于光通信系统中替代多个分立的EDFA。
控制和驱动电路
输入1
增益倾斜GainTilt
输出1
输入2
输出2
输入n
图1阵列掺饵光纤放大器的结构示意?
在整个工作波长范围内,用最小二乘法对增益(单位:dB)一波长曲线进行线性拟合,在工作波长范围的两端(和)拟合得到的增益值分别为G()和G。(),增益倾斜定义为G()-G(a),如图2所示。它描述了增益随波长的总体变化趋势,以dB(分贝)为单位。4.3
增益起伏GainRipple
在整个工作波长范围内,用最小二乘法对增益(单位:dB)一波长曲线进行线性拟合后,其残差的最大值和最小值分别为△Gma和△Gmin,如图2所示。增益起伏定义为AGma+AGmin。它描述了在增益谱倾斜时增益起伏的程度。当增益倾斜为OdB时,其值与增益平坦度相同。2
HiiKAoNiKAca
增盐倾斜
增益起伏=AGmmAGmm
图2增益斜率和增益波动的定义
预存波道Pre-ExistingChannel
增加波道数目前已存在的波道。4.5
残留波道SurvivingChannel
减少波道数目后仍残留的波道。4.6
瞬态持续时间TransientDuration22
增益平坦电
YD/T3024-2016
对规定的多波道配置,从增加(减)波道数目开始,直到所有预存(残留)波道的输出功率达到并保持在最终稳态值的士0.2dB之内所经历的时间,如图3所示。注:也称为稳定时间(settlingtime)4.7
瞬态增益增加量TransientGainIncrease对规定的多波道配置,在瞬态持续时间内,增加(减少)波道所引起的任意预存(残留)波道增益的最大增加量的绝对值(见图3),以dB(分贝)为单位。4.8
瞬态增益减小量TransientGainReduction对规定的多波道配置,在瞬态持续时间内,增加(减少)波道所引起的任意预存(残留)波道增益的最大减小量的绝对值(见图3),以dB(分贝)为单位。4.9
瞬态增益偏差TransientGainError对规定的多波道配置,增加(减少)波道所引起的任意预存(残留)波道在瞬态发生前、后的最大稳定增益之差(见图3),以dB(分贝)为单位。HiiKAoNiKAca
YD/T3024-2016
增益增加量
瞬态持续时间
胖态增益减小量
瞬态增益偏差
波道数减少时残余波道增益的变化图3
控制串扰ControlCross-Talk
由于控制电路和阵列式光学器件的影响,当保持EDFAArray中某个EDFA(称为待测EDFA)自身的控制参数和工作状态不变,而改变其他EDFA(称为扰动EDFA)的控制参数或工作状态时,待测EDFA的输出光功率将发生变化,通常在待测EDFA的最大输出光功率Pa处有最大的变化量。控制申扰(XccT,单位:dB)定义为:当待测EDFA的输出为最大输出光功率P时,由其他EDFA控制参数或工作状态改变所引起的待测EDFA输出功率的最大变化量APax(以mW为单位)之比,见公式(1):XccT =101og(APmax|/ Pmax)
5技术要求
5.1性能规范
表1给出EDFAArray的相关性能参数。(以mW为单位)的绝对值与其最大输出光功率P(1)
表1EDFAArray性能参数
性能参数
工作波长范围
输入功率范围
输出功率范围
波道增益
增益平坦度“
增益倾斜
增益起伏
噪声系数。
瞬态增益增加量。
瞬态增益减小量。
瞬态持续时间
最大瞬态增益偏差
控制串扰
用于ROADM上路方向
用于ROADM下路方向
用于ROADM上路方向
用于ROADM下路方向
用于ROADM上路方向
用于ROADM下路方向
从最大波道数减少到一个波道时从一个波道增加到最大波道数时最小值
最大值
待研究
待研究
HiiKAoiKAca
性能参数
偏振相关增益(PDG)
反向ASE功率
输入光反射
输出光反射
输入端泵泄漏功率
输出端泵泄漏功率
输入端最大光反射容限
输出端最大光反射容限
工作温度
相对工作湿度
储存温度
储存相对湿度
表1(续)
最小值
要求增益倾斜的绝对值小于1dB,当增益斜率的绝对值大于1dB时宜采用增益起伏参数:噪声系数应在其最大额定增益值处测试:b对增益可变的EDFAArray;
“下路波道的功率从稳态时的90%下降到10%的时间为100μs;d上路波道的功率从10%上升到最终稳态90%的时间为100μs。5.2
环境和机械性能试验要求
各种环境和机械试验前后,EDFAArray性能参数允许的最大变化量如表2所示。表2各种环境和机械试验EDFAArray性能参数允许的最大变化量试验项目
高温存储/热冲击
低温存储/热冲击
高湿度存储
温度循环
恒定湿热
尾纤保持力
光纤侧拉
光纤弯折
光纤扭转
静电放电(ESD)
5.3环保符合性
输出信号光功率
参数变化量
噪声系数
YD/T3024-2016
最大值
单位为dB
EDFAArray的组成单元分类应符合GB/T26572-2011中表1的规定,有毒有害物质的限量要求按GB/T26125-2011规定检测,应符合GB/T26572-2011中表2的要求。激光安全
EDFAArray产品上应标有激光安全标志,安全等级按照IEC60825-12007规定。EDFAArray输出为人眼不可见的激光,在安装使用和维护过程中,严禁直视器件输出端面或与之相连接的光纤连接器/尾纤的端面。
HiiKAoiKAca
YD/T3024-2016
6测试方法bZxz.net
6.1外观检查、常规光学性能测试按GB/T18898.1规定的测试条件和测试方法执行外观检查;并对EDFAArray中每个EDFA进行下列常规光学性能测试:
输入功率范围、输出功率范围、工作波长范围:波道增益、增益平坦度、PDG:
一噪声系数、反向ASE功率;
输入光反射,输出光反射,输入端光最大光反射容限、输出端光最大光反射容限:输入端泵浦泄漏功率、输出端泵浦泄漏功率:偏振模色散。
从测量得到的波道增益,按4.2和4.3的定义计算增益起伏和增益倾斜两个参数。在EDFAArray包含的所有EDFA中,以最差的指标作为EDFAArray的性能参数。6.2瞬态性能参数测试
6.2.1试验装置
瞬态性能参数的试验装置如图4所示。图4中的试验装置仅是一种典型的、使用简单光器件的瞬态测量方法。与此试验装置原理类似,但具有相同或更好性能指标的试验装置也可用于瞬态性能参数测试。EDFAArray
多波长
6.2.2测试设备要求
测试设备的要求如下:
光调制
耦合器
可调谐光源
信号发生器
图4瞬态性能参数试验装重
a)多波长光源或宽带光源
1)多波长光源应符合以下要求:波长范围应覆盖EDFAArray的工作波长范围:带通
滤波器
待测波道
示波器
光探测器
各个波长间的间隔应≥50GHz,并尽可能按EDFAArray标称工作状态时的情况配置。若光源波长数目不足,可适当增加波长间隔,但不宜大于400GHz;一多波长光源各个波长间的光功率差不大于1.5dB:在可变光衰减器1(VOA1)的衰减值最小时,多波长光源的输出功率在经过测试光路中其他器件后,在待测EDFA输入端应大于或等于EDFAArray的最大输入功率。2)宽带光源后加上一个可调谐带阻型光滤波器可用于代替多波长光源,其具体要求如下:宽带光源输出功率的95%以上应在EDFAArray的工作波长范围内。6
HiKAoNiKAca
一在其工作波长范围内其峰-峰值功率的变化小于1dB。YD/T3024-2016
可调谐带阻型光滤波器用于阻塞残留(预存)波道附近的宽带光,在残留(预存)波长的士75GHz范围内,其衰减深度大于15dB。一一除阻塞带附近125GHz的范围外,在整个EDFAArray的工作波长范围内,可调谐带阻型光滤波器插入损耗的不均匀性应小于0.5dB。实际测试中,常用满足上述要求的可重构光分插复用器(ROADM)作为可调谐带阻型光滤波器。
b)可调谐光源:波长可调谐的范围应覆盖残留(预存)波道的测试范围,可调谐光源的最大输出功率应大于每个EDFA单波道输入时的最大值。c)可变光衰减器(VOA):VOA1和VOA2的动态范围应满足测试所要求的功率变化范围。注:若光源的输出功率可在所要求的动态范围内调节,则无需相应的VOA。d)光调制器要求如下:
一光调制器的开关速度应满足所需的最小上升和下降时间的要求;一光调制器的消光比应大于波道数目减少时输入光功率最大变化量5dB以上。注:光调制器也可用满足上述性能要求的快速光开关代替。e)耦合器:选择恰当的耦合比,使得多波长光源(宽带光源)和可调谐光源输出的光功率满足测试要求。
f)带通滤波器要求如下
一支持测试所需的残留(预存)波道的波长变化范围,可使用可调谐滤波器、多个不同波长的滤波器级联或解复用器件实现带通滤波器:在残留(预存)波道的中心波长两侧,1dB带宽至少为±20GHz;一除残留(预存)波道中心波长附近土100GHz范围外,在整个EDFAArray的工作波长范围内,衰减量至少比最小插损值大20dB,若使用解复用器代替带通滤波器,则要求相邻信道隔离度大于20dB。g)光探测器要求如下:
一带宽能支持测试所需的最快上升和下降时间,建议带宽至少大于50MHz:一在残留(预存)波道功率变化范围的5dB以内,探测器工作在线性区域,h)示波器:示波器带宽能支持测试所需的最快上升和下降时间,建议带宽至少大于50MHz。i)信号发生器:信号发生器应能产生测试所需的最快上升和下降时间的“on\\off\信号。6.2.3测试步骤
对EDFAArray中的每个EDFA分别测试其瞬态性能参数,测试步骤如下:a)按测试要求配置多波长光源的各个输出波长,若使用宽带光源,则按残留(预存)波道的波长设置阻塞滤波器的波长:
b)设置调制器为“通”的状态,使用校准的功率计或光谱仪测量耦合器的输出功率,调整多波长光源(宽带光源)的功率和VOA1的衰减值以达到所需功率:c)连接可调谐光源,按待测残留(预存)波道的中心波长设置可调谐光源的波长,用光谱仪在待测EDFA输入端测量残留(预存)波道功率,调整VOA2的衰减值以达到所需功率:d)连接待测EDFA,置于自动增益控制(AGC)模式,设置所需的增益值,并把待测EDFA置于正常工作状态:
YD/T3024-2016
e)设置信号发生器产生脉冲的上升、下降和持续时间,使光调制器输出的增/减波道的上升时间和下降时间满足测试条件,通常按光功率在10%90%之间变化的时间来计算上升和下降时间,推荐设置为100μs。脉冲的持续时间应大于0.5s,以避免增/减波道过程间的互相干扰:f)设置带通滤波器的中心波长为残留(预存)波道中心波长,通过校准的光探测器和示波器即可测量残留(预存)波道的瞬态参数,若使用解复用器,则在与残留(预存)波道中心波长相应的输出端口引出待测波道:
g)通过示波器测量瞬态过程中待测波道功率的变化,按相关定义得到瞬态持续时间、瞬态增益增加量、瞬态增益减小量和瞬态增益偏差等参数:h)在整个工作波长范围内,选择不同波长的残留(预存)波道重复进行上述测试步骤,以瞬态增益增加量(瞬态增益减小量)最大处的瞬态参数作为待测EDFA的瞬态参数值。EDFAArTay的瞬态性能参数以其包含的所有EDFA中最差的一个为准。6.3控制串扰(CCT)测试
6.3.1试验装置
CCT试验装置框图如图5所示。
控制和驱动电路
输入11
稳定光源1
6.3.2测试设备要求
输出1
光探测器
a)稳定光源应符合以下要求:
输入2
示波器
输出2
光调制器
(光开关)
输入前
稳定光源2
图5控制串扰试验装重框图
输出#
稳定光源1的最大输出功率等于EDFAArray输入功率的最大值,稳定光源2的最大输出功率等于EDFAArray中除待测EDFA外,其他所有EDFA最大输入功率之和;8
波长可在EDFAArray工作范围内任意选择,通常选取典型值1550nm。b)光探测器应符合以下要求:
带宽应支持测量EDFA输出光功率随时间的变化,建议大于5MHz;YD/T3024-2016
在待测EDFA输出功率的变化范围内,光探测器应在线性区工作,若EDFA输出功率过大,可在光探测器前加入衰减器,避免光探测器进入非线性工作区。c)示波器带宽应支持测量EDFA输出光功率随时间的变化,建议大于5MHz;也可采用采样时间小于或等于1us的快速光功率计替代光探测器和示波器。d)光调制器(光开关)应符合以下要求:一开关速度应满足100μs的上升和下降时间要求:消光比大于20dB。
6.3.3测试步骤
对EDFAArray中的每个EDFA分别进行测试,测试步骤如下:a)
把待测EDFA置于正常工作状态,调整稳定光源1的光功率,使待测EDFA的输入光功率为其工作范围内的最小值。
通过光调制器(光开关)使扰动EDFA的输入光功率发生快速变化,要求功率在10%~90%之间变化的时间小于100us,功率在扰动EDFA的最大和最小输入光功率之间变化。在扰动EDFA变化过程中,用示波器记录待测单元输出光功率变化,得到最大功率变化APax。c)
按照公式(1)计算CCT参数(见4.10),EDFAArray的CCT参数以其包含的所有EDFA中最大一个为准。
7环境和机械性能试验
7.1机械性能试验
7.1.1测试环境要求
应满足GB/T2421.1-2008中5.3的要求7.1.2机械性能试验
EDFAArrary机械性能试验要求见表3。表3EDFAArray机械性能试验要求Telcordia GR-1312-CORE:
尾纤保持力
光纤侧拉
光纤弯折
199910.3.1
250μm光纤:0.5kg负荷,测试3次,每次5s900μm光纤:1.0kg负荷,测试3次,每次5s2mm或更粗的增强性光纤:2.0kg负荷,测试3次,每次5s250um光纤:0.25kg负荷,90°4个方向,持续5s,距离光纤根部22cm~28cmTelcordiaGR-1312-CORE:900μm光纤:0.5kg负荷,904个方向,持续5s,距离光纤根部22cm~28cm199910.3.1
Telcordia GR-1312-CORE:
199910.3.1
2mm或更粗的增强性光纤:1.0kg负荷,负荷点距离光纤根部22cm~28cm,90°4个方向,持续5s
250μm和900μm光纤:不进行此项试验:2mm或更粗的增强性光纤:在距离EDFA出纤口1m或者光纤尾端10cm这两个位置,选择长度较短的一个,施加0.5kg负荷,弯曲半径12.7mm,弯曲180°,300次
小提示:此标准内容仅展示完整标准里的部分截取内容,若需要完整标准请到上方自行免费下载完整标准文档。
标准图片预览:





- 其它标准
- 热门标准
- YD通讯标准
- YD/T1684-2007 数字蜂窝移动通信网点对点短消息业务计费技术要求和检测方法
- YDC029-2003 电信设备和系统的高低频电磁兼容性改善技术要求
- YD/T1307-2004 800MHz CDMA 数字蜂窝移动通信网无线智能网(WIN)阶段1:接口测试方法
- YD/T1108-2001 CDMA 数字蜂窝移动通信网无线同步双模(GPS/GLONASS)接收机性能要求及与基站间接口技术规范
- YD/T1319-2004 通信电缆 —— 无线通信用 50Ω 泡沫聚乙烯绝缘编织外导体射频同轴电缆
- YD/T206.4-1997 架空通信线路铁件交叉支架
- YD/T1344-2005 IPv6 地址结构协议 —— IPv6 无状态地址自动配置
- YD/T2068.3-2010 2GHz TD-SCDMA 数字蜂窝移动通信网多媒体广播系统(TD-MBMS)网络管理技术要求(第一阶段) 第3部分:基于 CORBA 技术的网络资源模型设计
- YD/T1875-2009 800MHz/2GHz cdma2000 数字蜂窝移动通信网设备测试方法传统终端域(LMSD)移动交换子系统
- YD/T1763.3-2008 TD-SCDMA/WCDMA 数字蜂窝移动通信网通用用户识别模块(USIM)与终端间 Cu 接口测试方法 第3部分:通用用户识别模块应用工具箱(USAT)特性
- YD/T2941.2-2015 会话初始协议与传统网络协议互通的测试方法 第2部分:SIP和BICC互通
- YD/T1049-2000 800MHz CDMA 数字蜂窝移动通信网设备总测试规范:交换子系统部分
- YD/T1456.2-2006 900/1800MHz TDMA 数字蜂窝移动通信网业务交换点(SSP)设备测试方法(CAMEL3) 第2部分分组域(PS)
- YD/T1688.3-2011 xPON 光收发合一模块技术条件 第3部分:用于 GPON 光线路终端/光网络单元(OLT/ONU)的光收发合一模块
- YD/T1374.7-2007 2GHz TD-SCDMA/WCDMA 数字蜂窝移动通信网 lu 接口技术要求(第二阶段) 第7部分:服务区广播协议(SABP)
- 行业新闻
网站备案号:湘ICP备2025141790号-2