- 您的位置:
- 标准下载网 >>
- 标准分类 >>
- 化工行业标准(HG) >>
- HG/T 3658-2018 代替 HG/T 3658-1999 双面压敏胶粘带
标准号:
HG/T 3658-2018
标准名称:
代替 HG/T 3658-1999 双面压敏胶粘带
标准类别:
化工行业标准(HG)
标准状态:
现行出版语种:
简体中文下载格式:
.zip .pdf下载大小:
1.30 MB
点击下载
标准简介:
HG/T 3658-2018.Double sided pressure sensitive adhesive tapes.
1范围
HG/T 3658规定了双面压敏胶粘带(以下简称胶粘带)的产品分类、要求、试验方法、检验规则、标志、包装、运输和贮存。
本标准适用于以纸、塑料薄膜、发泡体、布、金属箔为基材,两面均匀涂布压敏胶形成的双面胶
粘带以及无基材双面压敏胶粘带。
2规范性引用文件
下列文件对于本文件的应用是必不可少的。凡是注日期的引用文件,仅注日期的版本适用于本文
件。凡是不注日期的引用文件,其最新版本(包括所有的修改单)适用于本文件。
GB/T 191包装储运图示标志
GB/T 2792-2014胶粘带剥离强度的试验方法
GB/T 2828. 1-2012 计数抽样检验程序 第1部分:按接收质量限(AQL) 检索的逐批检验抽样计划
GB/T 2829-2002 周期检查计数抽样程序及表(适用于对过程确定性的检验)
GB/T 4851 胶粘带持粘性的试验方法
GB/T 4852-2002 压敏胶粘带初粘性的测定(滚球法)
GB/T 7125 胶粘带厚度的试验方法
GB/T 22396 压敏胶粘制品术语
GB/T 26125-2011 电 子电器产品六种限用物质 (铅、汞、镉、六价铬、多溴联苯和多溴二苯醚)的测定
GB/T 32368胶粘带耐高温高湿老化的试验方法
GB/T 32370胶粘带长度和宽度的测定
EN 14582:2007废弃物特征 卤素 和硫含量封闭 系统氧燃烧和测定方法(Characterization of
waste-Halogen and sulfur content- Oxygen combustion in closed systems and determination meth-ods)
部分标准内容:
备案号:65307—2018
中华人民共和国化工行业标准
HG/T3658—2018
代替HG/T3658—1999
双面压敏胶粘带
Doublesidedpressuresensitiveadhesivetapes2018-10-22发布
2019-04-01实施
中华人民共和国工业和信息化部发布前言
本标准按照GB/T1.12009给出的规则起草HG/T3658—2018
本标准代替HG/T3658—1999《双面压敏胶粘带》。与HG/T3658—1999相比,除编辑性修改外主要的技术变化如下:
修改了范围(见1):
增加了规范性引用文件(见2);修改了产品分类(见4):
删除了产品标记(见1999年版的3.2)修改了产品规格和尺寸(见表1):修改了外观要求(见5.2,1999年版的5.1);修改了粘接性能,
按压敏胶主体材料分类制定了6类胶粘带的粘接性能(见5.3,1999年版的5.2);
增加了有害物质限量的要求及检测方法(见5.4、6.6.4);修改了试验条件
(见6.1):
修改了产品规格尺寸的试验方法(见6.3):修改了180°剥离强度的试验方法(见6.6.1.1,1999年版的6.5.3):增加了90°剥离强度的试验方法(见6.6.1.2);修改了持粘性的试验方法(见6.6.2,1999年版的6.5.4);增加了初粘性的试验方法(见6.6.3);增加了有害物质限量的试验方法(见6.6.4);修改了出厂检验要求(见7.3.1,1999年版的7.3);修改了型式检验要求(见7.3.2,1999年版的7.4);修改了包装要求(见8.2,1999年版的8.2、8.3);修改了产品保质期的要求(见8.4.4,1999年版的8.5.4)。本标准电中国石油和化学工业联合会提出本标准由全国胶粘剂标准化技术委员会(SAC/TC185)归口。本标准起草单位:永大(中山)有限公司、上海橡胶制品研究所有限公司、中山新亚洲胶粘制品有限公司、3M中国有限公司、开平市齐裕胶粘制品科技有限公司、深圳美信电子有限公司、福建友谊胶粘带集团有限公司、浙江欧丽数码喷绘材料有限公司、中山皇冠胶粘制品有限公司、宁波大榭开发区综研化学有限公司、南京占一科技有限公司。本标准主要起草人:何汉健、杨永强、吴轩、杨晓明、邹文忠、张建庆、涂大记、罗吉尔、陈维斌、李文森、李健雄、石一峰、邹志良、程新、本标准所代替HG/T3658的历次版本发布情况为:HG/T3658-1999。
1范围
双面压敏胶粘带
HG/T3658—2018
本标准规定了双面压敏胶粘带(以下简称胶粘带)的产品分类、要求、试验方法、检验规则、标志、包装、运输和贮存。
本标准适用于以纸、塑料薄膜、发泡体、布、金属箱为基材,两面均匀涂布压敏胶形成的双面胶粘带以及无基材双面压敏胶粘带。2
规范性引用文件
下列文件对于本文件的应用是必不可少的。凡是注日期的引用文件,仅注日期的版本适用于本文件。凡是不注日期的引用文件,其最新版本(包括所有的修改单)适用于本文件。包装储运图示标志
GB/T191
GB/T2792一2014胶粘带剥离强度的试验方法GB/T2828.1-2012计数抽样检验程序抽样计划
GB/T2829—2002
GB/T4851
第1部分:按接收质量限(AQL)检索的逐批检验周期检查计数抽样程序及表(适用于对过程确定性的检验)胶粘带持粘性的试验方法
GB/T4852—2002
压敏胶粘带初粘性的测定(滚球法)GB/T7125
GB/T22396
胶粘带厚度的试验方法
压敏胶粘制品术语
GB/T26125—
苯醚)的测定
GB/T32368
GB/T32370
电子电器产品
六种限用物质(铅、汞、镉、六价铬、多溴联苯和多漠二胶粘带耐高温高湿老化的试验方法胶粘带长度和宽度的测定
EN14582:2007
废弃物特征卤素和硫含量封闭系统氧燃烧和测定方法(CharacterizationofwasteHalogen and sulfur contentOxygen combustion in closed systemsand determination methods)
术语和定义
GB/T22396界定的术语和定义适用于本文件。产品分类
按基材分类
胶粘带产品按基材可分为有基材和无基材两大类。有基材类细分为纸(指非织造布)、塑料薄膜、发泡体、布(织造布)、金属箔五类。1
HG/T3658—2018
按压敏胶主体材料分类
胶粘带产品按压敏胶主体材料可分为丙烯酸酯类、橡胶类、有机硅类三大类丙烯酸酯类细分为溶剂型、乳液型和无溶剂型三类:橡胶类细分为热熔型和非热熔型两类,5要求
产品规格和尺寸
产品规格和尺寸偏差应符合表1的规定。表1产品规格和尺寸偏差
纸、塑料薄膜、金属箔
发泡体
无基材
厚度/mm
摩度允许
偏差/mm
注1:胶粘带规格可根据供需双方协定注2:厚度是指除去离型材料后胶粘带的厚度宽度/mm
24~100
宽度允许
偏差/mm
长度允许
偏差/mm
标识长度以上
卷芯内径
偏差/mm
注3:每卷长度25m以内允许有1个接头,超过25m允许有2个接头,但每段胶粘带的长度不少于2m。5.2外观
胶粘带均匀地缠绕在卷芯上,无明显的变形、皱纹、漏胶、严重离缝、胶硬化、裂纹、杂质及其他污染现象:两侧面平整:易于解卷,无粘烂、胶粘剂脱落迁移现象5.3粘接性能
5.3.1丙烯酸酯类
溶剂型丙烯酸酯类
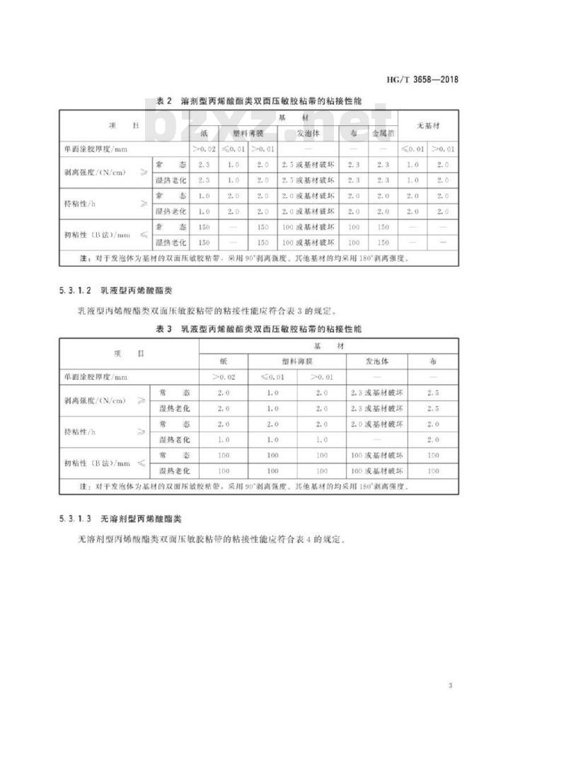
溶剂型丙烯酸酯类双面压敏胶粘带的粘接性能应符合表2的规定。2
单面涂胶厚度/mm
剥离强度/(N/cm)
持粘性/h
初粘性(B法)/mm
表2溶剂型丙烯酸酯类双面压敏胶粘带的粘接性能基
晟热老化
凝热老化
湿热老化
塑料薄膜
发泡体
2.5或基材破坏
2.5或基材破坏
2.0或基材破坏
2.0或基材坏
100或基材破坏
100或基材破坏
HG/T3658-—2018
无基材
金属箔
注;对于发泡体为基材的双面压敏胶粘带,采用90°剥离强度,其他基材的均采用180°剥离强度。5.3.1.2
乳液型丙烯酸酯类
乳液型丙烯酸酯类双面压敏胶粘带的粘接性能应符合表3的规定。表3
乳液型丙烯酸酯类双面压敏胶粘带的粘接性能项
单面涂胶厚度/mm下载标准就来标准下载网
剥离强度/(N/cm)
持粘性/h
初粘性
(B法)/mm
湿热老化
显热老化
湿热老化
塑料海膜
发泡体
2.3或基材破坏
2.3或基材破坏
2.0或基材破坏
100或基材破坏
10D或基材破坏
注:对干发泡体为基材的双面压敏胶粘带,采用90°剥离强度,其他基材的均采用180°剥离强度5.3.1.3
无溶剂型丙烯酸酯类
无溶剂型丙烯酸酯类双面压敏胶粘带的粘接性能应符合表4的规定。>0. 01
HG/T3658—2018
单面涂胶厚度/mm
剥离强度/(N/cm)
持粘性/h
初粘性(B法)/mm
4无溶剂型丙烯酸酯类双面压敏胶粘带的粘接性能表4
湿热老化
混热老化
湿热老化
注:对于发泡体为基材的双面压敏胶粘带、5.3.2
橡胶类
热熔型橡胶类
塑料薄膜
采用90剥离强度。
发泡体
2.5或基材破坏
2.5或基材破坏
2:0或基材破坏
2.0或基材破坏
100或基材破坏
100或基材破坏
无基材
其他基材的均采用180\剥离强度,热熔型橡胶类双面压敏胶粘带的粘接性能应符合表5的规定。表5
5热熔型橡胶类双面压敏胶粘带的粘接性能项
单面涂胶厚度/mm
剥离强度/(N/em)
持粘性/h
湿热老化
避热老化
塑料薄膜
发泡体
1.5或基材破坏
1.5或基材破坏
无基材
注:对于发泡体为基材的双面压敏胶粘带,果用90°剥离强度。其他基材的均采用180剥离强度。非热熔型橡胶类
非热熔型橡胶类双面压敏胶粘带的粘接性能应符合表6的规定。4
单面涂胶厚度/mm
剥离强度/(N/em)
持粘性/h
初粘性(B法)/mm
有机硅类
非热熔型橡胶类双面压敏胶粘带的粘接性能基
湿热老化
提热老化
湿热老化
有机硅类双面压激胶粘带的粘接性能应符合表7的规定。表7
单面涂胶厚度/mm
剥离强度/(N/cm)
持黏粘性/h
有害物质限量
有机硅类双面压敏胶粘带的粘接性能基
塑料海膜
湿热老化
湿热老化
HG/T3658—2018
无基材
无基材
用于电子电器领域的双面压敏胶粘带,不有害物质的控制应符合表8的规定表8
铅(Pb)/(g/kg)
聚(Hg)/(g/kg)
籍(Cd)/
PBB(多溴联苯)/(g/kg)
PBDE(多溴苯醚)/(g/kg)
氯+漠(Cl+Br)的总量/(g/kg)氯(Cl)、溴(Br)单个量/(g/kg)目
有害物质限量
HG/T3658—2018
5.5特殊用途的双面胶粘带性能
可由双方商定。
试验方法
6.1标准试验条件
各项检验项目均应在温度为(23士1)℃、相对湿度为(50士5)%的试验条件下进行6.2湿热老化条件
按GB/T32368的规定,将整卷胶粘带样品置于温度(65士2)℃、相对湿度(80士5)%的恒温恒湿箱中,经48h后取出,在标准试验条件下至少放置2h。6.3试样制备
样品在标准试验条件下放置24h以上后,将外圈3层~5层揭去,再沿胶粘带长度方向按各项目的试验方法规定制备试样,用手测试的胶粘带胶粘面不得与手或其他物品接触,6.4产品规格和尺寸的测定
6.4.1厚度
胶粘带厚度按GB/T7125的规定进行测量。6.4.2
2宽度和长度
胶粘带宽度和长度按GB/T32370的规定进行测量6.5外观
6.5.1在充足的光线下在0.5m范围内用肉眼观察试样外观拉开试样,在充足的光线下在0.5m范围内用肉眼观察胶层外观并检查离型情况,6.5.2
6.6粘接性能
6.6.1剥离强度
180°剥离强度
将胶粘带的外侧面平整、均勾地粘贴于25μm的聚酯薄膜上补强,按GB/T2792—2014中方法3的规定测试内侧面。测试外侧面时,先将胶粘带转移到另一张隔离材料上,按同样方法测出胶粘带外侧面的180°剥离强度。
90°剥离强度
将胶粘带的外侧面平整、均勾地粘贴于25μm的聚酯薄膜上补强,按GB/T2792—2014附录B的规定测试内侧面。测试外侧面时,先将胶粘带转移到另一张隔离材料上,按同样方法测出胶粘带外侧面的90剥离强度。
2持粘性
按GB/T4851的规定进行。
3初粘性
按GB/T4852—2002中B法的规定进行。6.6.4
有害物质
HG/T3658—2018
铅、汞、、铬
(6价)、多漠联苯、多漠苯醚等有害物质的测定,按GB/T26125一2011规定的方法进行。
卤素的测定,按EN14582:2007规定的方法进行。6.6.4.2
检验规则
7.1组批
以同一规格与额色、每班产量为一个检查批,以卷为单位。7.2抽样
7.2.1出厂检验抽样按GB/T2828.1一2012的规定进行,采用特殊检查水平S-2,正常检查一次抽样方案,合格质量水平(AQL)6.5。7.2.2
2型式检验按GB/T28292002的规定进行,采用判别水平Ⅱ的二次抽样方案,样本大小n1\,=5。持粘性每一代表规格的产品的检验周期为1个月,不合格质量水平(RQL)65;湿热老化后剥离强度每一代表规格的产品的检验周期为3个月:不合格质量水平(RQL)40。7.3
检验分类
产品检验分出厂检验和型式检验两类。出厂检验
出厂检验时,以同一规格与额色、每班产量为一个检查批,以卷为单位。出厂检验项目如下:
规格;
外观;
常态剥离强度:
常态持粘性;
常态初粘性。
型式检验
形式检验项目为第5章中要求的全部项目。有下列情况之一时,应进行型式检验:a)
正常生产后,配方、工艺有较大改变,可能影响质量时;停产半年以上恢复生产时;
出厂检验结果与上次型式检验有较大差异时:7
HG/T3658—2018
d)国家质量监督机构或用户提出要求时。标志、包装、运输和贮存
8.1标志
8.1.1通则
按GB/T191的规定进行
2胶粘带标志
胶粘带标志为
生产厂厂名、商标;
b)产品标志。
3包装箱标志
包装箱标志为:
生产厂厂名、地址:
产品标记、商标;
数量(卷)、重量、颜色
生产日期或生产批号;
防潮、防晒、防压及防火等标志。8.2包装
8.2.1母卷包装
母卷一般用纸板包装,内层可用气泡膜、外层可用缠绕膜包装;两端可加塞胶塞或木塞加固保护纸芯,
2成品包装
8.2.2.1成品内包装
双面胶粘带间用离型纸或离型膜隔离防止粘连,再用塑料薄膜、收缩膜、热封膜或套袋等方式进行包装。
成品外包装
用纸板箱作包装箱,箱内放同一规格、颜色的产品。箱内附产品质量合格证和装箱单。纸板箱应有一定的强度与刚度,以保证产品在贮存、运输时不致损坏。8.3运输
产品在运输过程中须轻拿、轻放,避免横放和挤压,防止阳光曝晒和雨雪淋袭,不得与挥发性溶剂和腐蚀性物品混运。
8.4购存
8.4.1产品应贮存在温度为-5℃~40℃相对湿度为40%~80%、无挥发性溶剂存在的库房内。8
为防止产品变形,产品应避免横放。8.4.2
不允许堆放在潮湿的地面上,
箱底不充许变形
HG/T3658—2018
自生产之日起,热熔类产品的保质期为半年,其他类产品的保质期为1年。超过保质期后,产品的性能经检验合格,则可继续使用,中华人民共和国
化工行业标准
双面压敏胶粘带
HG/T36582018
出版发行:化学工业出版社
(北京市东城区青年潮南街13号、邮政编码100011)北京科印技术咨询服务公司海淀数码印剧分部880mm×1230mm1/16印张1字数22.7千字2019年3月北京第1版第1次印刷
书号:1550252530
购书咨询:010-64518888
售后服务:010-64518899
网址:http://cip.com.cnO
凡购买本书,如有缺损质量间题,本社销售中心负责调换定价:14.00元
版权所有
违者必究
小提示:此标准内容仅展示完整标准里的部分截取内容,若需要完整标准请到上方自行免费下载完整标准文档。
标准图片预览:





- 热门标准
- HG化工标准
- HG/T3985-2007 聚四氟乙烯波纹管膨胀节
- HG/T20518-2008 化工粉体工程设计通用规范
- HG∕T5056-2016 GB 7544在天然橡胶胶乳避孕套质量管理中的使用指南
- HG/T3219-2009 代替 HG/T 3219-1999 搪玻璃平面阀
- HG/T3459-2003 化学试剂 顺丁烯二酸酐
- HG/T2017-2011 代替 HG/T 2017-2000 普通运动鞋
- HG/T2956.5-2001 硼镁矿石中氧化亚铁含量的测定重铬酸钾 容量法
- HG/T2257-2011 代替 HG/T 2257-1991 照相化学品 成色剂挥发分的测定
- HG/T21529-2014 代替 HG/T 21529-2005 板式平焊法兰手孔
- HG/T2371-2003 代替 HG/T 2371-1992 搪玻璃开式搅拌容器
- HG/T3415-2010 代替 HG/T 3415-2001 红色基 B(2-甲氧基-4-硝基苯胺)
- HG/T2225-2010 代替 HG/T 2225-2001 工业硫酸铝
- HG/T3580-1983 化工标准物质管理办法
- HG/T2044-2020 代替 HG/T 2044-2003 机械密封用喷涂氧化铬密封环技术条件
- HG/T2343-2012 硫化促进剂 ETU
- 行业新闻
网站备案号:湘ICP备2025141790号-2