- 您的位置:
- 标准下载网 >>
- 标准分类 >>
- 化工行业标准(HG) >>
- HG/T 5188-2017 日光型荧光颜料
标准号:
HG/T 5188-2017
标准名称:
日光型荧光颜料
标准类别:
化工行业标准(HG)
标准状态:
现行出版语种:
简体中文下载格式:
.zip .pdf下载大小:
2.84 MB
手机扫码下载更方便
相关标签:
日光
点击下载
标准简介:
HG/T 5188-2017.Daylight fluorescent pigments.
1范围
HG/T 5188规定了日光型荧光颜料产品的产品分类、要求、取样、试验方法、检验规则以及标志、包装、运输和贮存。
HG/T 5188适用于由荧光染料、载体树脂和助剂复合制成的粉状或乳液状的日光型荧光颜料。产品具备吸收部分可见光与紫外光并将其转化成特定波长可见光的功能。产品主要应用于涂料、塑胶、油墨、纺织等领域。
2规范性引用文件
下列文件对于本文件的应用是必不可少的。凡是注日期的引用文件,仅注日期的版本适用于本文
件。凡是不注日期的引用文件,其最新版本(包括所有的修改单)适用于本文件。
GB/T 1710-2008同类着色颜料耐光性比较
GB/T 1717颜料水悬浮液pH值的测定
GB/T 1723-1993 涂料粘度测定法
GB/T 1725-2007色漆、清漆和塑料不挥发物含量的测定
GB/T 3186色漆、清漆和色漆与清漆用原材料取样
GB/T 5211.3颜料在105℃挥发物的测定
GB/T 5211. 15-2014颜料和体质颜料通用试验方法第15部分:吸油量的测定
GB/T 6682-2008 分 析实验室用水规格和试验方法
GB/T 7568.2-2008纺织品色牢度试验标准贴衬织物第2部分:棉和粘胶纤维
GB/T 8170-2008数值修约规则与极限数值的表示和判定
GB/T 9268-2008乳胶漆耐冻融性的测定
GB/T 9284. 1-2015色漆和清漆用漆基软化点的测定第1部分:环球法
GB/T 12670-2008 聚丙烯 (PP) 树脂
GB/T 21782. 13-2009粉末涂料 第 13部分:激光衍射法分析粒度
HG/T 4767.2-2014颜料 和体质颜料塑料 加工过程中颜色热稳定性的试验第2部分:注塑成型法
部分标准内容:
备案号:60504—2018
中华人民共和国化工行业标准
HG/T5188—-2017
日光型荧光颜料
Daylightfluorescentpigments
2017-11-07发布
2018-04-01实施
中华人民共和国工业和信息化部发布前言
本标准按照GB/T1.1一2009给出的规则起草。本标准由中国石油和化学工业联合会提出。本标准由全国涂料和颜料标准化技术委员会(SAC/TC5)归口。HG/T5188—2017
本标准起草单位:黄山加佳荧光材料有限公司、上海一品颜料有限公司、广东科迪新材料科技有限公司、浙江精通科技股份有限公司、黄山汉邦树脂颜料有限公司、中海油常州涂料化工研究院有限公司。
本标准主要起草人:王济民、沈苏江、丁习虎、王丹英、陆明、何建伟、余波。1范围
日光型荧光颜料
HG/T5188—2017
本标准规定了日光型荧光颜料产品的产品分类、要求、取样、试验方法、检验规则以及标志、包装、运输和贮存。
本标准适用于由荧光染料、载体树脂和助剂复合制成的粉状或乳液状的日光型荧光颜料。产品具备吸收部分可见光与紫外光并将其转化成特定波长可见光的功能。产品主要应用于涂料、塑胶、油墨、纺织等领域。
2规范性引用文件
下列文件对于本文件的应用是必不可少的。凡是注日期的引用文件,仅注日期的版本适用于本文件。凡是不注日期的引用文件,其最新版本(包括所有的修改单)适用于本文件。GB/T1710—2008
3同类着色颜料耐光性比较
GB/T1717颜料水悬浮液pH值的测定GB/T1723—1993
涂料粘度测定法
GB/T1725—20071
色漆、清漆和塑料
不挥发物含量的测定
色漆、清漆和色漆与清漆用原材料取样GB/T3186
GB/T5211.3颜料在105℃挥发物的测定GB/T5211.15-2014颜料和体质颜料通用试验方法第15部分:吸油量的测定GB/T6682-2008
分析实验室用水规格和试验方法GB/T7568.2—2008
纺织品色牢度试验
标准贴衬织物
厂第2部分:棉和粘胶纤维
GB/T8170—2008
GB/T9268—2008
数值修约规则与极限数值的表示和判定乳胶漆耐冻融性的测定
软化点的测定
GB/T9284.1-2015色漆和清漆用漆基第1部分:环球法
GB/T12670—2008
聚丙烯(PP)树脂
粉末涂料第13部分:激光衍射法分析粒度GB/T21782.13--2009
HG/T4767.2—-2014
塑成型法
HG/T4842--2015
3产品分类
塑料加工过程中颜色热稳定性的试验第2部分:注
颜料和体质颜料
建筑涂料用弹性乳液
按载体树脂的类型,产品可分为4类:密胺类、聚酰胺类、聚酯类和聚丙烯酸酯类。其中密胺类产品又可分为热塑性和热固性2个类别。4要求
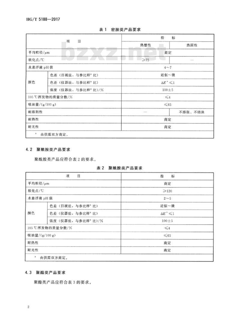
4.1密胺类产品要求
密胺类产品应符合表1的要求
HG/T5188-2017
平均粒径/μm
软化点/℃
水悬浮液PH值
色差(目视法,与参比样比)
色差(仪器法,与参比样”比)表1密胺类产品要求
热塑性
强度(仪器法,与参比样比)/%105℃挥发物的质量分数/%
吸油量/(g/100g)
耐溶剂性
耐热性
耐光性
由供需双方商定。
聚酰胺类产品要求
聚酰胺类产品应符合表2的要求。表2聚酰胺类产品要求
平均粒径/μm
软化点/℃
水悬浮液pH值
色差(目视法,与参比样“比)颜色
色差(仪器法,与参比样\比)强度(仪器法,与参比样比)/%
105℃挥发物的质量分数/%
吸油量/(g/100g)
耐热性
耐光性
由供需双方商定。
聚酯类产品要求
聚酯类产品应符合表3的要求。
近似~微
AE\≤I
100±5
≥120
近似~微
AE'≤
100±5
热固性
不溶胀、不结块
平均粒径/μm
软化点/℃
水悬浮液pH值
色差(日视法,与参比样“比)颜色
色差(仪器法,
与参比样“比)
聚酯类产品要求
强度(仪器法,与参比样比)/%105℃挥发物的质量分数/%
吸油量/(g/100g)
耐热性
耐光性
由供需双方商定。
聚丙烯酸酯类产品要求
聚丙烯酸酯类产品应符合表4的要求表4聚丙烯酸酯类产品要求
近似~微
AE'≤I
100±5
HG/T5188-2017
无机杂质、无硬块,呈均匀液体色差(日视法,与参比样。比)颜色
色差(仪器法,与参比样”比)强度(仪器法,
与参比样“比)/%
不挥发物含量的质量分数/%
黏度/s
耐冻融性(3次循环)
耐热性
耐光性
由供需双方商定。
5取样
近似~微
AE'≤1免费标准bzxz.net
100±5
不变质
产品按GB/T3186的规定取样,也可按商定方法取样。取样量根据检验需要确定。试验方法
一般规定
除非另有规定,在试验中仅使用确认为分析纯及以上纯度的试剂和符合GB/T6682—一2008中三3
HG/T5188—2017
级水要求的蒸馏水或去离子水。6.2平均粒径
按GB/T21782.13—2009的规定进行。6.3软化点
按GB/T9284.12015的规定进行。6.4水悬浮液pH值
按GB/T1717的规定进行。
6.5颜色
6.5.1仪器设备
塑料注塑机:螺杆直径大于25mm,长径比(16~20)L/D,塑化能力大于5.5g/s。6.5.1.1
搅拌机:转速不低于2000r/min。测色仪:D65光源,能够同时读取色差与强度。6.5.1.3
天平:精度0.1g、0.01g、0.001g。电热恒温干燥箱:能维持温度(100士2)℃。6.5.1.5
线棒涂布器:规格25,以直径为0.25mm的不锈钢丝紧密缠绕在不锈钢棒上制成。6.5.2
试剂或材料
聚丙烯塑料粒子:符合GB/T12670—2008中注塑类聚丙烯树脂的要求。6.5.2.1
白油:26号。
钛白粉:金红石型。
纯棉打样布:符合GB/T7568.2-2008的要求。6.5.2.5苯丙乳液:不挥发物含量大于45%,玻璃化温度不低于40℃。6.5.2.6透明油墨:称取200g(精确至0.1g)氯醚树脂于1000mL广口瓶中,加人500mL甲苯,用搅拌机搅拌,直到树脂完全溶解,密闭保存,备用。注:建议使用符合以下要求的氯醚树脂:MP-45,黏度(45士5)mPa·s。6.5.2.7混合溶剂:由4份(体积)乙酸乙酯和6份(体积)丁酮混合而得。6.5.2.8A4纸:70g/m。
6.5.3样板的制备
6.5.3.1总则
提供了4种制备样板的方法。方法A适用于密胺类中热塑性产品、聚酰胺类产品和聚酯类产品。方法B适用于密胺类中热固性产品。方法C适用于密胺类中热塑性产品。方法D适用于聚丙烯酸酯4
类产品。
HG/T5188—2017
可根据产品应用领域选择其中任一合适的方法制备样板。也可以根据客户要求或产品应用特殊情况,采取商定的其他方法制备样板。6.5.3.2方法A
称取200g(精确至0.1g)聚丙烯塑料粒子于塑料袋中,加入0.4g(精确至0.001g)白油,摇匀。再加人0.8g(精确至0.001g)样品、0.4g(精确至0.001g)钛白粉,摇匀。在塑料注塑机上注塑成60mm×70mm×1mm的样板,注塑温度为190℃或210℃(也可根据客户要求商定)。用相同方法制备参比样样板。
6.5.3.3方法B
称取2g(精确至0.001g)样品于50mL不锈钢杯中,加人8g(精确至0.001g)透明油墨,用搅拌机搅拌分散均匀,得到样品分散体。用相同方法制备参比样分散体。分别取适量样品分散体和参比样分散体,并列置于同一张A4纸或者纯棉打样布上,用线棒涂布器均匀涂布。
6.5.3.4方法C
称取40g(精确至0.01g)样品于250mL磨口瓶内,加人60mL混合溶剂,盖好瓶盖,浸泡溶解,每浸泡1h后用玻璃棒轻轻搅拌,继续溶解,直至样品完全溶解,得到样品分散体。用相同方法制备参比样分散体。分别取适量样品分散体和参比样分散体,并列置于同一张A4纸上,用线棒涂布器均勾涂布。6.5.3.5方法D
称取9g(精确至0.001g)苯丙乳液于50mL烧杯中,加人1g(精确至0.001g)样品,用玻璃棒搅拌均匀,得到样品分散体。用相同方法制备参比样分散体。分别取适量样品分散体和参比样分散体,并列置于同一纯棉打样布上,用线棒涂布器均匀涂布,将涂布后的布条放人100℃的电热恒温干燥箱中烘干5min。6.5.4颜色的评定
6.5.4.1目测法
将按上述方法制备得到的样板在散射日光或人造日光下观察,目视比较样品和参比样样板表面颜色差异。色差结果以近似、微、稍和较4个等级表示。6.5.4.2仪器法
选取D65光源,在测色仪上先将参比样样板设定为基准,再测定样品样板,读取色差△E和强度。
6.6105℃挥发物
按GB/T5211.3的规定进行。
HG/T5188—2017
6.7吸油量
按GB/T5211.15-2014的规定进行。6.8耐溶剂性
称取1.0g样品,放人25mL试管中,加人10ml.混合溶剂,盖好试管塞,塞紧,上下摇动10次,使样品粉末均匀分散于溶剂中,尽量使粉末不要贴在试管壁上。将试管放进45℃恒温水浴锅内,保温30min。取出试管,慢慢摇动(或倒置),观察颜料粒子是否溶胀、结块。注:除另有商定外,推荐使用以下混合溶剂:7份(体积)中苯、2份(体积)无水乙醇和1份(体积)乙酸乙酯混合面得。
6.9耐热性
6.9.1仪器设备
见6.5.1.1~6.5.1.6。
6.9.2试剂或材料
见6.5.2.1~6.5.2.6。
6.9.3试验步骤
6.9.3.1总则
提供了3种操作方法。方法A适用于密胺类中热塑性产品、聚酰胺类产品和聚酯类产品。方法B适用于密胺类中热固性产品。方法C适用于聚丙烯酸酯类产品。可根据产品应用领域选择其中任一合适的操作方法。也可以根据客户要求或产品应用特殊情况,采取商定的其他操作方法。
6.9.3.2方法A
按HG/T4767.2—2014的规定进行。6.9.3.3方法B
称取4g(精确至0.001g)样品于50ml.不锈钢杯中,加人16g(精确至0.001g)透明油墨,用搅拌机搅拌分散均匀,得到样品分散体。取适量样品分散体,置于纯棉打样布上,用线棒涂布器均匀涂布,涂布有效面积不小于5cm×3cm,以同样的方法拉出多块样板。将涂布后的样板放入100℃的电热恒温干燥箱中,烘烤5min。取出,冷却备用。然后向上升高温度,每隔20℃取一块布条放人烘箱,烘烤15min。6.9.3.4方法C
称取18g(精确至0.001g)苯丙乳液于50mL烧杯中,加人2g(精确至0.001g)样品,用玻璃棒搅拌均匀,得到样品分散体。取适量样品分散体,置于纯棉打样布上,用线棒涂布器均匀涂布,涂布有效面积不小于5cm×3cm,以同样的方法拉出多块样板。将涂布后的布条放入100℃的电热恒温干燥箱中,烘干5min。取出,冷却备用。然后向上升高6
温度,每隔20℃取一块布条放人烘箱,烘烤15min。6.9.4结果的评定
HG/T5188—2017
选取D65光源,在测色仪上先将起始温度的样板设为基准,再测定其他温度下制备的样板,读取色差AE
根据耐热试验后样板与起始温度样板的色差△E*的大小评定产品耐热性,结果以商定色差△E”时的耐热温度(℃)表示。
注:建议以色差△E”为3.0时的耐热温度评定耐热性。6.10耐光性
6.10.1仪器设备
见6.5.1.1~6.5.1.6。
6.10.2试剂或材料
见6.5.2.1~6.5.2.6。
6.10.3样板的制备
6.10.3.1总则
提供了3种制备样板的方法。方法A适用于密胺类中热塑性产品、聚酰胺类产品和聚酯类产品。方法B适用于密胺类中热固性产品。方法C适用于聚丙烯酸酯类产品。可根据产品应用领域选择其中任一合适的方法制备样板。也可以根据客户要求或产品应用特殊情况,采取商定的其他方法制备样板。6.10.3.2方法A
称取200g(精确至0.1g)聚丙烯塑料粒子于塑料袋中,加人0.4g(精确至0.001g)白油,摇匀。再加人0.8g(精确至0.001g)样品、0.4g(精确至0.001g)钛白粉,摇勾。在塑料注塑机上注塑成60mm×70mm×1mm的样板。注塑温度为190℃(也可根据客户要求商定)。至少制备10块样板。
6.10.3.3方法B
称取4g(精确至0.001g)样品于50mL不锈钢杯中,加人16g(精确至0.001g)透明油墨,用搅拌机搅拌分散均匀,得到样品分散体。取适量样品分散体,置于纯棉打样布上,用线棒涂布器均匀涂布,涂布有效面积不小于5cm×3cm,以同样的方法拉出多块样板。6.10.3.4方法C
称取18g(精确至0.001g)苯丙乳液于50mL烧杯中,加入2g(精确至0.001g)样品,用玻璃棒搅拌均勾,得到样品分散体。取适量样品分散体,置于纯棉打样布上,用线棒涂布器均勾涂布,涂布有效面积不小于5cm×3cm,以同样的方法拉出多块样板。将涂布后的样板在100℃的电热恒温干燥箱中烘烤5min。取出,冷却,备用。7
HG/T5188—2017
6.10.4曝晒试验
将样板同时放在太阳光线充足的晒场中曝晒。曝晒时间分别为:0h、0.5h、1h、2h、4h、8h,16h.
注:推荐使用符合GB/T1710-2008中4.7规定的曝嗮箱进行曝晒试验。6.10.5结果的评定
选取D65光源,在测色仪上先将没有曝晒的样板设为基准,再测定其他曝晒时间下的样板,读取色差△E“。
根据曝晒试验后样板与没有曝晒样板色差△E”的大小评定产品耐光性,结果以商定色差△E“时的曝晒时间(h)表示。
注:建议以色差△E为4.0时的曝嗮时间评定耐光性。6.11外观
用调刀或搅拌棒慢慢搅动样品,观察有无机械杂质和硬块、是否呈均匀液体。6.12pH值
按HG/T4842—2015中5.7的规定进行。6.13不挥发物含量
按GB/T1725—2007的规定进行。6.14黏度
按GB/T1723--1993中乙法的规定进行。6.15耐冻融性
按GB/T9268--2008中A法的规定进行。7检验规则
7.1检验分类
7.1.1产品检验分为出厂检验和型式检验。7.1.2密胺类产品出厂检验项目包括平均粒径、软化点、颜色和耐溶剂性共4个项目;聚酰胺类产品和聚酯类产品出厂检验项目包括平均粒径、软化点和颜色共3个项目:聚丙烯酸酯类产品出厂检验项目包括外观、颜色、pH值和不挥发物含量共4个项目。7.1.3型式检验项目包括本标准所列的全部技术要求。正常生产情况下每年至少进行一次型式检验。7.2检验结果的判定
7.2.1检验结果的判定按GB/T8170—2008中修约值比较法的规定进行。7.2.2所有项目的检验结果均达到本标准要求时,该试验样品为符合本标准要求。8
8标志、包装、运输和购存
8.1标志
HG/T5188—2017
产品包装上应印有牢固、清晰的标志,包括生产厂名称、产品名称、注册商标、标准编号、生产批号、净含量、生产日期。
密胺类产品、聚酰胺类产品和聚酯类产品根据需要可选用复合袋或内衬塑料薄膜袋的箱、桶包装,聚丙烯酸酯类产品采用塑料桶盛装。也可用其他适宜的包装材料包装。8.3运输
运输、装卸时应轻装、轻卸,防止包装污染和破损。产品在运输中应防止雨淋和日光曝晒。聚丙烯酸酯类产品还应注意防冻。
8.4贮存
产品应存放在通风、干燥处,严禁与可发生反应的物品接触,并注意防潮、防火。聚丙烯酸酯类产品还应注意防冻,存放环境温度要保持在5℃以上。未拆封的产品有效贮存期为3年,超出贮存期的产品需经检验合格后方可继续使用。9
小提示:此标准内容仅展示完整标准里的部分截取内容,若需要完整标准请到上方自行免费下载完整标准文档。
标准图片预览:





- 热门标准
- HG化工标准
- HG/T20592-2009 钢制管法兰(PN系列)
- HG/T20519-2009 代替 HG/T 20519-1992 化工工艺设计施工图内容和深度统一规定
- HG/T20615-2009 钢制管法兰(Class系列)
- HG/T5624-2019 工业用四羟甲基硫酸磷
- HG20571-2014 代替 HG 20571-1995 化工企业安全卫生设计规范
- HG/T20613-2009 钢制管法兰用紧固件(PN系列)
- HG/T20553-2011 代替 HG 20553-1993 化工配管用无缝及焊接钢管尺寸选用系列
- HG/T20206-2017 代替 HG 20206-1992 化工机器安装工程施工及验收规范(中小型活塞式压缩机)
- HG/T21574-2018 代替 HG/T 21574-2008 化工设备吊耳设计选用规范
- HG20583-1998 钢制化工容器结构设计规定
- HG/T20634-2009 钢制管法兰用紧固件(Class系列)
- HG/T21547-2016 代替 HG 21547-1993 管道用钢制插板、垫环、8字盲板系列
- HG/T2373-2004 代替 HG/T 2373-1992 搪玻璃开式贮存容器
- HG/T20610-2009 钢制管法兰用缠绕式垫片(PN系列)
- HG/T20606-2009 钢制管法兰用非金属平垫片(PN系列)
- 行业新闻