- 您的位置:
- 标准下载网 >>
- 标准分类 >>
- 化工行业标准(HG) >>
- HG/T 2474-2014 代替HG/T 2474 1993 螺旋锥形混合机
标准号:
HG/T 2474-2014
标准名称:
代替HG/T 2474 1993 螺旋锥形混合机
标准类别:
化工行业标准(HG)
标准状态:
现行出版语种:
简体中文下载格式:
.zip .pdf下载大小:
7.07 MB
点击下载
标准简介:
HG/T 2474-2014.Spiral conical mixer.
1范围
HG/T 2474规定了螺旋锥形混合机的型式与基本参数、要求、试验方法、检验规则、标志、包装、运输和贮存。
HG/T 2474适用于在常压条件下混合粉(粒)物料的螺旋锥形混合机(以下简称混合机)。
2规范性引用文件
下列文件对于本文件的应用是必不可少的。凡是注日期的引用文件,仅注日期的版本适用于本文件。凡是不注日期的引文件,其最新版本(包括所的修改单)适用于本文件。
GB/T 191 2008 包装 储运图示标志(mod ISO 780:1991)
GB/T 699优质碳系结构钢
GB/T 711优质碳素结构钢热轧厚钢板和钢带
GB9 12碳东结构钢和低合金结构钢热轧薄钢板和钢带
GB/T 2100一般川途耐蚀钢铸件
GB/T 3077合 金结构钢
GB/T 3274碳系结构钢和低合金结构钢热轧厚俐板和钢带
GB/T 3280不锈俐冷轧俐板和钢带
GB/T 3768声学声压法测定噪声源声功率级反射面i上:方采川包络测鼠表面的简易法
GB/T 4237不锈 俐热轧俐板和钢带
B/T 11352一股工程川铸造碳钢件
GB/T 6388运输包装收发货标志
GB/T 9439庆铸 铁件
GB/T 11365锥凶轮和双曲面凶轮精度
GB/T 13306标牌
GB/T 13384机电户品包装通川技术条件
JB/T 7217分离机械涂装通用技术条件
NB/T 47013.7承压设备 无损检测第7部分:视检测
部分标准内容:
备案号:45305—2014
中华人民共和国化工行业标准
HG/T2474—2014
代替HG/T24741993
螺旋锥形混合机
Spiralconicalmixer
2014-05-12发布
2014-10-01实施
中华人民共和国工业和信息化部发布
本标准按照GB/T1.12009给出的规则起草本标准代替HG/T2474--1993《螺旋锥形混合机》,与HG/T2474如下:
修改了范围的内容(见1,1993年版的1);增加了规范性引用文件(见2);修改了结构型式内容(见3,1993年版的3);修改基本参数内容(见3.2中表1,1993年版的3.2中表1);修改了型号表示方法(见3.3,1993年版的3.3);增加了性能要求(见4.2):
修改了制造与组装的内容(见4.4、4.5,1993年版的4);修改了简体的制造质量要求(见表2.1993年版的表4);HG/T2474—2014
1993相比主要技术变化
修改了螺杆螺旋叶片与筒体内壁间隙要求(见表3,1993年版的表5);增加了外观质量要求(见4.6);增加了安全要求(见4.7);
增加了绝缘电阻的测量方法(见5.3)。本标准山中国有油和化学工业联合会提出。本标准山全国化工机械设备标准化技术委员会(SAC/TC429)III。本标准起草单位:杭州化工机械有限公司、浙江华章科技有限公司。本标准主要起草人:杨晓玲、钟新钢、符庆良、张洪完、丁浩泉。本标准所代替标准的历次版本发布情况为:HG/T24741993。
-rrKaeerKAca-
1范围
螺旋锥形混合机
HG/T2474—2014
本标准规定了螺旋锥形混合机的型式与基本参数、要求、试验方法、检验规则、标志、包装、运输和些存。
本标准适用丁在常压条件下混合粉(粒)物料的螺旋锥形混合机(以下简称混合机)。规范性引用文件
下列文件对于本文件的应用是必不可少的。凡是注日期的引用文件,仪注日期的版本适川于本义件。凡是不注日期的引用文件,其最新版本(包括所有的修改单)适用于本文件。包装储运图示标志(modIS0780:1991)GB/T191
GB/T699
GB/T711
优质碳素结构钢
优质碳素结构钢热轧厚钢板和钢带碳素结构钢和低合金结构钢热轧薄钢板和钢带GB/T2100
GB/T3077
GB/T3274
GB/T3280
GB/T3768
GB/T4237
GB/T11352
GB/T6388
GB/T9439
GB/T11365
GB/T13306
GB/T13384
JB/T7217
一般用途耐蚀钢铸件
合金结构钢
碳素结构钢和低合金结构钢热轧厚钢板和钢带不锈钢冷轧钢板和钢带
声学压法测定噪声源声功率级
不锈钢热轧钢板租钢带
一股工程川铸造碳钢件
运输包装收发货标志
灰铸铁件
锥齿轮和双曲面齿轮精度
机电产品包装通用技术条件
涂装通用技术条件
分离机械
NB/T 47013.7
型式与基本参数
3.1结构型式
承压设备无损检测
混合机按结构特性分为以下3种:双螺旋型混合机(I.HS),见图1:a
反射面上方采用包络测量表而的简易法第7部分:H视检测
恐臂非对称型混合机(ILHX),见图2;b)
单螺旋型混合机(LHD),见图3。1
-rrKaeerkAca-
HG/T2474—2014
说明:
1筒体
螺杆。
双螺旋型混合机
说明:
一筒体;
2螺杆。
说明:
一筒体;
螺杆。
图3单螺旋型混合机
-rrKaeerKca-
悬臂非对称型混合机
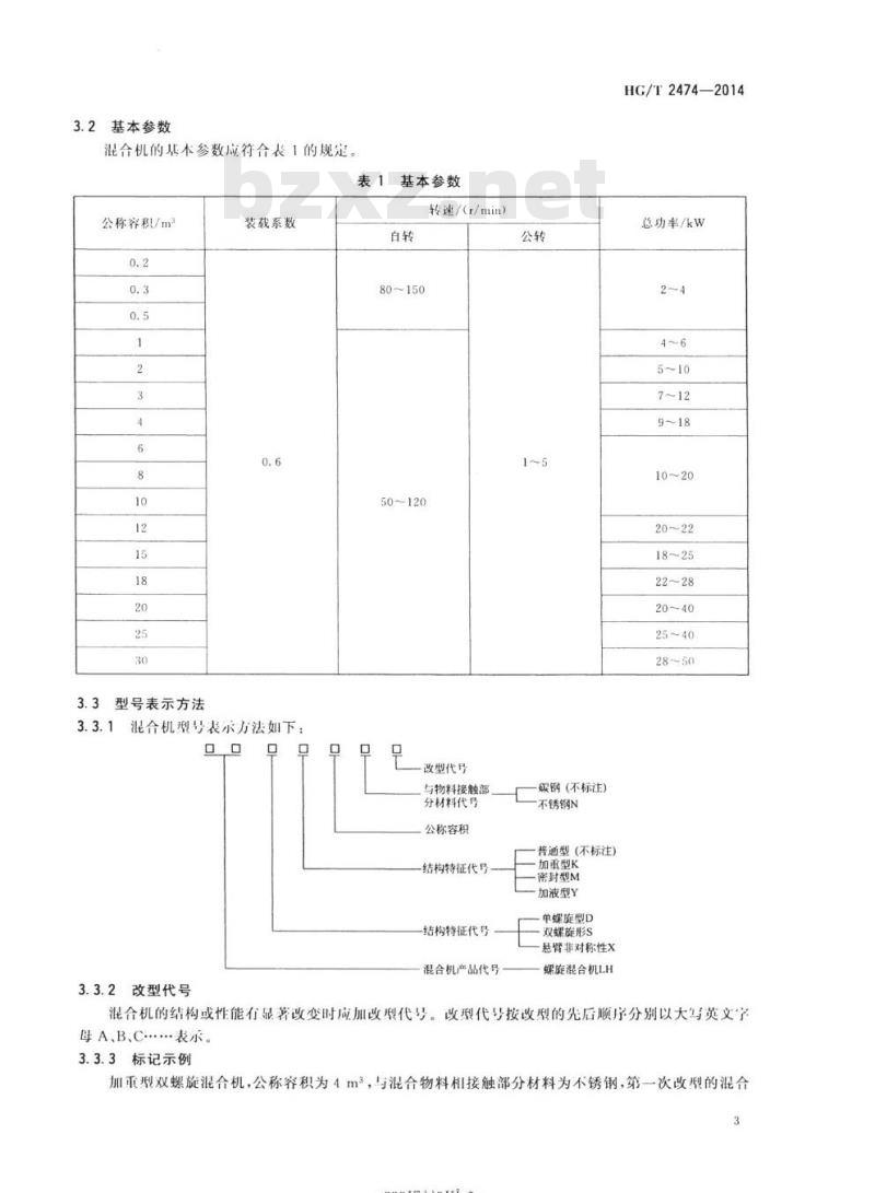
3.2基本参数
混合机的基本参数应符合表1的规定公称容积/m
3.3型号表示方法
装载系数
3.3.1混合机型号表示方法如下:口
3.3.2改型代号
表 1基本参数
转速/(r/min)
80~150
改型代号
与物料接触部
分材料代号
公称容积
结构特征代号
结构特征代号
混合机产品代号
碳钢 (不标注)
不锈钢N
普通型 (不标注)
加重型K
密封型M
加液型Y
单螺旋型D
双螺旋形S
悬臂非对称性X
螺旋混合机LH
HG/T2474—2014
总功率/kw
混合机的结构或性能有显著改变时应加改型代号。改型代号按改型的先后顺序分别以大写英文母A、B、C...表示。
3.3.3标记示例
加重型双螺旋混合机,公称容积为4m,与混合物料相接触部分材料为不锈钢,第一次改型的混合3
-rrKaeerKca
HG/T2474—2014
机标记为:
LHSK4NA双螺旋锥形混合机
4要求
4.1一般要求
混合机应符合本标准的规定,并按经规定程序批准的图样及技术文件制造。4.2性能要求
4.2.1混合机的转速应符合设计要求4.2.2混合机在物料粒径为40μm~1000μm,平均密度不大于1100kg/m3和空气相对湿度不大丁85%的条件下,应能正常工作Ⅱ螺杆转速不低于额定转速的97%。4.2.3空运转时,噪南(压级)应不大于75dB(A)。4.2.4混合机的白转与公转应有动作联锁的保扩装置。4.2.5混合机空运转时,轴承温度最高不大于65℃,温升应不大于25℃,电机、减速机的温升应不大于45℃;负荷运转时,轴承温度最高不大于75℃,温升应不大于35℃。4.3材料要求
4.3.1混合机主要零件的材料应有材料供方的质量证明书。如无质量证明书时,制造厂须按有关标准进行检验,合格后方可使川。
4.3.2铸件应符合GB/T9439的规定。4.3.3铸钢件应符合GB/T2100、GB/T11352的规定。4.3.4轴类零件应符合GB/T699、GB/T3077的规定。板壳类岑件应符合GB912、GB/T3274、GB/T711、GB/T3280、GB/T4237的规定。4.3.5
零件材料代用时,应采用性能相当或较优的材料,并须经设计部门同意。4.3.6
主要外购件(减速器、电机等)的质量应符合有关标准的规定,并有出厂合格证。4.3.8
用于食品、医药工业的混合机,其与物料接触部分的材料应符合国家有关食品、医药卫生标准的要求。
主要零部件的材料质量证明乃或复验报告。4.4主要零部件质量要求
简体焊缝与母材应圆滑过渡,并不得有明显的不规则形状。4.4.1
螺旋叶片间的对接焊缝,螺旋片和螺杆的焊缝应魔平至光滑。4.4.2
筒体的制造质量应符合表2的规定。4
-rrKaeerKAca-
公称容积Www.bzxZ.net
表2筒体的制造质量
上下法兰与简体中线垂直度
≤1.5/1000
≤2/1000
≤2.5/1000
≤3/1000
简体各截南圆度
≤2.5/1000
锥齿轮的制造应符合GB/T11365的要求,精度等级不低于8C。5装配要求
螺杆螺旋叶片与筒体内壁间隙应符合表3的规定。表3内壁间隙
公称容积/m3
-rrKaeerkAca-
HG/T2474—2014
组合后上下法兰同辅度
间隙/mm
HG/T2474—2014
4.5.2铰座底面与出料l法兰面间隙应为5mm土2mm。4.5.3减速机及各传动件密封处不得有蒲油现象,运动件应转动灵活、无异常声响。4.6外观质量
4.6.1焊缝表面不得有裂纹、气孔、弧坑和火泄等缺陷,并不得留有熔渣和飞溅物4.6.2非加工的金属表面应做防腐处理,涂装质量应符合JB/T7217的规定。经表面氧化处理的零件和不锈钢零件表面不涂漆
4.7安全要求
4.7.1混合机应有旋转方向标记。4.7.2开式传动装置应有可拆卸的防护以。4.7.3动力线路与控制电路对转盘的绝缘电阻应大于2MQ。4.7.4电器控制柜、接线盒、电机的金属外壳应可常接地。5试验方法
5.1噪声测试
混合机的噪声测试应按GB/T3768的要求。2外观质量检测
外观质量检测应按NB/T47013.7的方法。5.3绝缘电阻测量
用500V绝缘电阻表分别测控制电路和动力电路对转盘、电控柜接地点的绝缘电阻。仪表精度不低于1级。
5.4轴承温升和转速
轴承温度的测量点在轴承壳中心平而处,一般直接测量轴承的温度;若不能直接测量轴承温度时,测量轴加油孔或轴承表而处温度。在轴承温升稳定后或在混合机连续运转不少于2h后测量,测量仪器采用点温计。
转速的测量采用非接触式测速仪测量主轴转速,测量点应在减速机输出轴上、主轴上或与主轴刚性联接的零部件主。
5.5空运转试验
5.5.1空运转试验前应检查:
a)主要零部件的质量应符合4.4的规定;装配质量应符合4.5的规定;
外观质量应符合4.6的规定;
d)安全应符合4.7的规定;
e)主要外购的配套设备应符合4.3.7的规定。空运转试验时,转速从零起调出慢到快,缓慢进行,达到设计最高转速后连续运转时间应不小于5.5.2
4h。并应符合下列要求:
轴承温升、电机、减速机的温升应符合4.2.5的规定;a)
螺杆的转速(白转与公转)应符合4.2.2的要求:各紧固件、连接件应联接可靠,不得有松动现象;c
噪声应符合4.2.3的规定。
5.6负荷运转试验
5.6.1空运转试验合格后,方可进行负荷运转试验。5.6.2混合机应空车启动,分批逐次加人直径为400μm600μm石英砂作为试验物料,装载系数按表1的规定,连续运转时间不得少于4h,并应符合下列要求:6
-rKaeerkAca-
应符合5.5的各项要求;
出料阀动作灵活可常,粉(粒)物料泄漏量在4h内累计带不大于10mg/L:各密封元件双向密封情况良好;螺杆转速应符合3.2的规定。
6检验规则
检验分类
混合机产品检验分出厂检验(空运转试验)和型式检验(负荷运转试验)。6.2出厂检验
混合机应逐台进行出厂检验,经检验合格并附上产品合格证。6.3型式检验
遇到下列情况之一时应进行型式检验:新产品或老产品转厂生产的试制定型鉴定;a)
正式生产后,如产品结构型式或工艺有重大修改时;b)
国家质量监督机构提出进行型式检验要求时:d)产品长期停产后恢复生产时;出厂检验结果与1次型式检验有较大差异时。e
6.4检验项目
混合机的各类检验应符合表4的规定。检验项目表
检验项H
主要零部件
外观质量
安全要求
螺杆转速
轴承温升
技术要求条款
试验方法条款
在证书或报告
常规检验方法
常规检验方法
5.3和常规检验方法
注:△表示应进行检验O表示按需要进行检验。7
标志、包装、运输和贮存
7.1标志
HG/T2474—2014
检验类别
出广检验
型式检验
每台混合机应在明显的平坦部位固定耐久性的标牌,标牌尺寸应符合GB/T13306的规定,标牌上应标明下列内容:
混合机的型号和名称;
主要技术特性
b)路
公称容积(m2);
转速(r/min);
KaeerkAca-
HG/T2474—2014
电动机功率(kW):
重量(kg);
外形尺寸(总高×直径)(mm);产品编号;
制造川期;
制造厂名称。
2包装
处理。
混合机应采用分部件包装,并在拆卸的零部件上做出相应的装配标记。混合机包装质量应符合GB/T13384的规定。混合机包装贮运图示标志应符合GB/T191的规定,收发货标记应符合GB/T6388的规定。混合机有可能受大气腐蚀的配套件、备件、专用工具及主机的外露加工表面,包装前应经防腐蚀混合机出厂时应随机附带下列文件:装箱单;
产品合格证,包括主要配餐机电产品合格证;安装使用说明书;
随机备件、附件清单;
总装配图。
7.3运输、购存
7.3.1混合机在运输和建存过程中,应防止碰撞、损伤。7.3.2
混合机应些存在相对混度不大于80%、温度不高于40℃、没有腐蚀介质的有遮蔽的场所。-rrKaeerkca-
-rKaeerkca-
中华人民共和国
化工行业标准
螺旋锥形混合机
HG/T24742014
出版发行:化学工业出版社
(北京市东城区青年湖南街13号邮政编码100011)北京科印技术咨询服务公司海淀数码印制分部880mmX1230mm1/16印张%字数17.6千字2014年9月北京第1版第1次印刷
书号:155025·1785
购书咨询:010-64518888
售后服务:010-64518899
网址:http://cip.com.cn凡购买本书,如有缺损质量问题,本社销售中心负责调换。定价:12.00元
版权所有
违者必究
小提示:此标准内容仅展示完整标准里的部分截取内容,若需要完整标准请到上方自行免费下载完整标准文档。
标准图片预览:





- 热门标准
- HG化工标准
- HG/T20518-2008 化工粉体工程设计通用规范
- HG/T3985-2007 聚四氟乙烯波纹管膨胀节
- HG∕T5056-2016 GB 7544在天然橡胶胶乳避孕套质量管理中的使用指南
- HG/T3219-2009 代替 HG/T 3219-1999 搪玻璃平面阀
- HG/T3459-2003 化学试剂 顺丁烯二酸酐
- HG/T2017-2011 代替 HG/T 2017-2000 普通运动鞋
- HG/T2257-2011 代替 HG/T 2257-1991 照相化学品 成色剂挥发分的测定
- HG/T21529-2014 代替 HG/T 21529-2005 板式平焊法兰手孔
- HG/T2956.5-2001 硼镁矿石中氧化亚铁含量的测定重铬酸钾 容量法
- HG/T2371-2003 代替 HG/T 2371-1992 搪玻璃开式搅拌容器
- HG/T2225-2010 代替 HG/T 2225-2001 工业硫酸铝
- HG/T2044-2020 代替 HG/T 2044-2003 机械密封用喷涂氧化铬密封环技术条件
- HG/T2343-2012 硫化促进剂 ETU
- HG/T4243-2011 医用干银胶片中银含量测定
- HG/T3531-2011 代替 HG/T 3531-2003 工业循环冷却水污垢和腐蚀产物中水分含量的测定
- 行业新闻
网站备案号:湘ICP备2025141790号-2