- 您的位置:
- 标准下载网 >>
- 标准分类 >>
- 电力行业标准(DL) >>
- DL/T 1136-2009 钢弦式钢筋应力计
标准号:
DL/T 1136-2009
标准名称:
钢弦式钢筋应力计
标准类别:
电力行业标准(DL)
标准状态:
现行出版语种:
简体中文下载格式:
.zip .pdf下载大小:
348.67 KB
点击下载
标准简介:
DL/T 1136-2009.Vibrating wire rebar stress meter.
1范围.
DL/T 1136规定了钢弦式钢筋应力计的分类与规格、技术要求、试验方法、检验规则和标志、包装、运输、贮存的要求。
DL/T 1136适用于大坝及其他岩土工程安全监测中测量钢筋应力的钢弦式钢筋应力计及测量锚杆应力的钢弦式锚杆应力计(以下简称钢筋应力计)。
2规范性引用文件
下列文件中的条款通过本标准的引用而成为本标准的条款。凡是注日期的引用文件,其随后所有的修改单(不包括勘误的内容)或修订版均不适用于本标准。然而,鼓励根据本标准达成协议的各方研究是否可使用这些文件的最新版本。凡是不注日期的引用文件,其最新版本适用于本标准。
GB/T 191包装储运 图示标志.
GB 6388运输包装收发 货标志
3术语和定义
下列术语和定义适用于本标准。
3.1频率模数 frequency modulus
频率的平方除以1000,一个单位定义为“一个字”
3.2过范围限 overrange limit
能够加在传感器上不致引起永久性性能变化的被测量的最大值。
3.3最小读数 sensitivity coefficient
钢弦式仪器在全量程范围内频率模数变化- -个字时被测量的变化值。
4产品原理、分类与规格
4.1产品原理
钢筋应力计主要由钢套、连接杆、钢弦式敏感部件及电磁线圈组成,其原理结构示意图见图1。
部分标准内容:
备案号:26377-2009
中华人民共和国电力行业标准
DL/T 11362009
钢弦式钢筋应力计
Vibrating wire rebar stress meter2009-07-22发布
中华人民共和国国家能源局
2009-12-01实施
规范性引用文件
术语和定义·
产品原理、分类与规格
技术要求
试验方法…
检验规则
标志、包装、运输、贮存
附录A(规范性附录)钢弦式钢筋应力计参数计算方法DL/T 1136 2009
DL / T 1136 — 2009
本标准是根据《国家发展改革委办公厅关于印发2007年行业标准修订、制足计划的通知》净(发改
办工业【2007]1415号】要求制定的。本标推附录A为规范性附录。
本标摊由中国电力企业联合会提出。本标准由电力行业大坝安全监测标准化技术委员会归口并负责解释。本标准主要起草单位:国网电力科学研究院、基康仪器(北京)有限公司。本标雄主要起草人:昂刚、沈省三、刘广林,王梅枝、卢有、刘观标、刘炜铭。本标准为首次发布。
本标雅执行过程中的意见或建议反馈至中国电力企业联合会标推化中心(北京市白广路二条1号,100761)。
1范围
钢弦式钢筋应力计
DL/ T 1136 —2009
本标准规定了钢弦式筋应力让的分类与规格、技术要求、试验方法、检验规则和标志、包装、运输、贮存的要求。
本标准适用汀大坝及其他岩土工程安全监测中测量钢筋应力的钢弦式钢筋应力计及测量锚杆应力的钢弦式锚杆应力让(以下簡称翎筛应力计)。2规范性引用文件
下列文件中的条款通过本标准的引用而成为本标准的条款。凡是注口期的引用文件,其随后所有的修改单(不包括勘误的内容)或修订版均不适用于本标准。然而,鼓励根据本标准达成协议的各方研究是否可使用这些文件的最新版本。凡是不注日期的引用文件,其最新版本适用于本标。GB/T191包装储运图示标志
GB6388运输包装收发货标志
3术语和定义
下列术语和定义适用于本标准。3.1
频率模数frequeneymodulus
频率的平方除以1000,个单位定义为“一个字”。3.2
过范围限overrangeUmit
能够加在传撼器上不致引起永久性性能变化的被测最的大值。3.3
最小读数sensitivity coeficient钢弦式仪器在全量程范围内率模数变化一个字时被测量的变化值。4产品原理、分类与规格
4.1产品原理
钢筋应力计主要由钢套,连接杆,钢将式嫩感部件及电磁线圈纽成,其原理结构示意图见图1。1—钢套:2-电须:3—敏感部件:4—电磁线阔,5--紧固件:6—连接杆图1钢筋应力计结构示意医
当钢筋应力计所受的应力发生变化时,敏感部件中的钢弦受力同时发生变化,从而改变钢弦的固有DL/T1136—2009
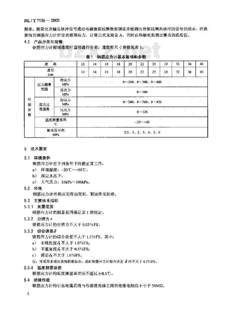
频率。测量仪表箍山脉冲信号通过电磁激振线圈激振钢弦并检测出拾振线所感应的信号的频率,经换算得到钢筋应力计所受的钢筋应力,计算公式见附录A。同时由热敏电阻测出测点的温度值。4.2产品分类与规格
钢筋应力计根据连接杆直径进行分类,连按杆尺于参数见表1。表1钢筋应力计基本规格和参数
应力别量
应力过
范围限
拉应力
压应力
拉应力
压应力
温度测量范围
耐水压分挡
5技术要求
5.1环境条件
钢筋应力计在下列条件下应能正常工作:a)环境温度:-20~+60℃:
b)规楚水压下;
o)人气压力:53kPa~106kPa。5.2外观
钢筋应力计外观应无弯曲变形,紧固件无松动。5.3主要技术指标
5.3.1 测量范围
钢筋应力计的测量范围满足表1的规定。5.3.2分辨力 r
钢筋应力计的分辨力不人于0.05%FS。5.3.3综合误差6
钢筋应力计的综合误差不人于1.5%FS。其中:a)非线性度不人于1.0%FS
b)不重复度态不大于0.5%FS:
c)滞后≤不大于1.0%FS。
0~200、心~300、0~-400
0-~100
0--240、0--360、0--420
0~-120
-20~~+60
0.5、1、2、3.、 4、5、6
注,可采用多项式曲线校准拟合,此时钢筋感力计拟合误差应不大」0.5%FS.5.3.4温度测量误差
钢筋应力计的温度测量误差应不超过士心.5℃。5.4绝缘性能
钢筋应力计的引出电缆芯线与传感器壳体之间的绝缘电阻应不小于50M品。2
5.5防水密封性
钢应力计在规定压力的水中,绝缘性能应符合5.4的要求。5.6温度修正误差
DL/ T 1136 — 2009
钢筋应力计温度修正的校维曲线(因温度变化所引起的应力值的误差与温度之间关系的曲线),其端基线性度误差以频率模数计,不应超过土0.04%FS/C。5.7过范围限
钢筋应力计应能承受表1规定的过范围限,当恢复至正常测量范围后,在正常工作条件下,钢筋应力计的性能应符合5.3.2、5.3.3的要求。5.8稳定性
5.8.1离温稳定性
钢筋应力计在经受环境温度为60℃C、历时24h的高温试验,嵌复至正常试验条件后,其性能应满足5.3.2、5.3.3 的要求。
5.8 2稳定性
钢筋应力计在经受拉伸到测量范围上限、卸荷到零点的20次循坏试验后,其性能应满足5.3.2、5.3.3的要求。
5.9耐运输颠振性能
钢筋应力计在包装运输状态下,应能承受最大加速度为5g、频率为10Hz~150Hz~10Hz、历时10mi的试验,试验后其性能应满足5.3.2的要求。6试验方法
6.1试验条件
6.1.1正常试验大气条件
a)环境温度:15~35℃;
b)相对湿度:25%~75%
c)大气压力:86kPa~106kPa。6.1.2仲裁试验条件
a)环境温度:20℃±2℃:
b)相对湿度:60%~70%;
c)大气压力:86kPa~106kPa。6.1.3试验设备
1级万能材料试验机:
弦式指示仪:
100V绝缘电阻表:
环境试验箱:
二等标准水银温度计:
压力容器;
振动试验台。
6.2外观
目测,检验结果应符合5.2的要求。6.3主要技术指标
6.3.1测量范围
将钢筋应力计固定在万能材料试验机上,试验前将钢筋应力计在满量程拉力范围内预拉2~3次,将钢筋应力计满量程拉力按20%分挡,从零开始,逐级进给拉至满量程拉力上限,再避级卸载至零,用3
DL / T 1136:- 2009
测量仪表测量其输出并记录各挡位的标称值(P)及对应的读数值(R):如此进行3个正、反行程的测录。按附录A公式方法计算钢筋应力计的测量范阐,应满足5.3.1的要求。6.3.2分辨力
钢筋应力计的分辨力试验结合6.3.1同时进行,按附录A公式方法计算钢筋应力计的分辨力r,应满足5.3.2的要求。
6.3.3综合误差
钢筋应力计的综合误差试验结介6.3.1同时进行,按附录A公式方法计算钢筋应力计的非线性度(或拟合误差)9、不重复度、滞后品及综合误差,应满足5.3.3的要求。6.3.4温度测量误差
将钢筋应力计放人环境试验箱内,一等水银温度计放置在钢筋应力计附近,分别在0℃、20℃、40℃、60C进行试验。到达每挡温度并稳定后各保温2h,钢筋应力计记录钢解应力计温度值和二等水银温度计读数,同时记录钢筋应力计的输出频率模数。比较钢筛应力计温度测量值和二等水银温度计读数,其温度误差应满足5.3.4要求,6.4绝縫性能
正常试验人气条件下,用100V绝缘电阻表测量钢筋应力计引线电缆与密封壳体的绝缘电阻,应满足 5.4要求。
6.5防水密封性
将钢筋应力计放置在压力容器中加水压至规定压力值,保持30min,然后用100V的绝缘电阻表测最引线与密封壳体之问的绝缘电阻,应满足5.5的要求。6.6温度修正误差
钢筋应力计的温度修正误差试验可结合6.3.4同时进行,按附录中给出的公式计算温度修正系数及误差,应满足5.6的要求。
6.7过范围限
将钢筋应力计先置于~25℃、70℃两种环境卜名恒温6h。当环境温度恢复至正常试验条件,其性能应满足5,7 的要求。
将钢筋应力计拉至表1的拉应力过范围限值,保持5min,恢复到正常的拉应力范内,其性能应满足 5.7 的要求。
6.8稳定性
6.8.1高温稳定性
将钢筋应力计放置在恒温箱内,从常温开始升温至60C保持24,当环境条件恢复到正常试验条件后,应满足5.8.1的要求。
6.8.2稳定性
将钢筋应力计固定在材料试验机上,在正常试验条件下,拉伸到测量范固土限后卸荷剑零点,反复20次循环试验后,应满足5.8.2的要求。6.9耐运输颠振性能
将钢筋应力计按运输要求包装好后,百接固定在振动试验台土。按5.9条规定的加速度、率和时间进行运输颠振试验,应满足5.9的要求。7检验规则
7.1检验分类
钢筛应方计检验分为出厂检验和型式试验两种。7.2出厂检验
7.2.1钢筋应力计应逐台进行出!检验,检验项目分全检和抽检,抽检比例为3%~~5%,如总数少于4
三台,则检。出厂检验项目及顺序见表2。7.2.2钢筋应力计经质量检验部门检验合格并附合格证后,方可出厂。提交给用户的出厂检验资料至少应包括:7.2.3
a)名称,型号规格、出厂编号:性能参数试验表及试验结果:
计算参数;
耐水压值;
制造时间,检验员标识。Www.bzxZ.net
表2钢弦式钢筋应力计出厂检验及型式试验项目检验项日
综合误差
非线性度
不重复度
温度测量误差
绝缘性能
防本密封性
温度修正误差
过范围限
长期稳定性
运输巅报
试验方法
“○”为抽检项目。
“于”为必检项目,一为不项目,注:
型式试验
凡下列情况之一,需进行型式试验:新产品定型或老产品转厂生产或停产-年后又恢复生产时;by
连续批量生产时,每五年-次:
如设计、工艺,材料、元件有较大改变,可能影响产品性能时:d)出厂捡验结果与上次型式试验有较大差异时。出厂检验
DL/T 1t36 —2009
型式试验
7.3.2型式试验应从出厂检验合格产品中随机抽取三台样品,如总数少于三台,则应全检。7.3.3型式试验应对全部项目进行全性能检验,项目及顺序见表2。7.3.4判定规刻
型式试验项目如有不合格,则加倍取样,对不合格项目进行复检,如仍存在不合格项,则判该批产品不合格。
8标志、包装、运输、贮存
8.1标志
8.1.1产品标志
每台钢筋应力计上的标志内容至少应包含商标、产品名称,型号规格,出厂编号及制造厂名等内容。5
DL/T1136—2009
包装标志
产品包装箱外应有防水标记:
a)到站、收货单位和地址;
发站、供货单位和地址:
产品名称、型号和数量
标明“精密仪器”、“小心轻放”,“防震”、及放置标记“十”标识。d
8.1.3包装储运标志和收发货标志应按照GB/T191和GB6388的有关规定正确选用。8.2包装
8.2.1采用木箱包装,应有防震、防潮措施。8.2.2包装箱内随产品提供的技术文性件应包括a)
装箱清单:
使用说明书;
产品合格证;
d)出厂检验资料。
3运输
包装后的产品应适于般交通工具的运输,但在运输过程中不应受到雨雪或其他液体直接淋装与机械损伤。
8.4贮存
产品应存放在干燥通风,无腐蚀性气体的室内。A.1钢弦式钢筋应力讨应力计剪
A.1.1线性拟合
式中:
附录A
【规范性附录)
铜弦式钢筋应力计参数计算方法C=F-H)+K(T-T)
当前时刻相对于初始位置时的应力,MPa:钢筋应力计最小读数[见式(A.8),MPa/kHz2;钢筋应力计初始的输出频率模数,kHz\:钢筋应力计当前时刻的输出率模数,kHz;钢筋应力计温度修正系数[见式(A.9),MPal℃t钢蔚应力计当前时刻的温度值,℃:-取初始输出频率模缴时对应的温度值,℃。A.1.2多项式拟合
E=a(M-f)+bF-倍)+K(T-T)
DL / T 1136 -- 2008
式中,系数α、b采用最小二乘法拟合的方法求得,其余符号含义间式(A,1)中参数,A,2钢筋应力计性能参数计算公式分辨力
非线性度或拟合误差
不重复度
综合误差
最小读数
×100%
医×100%
& =x100%
-il x100%
--mx100%
各挡位输出的频率模数值,kHz2(-0、1、2、3\阶,为分挡数量,下同);f
正程各挡位输出的频率模数值,kHz;反程各挡位测值输出的频率模数值,kHz2同挡位对应的正、反3个行程6个测值的均值,kHz;满量程输出值的均值,kHz2
同挡位校直线(或曲线)理论值,kHz:测点校准直线(或山线)理论值与该点测值平均值之最大偏差值,kHz,了
DL/T1136—2009
测点正程测值与其均值或反程测值与其均值间的最大偏差,飞Hz-正程均值与反程均值间的最大偏差,kHz;[r~,———正程均值或反程均值与测点校准直线(或曲线〉理论值间的最大偏差,kHz;p
-满量程应力值,MPa。
A.3钢筋应力计温度修正系数及误差计算公式温度修正系数
温度修正误差
式中:
最高测试点温度值,℃:
起始测试点温度值,℃C:
K, =-RG-)/(T -T)
-×100%
最高测试点输出频率模数,kHz;起始测试点输出频率模数,kHz2满量程输出值的均值,kHz2
一测试点温度修正的校准曲线理论值与该点实测值的最大偏差值,kHz2。A.4钢筋应力计温度计算
推荐便用3K挡热敏电阻、按下式计算温度值。T=
式中:
A. B. C, D-
A+ BIn(R)+C(In R)
由热敏电阻生产厂家提供:
一钢筋应力计的电阻测值,2。
小提示:此标准内容仅展示完整标准里的部分截取内容,若需要完整标准请到上方自行免费下载完整标准文档。
标准图片预览:





- 其它标准
- 热门标准
- DL电力标准
- DL/T5561-2019 换流站接地极设计文件内容深度规定
- DL/T1705-2017 磷酸酯抗燃油闭口杯老化测定法
- DL/T1232-2013 电力系统动态消息编码规范
- DL/T1018-2006 电容式测缝计
- DL/T1077-2007 苯乙烯系离子交换树脂有机溶出物测定方法(动态法)
- DL/T634.5101-2002 远动设备及系统 第5101部分:传输规约 基本远动任务配套标准
- DL/T5242-2010 35kV~220kV变电站无功补偿装置设计技术规定
- DL/T5256-2010 土石坝安全监测资料整编规程
- DL/T1303-2013 抽水蓄能发电电动机出口断路器运行规程
- DL/T667-1999 远动设备及系统第5部分传输规约 第103篇 继电保护设备信息接口配套标准
- DL/T5388-2007 水电水利工程天然建筑材料勘察规程
- DL/T1209.1-2013 变电站登高作业及防护器材技术要求 第1部分:抱杆梯、梯具、梯台及过桥
- DL/T1080.13-2012 电力企业应用集成 配电管理系统接口 第13部分:配电CIM RDF模型交换格式
- DL/T945-2005 周期式混凝土搅拌楼
- DL/T5722-2015 水电水利工程施工机械安全操作规程塔带机
- 行业新闻
网站备案号:湘ICP备2025141790号-2