- 您的位置:
- 标准下载网 >>
- 标准分类 >>
- 轻工行业标准(QB) >>
- QB/T 1290.2-1991 钢锤圆头锤
标准号:
QB/T 1290.2-1991
标准名称:
钢锤圆头锤
标准类别:
轻工行业标准(QB)
英文名称:
Steel hammer ball peen hammer标准状态:
现行-
发布日期:
1991-10-17 -
实施日期:
1992-06-01 出版语种:
简体中文下载格式:
.rar.pdf下载大小:
38.36 KB
替代情况:
SG 216-1980
点击下载
标准简介:
标准下载解压密码:www.bzxz.net
本标准规定了羊角锤的产品分类、技术要求、试玻方法、检验规则、标志、包装、运翰与贮存。本标准适用于羊角锤.羊角锤的基本尺寸按下表的规定。 QB/T 1290.2-1991 钢锤圆头锤 QB/T1290.2-1991
部分标准内容:
中华人民共和国轻工行业标准
1 主题内容与适用范围
圆头锤
QB/T 1290.2--1991Www.bzxZ.net
本标准规定了圆头锤的产品分类、技术要求、试验方法、检验规则、标志、包装、运输与贮存。本标准适用于圆头锤。
2引用标准
GB/T5305手工具包装、标志、运输与贮存GB/T13473钢锤通用技术条件
3产品分类
3.1型式
圆头锤的型式如下图所示。
圆头锈型式图
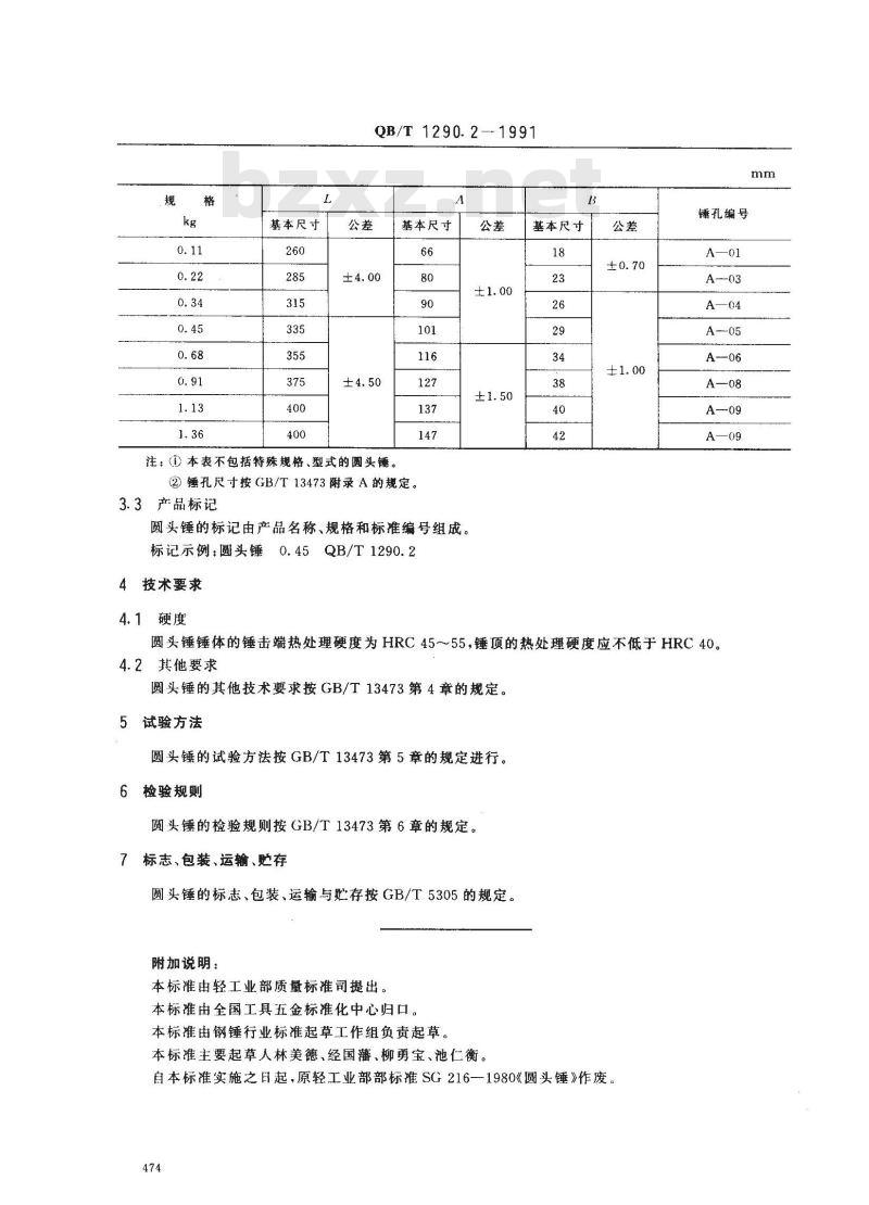
规格和基本尺寸
圆头锤的规格和基本尺寸按下表的规定。中华人民共和国轻工业部1991-10-17批准1992-06-01实施
基本尺寸
QB/T1290.2--1991
注:①D本表不包括特殊规格、型式的圆头锤。基本尺寸
②锤孔尺寸按GB/T13473附录A的规定。3.3产品标记
圆头锤的标记由产品名称、规格和标编号组成。标记示例:圆头锤0.45QB/T1290.24技术要求
4.1硬度
基本尺寸
锤孔编号
A—09
圆头锤锤体的锤击端热处理硬度为HRC45~55,锤顶的热处理硬度应不低于HRC40。4.2其他要求
圆头锤的其他技术要求按GB/T13473第4章的规定。5试验方法
圆头锤的试验方法按GB/T13473第5章的规定进行。6检验规则
圆头锤的检验规则按GB/T13473第6章的规定。标志、包装、运输、贮存
圆头锤的标志、包装、运输与贮存按GB/T5305的规定。附加说明:
本标准由轻工业部质量标准司提出。本标准由全国工具五金标准化中心归口。本标准由钢锤行业标准起草工作组负责起草。本标准主要起草人林美德、经国藩、柳勇宝、池仁衡。自本标准实施之日起,原轻工业部部标准SG216-1980《圆头锤》作废。474
小提示:此标准内容仅展示完整标准里的部分截取内容,若需要完整标准请到上方自行免费下载完整标准文档。
1 主题内容与适用范围
圆头锤
QB/T 1290.2--1991Www.bzxZ.net
本标准规定了圆头锤的产品分类、技术要求、试验方法、检验规则、标志、包装、运输与贮存。本标准适用于圆头锤。
2引用标准
GB/T5305手工具包装、标志、运输与贮存GB/T13473钢锤通用技术条件
3产品分类
3.1型式
圆头锤的型式如下图所示。
圆头锈型式图
规格和基本尺寸
圆头锤的规格和基本尺寸按下表的规定。中华人民共和国轻工业部1991-10-17批准1992-06-01实施
基本尺寸
QB/T1290.2--1991
注:①D本表不包括特殊规格、型式的圆头锤。基本尺寸
②锤孔尺寸按GB/T13473附录A的规定。3.3产品标记
圆头锤的标记由产品名称、规格和标编号组成。标记示例:圆头锤0.45QB/T1290.24技术要求
4.1硬度
基本尺寸
锤孔编号
A—09
圆头锤锤体的锤击端热处理硬度为HRC45~55,锤顶的热处理硬度应不低于HRC40。4.2其他要求
圆头锤的其他技术要求按GB/T13473第4章的规定。5试验方法
圆头锤的试验方法按GB/T13473第5章的规定进行。6检验规则
圆头锤的检验规则按GB/T13473第6章的规定。标志、包装、运输、贮存
圆头锤的标志、包装、运输与贮存按GB/T5305的规定。附加说明:
本标准由轻工业部质量标准司提出。本标准由全国工具五金标准化中心归口。本标准由钢锤行业标准起草工作组负责起草。本标准主要起草人林美德、经国藩、柳勇宝、池仁衡。自本标准实施之日起,原轻工业部部标准SG216-1980《圆头锤》作废。474
小提示:此标准内容仅展示完整标准里的部分截取内容,若需要完整标准请到上方自行免费下载完整标准文档。
标准图片预览:


- 其它标准
- 上一篇: QB/T 1290.1-1991 钢锤八角锤
- 下一篇: QB/T 1290.3-1991 钢锤钳工锤
- 热门标准
- 轻工行业标准(QB)
- QB/T5247-2018 箱包配件塑料插扣耐 用性能试验方法
- QB/T2856-2007 毛革服装
- QB2584-2003 蒸汽淋浴房
- QB/T2711-2005 皮革 物理和机械试验 撕裂力的测定:双边撕裂
- QB/T1664-1998 纸板戳穿强度测定仪
- QB/T2161-1995 儿童推车整车通用技术条件
- QB/T2425-1998 封箱用再湿性牛皮纸胶粘带
- QB/T3520-1999 500kV油纸套管绝缘纸
- QB/T2569.6-2002 钢锉 木锉
- QB/T1433.10-2005 饼干 装饰饼干
- QB/T1439-2005 帐册
- QB/T1584-2005 日用皮手套
- QB/T2333-1997 防晒化妆品中紫外线吸收剂定量测定高效液相色谱法
- QB/T1756-1993 造纸机械湍流式中浓度浆泵
- QB/T1782-1993 苯乙醇
- 行业新闻
请牢记:“bzxz.net”即是“标准下载”四个汉字汉语拼音首字母与国际顶级域名“.net”的组合。 ©2025 标准下载网 www.bzxz.net 本站邮件:bzxznet@163.com
网站备案号:湘ICP备2025141790号-2
网站备案号:湘ICP备2025141790号-2