- 您的位置:
- 标准下载网 >>
- 标准分类 >>
- 国家标准(GB) >>
- GB 13271-2001 锅炉大气污染物排放标准
标准号:
GB 13271-2001
标准名称:
锅炉大气污染物排放标准
标准类别:
国家标准(GB)
标准状态:
现行出版语种:
简体中文下载格式:
.zip .pdf下载大小:
196.62 KB
点击下载
标准简介:
标准号:GB 13271-2001
标准名称:锅炉大气污染物排放标准
英文名称:Emission standard of air pollutants for coal-burning oil-burning gas-fired boiler
标准格式:PDF
发布时间:2001-11-12
实施时间:2002-01-01
标准大小:201K
标准介绍:本标准分年限规定了锅炉烟气中烟尘、二氧化硫和氮氧化物的最高允许排放浓度和烟气黑度的排放限值
本标准适用于除煤粉发电锅炉和单台出力大于45.5MW(65t/h)发电锅炉以外的各种容量和用途的燃煤、燃油和燃气锅炉排放大气污染物的管理,以及建设项目环境影响评价、设计、竣工验收和建成后的排污管理。
使用甘蔗渣、锯末、稻壳、树皮等燃料的锅炉,参照本标准中燃煤锅炉大气污染物最高允许排放浓度执行。
2引用标准
下列标准所包含的条文,通过在本标准中引用而构成本标准的条文。
GB3095-1996环境空气质量标准
GB546891锅炉烟尘测试方法
GB/T16157-1996固定污染源排气中颗粒物测定与气态污染物采样方法
为贯彻《中华人民共和国环境保护法》和《中华人民共和国大气污染防治法》,控制锅炉污染物排放,防治大气污染,制定本标准。
本标准是对GB13271-91《锅炉大气污染物排放标准》的修订。
标准修订的主要内容是:进一步明确了标准的适用范围,增加了容量<0.7MW(1t/h)自然通风燃煤锅炉烟尘、烟气黑度、二氧化硫的最高允许排放浓度限值;增加了燃油、燃气锅炉烟尘、烟气黑度、二氧化硫、氮氧化物的最高允许排放浓度限值。
本标准内容(包括实施时间)等同于1999年12月3日国家环境保护总局发布的《锅炉大气污染物排放标准》(GWPB3-1999,自本标准实施之日起,代替GWPB3-199
本标准由国家环境保护总局科技标准司提出;
本标准1983年9月首次发布,1992年5月第一次修订;
本标准由国家环境保护总局负责解释
部分标准内容:
中华人民共和国国家标准
GB 132712001
代替 GB 13271—91. GWPB 8—1999锅炉大气污染物排放标准
Emission standard of air pollutantsfor coal burning uil-buring gas-lired boiler2001-11-12 发布
20020101实施
国家环境保护总局
国家质量监督检验检疫总局
GB13271—2001
为贯彻《中华人民共和国环境保护法》和《中华人民共和国大气污梨防治法》,控制据炉污染物排放,防治大气污染,制定本标准。本标准是对GB13271—91《锅炉大气污染物排放标准》的髂订。标准修订的主要内容是:进一步明确了标准的适期范国,增加了容量<0.7MW(1t/h)白然通风燃煤炉烟尘、烟气照度、一氧化硫的最高允许排放浓度限值;增加了燃油、燃气锅炉烟尘、烟气黑度、二氧化硫。氮氧化物的最高允许排放浓度限值。本标准内容(包括实施时间)等同于1999年12月3口国家坏境保护总局发布的《锅炉大气污染物排放标准?(GWPB3—1999),自本称准实施之日起,代替GWPB3-1999。本标准由国家环境保护总局科技标准司提出1本标准1983年±月首次发布,1992年5月第-一次修订,本标由国家环境保护总局负责解释。范围
锅炉大气污染物排放标准
G格 13271—2001
本标准分年限规定了锅炉烟气中州尘、二氧化和氮氧化物的最高充许排放浓度和烟气熏度的排放限值。
本标准适用于除煤粉发电锅炉和单台出力大于45.5MW(65t/h)发电锅炉以外的各种容盘和用途的燃煤、燃油和燃气锻炉排放大气污染物的管理,以及建设项目环境影响评价、设计、竣工验收和建成后的排污管理。
使用甘蔗楚、锯末、褶壳、树皮等燃料的炉,参照本标准中燃煤锅炉大气污染物最商允许排放浓度执行。
2引用标准
下列标推所包含的条文,通过在本标准中引用而构成本标准的条义。GB 3095—1996环境空气质盘标准GB5468—91锅炉烟尘试方法
GB/T16157—1996固定污染源排气中颗粒物测定与气态污染物采样方法3定义
3.1标准状态
锅炉烟气在温度为273K,压力为101325Pa时的状态,简称“标态”。本标准规定的排效浓度均指标准状态下干烟气中的数值,3. 2 烟尘初始排放浓度
指自锅炉烟气出口处或进人净化装置前的烟排效浓度。3. 3烟尘排放浓度
指锅炉烟气经净化装置后的烟尘排放浓度。未安装净化装置的锅坨,烟尘初始排放浓度即是锅炉烟尘排放浓度。
3.4自然通风锅炉
自然通风是利用烟内、外温度不同所产生的压力差,将空气吸人炉膛参与燃烧,把燃烧产物排向大气的一种通风方式。来用自然通风方式,不用鼓、引风机机概通风的锅炉,称之为自然通风锅炉。3. 5收到基灰分
以收到状态的煤为基准,测定的灰分含量,亦称“成用基灰分”,用“Aar”表示。3. 6 过量空气系数
燃料燃烧时实际空气消耗景与理论空气需耍量之比值,用“。”表示。4技术内容
4.1适用区域划分类别
本标准中的一类区和二、三类区是指GB30951996环境空气质虽标准》中所规定的环境空气质量功能区的分类区城。
本标准中的“两控区”是指“国务院关于酸荫控制区和二氧化硫污染控制区有关间题的批复》中所划定的酸雨控制区和二氧化硫污染控制区的范围。GB 13271—2007
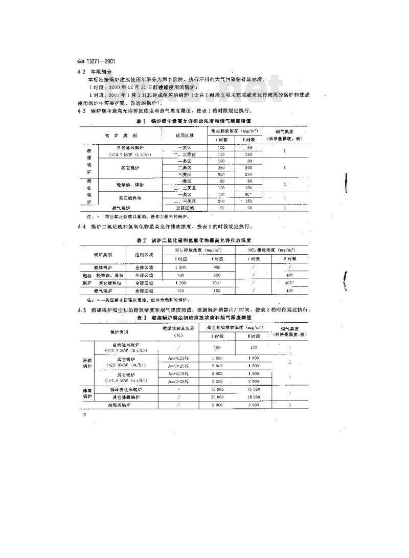
4.2年限划分
本标准按锅妇建成使用年限分为两个阶段,执行不尚的大气污染物排放标准。「时段;2000年12月31日前建戚使用的锅炉+1 时段:2001年1月1H起成使用的钢炉《含在1时段立项末建成或未运行使用的锅炉和建成使用锅驴中需要扩建、改造的锅护)4. 3锅炉烟尘最允许排放链度和烟气黑度限值,按表1的时段规定执行。表 1 蜗炉烟尘最高允许排效浓度和烟气照度限值类
自然酒风竭妇
(<.0.7 MW (1 t/h>)
其它锅炉
轻柴瓣、煤油
其它燃科油
燃气锅炉
适川区域
一、三教区
一类区
三类区
三类区
一美区
二、三类区
全部区域
荧区禁止新建以重润造也为燃料的锅炉。烟尘排放匿度(mg/m)
一时段
4.4锅炉二氧化疏和愈氧化物最高充许排放浓度,按表2 的时段规定执行。表 2 锅炉二氧化硫和氮氧化物最高允许排放该度娱炉类别
懿蝶媽炉免费标准bzxz.net
燃油轻柴油、煤油
其它燃料理
燃气惕炉
适用区
全部区域
会部区城
全部区城
全部区城
S[),排放浓度(mk/m\)
I时段
注:*一类区禁止新座以重油、资油为然彩的锅炉,时段
州黑度
(林曼鼎度,绒)
NO.排故池度(mg/m)
「时妥
E时段
接表3的时毅期定执行,
燃藻锅炉烟尘刺始排放添度和烟气黑度限值,根据锅炉销色山厂时间,4.5
燃煤朝炉烟尘韧始排放浓度和烟气黑度限值表3
部炉类训
自然通以
(0.7 MW <1t/h>)
其它炉
(=2-8MW <4/h)
其它锅坑
(>2. MW (4 t/t))
循环流化床锅
其它沸腾锅矿
数煤机蜗炉
燃媒收到灰分
:(%)
Anr255
Aar25%
Aar>25%
州切始排嫩凝度(mg/n*)
15 005
一时段
烟气照度
(林掉曼黑度,级)
4.6其它规定
4.6.1燃煤、燃油(燃轻柴油、煤油除外)锅炉房烟图高度的规定。GB 13271.. 2001
4.6.1.1每个新建锅炉房只能设一根烟肉,烟图高度应根据锅炉房装机总容盘,按表4规定执行。表4燃煤、燃油(燃轻柴油、煤油除外)锅炉房烟窗量低允许高度锅炉房装
机总奔量
烟卤最低
充许高度
1.4---2.8
0. 7~-1. 4
10~-20
20--40
锅炉房装机总容量大下28MW(40+/h)时,其妖窗高度应按批准的环境影响报告书(表)4. 6. 1, 2
要求确楚,但不得低于45m。新建锅炉房烟卤周围半径200m距离内有建筑物时,其烟卤应高出最高建筑物3m以上
4.6.2燃气、燃轻柴油、煤油锅炉烟固高度的规定燃气、燃轻柴油、煤油锅炉烟图高度应按批准的环境影响报告书(表)要求确定,但不得低于各11。4.6.3各种锅炉烟肉高度如果达不到4.6.1、4.6.2的任何一项规定时,其烟尘、SO,、NO,最高允许排放获度,应按相应区域和时段排放标准值的%批行。4.6.4≥0.7MW(1t/h)各种锅炉烟图应按GB5468—91和GB/T16157-1996的规定设置便千永久采样监测孔及其相关设施,白本标准实施之H起,新建成使用(含扩建、改造)单台容量14MW(20t/h)的锅护,必须安装固定的连续监测烟气中烟尘、SO:排放浓度的仪器。5监测
5.1监测锅炉烟尘、二氧化硫、氮氧化物排放浓度的采样方法应按GB5468和CB/T16157规定执行。二氧化硫、氮氧化物的分析方法按宦家环境保护总局规定执行,(在国家颁布相应标准前,暂时采用空气与废气监测分析方法》,中函环境科学出版社出版)。5.2实测的锅炉烟尘、一氧化、氮氧化物排放浓度,成按表5中规定的过量空气系数^进行折算。表5各种锅炉过量空气系数折算值锅炉美型
鹅辣锅炉
燃油、燃气锅炉
6标准实施
折算项目
烟尘初始择放浓度
烟尘、二氨化排放浓度
烟尘,二氧化硫,氮氧化物排放浓度过盘空气系数
a—1, 7
6.1位于两控区内的炉,二氧化硫排救除执行本标准外,还应执行所在控制区规定的总基控制标准。6.2本标准由县级以上人民政府环境保护主管部门负责监督实施。3
小提示:此标准内容仅展示完整标准里的部分截取内容,若需要完整标准请到上方自行免费下载完整标准文档。
标准图片预览:





- 热门标准
- GB国家标准
- GB/T2828.1-2012 计数抽样检验程序 第1部分:按接收质量限(AQL)检索的逐批检验抽样计划
- GB/T228.1-2021 金属材料 拉伸试验 第1部分:室温试验方法
- GB/T7534-1987 工业用挥发性有机液体沸程的测定
- GB/T3836.1-2021 爆炸性环境 第1部分:设备 通用要求
- GB/T4100-2015 陶瓷砖
- GB/T10125-2021 人造气氛腐蚀试验 盐雾试验
- GB/T50772-2012 木结构工程施工规范
- GB/T30835-2014 锂离子电池用炭复合磷酸铁锂正极材料
- GB50666-2011 混凝土结构工程施工规范
- GB/T15449-1995 管壳额定开关用场效应晶体管空白详细规范
- GB/T18204.4-2000 公共场所毛巾、床上卧具微生物检验方法细菌总数测定
- GB8552-1987 电子器件详细规范 低功率非线绕固定电阻器 RJ13型金属膜固定电阻器评定水平E(可供认证用)
- GB5226.1-2019 机械电气安全 机械电气设备 第1部分:通用技术条件
- GB50303-2015 建筑电气工程施工质量验收规范
- GB/T20976-2023 软冰淇淋预拌粉质量要求
- 行业新闻
网站备案号:湘ICP备2025141790号-2