- 您的位置:
- 标准下载网 >>
- 标准分类 >>
- 国家标准(GB) >>
- GB∕T 39061-2020 汽车产品召回编号规则与编号应用
- 标准号: - GB∕T 39061-2020
- 标准名称: - 汽车产品召回编号规则与编号应用
- 标准类别: - 国家标准(GB)
- 标准状态: 现行
- 出版语种: 简体中文
- 下载格式: .rar .pdf
- 下载大小: 
 标准内容
标准内容部分标准内容:
					
					-rrKaeerKAca-
ICS43.020
中华人民共和国国家标准
GB/T39061—2020
汽车产品召回编号规则与编号应用Recall numbering rules and application for motor vehicle product2020-09-29发布
国家市场监督管理总局
国家标准化管理委员会
2021-04-01实施
-rrKaeerKAca-
GB/T39061—2020
2术语和定义
基本要求
编号规则
编号应用
-riKaeerKAca-
本标准按照GB/T1.1—2009给出的规则起草GB/T39061—2020
本标准由全国产品缺陷和安全管理标准化技术委员会(SAC/TC463)提出并归口。本标准起草单位:中国标准化研究院、国家市场监督管理总局缺陷产品管理中心本标准主要起草人:王琰、肖凌云、巫小波、董红磊、高亚、李文昭、王素晨、尹彦、任毅、胡文浩、刘乐。1
-riKaeerKAca-
1范围
汽车产品召回编号规则与编号应用本标准规定了汽车产品召回编号的基本要求、编号规则和编号应用。本标准适用于汽车产品召回活动的标识和召回记录追溯,术语和定义
下列术语和定义适用于本文件。2.1
召回recall
生产者对其已销售的汽车产品采取措施消除缺陷的活动。2.2
numbering
用预先规定的方法将文字、数字或其他对象进行编码的过程。2.3
召回编号
recallnumbering
用于召回活动管理的一组规范化编码。基本要求
召回编号应遵循唯一性、稳定性、一致性和可扩展性原则,具体要求如下:唯一性:
一个召回活动只能赋予一个召回编号。稳定性:
GB/T39061—2020
一个召回编号被永久地赋予一个召回活动,不能被更改、替换或者重新使用。致性:
召回编号应与相关法规标准相一致。可扩展性:
召回编号应留有适当的后备容量,以便适应不断扩充的需要。4编号规则
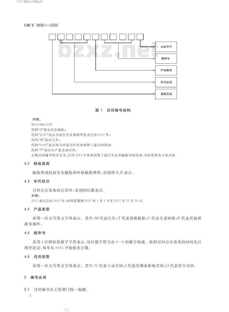
编号结构
召回编号应由缺陷类别、年代标识、产品类型、顺序号和召回类型五部分组成。必要时,可在尾部加尾注。召回编号结构如图1所示。-riKaeerKAca-
GB/T39061—2020
示例:
S2015M0002V
代码“S\表示安全缺陷:
召回编号结构
代码“2015”表示召回公告发布的年份为公历2015年:代码“M”表示汽车;
代码“0002”表示该召回是当年发布的第2起召回活动;代码“V”表示生产者主动召回。在回类型免费标准下载网bzxz
顺序号
产品类型
年代标识
缺陷炎
示例召回编号的含义为:公历2015年发布的第2起汽车安全缺陷召回活动,召回类型为主动召回。4.2
缺陷类别
缺陷类别包括安全缺陷和环保缺陷两类,分别用S、E表示。3年代标识
召回公告发布的公历年,采用四位数表示。示例:
2015表示公历2015年,时间范围指2015年1月1日至2015年12月31日。4.4
产品类型
采用一位大写英文字母表示。其中,M代表汽车;T代表替换轮胎;C代表儿童座椅;E代表其他替换零部件。
5顺序号
采用4位阿拉伯数字字符表示,每位数字符号由0~9的数字构成。按照召回公告发布的时间先后顺序给定,每年从0001开始依次计数。4.6
召回类型
采用一位大写英文字母表示。其中,V代表主动召回I代表受调查影响召回;代表责令召回。5编号应用
5.1召回编号由主管部门统一编制。2
-riKaeerKAca-
GB/T39061—2020
2生产者在召回计划备案资料、召回通知书、召回阶段性报告和召回总结报告等文件或资料上应注5.2
明召回编号
3召回日常管理与实施过程中应在相关文件或资料上注明召回编号,作为召回记录追溯的依据。5.3
小提示:此标准内容仅展示完整标准里的部分截取内容,若需要完整标准请到上方自行免费下载完整标准文档。
	 
	        
	      ICS43.020
中华人民共和国国家标准
GB/T39061—2020
汽车产品召回编号规则与编号应用Recall numbering rules and application for motor vehicle product2020-09-29发布
国家市场监督管理总局
国家标准化管理委员会
2021-04-01实施
-rrKaeerKAca-
GB/T39061—2020
2术语和定义
基本要求
编号规则
编号应用
-riKaeerKAca-
本标准按照GB/T1.1—2009给出的规则起草GB/T39061—2020
本标准由全国产品缺陷和安全管理标准化技术委员会(SAC/TC463)提出并归口。本标准起草单位:中国标准化研究院、国家市场监督管理总局缺陷产品管理中心本标准主要起草人:王琰、肖凌云、巫小波、董红磊、高亚、李文昭、王素晨、尹彦、任毅、胡文浩、刘乐。1
-riKaeerKAca-
1范围
汽车产品召回编号规则与编号应用本标准规定了汽车产品召回编号的基本要求、编号规则和编号应用。本标准适用于汽车产品召回活动的标识和召回记录追溯,术语和定义
下列术语和定义适用于本文件。2.1
召回recall
生产者对其已销售的汽车产品采取措施消除缺陷的活动。2.2
numbering
用预先规定的方法将文字、数字或其他对象进行编码的过程。2.3
召回编号
recallnumbering
用于召回活动管理的一组规范化编码。基本要求
召回编号应遵循唯一性、稳定性、一致性和可扩展性原则,具体要求如下:唯一性:
一个召回活动只能赋予一个召回编号。稳定性:
GB/T39061—2020
一个召回编号被永久地赋予一个召回活动,不能被更改、替换或者重新使用。致性:
召回编号应与相关法规标准相一致。可扩展性:
召回编号应留有适当的后备容量,以便适应不断扩充的需要。4编号规则
编号结构
召回编号应由缺陷类别、年代标识、产品类型、顺序号和召回类型五部分组成。必要时,可在尾部加尾注。召回编号结构如图1所示。-riKaeerKAca-
GB/T39061—2020
示例:
S2015M0002V
代码“S\表示安全缺陷:
召回编号结构
代码“2015”表示召回公告发布的年份为公历2015年:代码“M”表示汽车;
代码“0002”表示该召回是当年发布的第2起召回活动;代码“V”表示生产者主动召回。在回类型免费标准下载网bzxz
顺序号
产品类型
年代标识
缺陷炎
示例召回编号的含义为:公历2015年发布的第2起汽车安全缺陷召回活动,召回类型为主动召回。4.2
缺陷类别
缺陷类别包括安全缺陷和环保缺陷两类,分别用S、E表示。3年代标识
召回公告发布的公历年,采用四位数表示。示例:
2015表示公历2015年,时间范围指2015年1月1日至2015年12月31日。4.4
产品类型
采用一位大写英文字母表示。其中,M代表汽车;T代表替换轮胎;C代表儿童座椅;E代表其他替换零部件。
5顺序号
采用4位阿拉伯数字字符表示,每位数字符号由0~9的数字构成。按照召回公告发布的时间先后顺序给定,每年从0001开始依次计数。4.6
召回类型
采用一位大写英文字母表示。其中,V代表主动召回I代表受调查影响召回;代表责令召回。5编号应用
5.1召回编号由主管部门统一编制。2
-riKaeerKAca-
GB/T39061—2020
2生产者在召回计划备案资料、召回通知书、召回阶段性报告和召回总结报告等文件或资料上应注5.2
明召回编号
3召回日常管理与实施过程中应在相关文件或资料上注明召回编号,作为召回记录追溯的依据。5.3
小提示:此标准内容仅展示完整标准里的部分截取内容,若需要完整标准请到上方自行免费下载完整标准文档。
 标准图片预览
标准图片预览 标准图片预览:





- 其它标准
- 热门标准
- 国家标准
- GB/T21666-2008 尿吸收辅助器具 评价的一般指南
- GB/T2828.1-2012 计数抽样检验程序 第1部分:按接收质量限(AQL)检索的逐批检验抽样计划
- GB/T32999-2016 表面化学分析 深度剖析 用机械轮廓仪栅网复型法测量溅射速率
- GB/T39454-2020 国际贸易业务数据规范货物跟踪与追溯
- GB/T13589-2007 锌及锌合金废料
- GB28355-2012 食品添加剂 水杨酸甲酯(柳酸甲酯)
- GB/T13070-1991 铀矿石中铀的测定 电位滴定法
- GB/T38948-2020 沥青混合料低温抗裂性能评价方法
- GB/T38604.4-2020 公共信息导向系统 评价要求 第4部分:公共汽电车车站
- GB/T19561-2004 寒地节能日光温室建造规程
- GB/T7574-1987 信息处理交换用磁带标号和文卷结构
- GB/T24715-2009 氧源转换器
- GB14880-2012 食品营养强化剂使用标准
- GB/T10006-2021 塑料 薄膜和薄片 摩擦系数的测定
- GB/T38774-2020 永磁调速器 通用技术规范
- 行业新闻
请牢记:“bzxz.net”即是“标准下载”四个汉字汉语拼音首字母与国际顶级域名“.net”的组合。 ©2025 标准下载网 www.bzxz.net 本站邮件:bzxznet@163.com
网站备案号:湘ICP备2025141790号-2
网站备案号:湘ICP备2025141790号-2
