- 您的位置:
- 标准下载网 >>
- 标准分类 >>
- 轻工行业标准(QB) >>
- QB/T 3502-1999 棉条筒钢纸板
标准号:
QB/T 3502-1999
标准名称:
棉条筒钢纸板
标准类别:
轻工行业标准(QB)
英文名称:
Sliver can steel paperboard标准状态:
已作废-
发布日期:
1999-04-21 -
实施日期:
1999-04-21 出版语种:
简体中文下载格式:
.rar.pdf下载大小:
133.35 KB
中标分类号:
轻工、文化与生活用品>>造纸>>Y31纸浆与纸板
相关标签:
纸板
部分标准内容:
中华人民共和国轻工行业标准
棉条简筒钢纸板
Vulanized fiber for the cotton yarn container主题内容与适用范围
QB/T3502—1999
代替ZBY31002—1987
本标准规定了棉条简钢纸板的产品分类、技术要求、试验方法、检验规则和标志、包装、运输、贮存的要求。
本标准适用于原纸经氯化锌胶化而成的钢纸板,供纺织行业做棉条筒用的材料。2产品分类
2.1棉条筒钢纸板按质量分为A和B两级。2.2棉条筒钢纸板的尺寸为:
780mmX1200mm
1000mm X 1200mm
1330mm X1200mm
1500mmX1200mm
1860mm X 1200mm
870mm ×1200mm
1200mm X1200mm
1470mm X 1200mm
1630mmX1200mm
1980mmX1200mm
或按定货合同的规定,尺寸偏差不许超过士20mm。偏斜度不许超过下列规定:
按规格尺寸大小规定1330mm×1200mm以下的棉条简偏斜度为10mm,1470mm×1200mm以上的棉条筒偏斜度为15mm。
2.3厚度与偏差见表1。
指标名称
厚度,mm
3技术要求
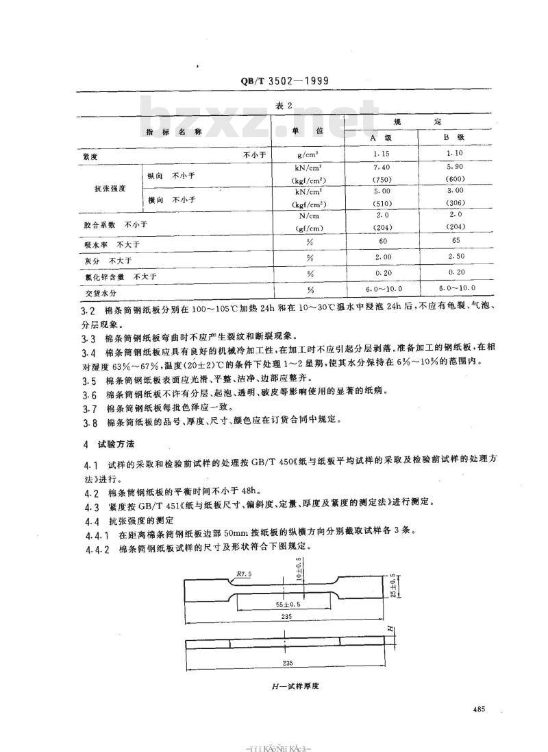
3.1棉条简钢纸板的技术指标必须符合表2规定。国家轻工业局1999-04-21批准
棉条简钢纸板
1999-03-01实施
抗张强度
指标名称
纵向不小于
横向 不小于
胶合系数不小于
吸水率 不大于
灰分 不大于
氯化锌含量不大于
交货水分此内容来自标准下载网
QB/T3502
—1999
不小于
kN/cm2
(kgf/cm2))
kN/cm2
(kgf/cm2)
(gf/cm)
6. 0~10.0
(306)
3.2棉条筒钢纸板分别在100~105℃加热24h和在10~30℃温水中浸泡24h后,不应有龟裂、气泡、分层现象。
3.3棉条简钢纸板弯曲时不应产生裂纹和断裂现象。3.4棉条简钢纸板应具有良好的机械冷加工性,在加工时不应引起分层剥落。准备加工的钢纸板,在相对湿度63%~~67%,温度(20士2)℃的条件下处理1~~2星期,使其水分保持在6%~10%的范围内。3.5棉条筒钢纸板表面应光滑、平整、洁净、边部应整齐。3.6棉条简钢纸板不许有分层、起泡、透明、破皮等影响使用的显著的纸病。3.7棉条简钢纸板每批色泽应一致。3.8棉条筒纸板的品号、厚度、尺寸、额色应在订货合同中规定。4试验方法
4.1试样的采取和检验前试样的处理按GB/T450《纸与纸板平均试样的采取及检验前试样的处理方法》进行。
4.2棉条筒钢纸板的平衡时间不小于48h。4.3紧度按GB/T451《纸与纸板尺寸、偏斜度、定量、厚度及紧度的测定法》进行测定。4.4抗张强度的测定
4.4.1在距离棉条筒钢纸板边部50mm按纸板的纵横方向分别截取试样各3条。4.4.2棉条简钢纸板试样的尺寸及形状符合下图规定。90F0
H-—试样厚度
Hr KAONi KAca-
4.4.3试验步骤
QB/T 3502-1999
测量试样的各部厚度精确至0.05mm,取5点的平均值为测量结果。4.4.4将准备好的试样置于万能材料试验机的两夹具之间夹牢,以每分钟1470~1225kN(125~150kgf)的负荷速度施加张力直至试样破裂为止,记录所施加张力数以三次测定值的算术平均值表示测定结果。
4.4.5计算
单位横截面抗张力按式(1)进行计算:Q=
式中;Q-—单位横截面抗张力,N/cm2(kgf/cm);P-试样的抗张力,N(kgf);
F-试验前试样的横截面积,cm。
:计算准确至0.001N/cm2。
4.5胶合系数的测定
4.5.1距硬钢纸板的边部不少于50mm,纸板纵向截取长100mm×30mm的试样3块,在不大于294kN(30kgf)抗张强度测定仪上测定胶合系数。4.5.2试验步骤
将试样置于(20士2)C的蒸馏水中浸泡24h后取出,将试样一端的中间部位用刀尖夹剥出,然后用手撕开30mm,将裂开的两端分别夹紧在抗张强度测定仪上下两个夹头上。两夹头间的距离为30mm,然后开动拉力机,使下夹均匀下降,直至指针不再移动为止,以三次测定值的算术平均值表示测定结果。4.5.3计算
胶合系数按式(2)进行计算:
式中:K——胶合系数,mN/cm;
F---粘着力,mN,
D一-试样宽度,cm。
4.6氯化锌含量的测定
首先将硬钢纸板试样切成2cm×2cm小块,称取2.5g试样两份。把一份置于100~105℃烘箱中烘至恒重,另一份置于250mL锥形瓶中,然后加人蒸馏水150mL左右,再加人3%的双氧水2~4mL,放在电炉上煮沸15min左右,将其抽提液倾人250mL容量瓶中,再注人装有试样的锥形瓶中加150mL蒸馏水(此次不加双氧水),经第二次煮沸15min后,将抽提液混合于250mL容量瓶中,冷却至20C,稀释至刻线,吸取该液50mL加入150mL锥形瓶中,再加入5%铬酸钾0.4mL,用0.01M的硝酸银溶液滴定至桔红色为止,氯化锌含量按式(3)进行计算:氯化锌含量(%)=V×068 2×5×100w。
式中:V-
耗用硝酸银溶液的体积,mL,
N—硝酸银溶液的摩尔浓度,mol/L;W。--干燥试样质量,g
0.0682——氯化锌换算系数。
(3)
4.7棉条简钢纸板偏斜度的测定
对角线的测定方法:首先用卷尺测量棉条简钢纸板横向左角与其斜对角的长度,再用卷尺测量棉条筒钢纸板横向右角与其对角的长度,两斜对角线的长度误差不许超过10~15mm,即棉条簡钢纸板偏斜度为合格。
5检验规则
QB/T 3502—1999
按GB/T2828《逐批检查计数抽样程序及抽样表(适用于连续批的检查)》规定进行。5.1交收试验项目分组顺序及其检查水平和合格质量水平(AQL)按表3规定:表3
缺陷类型
重缺陷
轻缺陷
指标名称
抗张强度
氯化锌含量
胶合系数
吸水率
5.2棉条筒钢纸板交收试验批的单位产品按包装单位以箱纸板计。检查水平
合格质量水平(AQI)
5.3采用二次正常抽样检查方法,从样本单位中采取试样及处理应按GB/T450《纸与纸板平均试样的采取及检验前试样的处理方法》中“(2)每个包装单位中平均试样的采取”执行。5.4生产厂必须采取有效措施,切实保证纸板质量符合本标准规定,每件附有合格证、说明书一份。收货方对产品质量持有怀疑时,有权按本标准的规定进行验收,但抽样时应有生产厂方在场,委托检验单位须经双方同意。
6标志、包装、运输、贮存
6.1棉条简钢纸板的包装和标志按QB/T45《纸张的包装和标志》的规定执行。6.2棉条简钢纸板用木箱包装,经用户同意,在保证钢纸板质量的情况下,允许使用木夹板包装和软包装。
6.3每件重量分别为200kg、150kg或按定货合同规定。6.4每个木箱应标上:工厂名称、产品名称、产品规格、净重、毛重、生产日期、标准号码,此外本箱上应有大字标明“注意防潮”字样。6.5棉条简钢纸板应放在干燥处保管,经常保持相对湿度60%~70%和温度10~25℃的条件,置于干燥的地板上或木架上防止受大气凝结物和地面潮气的影响。6.6棉条简钢纸板不应靠近墙壁和传热系统。6.7棉条简钢纸板应用有篷而洁净的运输工具运输。6.8包装件不许从高处往下扔。
附加说明:
本标准由轻工业部造纸工业局提出。本标准由轻工业部造纸工业科学研究所归口。本标准由牡丹江钢纸总厂负责起草。自本标准实施之日起,原轻工业部部标准QB368-1963《棉条简钢纸板》作废。487
iKAoNiKAca
小提示:此标准内容仅展示完整标准里的部分截取内容,若需要完整标准请到上方自行免费下载完整标准文档。
棉条简筒钢纸板
Vulanized fiber for the cotton yarn container主题内容与适用范围
QB/T3502—1999
代替ZBY31002—1987
本标准规定了棉条简钢纸板的产品分类、技术要求、试验方法、检验规则和标志、包装、运输、贮存的要求。
本标准适用于原纸经氯化锌胶化而成的钢纸板,供纺织行业做棉条筒用的材料。2产品分类
2.1棉条筒钢纸板按质量分为A和B两级。2.2棉条筒钢纸板的尺寸为:
780mmX1200mm
1000mm X 1200mm
1330mm X1200mm
1500mmX1200mm
1860mm X 1200mm
870mm ×1200mm
1200mm X1200mm
1470mm X 1200mm
1630mmX1200mm
1980mmX1200mm
或按定货合同的规定,尺寸偏差不许超过士20mm。偏斜度不许超过下列规定:
按规格尺寸大小规定1330mm×1200mm以下的棉条简偏斜度为10mm,1470mm×1200mm以上的棉条筒偏斜度为15mm。
2.3厚度与偏差见表1。
指标名称
厚度,mm
3技术要求
3.1棉条简钢纸板的技术指标必须符合表2规定。国家轻工业局1999-04-21批准
棉条简钢纸板
1999-03-01实施
抗张强度
指标名称
纵向不小于
横向 不小于
胶合系数不小于
吸水率 不大于
灰分 不大于
氯化锌含量不大于
交货水分此内容来自标准下载网
QB/T3502
—1999
不小于
kN/cm2
(kgf/cm2))
kN/cm2
(kgf/cm2)
(gf/cm)
6. 0~10.0
(306)
3.2棉条筒钢纸板分别在100~105℃加热24h和在10~30℃温水中浸泡24h后,不应有龟裂、气泡、分层现象。
3.3棉条简钢纸板弯曲时不应产生裂纹和断裂现象。3.4棉条简钢纸板应具有良好的机械冷加工性,在加工时不应引起分层剥落。准备加工的钢纸板,在相对湿度63%~~67%,温度(20士2)℃的条件下处理1~~2星期,使其水分保持在6%~10%的范围内。3.5棉条筒钢纸板表面应光滑、平整、洁净、边部应整齐。3.6棉条简钢纸板不许有分层、起泡、透明、破皮等影响使用的显著的纸病。3.7棉条简钢纸板每批色泽应一致。3.8棉条筒纸板的品号、厚度、尺寸、额色应在订货合同中规定。4试验方法
4.1试样的采取和检验前试样的处理按GB/T450《纸与纸板平均试样的采取及检验前试样的处理方法》进行。
4.2棉条筒钢纸板的平衡时间不小于48h。4.3紧度按GB/T451《纸与纸板尺寸、偏斜度、定量、厚度及紧度的测定法》进行测定。4.4抗张强度的测定
4.4.1在距离棉条筒钢纸板边部50mm按纸板的纵横方向分别截取试样各3条。4.4.2棉条简钢纸板试样的尺寸及形状符合下图规定。90F0
H-—试样厚度
Hr KAONi KAca-
4.4.3试验步骤
QB/T 3502-1999
测量试样的各部厚度精确至0.05mm,取5点的平均值为测量结果。4.4.4将准备好的试样置于万能材料试验机的两夹具之间夹牢,以每分钟1470~1225kN(125~150kgf)的负荷速度施加张力直至试样破裂为止,记录所施加张力数以三次测定值的算术平均值表示测定结果。
4.4.5计算
单位横截面抗张力按式(1)进行计算:Q=
式中;Q-—单位横截面抗张力,N/cm2(kgf/cm);P-试样的抗张力,N(kgf);
F-试验前试样的横截面积,cm。
:计算准确至0.001N/cm2。
4.5胶合系数的测定
4.5.1距硬钢纸板的边部不少于50mm,纸板纵向截取长100mm×30mm的试样3块,在不大于294kN(30kgf)抗张强度测定仪上测定胶合系数。4.5.2试验步骤
将试样置于(20士2)C的蒸馏水中浸泡24h后取出,将试样一端的中间部位用刀尖夹剥出,然后用手撕开30mm,将裂开的两端分别夹紧在抗张强度测定仪上下两个夹头上。两夹头间的距离为30mm,然后开动拉力机,使下夹均匀下降,直至指针不再移动为止,以三次测定值的算术平均值表示测定结果。4.5.3计算
胶合系数按式(2)进行计算:
式中:K——胶合系数,mN/cm;
F---粘着力,mN,
D一-试样宽度,cm。
4.6氯化锌含量的测定
首先将硬钢纸板试样切成2cm×2cm小块,称取2.5g试样两份。把一份置于100~105℃烘箱中烘至恒重,另一份置于250mL锥形瓶中,然后加人蒸馏水150mL左右,再加人3%的双氧水2~4mL,放在电炉上煮沸15min左右,将其抽提液倾人250mL容量瓶中,再注人装有试样的锥形瓶中加150mL蒸馏水(此次不加双氧水),经第二次煮沸15min后,将抽提液混合于250mL容量瓶中,冷却至20C,稀释至刻线,吸取该液50mL加入150mL锥形瓶中,再加入5%铬酸钾0.4mL,用0.01M的硝酸银溶液滴定至桔红色为止,氯化锌含量按式(3)进行计算:氯化锌含量(%)=V×068 2×5×100w。
式中:V-
耗用硝酸银溶液的体积,mL,
N—硝酸银溶液的摩尔浓度,mol/L;W。--干燥试样质量,g
0.0682——氯化锌换算系数。
(3)
4.7棉条简钢纸板偏斜度的测定
对角线的测定方法:首先用卷尺测量棉条简钢纸板横向左角与其斜对角的长度,再用卷尺测量棉条筒钢纸板横向右角与其对角的长度,两斜对角线的长度误差不许超过10~15mm,即棉条簡钢纸板偏斜度为合格。
5检验规则
QB/T 3502—1999
按GB/T2828《逐批检查计数抽样程序及抽样表(适用于连续批的检查)》规定进行。5.1交收试验项目分组顺序及其检查水平和合格质量水平(AQL)按表3规定:表3
缺陷类型
重缺陷
轻缺陷
指标名称
抗张强度
氯化锌含量
胶合系数
吸水率
5.2棉条筒钢纸板交收试验批的单位产品按包装单位以箱纸板计。检查水平
合格质量水平(AQI)
5.3采用二次正常抽样检查方法,从样本单位中采取试样及处理应按GB/T450《纸与纸板平均试样的采取及检验前试样的处理方法》中“(2)每个包装单位中平均试样的采取”执行。5.4生产厂必须采取有效措施,切实保证纸板质量符合本标准规定,每件附有合格证、说明书一份。收货方对产品质量持有怀疑时,有权按本标准的规定进行验收,但抽样时应有生产厂方在场,委托检验单位须经双方同意。
6标志、包装、运输、贮存
6.1棉条简钢纸板的包装和标志按QB/T45《纸张的包装和标志》的规定执行。6.2棉条简钢纸板用木箱包装,经用户同意,在保证钢纸板质量的情况下,允许使用木夹板包装和软包装。
6.3每件重量分别为200kg、150kg或按定货合同规定。6.4每个木箱应标上:工厂名称、产品名称、产品规格、净重、毛重、生产日期、标准号码,此外本箱上应有大字标明“注意防潮”字样。6.5棉条简钢纸板应放在干燥处保管,经常保持相对湿度60%~70%和温度10~25℃的条件,置于干燥的地板上或木架上防止受大气凝结物和地面潮气的影响。6.6棉条简钢纸板不应靠近墙壁和传热系统。6.7棉条简钢纸板应用有篷而洁净的运输工具运输。6.8包装件不许从高处往下扔。
附加说明:
本标准由轻工业部造纸工业局提出。本标准由轻工业部造纸工业科学研究所归口。本标准由牡丹江钢纸总厂负责起草。自本标准实施之日起,原轻工业部部标准QB368-1963《棉条简钢纸板》作废。487
iKAoNiKAca
小提示:此标准内容仅展示完整标准里的部分截取内容,若需要完整标准请到上方自行免费下载完整标准文档。
标准图片预览:




- 其它标准
- 上一篇: QB/T 2391-1998 糖水枇杷罐头
- 下一篇: QB/T 3505-1999 字型纸板
- 热门标准
- 轻工行业标准(QB)
- QB/T5302-2018 生活用干纸巾流延聚乙烯(CPE) 包装膜
- QB/T2833-2006 运动营养食品 能量控制食品
- QB/T2058-1994 照相灯泡
- QB/T1949-2004 扬琴
- QB/T1819-1993 R6纸板电池生产线
- QB/T2956-2008 皮鞋外底
- QB/T2173-2001 尼龙拉链
- QB/T2421-1998 铝及铝合金不粘锅
- QB/T1753.3-1993 轻机产品图样及设计文件规定格式及填写要求
- QB2176-1995 非公路自行车安全要求
- QB/T4704-2014 腿脚按摩器
- QB/T1272-2012 毛皮 化学试验样品的准备
- QB/T1660-1992 猪鬃
- QB/T2674-2004 皮鞋试穿检验规则
- QB/T4427-2012 芸香浸膏 枫香树脂提取物
- 行业新闻
请牢记:“bzxz.net”即是“标准下载”四个汉字汉语拼音首字母与国际顶级域名“.net”的组合。 ©2025 标准下载网 www.bzxz.net 本站邮件:bzxznet@163.com
网站备案号:湘ICP备2025141790号-2
网站备案号:湘ICP备2025141790号-2