- 您的位置:
- 标准下载网 >>
- 标准分类 >>
- 化工行业标准(HG) >>
- HG∕T 5137-2016 C.I.反应黄174
标准号:
HG∕T 5137-2016
标准名称:
C.I.反应黄174
标准类别:
化工行业标准(HG)
标准状态:
现行出版语种:
简体中文下载格式:
.rar .pdf下载大小:
相关标签:
反应
部分标准内容:
ICS71.100.01:87.060.10
备案号:56337--2016
中华人民共和国化工行业标准
HG/T 5137--2016
C.I.反应黄174
C.I.Reactiveyellow174
2016-10-22发布
2017-04-01实施
小华人民和厂业利信息化部发布前言
HG/T5137—2016
本标准按照GB/T1.1—2009标准化T.作导则」第1部分:标谁的结构和编与》给出的规则起草。
本标准比中国有油和化学工业联合会提出本标准由全国染料标准化技术委员会(SAC\TC131)归口,本标准起草单位:湖北丽源科技股份有限公司、沈阳化工研究院有限公可、国家染料质量监督检验中心。
本标准主婴起草人:马芥庆、尚爱国、姬兰琴、王勇,2:1
1范围
C.I.反应黄174
IIG/T5137—2016
本标准规定厂C.1.反应黄174产品的要求,采样,试验方法,检验规则以标志、标签、包装、运输和览存:
本标准适用于 (. 1. 反应黄 17.1 的产品质虽控制。结恂式:
分子式: tan H2:FN:NasO::S.
NNNHCH,CH,OCH,CHSO,CH--CH.
相对分子质:885.74(按2013年国际树对原子质量)CAS RN: 106358-91-5
2规范性引用文件
下列义件对下本文件的应用是必不可少的。凡是注H期的引用文件,仅注H期的版本适用在文件。儿是不注川期的引用文件。其最新版本(包括所有的修改单)适用本文件。GB/T2374-2007染料:染色测定的一般条件规定染料染料中间体不济物质含量的测GB/T 238l : 2013
GB/T 2386—201+
GB/T 23872013
GB/T 2390染料
(B/r 2391—2014
架料及染料中间体水分的測定
反应染料色光和强度的测定
pI值的测定
反应染料固色率的测定
水溶性染料济解度利溶液稳定性的测定GB/T 3G71. 1—1996
GB/T 3920 2008
GR/T 3921-2008
GB/T 3922—2013
GB/T 4841. 1
金耐辫擦色牢度
纺织品
牢度试验
纺织品
纺织品
(13/T 6152—1997
G$/1 6678
GB/1 6688
GB/T 6693
GB/T 8127—2008
GB/T $133
GB/T14576—2009
CR [960]
色牢度试验耐它洗色牢度
他牢度试验
耐江渍色牢度
染料染色标雄深度色1/1
色牢度试验耐热压色度
统织品
化「产品翠样总则
染料相对强度和色差的测定仪器法染料粉尘飞扬性的浏定
纺织品
纺织品
窈织品
色牢度试验
耐人造光色牢度:
色牢度试验耐氯化水色牢度(游泳池水)色牢度试验耐光、汗复个色牛度染料产品中23种有吉芳香胺的限量及测定(25)
KAONiKAca
HG/T5137--2016
染料产品中重金属元素的限量及测GB 20811
GB/T2+101染料品中1-氢基偶氮装的限量及测定3要求
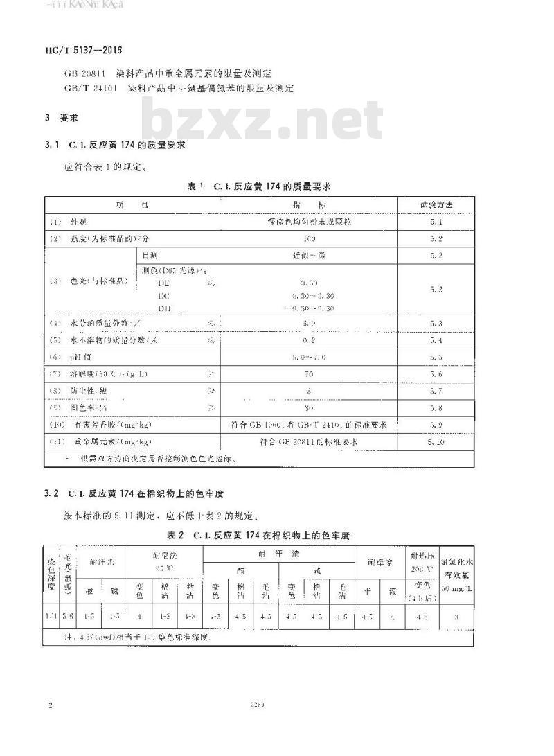
3.1.1.反应黄174的质量要求
应符合表1的规定。
表 1 C. I. 反应黄 174 的质量要求项
(2)颁度(为标准品的)7分
测的([6源
色光』绿洋品)
水分的质量分效:兴
水不淬物的质世分数/
释解度(50(g-L)
(8)防尘性级
固色率/学
有害芳乔腰rug/kg)
重余扇方素mg:ky)
深综包均匀粉未或颗粒
近似崴
0. 30 ---0. 30
5, 0.-7. 0)
符衍合B[HUl和GR/T 24[n 的标准要求符合GB 20811 的标准要求
供需效方协商决定是作控制测色色光接标,3.2C1.反应黄174在棉织物上的色牢度按在标准的5.11测定,应不低」表2的规定。表 2 C. 1. 反应黄 174 在棉织物上的色牢度临光(欣姬)
樂色深度
耐汗光
注:4(ow)H当于1:染的标准深度,腋
耐汗溃
耐率擦
-1-号
试验方法
耐热压
(h后)
谢愈化水
有效款
50mg/L
KAoNiKAca
4采样
HG/I5137—2016
以批为单位采样,一次拼混均勺的产品为-批。每批采样件数成符合《B/T66782003中7.6的规定。所采样产品的包装必须完好、样时勿使外界杂质落人产品巾。用探管从上、中,下部分采样,所采样品总量不得少于200)名,将采得的样品充分混句后。分装十两个清洁、下燥、牵封良好的容器中。其上粘贴标签,注明产品名称、批号、生产厂名称、取样口期和地点。·个供检验,另一个保存备查。
5试验方法
5.1外观的评定
在白然北暨光下且视评定,
5.2色光和强度的测定
5.2. 1 染色一般条件
染色时的一般条件应符合(G13/T2374--2007的有关规定。染色操作按GB/T2387—2013中6.1的规定逃行。
染色5g棉布,棉针织布或棉纱,染色浴比为1:40或1:20(在染色均匀的前提下,也可根据实际情况选择其他浴比):染色深度:2兴(w)5.2.2染浴的配制
以棉布、棉针织布或棉纱染色,采用1:40的浴比为例.于5个染杯中按衣3的规定配制染浴,如采用1:20的浴比染色,表3中硫酸钠、碳酸钠用量减少一半,总液量减少半,如用10g棉纱或棉针织布,深用1:20的浴比,表3中染料用量增加1倍,表3染浴的配制
单位为老升
染浴组分
2g/1.染料标准品济液
22/L染科样品溶被
200g/1.无水硫酸纳溶液
2C0 g/1 碳酸钠溶液
燕馏水
5.2.3染色操作
染样编号和染浴各组分的体积
按G3/T2387—2013中6.1.5的规定进行吸色温度和固色温度均为40℃。5. 2. 4皂煮
按G13/T23872013中6.1.6的规定逃行。(27)
-TTKAONiKAca
HG/T 5137--2016
5.2.5色光和强度的评定
按GB/T237]一2007第7帝的有关规定逃行。按(GB/T6688-2008第6章的规定测定测色色光,测色色差按(MC(2:1)色差公式让算。5.3水分的测定
接GB/T23862011年3.2烘1法的规定进行。5.4水不溶物的测定
按G3/T2381一2013中有关水溶性染料的规定进行。5.5pH值的测定
按GI3/T’2390的规定进行。
5.6溶解度的测定
按GB/I 3671.11996 的规进行,溶解温度为50℃2C,5.7防尘性的测定
按G上/6693一2009中关日测法的规定迹行。5.8固色率的测定
按1/T2391201-中6.2的现定逆行。助剂用量,染色操作参照本标准5.2的规定。5.9有害芳香胺的测定
按GH1960】和GB/121[0】的现定进行。5.10重金属元素的测定
按G[3 208]4的规定进行。
5.11在棉织物上的色牢度的测定5.11. 1—般规定
所有色牢度的测试样应按GB/T 4841.1—2006的有关规定染成1/1染色标准深度。5. 11.2耐光色牢度的测定
按GB/T 8427--2C08的有关现定进行。5.11.3耐汗光色牢度的测定
按G3/T1J576--2009的有关规进行,酸、城汁液符合GB/T11576—2009中5.2和5.3的要求。
5.11.4耐皂洗色牢度的测定
按(G13/T3921:2008的规定进行。试验条件采用(B/T3921—2008丧2中的试验方法T)(4):()
-TYKAONIKAca
5.11.5耐汗渍色牢度的测定
按GH/T5922—2013的有关规定进行,5.11.6耐摩擦色牢度的测定
按GBT39202008的有关规定近行。5.11.7耐热压色牢度的测定
按GB/T 61521997的有关规定进行,200℃干压(4h后评定)。5.11.8耐氯化水色牢度的测定
HG/T 5137—2016
按G13/T84332013的有关规定进行。T作液按G13/T8133—2013中5.3的规定配制。6检验规则
6.1检验分类
本标准第3章所列的检验项目均为型式检验项月。H中本标准表1中(1)项~(8)项为出)检验项目,应逐批进行检验。
在正常连续牛产情况下,每年至少进行一次型式检捡验。伯如右下述情况需逃行型式检验新产品最初定型时;
h)产品异地生产时;
生产厅、艺及原材料有较人改变时:停产3个月后恢复牛产时:
客户提出要求时。
出广检验
(.1.反应黄17+应由生产厂的质量检验部门检验合格,附合格证明后方可出厂。牛产」应保证所有出厂的(. I、反应黄174产品均符合本标准的要求。6.3复检下载标准就来标准下载网
如果检验结果中有一项指标不符合本标准的要求,应重新自两倍量的包装中取样进行检验重新检验的结果即使只有-项指标不符合本标准的要求,则整批产品判定为不合格。7标志、标签、包装、运输和贮存7.1标志
1.反应英174的每个包装容上都应涂印耐久,清晰的标志,标志内容牟少应有:
a)产品名称;
h)产」名称、地址;
c)生产H期;
d)净含虽。
YKAoNiKAca
IG/T5137—2016
7.2标签
产品应有标签、标签上应注明产品生日期、合格证明、执行标雅编号、批号7.3包装
(. I.反成黄174装于内朔料袋的包装容器内。并川密时,每件净含量25 kg=0,2 kg。其他包装可与用户协商确定。
7.4运输
送输时应防止到罩,小心轻放,避免碰撞,切勿损坏包装7.5购存
C.「.反应黄174应存丁阴凉、下燥、涵风处,防止受潮、耍热。贮存期为6个月(3m)
小提示:此标准内容仅展示完整标准里的部分截取内容,若需要完整标准请到上方自行免费下载完整标准文档。
备案号:56337--2016
中华人民共和国化工行业标准
HG/T 5137--2016
C.I.反应黄174
C.I.Reactiveyellow174
2016-10-22发布
2017-04-01实施
小华人民和厂业利信息化部发布前言
HG/T5137—2016
本标准按照GB/T1.1—2009标准化T.作导则」第1部分:标谁的结构和编与》给出的规则起草。
本标准比中国有油和化学工业联合会提出本标准由全国染料标准化技术委员会(SAC\TC131)归口,本标准起草单位:湖北丽源科技股份有限公司、沈阳化工研究院有限公可、国家染料质量监督检验中心。
本标准主婴起草人:马芥庆、尚爱国、姬兰琴、王勇,2:1
1范围
C.I.反应黄174
IIG/T5137—2016
本标准规定厂C.1.反应黄174产品的要求,采样,试验方法,检验规则以标志、标签、包装、运输和览存:
本标准适用于 (. 1. 反应黄 17.1 的产品质虽控制。结恂式:
分子式: tan H2:FN:NasO::S.
NNNHCH,CH,OCH,CHSO,CH--CH.
相对分子质:885.74(按2013年国际树对原子质量)CAS RN: 106358-91-5
2规范性引用文件
下列义件对下本文件的应用是必不可少的。凡是注H期的引用文件,仅注H期的版本适用在文件。儿是不注川期的引用文件。其最新版本(包括所有的修改单)适用本文件。GB/T2374-2007染料:染色测定的一般条件规定染料染料中间体不济物质含量的测GB/T 238l : 2013
GB/T 2386—201+
GB/T 23872013
GB/T 2390染料
(B/r 2391—2014
架料及染料中间体水分的測定
反应染料色光和强度的测定
pI值的测定
反应染料固色率的测定
水溶性染料济解度利溶液稳定性的测定GB/T 3G71. 1—1996
GB/T 3920 2008
GR/T 3921-2008
GB/T 3922—2013
GB/T 4841. 1
金耐辫擦色牢度
纺织品
牢度试验
纺织品
纺织品
(13/T 6152—1997
G$/1 6678
GB/1 6688
GB/T 6693
GB/T 8127—2008
GB/T $133
GB/T14576—2009
CR [960]
色牢度试验耐它洗色牢度
他牢度试验
耐江渍色牢度
染料染色标雄深度色1/1
色牢度试验耐热压色度
统织品
化「产品翠样总则
染料相对强度和色差的测定仪器法染料粉尘飞扬性的浏定
纺织品
纺织品
窈织品
色牢度试验
耐人造光色牢度:
色牢度试验耐氯化水色牢度(游泳池水)色牢度试验耐光、汗复个色牛度染料产品中23种有吉芳香胺的限量及测定(25)
KAONiKAca
HG/T5137--2016
染料产品中重金属元素的限量及测GB 20811
GB/T2+101染料品中1-氢基偶氮装的限量及测定3要求
3.1.1.反应黄174的质量要求
应符合表1的规定。
表 1 C. I. 反应黄 174 的质量要求项
(2)颁度(为标准品的)7分
测的([6源
色光』绿洋品)
水分的质量分效:兴
水不淬物的质世分数/
释解度(50(g-L)
(8)防尘性级
固色率/学
有害芳乔腰rug/kg)
重余扇方素mg:ky)
深综包均匀粉未或颗粒
近似崴
0. 30 ---0. 30
5, 0.-7. 0)
符衍合B[HUl和GR/T 24[n 的标准要求符合GB 20811 的标准要求
供需效方协商决定是作控制测色色光接标,3.2C1.反应黄174在棉织物上的色牢度按在标准的5.11测定,应不低」表2的规定。表 2 C. 1. 反应黄 174 在棉织物上的色牢度临光(欣姬)
樂色深度
耐汗光
注:4(ow)H当于1:染的标准深度,腋
耐汗溃
耐率擦
-1-号
试验方法
耐热压
(h后)
谢愈化水
有效款
50mg/L
KAoNiKAca
4采样
HG/I5137—2016
以批为单位采样,一次拼混均勺的产品为-批。每批采样件数成符合《B/T66782003中7.6的规定。所采样产品的包装必须完好、样时勿使外界杂质落人产品巾。用探管从上、中,下部分采样,所采样品总量不得少于200)名,将采得的样品充分混句后。分装十两个清洁、下燥、牵封良好的容器中。其上粘贴标签,注明产品名称、批号、生产厂名称、取样口期和地点。·个供检验,另一个保存备查。
5试验方法
5.1外观的评定
在白然北暨光下且视评定,
5.2色光和强度的测定
5.2. 1 染色一般条件
染色时的一般条件应符合(G13/T2374--2007的有关规定。染色操作按GB/T2387—2013中6.1的规定逃行。
染色5g棉布,棉针织布或棉纱,染色浴比为1:40或1:20(在染色均匀的前提下,也可根据实际情况选择其他浴比):染色深度:2兴(w)5.2.2染浴的配制
以棉布、棉针织布或棉纱染色,采用1:40的浴比为例.于5个染杯中按衣3的规定配制染浴,如采用1:20的浴比染色,表3中硫酸钠、碳酸钠用量减少一半,总液量减少半,如用10g棉纱或棉针织布,深用1:20的浴比,表3中染料用量增加1倍,表3染浴的配制
单位为老升
染浴组分
2g/1.染料标准品济液
22/L染科样品溶被
200g/1.无水硫酸纳溶液
2C0 g/1 碳酸钠溶液
燕馏水
5.2.3染色操作
染样编号和染浴各组分的体积
按G3/T2387—2013中6.1.5的规定进行吸色温度和固色温度均为40℃。5. 2. 4皂煮
按G13/T23872013中6.1.6的规定逃行。(27)
-TTKAONiKAca
HG/T 5137--2016
5.2.5色光和强度的评定
按GB/T237]一2007第7帝的有关规定逃行。按(GB/T6688-2008第6章的规定测定测色色光,测色色差按(MC(2:1)色差公式让算。5.3水分的测定
接GB/T23862011年3.2烘1法的规定进行。5.4水不溶物的测定
按G3/T2381一2013中有关水溶性染料的规定进行。5.5pH值的测定
按GI3/T’2390的规定进行。
5.6溶解度的测定
按GB/I 3671.11996 的规进行,溶解温度为50℃2C,5.7防尘性的测定
按G上/6693一2009中关日测法的规定迹行。5.8固色率的测定
按1/T2391201-中6.2的现定逆行。助剂用量,染色操作参照本标准5.2的规定。5.9有害芳香胺的测定
按GH1960】和GB/121[0】的现定进行。5.10重金属元素的测定
按G[3 208]4的规定进行。
5.11在棉织物上的色牢度的测定5.11. 1—般规定
所有色牢度的测试样应按GB/T 4841.1—2006的有关规定染成1/1染色标准深度。5. 11.2耐光色牢度的测定
按GB/T 8427--2C08的有关现定进行。5.11.3耐汗光色牢度的测定
按G3/T1J576--2009的有关规进行,酸、城汁液符合GB/T11576—2009中5.2和5.3的要求。
5.11.4耐皂洗色牢度的测定
按(G13/T3921:2008的规定进行。试验条件采用(B/T3921—2008丧2中的试验方法T)(4):()
-TYKAONIKAca
5.11.5耐汗渍色牢度的测定
按GH/T5922—2013的有关规定进行,5.11.6耐摩擦色牢度的测定
按GBT39202008的有关规定近行。5.11.7耐热压色牢度的测定
按GB/T 61521997的有关规定进行,200℃干压(4h后评定)。5.11.8耐氯化水色牢度的测定
HG/T 5137—2016
按G13/T84332013的有关规定进行。T作液按G13/T8133—2013中5.3的规定配制。6检验规则
6.1检验分类
本标准第3章所列的检验项目均为型式检验项月。H中本标准表1中(1)项~(8)项为出)检验项目,应逐批进行检验。
在正常连续牛产情况下,每年至少进行一次型式检捡验。伯如右下述情况需逃行型式检验新产品最初定型时;
h)产品异地生产时;
生产厅、艺及原材料有较人改变时:停产3个月后恢复牛产时:
客户提出要求时。
出广检验
(.1.反应黄17+应由生产厂的质量检验部门检验合格,附合格证明后方可出厂。牛产」应保证所有出厂的(. I、反应黄174产品均符合本标准的要求。6.3复检下载标准就来标准下载网
如果检验结果中有一项指标不符合本标准的要求,应重新自两倍量的包装中取样进行检验重新检验的结果即使只有-项指标不符合本标准的要求,则整批产品判定为不合格。7标志、标签、包装、运输和贮存7.1标志
1.反应英174的每个包装容上都应涂印耐久,清晰的标志,标志内容牟少应有:
a)产品名称;
h)产」名称、地址;
c)生产H期;
d)净含虽。
YKAoNiKAca
IG/T5137—2016
7.2标签
产品应有标签、标签上应注明产品生日期、合格证明、执行标雅编号、批号7.3包装
(. I.反成黄174装于内朔料袋的包装容器内。并川密时,每件净含量25 kg=0,2 kg。其他包装可与用户协商确定。
7.4运输
送输时应防止到罩,小心轻放,避免碰撞,切勿损坏包装7.5购存
C.「.反应黄174应存丁阴凉、下燥、涵风处,防止受潮、耍热。贮存期为6个月(3m)
小提示:此标准内容仅展示完整标准里的部分截取内容,若需要完整标准请到上方自行免费下载完整标准文档。
标准图片预览:





- 其它标准
- 热门标准
- 行业标准
- HG/T2442-2001 洗衣机V带
- HG/T21524-2014 水平吊盖带颈对焊法兰人孔
- HG/T3534-2011 代替 HG/T 3534-2003 工业循环冷却水污垢和腐蚀产物中酸不溶物、磷、铁、铝、钙、镁、锌、铜含量测定方法
- HG2208-1991 甲霜灵可湿性粉剂
- HG/T2058.1-1991 搪玻璃温度计套
- HG/T2784-1996 工业用亚硫酸铵
- HG/T2343-2012 硫化促进剂ETU
- HG/T4519-2013 碱式碳酸钴
- HG/T20592-2009 钢制管法兰(PN系列)
- HG/T3663-2000 胶鞋抗菌性能的试验方法(琼脂平板法)
- HG/T20704.3-2000 机泵专业工程设计阶段的工作程序
- HG2975-1989 气体分析 标准混合气 混合物制备证书
- HG3671-2000 吡虫啉可湿性粉剂
- HG2207-1991 甲霜灵粉剂
- HG/T2192-1991 喷砂橡胶软管
- 行业新闻
请牢记:“bzxz.net”即是“标准下载”四个汉字汉语拼音首字母与国际顶级域名“.net”的组合。 ©2025 标准下载网 www.bzxz.net 本站邮件:bzxznet@163.com
网站备案号:湘ICP备2025141790号-2
网站备案号:湘ICP备2025141790号-2