- 您的位置:
- 标准下载网 >>
- 标准分类 >>
- 国家标准(GB) >>
- GB∕T 33377-2016 软性电路板覆盖膜用非硅离型材料
- 标准号: - GB∕T 33377-2016
- 标准名称: - 软性电路板覆盖膜用非硅离型材料
- 标准类别: - 国家标准(GB)
- 标准状态: 现行
- 出版语种: 简体中文
- 下载格式: .rar .pdf
- 下载大小: 
 标准内容
标准内容部分标准内容:
					
					ICS83.180
中华人民共和国国家标雅
GB/T33377—2016
软性电路板覆盖膜用非硅离型材料Non-silicon release liner for flexible PC base film2016-12-30发布
中华人民共和国国家质量监督检验检疫总局中国国家标准化管理委员会
2017-07-01实施
本标准按照GB/T1.1一2009给出的规则起草本标准由中国石油和化学工业联合会提出。本标准由全国胶粘剂标准化技术委员会(SAC/TC185)归口。GB/T33377—2016
本标准起草单位:佛山市南海区新永泰胶粘制品有限公司、苏州斯迪克新材料科技股份有限公司、浙江欧仁新材料有限公司、上海橡胶制品研究所有限公司。本标准主要起草人:潘大满、胡树东、金闯、杨晓明、江叔福、赵明国。1范围
软性电路板覆盖膜用非硅离型材料GB/T33377—2016
本标准规定了软性电路板覆盖膜用非硅离型材料的产品分类、技术要求、试验方法、检验、组批与抽样、标志、包装、运输和贮存等。本标准适用于以PEK(淋膜纸)为基材和PET为基材的软性电路板用非硅离型纸材和膜材,主要应用于软性电路板制造等电子行业。规范性引用文件
下列文件对于本文件的应用是必不可少的。凡是注日期的引用文件,仅注日期的版本适用于本文件。凡是不注日期的引用文件,其最新版本(包括所有的修改单)适用于本文件GB/T451.1一2002纸和纸板尺寸及偏斜度的测定GB/T451.2—2002纸和纸板定量的测定纸和纸板撕裂度的测定
GB/T455
GB/T1541纸和纸板尘埃度测试
GB/T2918
GB/T 8807
塑料试样状态调节和试验的标准环境塑料镜面光泽试验方法
GB/T12914一2008纸和纸板抗张强度的测定第2部分:试验方法
GB/T13542.2—2009电气绝缘用薄膜GB/T 22396
压敏胶粘制品术语
GB/T26125—2011日
电子电气产品六种限用物质(铅、汞、镉、六价铬、多溴联苯和多溴二苯醚)的测定
GB/T29596
5压敏胶粘制品分类
HG/T4139—2010压敏胶粘制品用防粘材料HG/T4914上光膜压敏胶粘带
EN14582:2007废弃物特征卤素和硫含量封闭系统氧燃烧和测定方法(CharacterizationofwasteHalogen and sulfur content-Oxygen combustion in closed systems and determination meth-ods)
3术语和定义
GB/T22396界定的以及下列术语和定义适用于本文件。3.1
grammage
离型纸单位面积的质量。
注:单位为g/m。
分层力
layeredforce
双面离型纸层间180°的分剥离力。1
iiiKAoNikAca
GB/T33377—2016
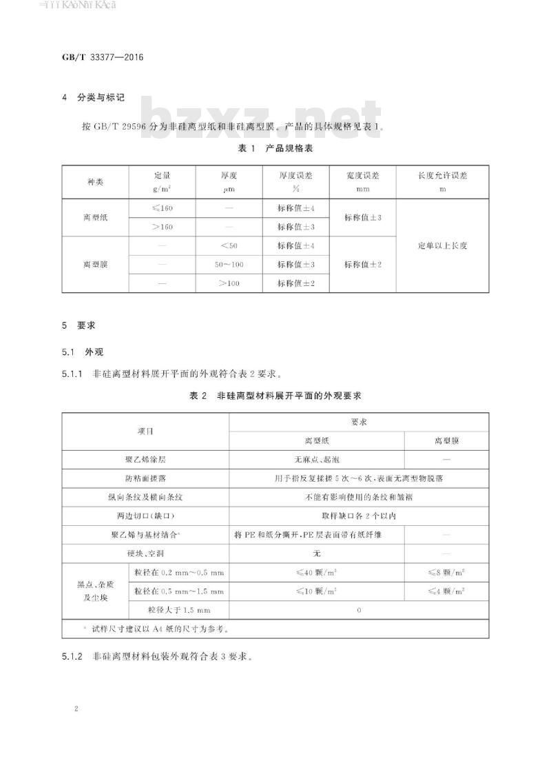
4分类与标记
按GB/T29596分为非硅离型纸和非硅离型膜。产品的具体规格见表1表1
离型纸
离型膜
5要求
5.1外观
≤160
50~100
产品规格表
厚度误差
标称值土4
标称值土3
标称值土4
标称值土3
标称值土2
5.1.1非硅离型材料展开平面的外观符合表2要求。宽度误差
标称值土3
标称值土2
表2非硅离型材料展开平面的外观要求项目
聚乙烯涂层
防粘面搓落
纵向条纹及横向条纹
两边切口(缺口)
聚乙烯与基材结合
硬块、空洞
粒径在0.2mm~0.5mm
黑点、杂质
及尘埃
粒径在0.5mm~1.5mm
粒径大于1.5mm
试样尽寸建议以A4纸的尺寸为参考。离型纸
无麻点、起泡
长度允许误差
定单以上长度
离型膜
用手指反复揉搓5次~6次,表面无离型物脱落不能有影响使用的条纹和皱褶
样缺口各2个以内
将PE和纸分撕开,PE层表面带有纸纤维无
≤40颗/m
≤10颗/m2
5.1.2非硅离型材料包装外观符合表3要求。2
8颗/m
4颗/m2
非硅离型纸性能
非硅离型材料包装的外观要求
充许有轻微暴筋,展开产品时不能有印痕保证能顺利装卷允许有轻量变形GB/T33377—2016
每段长度≥300m。当长度≤1000m时,允许有1个接头,当长度>1000m时,允许整卷有2个接头
非硅离型纸材性能应符合表4规定。表4
光泽度(60°角)
耐温性(110℃,1min)
热收缩率
(55℃.36h)
离型力
残余粘着率
70℃.20h
有机硅含量(硅酮)
含水率
分层力
抗张强度
撕裂强度
非硅离型膜性能
非硅离型膜性能符合表5规定。
非硅离型纸性能表
光泽单位
≥450
《20(哑面)
不起泡
40~200
未检出
GB/T33377—2016
光泽度(60°角)
热收缩率(150℃,30min)
拉伸强度
断裂伸长率
离型力
残余粘着率
有机硅含量(硅酮)
有害物质限量
非硅离型膜性能
离型面
非离型面
70℃.20h
光泽单位
在对有害物质限量有要求的应用场合,其重金属等有害物质含量应符合表6要求表6
有害物质有限量
铅(Pb)
汞(Hg)
RoHS指令/(g/kg)
挥发物性有机化合物
(苯系)/(g/kg)
卤素/(g/kg)
试验方法
试验环境
六价铬(Cr+)
镉(Cd)
PBB(多溴联苯)
PBDE(多溴苯醚)
二甲苯
氯+溴(CI+Br)的总量
氯(CI)、溴(Br)单个量
≥120
≥150
未检出
试验环境按GB/T2918试验环境中的环境标准代号23/50;标准环境等级2级[温度23℃士1℃,相对湿度(50士5)%],对于黑点、杂质及尘埃的测试,取样应在干净的环境下进行,防止引人新污染。4
6.2规格
6.2.1纸类定量
按GB/T451.2一2002的规定进行测定。6.2.2膜类厚度
按GB/T13542.2—2009中4.1的单层法进行测量。6.2.3宽度
按GB/T451.1—2002的规定进行测量。6.2.4长度
按HG/T41392010中6.4.2规定进行测量。6.3外观
6.3.1平面外观
GB/T33377—2016
6.3.1.1取样品原幅宽为宽,2000mm为长,展开铺平,目测检查聚乙烯涂层无麻点、无起泡、无条纹、无切口硬块等,必要时可用放大镜6.3.1.2黑点、杂质及尘埃按照GB/T1541的规定进行,不呈凸起的点状物的数量不予统计。6.3.2包装外观
暴筋:取样品原幅宽为宽,2000mm为长,展开铺平,目测检查印痕,必要时用放大镜。端面不整齐量:用分度值为1mm的卷尺或钢直尺,测量包装端面凹凸间的差值。管芯:目测管芯无变形,用游标卡尺测管芯两端的直径,应在规定范围。接头:样品展开目测。
6.4性能
在6.1环境中,打开外包装,将样品外层3层~5层撕去,按规定要求,裁取试样。耐温性能试样的裁取示意图见图1,横向指整个门幅。离型力、分层力、残余粘着率试样的裁取示意图见图2。横向指整个门幅。整个门幅
100mmX100mm
耐温性能试样的裁取示意图
GB/T33377—2016
6.4.2光泽度
整个门幅
离型力、分层力、残余粘差率试样的裁取示意图图2
按GB/T8807的规定进行测定。
6.4.3离型纸的耐温性
离型纸的耐温性按附录A方法进行测定。6.4.4热收缩率
热收缩率按GB/T13542.2一2009中第23章规定,离型膜采用鼓风型烘箱进行测定,离型纸关闭风机测定。其中纸类试样尺寸300mm×300mm,膜类试样尺寸100mm×100mm。6.4.5离型力
按HG/T4139—2010的规定,采用Nitto31B胶带进行测定。6.4.6残余粘着率
按HG/T4139—2010的规定,采用Nitto31B胶带进行测定。6.4.7有机硅含量
按附录B规定测定。
6.4.8含水率
按附录C方法进行测定。
6.4.9分层力
按附录D方法进行测定。
离型纸的抗张强度
按GB/T12914一2008中的恒速加荷法进行测定1离型纸的撕裂强度
按GB/T455规定进行测定。
离型膜的拉伸强度和断裂伸长率GB/T33377—2016
按GB/T13542.2一2009中第11章的规定进行测定。试样形状为长方形,宽度为10mm。5有害物质
6.5.1铅、汞、镉、铬(六价)、多溴联苯、多溴苯醚等有害物质的测试,按照GB/T26125一2011规定方法进行测定。
6.5.2苯、甲苯、二甲苯挥发性有机化合物测试,按照HG/T4914的规定进行测定。6.5.3卤素的测定按照EN14582—2007规定的方法测定。7检验
出厂检验
非硅离型纸项目:
定量;
宽度;
长度;
光泽度:
外观;
热收缩率;
离型力;
残余粘着率;
抗张强度。
非硅离型膜项目:
厚度;
宽度;
长度;
外观;
光泽度:
热收缩率:
拉伸强度;
离型力;
残余粘着率。
型式检验
有下列情况之一时应进行型式检验:a)
正常生产1年后,配方和工艺有较大的改变,可能影响产品质量时;停产半年以上恢复生产时;
国家质量监督机构或用户提出要求时。7.2.2型式检验为全项目检验。
有害物质检验每年进行1次。
GB/T33377—2016
8组批与抽样
8.1组批
同一规格每班产量为一个检查批,以卷为单位。8.2抽样
产品规格、外观应逐卷检验,其他每批次随机抽1卷9标志、包装、运输和贮存
9.1标志
产品上应有产品名称、定量、宽度、长度、净重、批号、生产日期及防潮标志等内容。9.2包装
9.2.1非硅离型纸的包装用捆箱膜(缠绕膜)进行打底,端面放端盖,按防潮方式包装。外包装用珍珠棉包和厚纸板,纸管端面用木塞塞紧,或按合同规定进行9.2.2非硅离型膜的包装用捆箱膜(缠绕膜)进行打底,端面放托板,采用托板式包装,纸芯管端面用木塞塞紧。或按合同规定进行。
9.3运输
运输时应轻搬轻卸,严禁碰撞,在运输途中应避免阳光暴晒、受潮和淋雨,不能与有挥发性溶剂和腐蚀性物品混运。
9.4贮存
9.4.1成品在忙存期间应保持十燥,通风,防止污染,不可日晒和淋雨。9.4.2存放环境应在温度一10℃~35℃,相对湿度在40%~75%为适,并避免与油类、酸类、碱类、挥发性溶剂、有害有毒物混存。
9.4.3在符合上述贮运条件下有效期为半年,超过保质期的产品经检验合格仍可使用。8
A.1概述
附录A
(规范性附录)
非硅离型材料的耐温性测试
本方法适用于软性电路板覆盖膜用非硅离型材料耐温性的测试。A.2试验条件
温度23℃土1℃,相对湿度(50±5)%A.3
试验仪器
恒温烘箱:带有数显式温度读数,分度值为1℃。裁切刀:刀锋锋利的美工刀。
GB/T33377—2016
取样定规板:用100mm×100mm×2mm的正方形不锈钢,或者0.01m的圆形取样器耐温性测试
点)。
沿样品门幅宽,纵向用定规板等距裁取6块100mm×100mm试样待测,见图1。恒温烘箱调整至110℃土2℃,停止鼓风,保持温度恒定20min。迅速将试样放入烘箱,1min后取出,目测或放达镜观察聚乙烯表层(PE面)的外观变化(起泡麻试验结果
PE膜起泡或麻点即为不合格
GB/T33377—2016
B.1概述此内容来自标准下载网
附录E
(规范性附录)
有机硅含量的测定
本方法适用于软性电路板覆盖膜用非硅离型材料中有机硅含量的测定。B.2试验条件
温度23℃±1℃,相对湿度(50±5)%。B.3试验仪器和材料
采用X射线荧光光谱仪(XRF),测试精度0.02g/m的光谱仪B.3.1
注:供选择的有OxfordInstrumentsLabX-3000/3500系列Metorex的X-MET800和Spectro的T200/Titan。B.3.2取样器(机附)
3一组经有机硅供应商提供的不同涂布量和不同材料如PET、PEK,BOPP等标准样品(用于建立B.3.3
校正曲线)。
试验步骤
B.4.1开机:开机后30min,开始进行测试操作。B.4.2取样:用机器附的取样器等距裁取2块~3块试样。B.4.3空白测试:将未被污染且和试样是同样基材的未涂布样板作空白测试B.4.4检测:将测试的试样置于由仪器制造商设计的特殊的样品载具中,光谱仪会将试样自动移至测试区,接受一种主要为X射线的放射线照射,仪器将对二级X射线中相关硅元素的特性进行分析,此测试过程需要30s~60s,测量完毕后,仪器计算机系统的软件会自动计算并提供聚二甲基硅氧烷的涂布量。
B.4.5消除干扰:以下元素会干扰XRF的信号,如钙、钛、钾、铝、氯和氩,一般可通过矫正来消除,但有些情况下需要特别的过滤器来消除于扰,如对铜版纸来说,常采用铝过滤器。以保证精确的测试结果。B.4.6标准曲线:绘制校准曲线时可用有机硅供应商提供的不同涂布量和不同材料的标准样品作校正曲线。建议校正值为:0.1、0.5、1.0、1.5、2.0、2.5、3.0、3.5。B.4.7试验结果:本测试方法一般业内认为测试精度在士0.01g/m2到士0.05g/m,结合对空白材料的测试对比,本测试方法的检出限量定为0.02g/m°,在该值或以下视为未检出。如测试值超过该值的,则重新取样进行测试,如仍然是超过此值的则产品视为不合格。B.4.8仪器校正:每年定期用有机硅供应商提供的不同涂布量和不同材料的标准样品进行校正。10
小提示:此标准内容仅展示完整标准里的部分截取内容,若需要完整标准请到上方自行免费下载完整标准文档。
	 
	        
	      中华人民共和国国家标雅
GB/T33377—2016
软性电路板覆盖膜用非硅离型材料Non-silicon release liner for flexible PC base film2016-12-30发布
中华人民共和国国家质量监督检验检疫总局中国国家标准化管理委员会
2017-07-01实施
本标准按照GB/T1.1一2009给出的规则起草本标准由中国石油和化学工业联合会提出。本标准由全国胶粘剂标准化技术委员会(SAC/TC185)归口。GB/T33377—2016
本标准起草单位:佛山市南海区新永泰胶粘制品有限公司、苏州斯迪克新材料科技股份有限公司、浙江欧仁新材料有限公司、上海橡胶制品研究所有限公司。本标准主要起草人:潘大满、胡树东、金闯、杨晓明、江叔福、赵明国。1范围
软性电路板覆盖膜用非硅离型材料GB/T33377—2016
本标准规定了软性电路板覆盖膜用非硅离型材料的产品分类、技术要求、试验方法、检验、组批与抽样、标志、包装、运输和贮存等。本标准适用于以PEK(淋膜纸)为基材和PET为基材的软性电路板用非硅离型纸材和膜材,主要应用于软性电路板制造等电子行业。规范性引用文件
下列文件对于本文件的应用是必不可少的。凡是注日期的引用文件,仅注日期的版本适用于本文件。凡是不注日期的引用文件,其最新版本(包括所有的修改单)适用于本文件GB/T451.1一2002纸和纸板尺寸及偏斜度的测定GB/T451.2—2002纸和纸板定量的测定纸和纸板撕裂度的测定
GB/T455
GB/T1541纸和纸板尘埃度测试
GB/T2918
GB/T 8807
塑料试样状态调节和试验的标准环境塑料镜面光泽试验方法
GB/T12914一2008纸和纸板抗张强度的测定第2部分:试验方法
GB/T13542.2—2009电气绝缘用薄膜GB/T 22396
压敏胶粘制品术语
GB/T26125—2011日
电子电气产品六种限用物质(铅、汞、镉、六价铬、多溴联苯和多溴二苯醚)的测定
GB/T29596
5压敏胶粘制品分类
HG/T4139—2010压敏胶粘制品用防粘材料HG/T4914上光膜压敏胶粘带
EN14582:2007废弃物特征卤素和硫含量封闭系统氧燃烧和测定方法(CharacterizationofwasteHalogen and sulfur content-Oxygen combustion in closed systems and determination meth-ods)
3术语和定义
GB/T22396界定的以及下列术语和定义适用于本文件。3.1
grammage
离型纸单位面积的质量。
注:单位为g/m。
分层力
layeredforce
双面离型纸层间180°的分剥离力。1
iiiKAoNikAca
GB/T33377—2016
4分类与标记
按GB/T29596分为非硅离型纸和非硅离型膜。产品的具体规格见表1表1
离型纸
离型膜
5要求
5.1外观
≤160
50~100
产品规格表
厚度误差
标称值土4
标称值土3
标称值土4
标称值土3
标称值土2
5.1.1非硅离型材料展开平面的外观符合表2要求。宽度误差
标称值土3
标称值土2
表2非硅离型材料展开平面的外观要求项目
聚乙烯涂层
防粘面搓落
纵向条纹及横向条纹
两边切口(缺口)
聚乙烯与基材结合
硬块、空洞
粒径在0.2mm~0.5mm
黑点、杂质
及尘埃
粒径在0.5mm~1.5mm
粒径大于1.5mm
试样尽寸建议以A4纸的尺寸为参考。离型纸
无麻点、起泡
长度允许误差
定单以上长度
离型膜
用手指反复揉搓5次~6次,表面无离型物脱落不能有影响使用的条纹和皱褶
样缺口各2个以内
将PE和纸分撕开,PE层表面带有纸纤维无
≤40颗/m
≤10颗/m2
5.1.2非硅离型材料包装外观符合表3要求。2
8颗/m
4颗/m2
非硅离型纸性能
非硅离型材料包装的外观要求
充许有轻微暴筋,展开产品时不能有印痕保证能顺利装卷允许有轻量变形GB/T33377—2016
每段长度≥300m。当长度≤1000m时,允许有1个接头,当长度>1000m时,允许整卷有2个接头
非硅离型纸材性能应符合表4规定。表4
光泽度(60°角)
耐温性(110℃,1min)
热收缩率
(55℃.36h)
离型力
残余粘着率
70℃.20h
有机硅含量(硅酮)
含水率
分层力
抗张强度
撕裂强度
非硅离型膜性能
非硅离型膜性能符合表5规定。
非硅离型纸性能表
光泽单位
≥450
《20(哑面)
不起泡
40~200
未检出
GB/T33377—2016
光泽度(60°角)
热收缩率(150℃,30min)
拉伸强度
断裂伸长率
离型力
残余粘着率
有机硅含量(硅酮)
有害物质限量
非硅离型膜性能
离型面
非离型面
70℃.20h
光泽单位
在对有害物质限量有要求的应用场合,其重金属等有害物质含量应符合表6要求表6
有害物质有限量
铅(Pb)
汞(Hg)
RoHS指令/(g/kg)
挥发物性有机化合物
(苯系)/(g/kg)
卤素/(g/kg)
试验方法
试验环境
六价铬(Cr+)
镉(Cd)
PBB(多溴联苯)
PBDE(多溴苯醚)
二甲苯
氯+溴(CI+Br)的总量
氯(CI)、溴(Br)单个量
≥120
≥150
未检出
试验环境按GB/T2918试验环境中的环境标准代号23/50;标准环境等级2级[温度23℃士1℃,相对湿度(50士5)%],对于黑点、杂质及尘埃的测试,取样应在干净的环境下进行,防止引人新污染。4
6.2规格
6.2.1纸类定量
按GB/T451.2一2002的规定进行测定。6.2.2膜类厚度
按GB/T13542.2—2009中4.1的单层法进行测量。6.2.3宽度
按GB/T451.1—2002的规定进行测量。6.2.4长度
按HG/T41392010中6.4.2规定进行测量。6.3外观
6.3.1平面外观
GB/T33377—2016
6.3.1.1取样品原幅宽为宽,2000mm为长,展开铺平,目测检查聚乙烯涂层无麻点、无起泡、无条纹、无切口硬块等,必要时可用放大镜6.3.1.2黑点、杂质及尘埃按照GB/T1541的规定进行,不呈凸起的点状物的数量不予统计。6.3.2包装外观
暴筋:取样品原幅宽为宽,2000mm为长,展开铺平,目测检查印痕,必要时用放大镜。端面不整齐量:用分度值为1mm的卷尺或钢直尺,测量包装端面凹凸间的差值。管芯:目测管芯无变形,用游标卡尺测管芯两端的直径,应在规定范围。接头:样品展开目测。
6.4性能
在6.1环境中,打开外包装,将样品外层3层~5层撕去,按规定要求,裁取试样。耐温性能试样的裁取示意图见图1,横向指整个门幅。离型力、分层力、残余粘着率试样的裁取示意图见图2。横向指整个门幅。整个门幅
100mmX100mm
耐温性能试样的裁取示意图
GB/T33377—2016
6.4.2光泽度
整个门幅
离型力、分层力、残余粘差率试样的裁取示意图图2
按GB/T8807的规定进行测定。
6.4.3离型纸的耐温性
离型纸的耐温性按附录A方法进行测定。6.4.4热收缩率
热收缩率按GB/T13542.2一2009中第23章规定,离型膜采用鼓风型烘箱进行测定,离型纸关闭风机测定。其中纸类试样尺寸300mm×300mm,膜类试样尺寸100mm×100mm。6.4.5离型力
按HG/T4139—2010的规定,采用Nitto31B胶带进行测定。6.4.6残余粘着率
按HG/T4139—2010的规定,采用Nitto31B胶带进行测定。6.4.7有机硅含量
按附录B规定测定。
6.4.8含水率
按附录C方法进行测定。
6.4.9分层力
按附录D方法进行测定。
离型纸的抗张强度
按GB/T12914一2008中的恒速加荷法进行测定1离型纸的撕裂强度
按GB/T455规定进行测定。
离型膜的拉伸强度和断裂伸长率GB/T33377—2016
按GB/T13542.2一2009中第11章的规定进行测定。试样形状为长方形,宽度为10mm。5有害物质
6.5.1铅、汞、镉、铬(六价)、多溴联苯、多溴苯醚等有害物质的测试,按照GB/T26125一2011规定方法进行测定。
6.5.2苯、甲苯、二甲苯挥发性有机化合物测试,按照HG/T4914的规定进行测定。6.5.3卤素的测定按照EN14582—2007规定的方法测定。7检验
出厂检验
非硅离型纸项目:
定量;
宽度;
长度;
光泽度:
外观;
热收缩率;
离型力;
残余粘着率;
抗张强度。
非硅离型膜项目:
厚度;
宽度;
长度;
外观;
光泽度:
热收缩率:
拉伸强度;
离型力;
残余粘着率。
型式检验
有下列情况之一时应进行型式检验:a)
正常生产1年后,配方和工艺有较大的改变,可能影响产品质量时;停产半年以上恢复生产时;
国家质量监督机构或用户提出要求时。7.2.2型式检验为全项目检验。
有害物质检验每年进行1次。
GB/T33377—2016
8组批与抽样
8.1组批
同一规格每班产量为一个检查批,以卷为单位。8.2抽样
产品规格、外观应逐卷检验,其他每批次随机抽1卷9标志、包装、运输和贮存
9.1标志
产品上应有产品名称、定量、宽度、长度、净重、批号、生产日期及防潮标志等内容。9.2包装
9.2.1非硅离型纸的包装用捆箱膜(缠绕膜)进行打底,端面放端盖,按防潮方式包装。外包装用珍珠棉包和厚纸板,纸管端面用木塞塞紧,或按合同规定进行9.2.2非硅离型膜的包装用捆箱膜(缠绕膜)进行打底,端面放托板,采用托板式包装,纸芯管端面用木塞塞紧。或按合同规定进行。
9.3运输
运输时应轻搬轻卸,严禁碰撞,在运输途中应避免阳光暴晒、受潮和淋雨,不能与有挥发性溶剂和腐蚀性物品混运。
9.4贮存
9.4.1成品在忙存期间应保持十燥,通风,防止污染,不可日晒和淋雨。9.4.2存放环境应在温度一10℃~35℃,相对湿度在40%~75%为适,并避免与油类、酸类、碱类、挥发性溶剂、有害有毒物混存。
9.4.3在符合上述贮运条件下有效期为半年,超过保质期的产品经检验合格仍可使用。8
A.1概述
附录A
(规范性附录)
非硅离型材料的耐温性测试
本方法适用于软性电路板覆盖膜用非硅离型材料耐温性的测试。A.2试验条件
温度23℃土1℃,相对湿度(50±5)%A.3
试验仪器
恒温烘箱:带有数显式温度读数,分度值为1℃。裁切刀:刀锋锋利的美工刀。
GB/T33377—2016
取样定规板:用100mm×100mm×2mm的正方形不锈钢,或者0.01m的圆形取样器耐温性测试
点)。
沿样品门幅宽,纵向用定规板等距裁取6块100mm×100mm试样待测,见图1。恒温烘箱调整至110℃土2℃,停止鼓风,保持温度恒定20min。迅速将试样放入烘箱,1min后取出,目测或放达镜观察聚乙烯表层(PE面)的外观变化(起泡麻试验结果
PE膜起泡或麻点即为不合格
GB/T33377—2016
B.1概述此内容来自标准下载网
附录E
(规范性附录)
有机硅含量的测定
本方法适用于软性电路板覆盖膜用非硅离型材料中有机硅含量的测定。B.2试验条件
温度23℃±1℃,相对湿度(50±5)%。B.3试验仪器和材料
采用X射线荧光光谱仪(XRF),测试精度0.02g/m的光谱仪B.3.1
注:供选择的有OxfordInstrumentsLabX-3000/3500系列Metorex的X-MET800和Spectro的T200/Titan。B.3.2取样器(机附)
3一组经有机硅供应商提供的不同涂布量和不同材料如PET、PEK,BOPP等标准样品(用于建立B.3.3
校正曲线)。
试验步骤
B.4.1开机:开机后30min,开始进行测试操作。B.4.2取样:用机器附的取样器等距裁取2块~3块试样。B.4.3空白测试:将未被污染且和试样是同样基材的未涂布样板作空白测试B.4.4检测:将测试的试样置于由仪器制造商设计的特殊的样品载具中,光谱仪会将试样自动移至测试区,接受一种主要为X射线的放射线照射,仪器将对二级X射线中相关硅元素的特性进行分析,此测试过程需要30s~60s,测量完毕后,仪器计算机系统的软件会自动计算并提供聚二甲基硅氧烷的涂布量。
B.4.5消除干扰:以下元素会干扰XRF的信号,如钙、钛、钾、铝、氯和氩,一般可通过矫正来消除,但有些情况下需要特别的过滤器来消除于扰,如对铜版纸来说,常采用铝过滤器。以保证精确的测试结果。B.4.6标准曲线:绘制校准曲线时可用有机硅供应商提供的不同涂布量和不同材料的标准样品作校正曲线。建议校正值为:0.1、0.5、1.0、1.5、2.0、2.5、3.0、3.5。B.4.7试验结果:本测试方法一般业内认为测试精度在士0.01g/m2到士0.05g/m,结合对空白材料的测试对比,本测试方法的检出限量定为0.02g/m°,在该值或以下视为未检出。如测试值超过该值的,则重新取样进行测试,如仍然是超过此值的则产品视为不合格。B.4.8仪器校正:每年定期用有机硅供应商提供的不同涂布量和不同材料的标准样品进行校正。10
小提示:此标准内容仅展示完整标准里的部分截取内容,若需要完整标准请到上方自行免费下载完整标准文档。
 标准图片预览
标准图片预览 标准图片预览:





- 其它标准
- 热门标准
- 国家标准
- GB/T21666-2008 尿吸收辅助器具 评价的一般指南
- GB/T2828.1-2012 计数抽样检验程序 第1部分:按接收质量限(AQL)检索的逐批检验抽样计划
- GB/T32999-2016 表面化学分析 深度剖析 用机械轮廓仪栅网复型法测量溅射速率
- GB/T39454-2020 国际贸易业务数据规范货物跟踪与追溯
- GB/T38948-2020 沥青混合料低温抗裂性能评价方法
- GB/T13589-2007 锌及锌合金废料
- GB28355-2012 食品添加剂 水杨酸甲酯(柳酸甲酯)
- GB/T13070-1991 铀矿石中铀的测定 电位滴定法
- GB14880-2012 食品营养强化剂使用标准
- GB/T43912-2024 铸造机械 再制造 通用技术规范
- GB/T9003-1988 调音台基本特性测量方法
- GB5585.3-1985 电工用铜、铝及其合金母线 第3部分:铝母线
- GB/T19561-2004 寒地节能日光温室建造规程
- GB/T7574-1987 信息处理交换用磁带标号和文卷结构
- GB/T24715-2009 氧源转换器
- 行业新闻
请牢记:“bzxz.net”即是“标准下载”四个汉字汉语拼音首字母与国际顶级域名“.net”的组合。 ©2025 标准下载网 www.bzxz.net 本站邮件:bzxznet@163.com
网站备案号:湘ICP备2025141790号-2
网站备案号:湘ICP备2025141790号-2
