- 您的位置:
- 标准下载网 >>
- 标准分类 >>
- 国家标准(GB) >>
- GB∕T 33369-2016 钎焊用铝合金复合板、带、箔材
标准号:
GB∕T 33369-2016
标准名称:
钎焊用铝合金复合板、带、箔材
标准类别:
国家标准(GB)
标准状态:
现行出版语种:
简体中文下载格式:
.rar .pdf下载大小:
部分标准内容:
ICS77.150.10
中华人民共和国国家标准
GB/T33369—2016
钎焊用铝合金复合板、带、箔材Aluminium alloy clad sheets,strips and foils for brazing2016-12-30发布
中华人民共和国国家质量监督检验检疫总局中国国家标准化管理委员会
2017-11-01实施
本标准按照GB/T1.12009给出的规则起草本标准由中国有色金属工业协会提出。本标准由全国有色金属标准化技术委员会(SAC/TC243)归口。GB/T33369—2016
本标准负责起草单位:银邦金属复合材料股份有限公司、东北轻合金有限责任公司。本标准参加起草单位:有色金属技术经济研究院,乳源东阳光精箔有限公司、苏州有色金属研究院有限公司、格朗吉斯铝业(上海)有限公司、江苏常铝铝业股份有限公司、西南铝业(集团)有限责任公司、镇江鼎盛铝业股份有限公司、厦门厦顺铝箔有限公司、浙江永杰铝业有限公司。本标准主要起草人:周德敬、陈鑫、李龙、王强、郭瑞、葛立新、郭飞跃、张海、万小峰、张敏达、吴保剑、凌亚标、田小梅、代陈绪。
1范围
钎焊用铝合金复合板、带、箔材GB/T33369—2016
本标准规定了针焊用铝合金复合板、带、箔材的要求、试验方法、检验规则和标志、包装、运输、贮存及质量证明书与订货单或合同)内容。本标准适用于钎焊用铝合金复合板、带、箔材(以下简称复合材)。2规范性引用文件
下列文件对于本文件的应用是必不可少的。凡是注日期的引用文件,仅注日期的版本适用于本文件。凡是不注日期的引用文件,其最新版本(包括所有的修改单)适用于本文件GB/T3190
GB/T3199
变形铝及铝合金化学成分
铝及铝合金加工产品包装、标志、运输、贮存GB/T 3246.1
GB/T3880.3
GB/T4156
GB/T7999
GB/T8170
GB/T16865
GB/T17432
变形铝及铝合金制品组织检验方法第1部分:显微组织检验方法一般工业用铝及铝合金板带材第3部分:尺寸偏差金属材料薄板和薄带埃里克森杯突试验铝及铝合金光电直读发射光谱分析方法数值修约规则与极限数值的表示和判定变形铝、镁及其合金加工制品拉伸试验用试样及方法变形铝及铝合金化学成分分析取样方法GB/T20975(所有部分)铝及铝合金化学分析方法GB/T27675
术语和定义
铝及铝合金复合板、带、箔材牌号表示方法下列术语和定义适用于本文件。3.1
铝合金复合板aluminiumalloyclad sheets由两种或两种以上铝合金材料经轧制复合后制成的板材。3.2
铝合金复合带、箔
aluminium alloyclad strips,foils由两种或两种以上铝合金材料经轧制复合后制成的带,箔材(以下简称卷材)。3.3
钎焊层cladding
在复合材料中起钎焊作用的包覆层。3.4
matrix alloy
在复合材料中起结构作用或有特殊作用的芯层。1
iiiKAoNiKAca
GB/T33369—2016
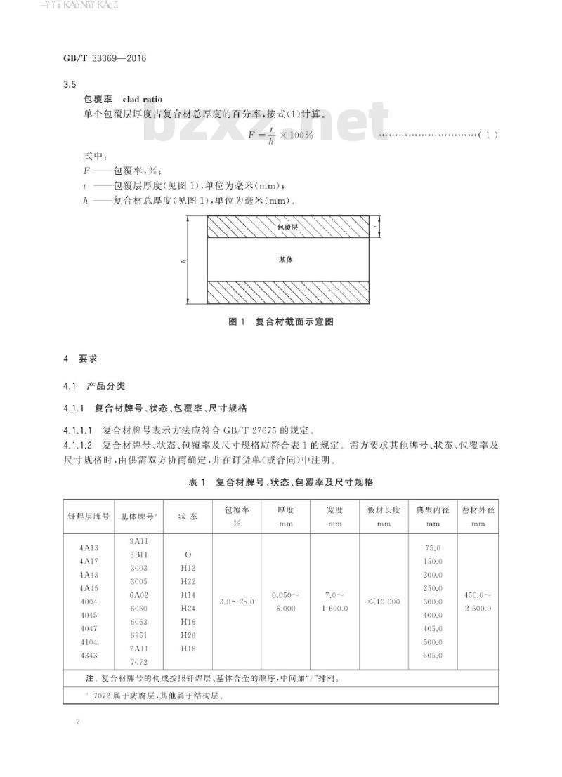
包覆率cladratio
单个包覆层厚度占复合材总厚度的百分率,按式(1)计算,F=
式中:
4要求
包覆率,%;
包覆层厚度(见图1),单位为毫米(mm);复合材总厚度(见图1),单位为毫米(mm)包覆层
图1复合材截面示意图
4.1产品分类
4.1.1复合材牌号、状态、包覆率、尺寸规格4.1.1.1
复合材牌号表示方法应符合GB/T27675的规定.......(1)
复合材牌号状态、包覆率及尺寸规格应符合表1的规定。需方要求其他牌号、状态,包覆率及尺寸规格时,由供需双方协商确定,并在订货单(或合同)中注明。表1
钎焊层牌号
基体牌号:
复合材牌号、状态、包覆率及尺寸规格包覆率
注:复合材牌号的构成按照钎焊层、基体合金的顺序,中间加“/\排列。7072属于防腐层,其他属于结构层2
板材长度
≤10000
典型内径
卷材外径
GB/T33369—2016
4.1.1.3翅片用复合箔、制管用复合带、深冲用复合板的典型牌号、状态、包覆率及尺寸规格分别参见附录A中表A.1、表A.2、表A.3。
4.1.1.4复合材基体合金和钰焊层合金固、液相线温度及钰焊温度参见附录B4.1.2标记示例
产品标记按产品名称、标准号、牌号或代号(代号表示方法参见附录C)状态及尺寸规格的顺序表示。标记示例如下:
示例1:
牌号为4343/3003/7072.0状态、厚度为1.500mm、宽度为1070.0mm,长度为2000mm的铝合金复合板,标记为:
复合板GB/T33369—4343/3003/70720—1.500X1070.0X2000示例2:
牌号为4343/3003/4343、H24状态、厚度为0.250mm、宽度为200.0mm的铝合金复合带,标记为:复合带GB/T33369—4343/3003/4343H24-0.250X200.0示例3:
牌号为4343/3003/4343、H14状态、厚度为0.080mm.宽度为16.0mm的铝合金复合箔,标记为:复合箔GB/T33369—4343/3003/4343H14-0.080X16.04.2化学成分
3A11.3B11、4A43、4A45、4104、6951、7A11合金化学成分应符合表2的规定.其他牌号的化学成分应符合GB/T3190的要求。需方对合金化学成分有特殊要求时,由供需双方协商确定,并在订货单(或合同)中注明。
表2化学成分
化学成分(质量分数)
其他指表中未列出或末规定数值的元素Mg
其他“
铝的质量分数为100.00%与所有含量不小于0.010%的元素含量总和的差值,求和前各元素数值要表示到0.0x%。
GB/T33369—2016
包覆率偏差
包覆率偏差应符合表3的规定。需方有特殊要求时,由供需双方协商确定,并在订货单(或合同)中注明。表3
包覆率
>8.0~13.0
>13.0~25.0
尺寸偏差
包覆率偏差
包覆率允许偏差
复合材的厚度偏差应符合表4的规定。需方有特殊要求时,由供需双方协商确定,并在订货单(或合同)中注明。
≤1000.0
0.050~0.100
>0.100~0.200
>0.200~0.400
>0.400~0.700
>0.700~1.100
>1.100~2.400
>2.400~3.600
>3.600~6.000
厚度偏差
下列宽度上的厚度充许偏差
>1 000.0~1 320.0
单位为毫米
>1320.0~1600.0
复合板的宽度偏差应符合表5的规定。需方有特殊要求时,由供需双方协商确定,并在订货单(或合同)中注明。
≤1000.0
>0.200~3.000
>3.000~6.000
复合板宽度偏差
下列宽度上的宽度充许偏差
>1 000.0~1 320.0
单位为毫米
>1320.01600.0
GB/T33369—2016
复合带的宽度偏差应符合表6的规定。需方有特殊要求时,由供需双方协商确定,并在订货单(或合同)中注明。
7.0~100.0
>0.200~0.240
>0.240~0.400
>0.400~0.800
>0.800~1.500
>1.500~2.000
>2.000~3.000
>3.0006.000
复合带宽度偏差
下列宽度上的宽度充许偏差
>100.0~300.0
>300.0~900.0
单位为毫米
>900.0~1400.0
复合箔的宽度偏差应符合表7的规定。需方有特殊要求时,由供需双方协商确定,并在订货单4.4.2.3
(或合同)中注明。
复合箔宽度偏差
7.0~100.0
>100.0~300.0
>300.0~1320.0
4.4.3长度
宽度允许偏差
单位为毫米
复合板的长度偏差应合符表8的规定。需方有特殊要求时,由供需双方协商确定,并在订货单(或合同)中注明。
>0.200~6.000
4.4.4对角线
复合板的对角线应符合表9的规定。不平度
复合板长度偏差
下列长度上的长度允许偏差
复合板的不平度应符合GB/T3880.3的规定,4.4.6侧边弯曲度
复合板的侧边弯曲度应符合表10的规定。>3000
单位为毫米
GB/T33369—2016
宽度W
对角线偏差
下列长度上的对角线差值,不大于≤3700
2.4XW/300
2.0xW/300
单位为毫米
3.6XW/300
2.8xW/300
注:当宽度W不是300.0mm的整数倍时,用其整数倍加1来确定偏差。例如:宽度W为1220.0mm,长度为2000mm,则对角线差值为:2.0×(4+1)mm=10.0mm。表10
≤1000.0
>1000.0~1320.0
>1320.0~1600.0
复合板的侧边弯曲度
下列长度上的侧边弯曲度允许偏差>1000~2000
复合带的侧边弯曲度应符合表11的规定。表11
>50.0~300.0
卷材的毛刺、错层、塔形
>2000~3500
复合带的侧边弯曲度
>3500~6000
带材的侧边弯曲度
单位为毫米
>6000~10000
单位为毫米
卷材的毛刺、错层、塔形的要求见表12。告制管用复合带的毛刺、错层、塔形的要求见表13。4.5
室温拉伸力学性能
复合材的室温拉伸力学性能应符合表14的规定,翅片用复合箔、制管用复合带、深冲用复合板的室温拉伸力学性能应分别符合表15、表16、表17的规定。需方有特殊要求时,由供需双方协商确定,并在订货单(或合同)中具体注明。
0.050~0.100
>0.100~0.200
>0.200~0.400
>0.400~1.000
>1.000~2.000
>2.000~6.000
卷材的毛刺、错层、塔形
单位为毫米
>0.200~0.300
>0.300~0.600
钎焊层
4A13、4A17、4A43、
4A45、4045、4047、
制管用复合带的毛刺、错层、塔形毛刺
复合材的室温拉伸力学性能
3A11.3B11.3003.
3005,7A11.7072
0.050~0.100
>0.100~0.200
>0.200~1.300
>1.300~6.000
0.050~0.100
>0.100~0.200
>0.200~1.300
>1.300~6.000
0.050~0.100
>0.100~0.200
>0.200~1.300
>1.300~6.000
0.050~0.100
>0.100~0.200
>0.200~1.300
>1.300~6.000
0.050~0.100
>0.100~0.200
>0.200~1.300
>1.300~6.000
0.050~0.100
>0.100~0.200
>0.200~1.300
>1.300~6.000
0.050~0.100
>0.100~0.200
>0.200~1.300
>1.300~6.000
0.050~0.100
>0.100~0.200
>0.200~6.000
抗拉强度Rm
95~160
120~170
120~170
150~200
150200
170~230
170~230
GB/T33369—2016
单位为毫米
规定非比例
延伸强度Rmo.2
断后伸长率
Aso mm
不小于
GB/T33369—2016
钎焊层
4004.4104
4004.4045、
4104,4343
钎焊层
3A11.3B11.3003,
3005.7A11.7072
6A02、6060、
6063.6951
4A13、4A17、4A43、
4A45、4004.4045
4104.4343
3A11,3003.7A11
表14(续)
0.050~0.100
>0.100~0.200
>0.200~1.300
>1.300~6.000
0.050~0.100
>0.100~0.200
0.200~1.300
>1.300~6.000
0.050~0.100
>0.100~0.200
>0.200~1.300
>1.300~6.000
0.050~0.100
>0.100~0.200
>0.200~1.300
>1.300~6.000
0.050~0.100
>0.100~0.200
>0.200~1.300
>1.300~6.000
0.200~6.000
抗拉强度Rm
95~165
125~205
125~205
145~225
145~225
≤160
翅片用复合箔的室温拉伸力学性能状态
0.050~0.100
0.100-~0.200
0.050~0.100
>0.100~0.200
抗拉强度R
150~210
170230
规定非比例
延伸强度Ro.2
断后伸长率
不小于
规定非比例延
伸强度Rmo.2
断后伸长率
Ase mm
不小于
钎焊层
4A13、4A17、4A43、
4A45、4004,4045.
4047.4104.4343
钎焊层
4A13.4A17,4A43
4A45.4004.4045、
4047.4104、4343
4004、4045、
4104、4343
4.6杯突性能
制管用复合带的室温拉伸力学性能厚度
3B11.3003、
30057072
3B11、3003、
3005.7072此内容来自标准下载网
6A02.6060、
6063.6951
>0.200~1.300
>1.300~3.000
>0.200~1.300
>1.300~3.000
抗拉强度R
160230
160~220
深冲用复合板的室温拉伸力学性能厚度
0.300-1.300
>1.300~6.000
0.300~6.000
抗拉强度Rm
95~160
≤160
GB/T33369—2016
规定非比例
延伸强度
断后伸长率
Aso mm
不小于
规定非比例
延伸强度
断后伸长率
Aso mm
不小于
深冲用复合板的杯突值应符合表18的规定。需方有特殊要求时,由供需双方协商确定,并在订货单(或合同)中具体注明。
深冲用复合板的杯突值
钎焊层
4A13、4A17、4A43、
4A45.4004.4045.
4047.4104.4343
4004.4045.4104.4343
3B11.3003.3005.7072
6A02.6060.6063.6951
0.300~0.600
>0.600~1.000
>1.000~1.300
>1.300~6.000
0.300~6.000
杯突值
GB/T33369—2016
4.7管芯
管芯材质、长度、长度偏差由供需双方协商确定,并在订货单(或合同)中注明。管芯的内、外壁应洁净、光滑、无污物。管芯内径及允许偏差应符合表19的规定。表19管芯内径及偏差
管芯内径
150.0.200.0、250.0
300.0.400.0.405.0.500.0.505.04.8外观质量
内径充许偏差
单位为毫米
4.8.1复合材表面不准许有裂纹、腐蚀、气泡、穿通气孔、金属及非金属压人等影响材料成形或钎焊性能的缺陷。
4.8.2复合材表面准许有轻微的印痕、擦伤、划伤、条纹等不影响使用的缺陷。4.8.3复合卷材不准许有燕窝。
4.8.4复合卷材不准许有接头。
4.8.5复合材的基体与包覆层之间应结合牢固,不准许有包覆层脱落和局部未包覆现象5试验方法
化学成分
5.1.1可采用铸造样品分析或成品分析。5.1.2采用铸造样品分析时,按GB/T20975或GB/T7999(仲裁时按GB/T20975),对代表各组元层的铝及铝合金材料铸造样品的化学成分进行分析测定。5.1.3采用成品分析时,首先应按GB/T3246.1规定的金相法,测出试样坏料的包覆率,然后按GB/T20975或GB/T7999(仲裁时按GB/T20975),分析测定试样坏料的综合成分及各基体组元层的化学成分,通过计算确定试样坏料针焊层的化学成分。5.1.4对于3A11,3B11、4A43、4A45、4104.6951、7A11,仅对表3中\A1”及\其他杂质”栏之外有数值规定的元素进行常规化学分析。当怀疑非常规分析元素的质量分数超出了本标准的限定值时,生产者应对这些元素进行分析。
5.1.5“A1\含量按GB/T3190规定的方法计算,计算“A1含量时,取常规分析元素与怀疑超量的非常规分析元素分析数值的和作为“元素含量总和”。5.1.6分析数值的判定采用修约比较法,数值修约规则按GB/T8170的有关规定进行,修约数位应与本标准的表2或GB/T3190规定的极限数位一致。5.2包覆率偏差
复合材的包覆率检验方法按GB/T3246.1执行。5.3尺寸偏差
5.3.1厚度
厚度小于或等于0.130mm的复合材用刻度值不大于0.001mm的测微计测量:厚度大于0.130mm、10
小提示:此标准内容仅展示完整标准里的部分截取内容,若需要完整标准请到上方自行免费下载完整标准文档。
中华人民共和国国家标准
GB/T33369—2016
钎焊用铝合金复合板、带、箔材Aluminium alloy clad sheets,strips and foils for brazing2016-12-30发布
中华人民共和国国家质量监督检验检疫总局中国国家标准化管理委员会
2017-11-01实施
本标准按照GB/T1.12009给出的规则起草本标准由中国有色金属工业协会提出。本标准由全国有色金属标准化技术委员会(SAC/TC243)归口。GB/T33369—2016
本标准负责起草单位:银邦金属复合材料股份有限公司、东北轻合金有限责任公司。本标准参加起草单位:有色金属技术经济研究院,乳源东阳光精箔有限公司、苏州有色金属研究院有限公司、格朗吉斯铝业(上海)有限公司、江苏常铝铝业股份有限公司、西南铝业(集团)有限责任公司、镇江鼎盛铝业股份有限公司、厦门厦顺铝箔有限公司、浙江永杰铝业有限公司。本标准主要起草人:周德敬、陈鑫、李龙、王强、郭瑞、葛立新、郭飞跃、张海、万小峰、张敏达、吴保剑、凌亚标、田小梅、代陈绪。
1范围
钎焊用铝合金复合板、带、箔材GB/T33369—2016
本标准规定了针焊用铝合金复合板、带、箔材的要求、试验方法、检验规则和标志、包装、运输、贮存及质量证明书与订货单或合同)内容。本标准适用于钎焊用铝合金复合板、带、箔材(以下简称复合材)。2规范性引用文件
下列文件对于本文件的应用是必不可少的。凡是注日期的引用文件,仅注日期的版本适用于本文件。凡是不注日期的引用文件,其最新版本(包括所有的修改单)适用于本文件GB/T3190
GB/T3199
变形铝及铝合金化学成分
铝及铝合金加工产品包装、标志、运输、贮存GB/T 3246.1
GB/T3880.3
GB/T4156
GB/T7999
GB/T8170
GB/T16865
GB/T17432
变形铝及铝合金制品组织检验方法第1部分:显微组织检验方法一般工业用铝及铝合金板带材第3部分:尺寸偏差金属材料薄板和薄带埃里克森杯突试验铝及铝合金光电直读发射光谱分析方法数值修约规则与极限数值的表示和判定变形铝、镁及其合金加工制品拉伸试验用试样及方法变形铝及铝合金化学成分分析取样方法GB/T20975(所有部分)铝及铝合金化学分析方法GB/T27675
术语和定义
铝及铝合金复合板、带、箔材牌号表示方法下列术语和定义适用于本文件。3.1
铝合金复合板aluminiumalloyclad sheets由两种或两种以上铝合金材料经轧制复合后制成的板材。3.2
铝合金复合带、箔
aluminium alloyclad strips,foils由两种或两种以上铝合金材料经轧制复合后制成的带,箔材(以下简称卷材)。3.3
钎焊层cladding
在复合材料中起钎焊作用的包覆层。3.4
matrix alloy
在复合材料中起结构作用或有特殊作用的芯层。1
iiiKAoNiKAca
GB/T33369—2016
包覆率cladratio
单个包覆层厚度占复合材总厚度的百分率,按式(1)计算,F=
式中:
4要求
包覆率,%;
包覆层厚度(见图1),单位为毫米(mm);复合材总厚度(见图1),单位为毫米(mm)包覆层
图1复合材截面示意图
4.1产品分类
4.1.1复合材牌号、状态、包覆率、尺寸规格4.1.1.1
复合材牌号表示方法应符合GB/T27675的规定.......(1)
复合材牌号状态、包覆率及尺寸规格应符合表1的规定。需方要求其他牌号、状态,包覆率及尺寸规格时,由供需双方协商确定,并在订货单(或合同)中注明。表1
钎焊层牌号
基体牌号:
复合材牌号、状态、包覆率及尺寸规格包覆率
注:复合材牌号的构成按照钎焊层、基体合金的顺序,中间加“/\排列。7072属于防腐层,其他属于结构层2
板材长度
≤10000
典型内径
卷材外径
GB/T33369—2016
4.1.1.3翅片用复合箔、制管用复合带、深冲用复合板的典型牌号、状态、包覆率及尺寸规格分别参见附录A中表A.1、表A.2、表A.3。
4.1.1.4复合材基体合金和钰焊层合金固、液相线温度及钰焊温度参见附录B4.1.2标记示例
产品标记按产品名称、标准号、牌号或代号(代号表示方法参见附录C)状态及尺寸规格的顺序表示。标记示例如下:
示例1:
牌号为4343/3003/7072.0状态、厚度为1.500mm、宽度为1070.0mm,长度为2000mm的铝合金复合板,标记为:
复合板GB/T33369—4343/3003/70720—1.500X1070.0X2000示例2:
牌号为4343/3003/4343、H24状态、厚度为0.250mm、宽度为200.0mm的铝合金复合带,标记为:复合带GB/T33369—4343/3003/4343H24-0.250X200.0示例3:
牌号为4343/3003/4343、H14状态、厚度为0.080mm.宽度为16.0mm的铝合金复合箔,标记为:复合箔GB/T33369—4343/3003/4343H14-0.080X16.04.2化学成分
3A11.3B11、4A43、4A45、4104、6951、7A11合金化学成分应符合表2的规定.其他牌号的化学成分应符合GB/T3190的要求。需方对合金化学成分有特殊要求时,由供需双方协商确定,并在订货单(或合同)中注明。
表2化学成分
化学成分(质量分数)
其他指表中未列出或末规定数值的元素Mg
其他“
铝的质量分数为100.00%与所有含量不小于0.010%的元素含量总和的差值,求和前各元素数值要表示到0.0x%。
GB/T33369—2016
包覆率偏差
包覆率偏差应符合表3的规定。需方有特殊要求时,由供需双方协商确定,并在订货单(或合同)中注明。表3
包覆率
>8.0~13.0
>13.0~25.0
尺寸偏差
包覆率偏差
包覆率允许偏差
复合材的厚度偏差应符合表4的规定。需方有特殊要求时,由供需双方协商确定,并在订货单(或合同)中注明。
≤1000.0
0.050~0.100
>0.100~0.200
>0.200~0.400
>0.400~0.700
>0.700~1.100
>1.100~2.400
>2.400~3.600
>3.600~6.000
厚度偏差
下列宽度上的厚度充许偏差
>1 000.0~1 320.0
单位为毫米
>1320.0~1600.0
复合板的宽度偏差应符合表5的规定。需方有特殊要求时,由供需双方协商确定,并在订货单(或合同)中注明。
≤1000.0
>0.200~3.000
>3.000~6.000
复合板宽度偏差
下列宽度上的宽度充许偏差
>1 000.0~1 320.0
单位为毫米
>1320.01600.0
GB/T33369—2016
复合带的宽度偏差应符合表6的规定。需方有特殊要求时,由供需双方协商确定,并在订货单(或合同)中注明。
7.0~100.0
>0.200~0.240
>0.240~0.400
>0.400~0.800
>0.800~1.500
>1.500~2.000
>2.000~3.000
>3.0006.000
复合带宽度偏差
下列宽度上的宽度充许偏差
>100.0~300.0
>300.0~900.0
单位为毫米
>900.0~1400.0
复合箔的宽度偏差应符合表7的规定。需方有特殊要求时,由供需双方协商确定,并在订货单4.4.2.3
(或合同)中注明。
复合箔宽度偏差
7.0~100.0
>100.0~300.0
>300.0~1320.0
4.4.3长度
宽度允许偏差
单位为毫米
复合板的长度偏差应合符表8的规定。需方有特殊要求时,由供需双方协商确定,并在订货单(或合同)中注明。
>0.200~6.000
4.4.4对角线
复合板的对角线应符合表9的规定。不平度
复合板长度偏差
下列长度上的长度允许偏差
复合板的不平度应符合GB/T3880.3的规定,4.4.6侧边弯曲度
复合板的侧边弯曲度应符合表10的规定。>3000
单位为毫米
GB/T33369—2016
宽度W
对角线偏差
下列长度上的对角线差值,不大于≤3700
2.4XW/300
2.0xW/300
单位为毫米
3.6XW/300
2.8xW/300
注:当宽度W不是300.0mm的整数倍时,用其整数倍加1来确定偏差。例如:宽度W为1220.0mm,长度为2000mm,则对角线差值为:2.0×(4+1)mm=10.0mm。表10
≤1000.0
>1000.0~1320.0
>1320.0~1600.0
复合板的侧边弯曲度
下列长度上的侧边弯曲度允许偏差>1000~2000
复合带的侧边弯曲度应符合表11的规定。表11
>50.0~300.0
卷材的毛刺、错层、塔形
>2000~3500
复合带的侧边弯曲度
>3500~6000
带材的侧边弯曲度
单位为毫米
>6000~10000
单位为毫米
卷材的毛刺、错层、塔形的要求见表12。告制管用复合带的毛刺、错层、塔形的要求见表13。4.5
室温拉伸力学性能
复合材的室温拉伸力学性能应符合表14的规定,翅片用复合箔、制管用复合带、深冲用复合板的室温拉伸力学性能应分别符合表15、表16、表17的规定。需方有特殊要求时,由供需双方协商确定,并在订货单(或合同)中具体注明。
0.050~0.100
>0.100~0.200
>0.200~0.400
>0.400~1.000
>1.000~2.000
>2.000~6.000
卷材的毛刺、错层、塔形
单位为毫米
>0.200~0.300
>0.300~0.600
钎焊层
4A13、4A17、4A43、
4A45、4045、4047、
制管用复合带的毛刺、错层、塔形毛刺
复合材的室温拉伸力学性能
3A11.3B11.3003.
3005,7A11.7072
0.050~0.100
>0.100~0.200
>0.200~1.300
>1.300~6.000
0.050~0.100
>0.100~0.200
>0.200~1.300
>1.300~6.000
0.050~0.100
>0.100~0.200
>0.200~1.300
>1.300~6.000
0.050~0.100
>0.100~0.200
>0.200~1.300
>1.300~6.000
0.050~0.100
>0.100~0.200
>0.200~1.300
>1.300~6.000
0.050~0.100
>0.100~0.200
>0.200~1.300
>1.300~6.000
0.050~0.100
>0.100~0.200
>0.200~1.300
>1.300~6.000
0.050~0.100
>0.100~0.200
>0.200~6.000
抗拉强度Rm
95~160
120~170
120~170
150~200
150200
170~230
170~230
GB/T33369—2016
单位为毫米
规定非比例
延伸强度Rmo.2
断后伸长率
Aso mm
不小于
GB/T33369—2016
钎焊层
4004.4104
4004.4045、
4104,4343
钎焊层
3A11.3B11.3003,
3005.7A11.7072
6A02、6060、
6063.6951
4A13、4A17、4A43、
4A45、4004.4045
4104.4343
3A11,3003.7A11
表14(续)
0.050~0.100
>0.100~0.200
>0.200~1.300
>1.300~6.000
0.050~0.100
>0.100~0.200
0.200~1.300
>1.300~6.000
0.050~0.100
>0.100~0.200
>0.200~1.300
>1.300~6.000
0.050~0.100
>0.100~0.200
>0.200~1.300
>1.300~6.000
0.050~0.100
>0.100~0.200
>0.200~1.300
>1.300~6.000
0.200~6.000
抗拉强度Rm
95~165
125~205
125~205
145~225
145~225
≤160
翅片用复合箔的室温拉伸力学性能状态
0.050~0.100
0.100-~0.200
0.050~0.100
>0.100~0.200
抗拉强度R
150~210
170230
规定非比例
延伸强度Ro.2
断后伸长率
不小于
规定非比例延
伸强度Rmo.2
断后伸长率
Ase mm
不小于
钎焊层
4A13、4A17、4A43、
4A45、4004,4045.
4047.4104.4343
钎焊层
4A13.4A17,4A43
4A45.4004.4045、
4047.4104、4343
4004、4045、
4104、4343
4.6杯突性能
制管用复合带的室温拉伸力学性能厚度
3B11.3003、
30057072
3B11、3003、
3005.7072此内容来自标准下载网
6A02.6060、
6063.6951
>0.200~1.300
>1.300~3.000
>0.200~1.300
>1.300~3.000
抗拉强度R
160230
160~220
深冲用复合板的室温拉伸力学性能厚度
0.300-1.300
>1.300~6.000
0.300~6.000
抗拉强度Rm
95~160
≤160
GB/T33369—2016
规定非比例
延伸强度
断后伸长率
Aso mm
不小于
规定非比例
延伸强度
断后伸长率
Aso mm
不小于
深冲用复合板的杯突值应符合表18的规定。需方有特殊要求时,由供需双方协商确定,并在订货单(或合同)中具体注明。
深冲用复合板的杯突值
钎焊层
4A13、4A17、4A43、
4A45.4004.4045.
4047.4104.4343
4004.4045.4104.4343
3B11.3003.3005.7072
6A02.6060.6063.6951
0.300~0.600
>0.600~1.000
>1.000~1.300
>1.300~6.000
0.300~6.000
杯突值
GB/T33369—2016
4.7管芯
管芯材质、长度、长度偏差由供需双方协商确定,并在订货单(或合同)中注明。管芯的内、外壁应洁净、光滑、无污物。管芯内径及允许偏差应符合表19的规定。表19管芯内径及偏差
管芯内径
150.0.200.0、250.0
300.0.400.0.405.0.500.0.505.04.8外观质量
内径充许偏差
单位为毫米
4.8.1复合材表面不准许有裂纹、腐蚀、气泡、穿通气孔、金属及非金属压人等影响材料成形或钎焊性能的缺陷。
4.8.2复合材表面准许有轻微的印痕、擦伤、划伤、条纹等不影响使用的缺陷。4.8.3复合卷材不准许有燕窝。
4.8.4复合卷材不准许有接头。
4.8.5复合材的基体与包覆层之间应结合牢固,不准许有包覆层脱落和局部未包覆现象5试验方法
化学成分
5.1.1可采用铸造样品分析或成品分析。5.1.2采用铸造样品分析时,按GB/T20975或GB/T7999(仲裁时按GB/T20975),对代表各组元层的铝及铝合金材料铸造样品的化学成分进行分析测定。5.1.3采用成品分析时,首先应按GB/T3246.1规定的金相法,测出试样坏料的包覆率,然后按GB/T20975或GB/T7999(仲裁时按GB/T20975),分析测定试样坏料的综合成分及各基体组元层的化学成分,通过计算确定试样坏料针焊层的化学成分。5.1.4对于3A11,3B11、4A43、4A45、4104.6951、7A11,仅对表3中\A1”及\其他杂质”栏之外有数值规定的元素进行常规化学分析。当怀疑非常规分析元素的质量分数超出了本标准的限定值时,生产者应对这些元素进行分析。
5.1.5“A1\含量按GB/T3190规定的方法计算,计算“A1含量时,取常规分析元素与怀疑超量的非常规分析元素分析数值的和作为“元素含量总和”。5.1.6分析数值的判定采用修约比较法,数值修约规则按GB/T8170的有关规定进行,修约数位应与本标准的表2或GB/T3190规定的极限数位一致。5.2包覆率偏差
复合材的包覆率检验方法按GB/T3246.1执行。5.3尺寸偏差
5.3.1厚度
厚度小于或等于0.130mm的复合材用刻度值不大于0.001mm的测微计测量:厚度大于0.130mm、10
小提示:此标准内容仅展示完整标准里的部分截取内容,若需要完整标准请到上方自行免费下载完整标准文档。
标准图片预览:





- 其它标准
- 热门标准
- 国家标准
- GB/T18204.4-2000 公共场所毛巾、床上卧具微生物检验方法细菌总数测定
- GB/T11839-1989 二氧化铀芯块中硼的测定 姜黄素萃取光度法
- GB/T5738-1995 瓶装酒、饮料塑料周转箱
- GB/T7433-1987 对称电缆载波通信系统抗无线电广播和通信干扰的指标
- GB/T21238-2007 玻璃纤维增强塑料夹砂管
- GB/T28809-2012 轨道交通 通信、信号和处理系统 信号用安全相关电子系统
- GB/T15917.3-1995 金属镝及氧化镝化学分析方法 对氯苯基荧光酮--溴化十六烷基三甲基胺分光光度法测定钽量
- GB5793-1986 字鼓式行式打印机色带卷轴基本尺寸
- GB/T11813-2008 压水堆燃料棒氦质谱检漏
- GB/T38780-2020 竹席
- GB/T10827.5-2023 工业车辆 安全要求和验证 第5部分:步行式车辆
- GB/T14652.2-2001 小艇﹐非耐火燃油软管
- GB12528.1-1990 交流额定电压3 kV及以下铁路机车车辆用电缆(电线) 一般规定
- GB/T3907-1983 工业无线电干扰基本测量方法
- GB/T15969.5-2002 可编程序控制器 第5部分: 通信
- 行业新闻
请牢记:“bzxz.net”即是“标准下载”四个汉字汉语拼音首字母与国际顶级域名“.net”的组合。 ©2025 标准下载网 www.bzxz.net 本站邮件:bzxznet@163.com
网站备案号:湘ICP备2025141790号-2
网站备案号:湘ICP备2025141790号-2