- 您的位置:
- 标准下载网 >>
- 标准分类 >>
- 纺织行业标准(FZ) >>
- FZ∕T 33004-2018 亚麻色织布
标准号:
FZ∕T 33004-2018
标准名称:
亚麻色织布
标准类别:
纺织行业标准(FZ)
标准状态:
现行出版语种:
简体中文下载格式:
.rar .pdf下载大小:
相关标签:
织布
部分标准内容:
ICS59.080.30
中华人民共和国纺织行业标准
FZ/T33004—2018
代替FZ/T33004—2006
亚麻色织布
Flaxyarn-dyed fabric
2018-04-30发布
中华人民共和国工业和信息化部发布
2018-09-01实施
本标准按照GB/T1.1一2009给出的规则起草。FZ/T33004—2018
本标准代替FZ/T33004—2006%亚麻色织布》,与FZ/T33004—2006相比主要技术变化如下:亚麻色织布的英文“flaxyarndyed fabrics\修改为“flaxyarn-dyed fabrie”,对范围进行了修改;
“基本安全技术要求应符合GB18401—2003”改为应符合GB18401”;调整了密度偏差率指标的技术要求;调整了断裂强力指标的技术要求;调整了撕破强力指标的技术要求;调整了单位面积质量偏差率指标的技术要求;调整了耐热压色牢度优等品指标的技术要求;外观质量的评分要求由十分制改为四分制,增加了对麻粒或深浅疵点指标的考核;对外观质量的评分方法进行了重新规定;修改了检验规则的内容;
修改了附录A的内容;
把附录B改成资料性附录,并修改了内容。本标准由中国纺织工业联合会提出。本标准由全国纺织品标准化技术委员会麻纺织品分会(SAC/TC209/SC4)归口。本标准起草单位:浙江上虞飞龙丝绸染整有限公司、绍兴市质量技术监督检测院、黑龙江省纺织产品质量监督检验测试中心、新申集团有限公司、齐齐哈尔大学、徐洲如心智能科技有限公司、厦门晨智数字科技有限公司。
本标准主要起草人:王建刚、付成彦、孙煜炜、胡建良、宋秘钊、倪费、黄黎平。本标准所代替标准的历次版本发布情况为:FZ/T33004—1994,FZ/T33004—2006。I
1范围
亚麻色织布
本标准规定了亚麻色织布的要求、试验方法、检验规则及标志、包装、运输等。FZ/T33004—2018
本标准适用于鉴定机织亚麻色织布的品质。亚麻与其他纤维(弹性纤维除外)混纺、交织的色织布可参照执行。
2规范性引用文件
下列文件对于本文件的应用是必不可少的。凡是注日期的引用文件,仅注日期的版本适用于本文件。凡是不注日期的引用文件,其最新版本(包括所有的修改单)适用于本文件。GB/T250纺织品
色牢度试验评定变色用灰色样卡GB/T2910(所有部分)纺织品定量化学分析纺织品织物撕破性能第1部分:冲击摆锤法撕破强力的测定GB/T3917.1
GB/T3920
纺织品色牢度试验耐摩擦色牢度GB/T39212008纺织品色牢度试验耐皂洗色牢度GB/T 3923.1
GB/T4666
GB/T4668
GB/T4669
纺织品织物拉伸性能第1部分:断裂强力和断裂伸长率的测定(条样法)纺织品织物长度和幅宽的测定
机织物密度的测定
纺织品机织物单位长度质量和单位面积质量的测定GB/T5296.4
GB/T6152
GB/T8170
消费品使用说明第4部分:纺织品和服装纺织品色牢度试验耐热压色牢度数值修约规则与极限数值的表示和判定GB/T8427—2008纺织品色牢度试验耐人造光色牢度:氙弧GB/T8628
GB/T8629
GB/T8630
GB/T14801
GB18401
纺织品测定尺寸变化的试验中织物试样和服装的准备、标记及测量试验用家庭洗涤和干燥程序
纺织品
纺织品
洗涤和干燥后尺寸变化的测定
机织物与针织物纬斜和弓纬试验方法国家纺织产品基本安全技术规范GB/T29862
FZ/T01057
3要求
纺织品纤维含量的标识
(所有部分)纺织纤维鉴别试验方法3.1基本安全技术要求
亚麻色织布的基本安全技术要求应符合GB18401的规定。3.2技术要求
亚麻色织布的技术要求分为内在质量和外观质量两个方面。1
FZ/T33004—2018
内在质量包括:纤维含量,密度、单位面积质量,断裂强力、撕破强力水洗尺寸变化率和染色牢度。
外观质量包括:局部性症点和散布性疵点。质量评定
质量评定以匹为单位,分为优等品、一等品、合格品,低于合格品的为等外品。其中,内在质量按批评定,外观质量按匹(段)评定。在同一匹(段)布内,内在质量以最低一项评等;外观质量的品等由局部性疵点和散布性疵点中最低品等评定,以内在质量和外观质量中最低一项评定作为该匹(段)布的品等。
内在质量要求见表1。
考核项目
纤维含量
密度偏差率”
单位面积质量偏差率
断裂强力
撕破强力
水洗尺寸变化率
耐靡擦
耐皂洗
耐热压
130g/m及以下
130g/m2~300g/m2
300g/m2及以上
内在质量要求
密度偏差率要求按供求双方合同,按成品密度考核。优等品
一等品
按GB/T29862执行
-1.5及以内
—2.0及以内
—3.0及以内
—3.0及以内
单位面积质量偏差率要求按供求双方合同,按成品单位面积质量考核。外观质量要求见表2。
外观质量要求
局部性疵点
散布性疵点
考核项目
歪斜(花斜、纬斜、条格斜)
麻粒或深浅抵点
幅宽偏差率
分/100m
优等品
2.0及以内
一2.5及以内
-5.0及以内
一4.0及以内
合格品
-2.5及以内
—3.0及以内
7.0及以内
-5.0及以内
2-3(深色2)
4(浅色3-4)
一等品
不影响外观
-1.0及以内
-1.5及以内
合格品
-2.0及以内
散布性疵点
考核项目
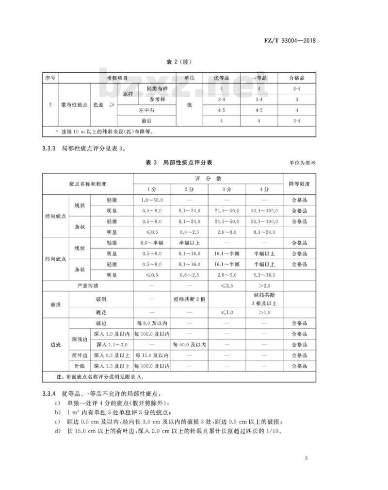
表2(续)
同类布样
参考样
左中右
连续10m以上的纬斜全段(匹)布降等。局部性症点评分见表3。
疵点名称和程度
经向点
纬向概点
严重污渍
深浅边
荷叶边
深入1.0及以内
深人1.1~2.0
深人0.5及以上
深人1.5及以上
局部性疵点评分表
8.0~半幅
每8.0及以内
每100.0及以内
每15.0及以内
每100.0及以内
注:布面疵点名称评分说明见附录A3.3.4
优等品,一等品不充许的局部性疵点:a)
单独一处评4分的症点(假开剪除外);1m内有单独3处单独评3分的疵点:8.1~24.0
半幅以上
经纬共断2根
每50.0及以内
优等品
24.1~50.0
24.1~50.0
16.1~半幅
16.1~半幅
FZ/T33004—2018
一等品
50.1~100.0
50.1100.0
半幅以上
半幅以上
经纬共断
3根及以上
距边0.5cm及以内,经向长3.0cm及以内的破损3处,距边0.5cm以上的破损;长15.0cm以上的荷叶边,深入2.0cm以上的针眼且累计长度超过匹长的1/10。合格品
单位为厘米
降等限度
合格品
合格品
合格品
合格品
合格品
合格品
合格品
合格品
合格品
合格品
合格品
FZ/T33004—2018
假开剪和拼件的规定
3.4.1假开剪的疵点应是评4分或者3分难以修正的疵点,假开剪后各段布都应是一等品。3.4.2凡用户充许假开剪或拼件的,可实行假开剪和拼件,最低拼件长度不低于10m:假开剪和拼件按二联匹不充许超过2处,三联匹及以上不充许超过3处。3.4.3假开剪和拼件率合计不允许超过20%,其中拼件率不得超过10%。另有规定的按双方协议执行。免费标准下载网bzxz
3.4.5假开剪布应作明显标记,包内附假开剪段长记录单。4
试验方法
基本安全技术性能
基本安全技术指标检验按GB18401规定执行,纤维含量
纤维含量检验按FZ/T01057(所有部分)GB/T2910(所有部分)执行。4.3密度
密度检验按GB/T4668执行。
单位面积质量
单位面积质量检验按GB/T4669执行。4.5
5断裂强力
断裂强力检验按GB/T3923.1执行。5撕破强力
撕破强力检验按GB/T3917.1执行。4.7
水洗尺寸变化率
水洗尺寸变化率检验按GB/T8628、GB/T8629(温度:50℃C士3℃,时间:15min,悬挂晾干)和GB/T8630执行。
3耐摩擦色牢度
耐摩擦色牢度检验按GB/T3920执行。4.9
耐皂洗色牢度
耐皂洗色牢度检验按GB/T3921—2008方法3规定执行。4.10
耐热压色牢度
耐热压色牢度检验按GB/T6152(温度150C土2℃,潮压法)执行。4
4.11耐光色牢度
耐光色牢度按GB/T8427—2008方法3规定执行。4.12
幅宽检验按GB/T4666执行。
歪斜率
歪斜率检验按GB/T14801执行。
色差按GB250评定。
外观检验
检验以段(匹)为单位进行,症点定等以布面正面为准FZ/T33004—2018
检验采用的灯光要求40W加罩青光日光灯管3根~4根,照度不低于7501x,光源与布面距离为1.0m~1.2m。
4.15.3验布机验布板角度为45°,布行速度最高为40m/min。按验布机上做出的疵点标记评分评等。4.15.4
产品幅宽超过150cm时,应有2人进行检验。4.15.5
布匹复验、验收时应将布平摊在布台上逐幅检验,检验人员的视线应正视布台,眼睛与布台的距离为55cm~60cm。
5局部性点允许总评分按式(1)计算,计算结果按GB/T8170修约到个位。4.15.6
A=(aXLXW)/100
式中:
每段(匹)布的局部性疵点允许总评分,单位为分每段(匹)[分/段(匹):每百平方米允许评分数,单位为分每百平方米(分/100m);段(匹)长,单位为米(m);
标准幅宽,单位为米(m)
斑渍、色条、纬纱或条格歪斜计量方法参见附录B。4.15.7
检验规则
抽样方法
5.1.1以同一品种、同一规格或同一任务单(合同号)为同一检验批。当同一检验批数量很大,需分期分批交货时,可适当分批,分别检验。5.1.2内在质量抽样,在同一批产品中,分别在不同的段(匹)中抽取1块(每批不得少于3块),每块不小于全幅2m。不同颜色分别抽取。5.1.3外观质量的抽样按表4执行。5
FZ/T33004—2018
批量范围N
91~150
151~280
281~500
501~1200
1201~3200
>3 200
检验结果的评定
表4外观质量抽样方案
样本大小n
合格判定数Ac
单位为段(匹)
不合格判定数Re
内在质量检验结果评定以全部抽验样品试验结果的平均值作为该批产品的试验结果。平均值5.2.1
合格的判定为全批合格,平均值不合格的判定为全批不合格。5.2.2外观质量抽检中,若不符合产品等级的段(匹)数小于或等于接收数(Ac),则该批产品为合格,但已发现的不符品等的产品由生产厂负责调换或降价处理。若抽检中不符品等数的段(匹)数大于或等于拒收数(Re),则该批产品为不合格。3复验
有关方对检验结果有异议时,可以会同复验或委托专业检验机构进行型式仲裁检验。复验以一次为准,凡判断合格的应作全批合格处理,判断不合格的应作全批不合格处理。?
标志、包装和运输
按GB/T5296.4执行,至少包括以下内容:厂名厂址;
产品名称;
规格(纱支、密度、幅宽);
纤维成分含量;
洗涤说明;
执行标准;
产品质量等级;
产品质量检验合格证明;
符合GB18401的类别。
应保证整齐、牢固,包内产品质量不受损伤,便于运输。3运输
运输中保证产品质量不受损伤,安全稳妥。其他
用户有特殊要求者,可由供需双方另订协议。FZ/T33004—2018
FZ/T33004—2018
A.1疵点名称说明
附录A
(规范性附录)
布面疵点评分说明
A.1.1线状概点与条状症点:沿经向或纬向延伸的症点,宽度在0.2cm及以内的为线状疵点,超过0.2cm的为条状疵点。
A.1.2轻微与明显区分:参照GB250评定变色用灰色样卡,4级为轻微,3-4级及以下为明显。A.1.3条花:色泽深浅界线模糊,难以计量宽窄的,沿经向延伸的长形疵点。A.1.4
破损:断掉两根及以上纱线或织物组织结构不完整的疵点。A.1.5深浅细点:麻纱起球,在布面上造成的密集的点状疵点。A.2
局部性症点评分说明
评分。
在标准光源检验条件下,单层看不出的症点不评分。疵点长度按经向或纬向的最大长度计量,长度超过本标准最大要求的另行重新计量评分。若有几种疵点同时存在,应分别量计,累计评分。除破损、深浅边和荷叶边外,距边1cm及以内的其他疵点不评分重叠的局部性疵点,按评分多的一项评定。未列人本标准的其他疵点,按其形状,参照相似疵点散布性症点评分说明
A.3.1有两个及以上的散布性疵点同时存在时,以其中严重一项定等。散布性疵点的色差参照GB250评级,A.3.2
附录B
(资料性附录)
斑渍、色条、纬纱或条格歪斜计量方法B.1成曲形的色条疵点按实际影响面积的最大距离计量(见图B.1)。纬向
斑渍疵点按最大长度计量(见图B.2)。回要
FZ/T33004—2018
B.3纬纱或条格歪斜的歪形或曲形均以布幅水平最大距离计量(见图B.3~图B.5)。布幅水平
FZ/T33004—2018
布幅水平
布幅水平
小提示:此标准内容仅展示完整标准里的部分截取内容,若需要完整标准请到上方自行免费下载完整标准文档。
中华人民共和国纺织行业标准
FZ/T33004—2018
代替FZ/T33004—2006
亚麻色织布
Flaxyarn-dyed fabric
2018-04-30发布
中华人民共和国工业和信息化部发布
2018-09-01实施
本标准按照GB/T1.1一2009给出的规则起草。FZ/T33004—2018
本标准代替FZ/T33004—2006%亚麻色织布》,与FZ/T33004—2006相比主要技术变化如下:亚麻色织布的英文“flaxyarndyed fabrics\修改为“flaxyarn-dyed fabrie”,对范围进行了修改;
“基本安全技术要求应符合GB18401—2003”改为应符合GB18401”;调整了密度偏差率指标的技术要求;调整了断裂强力指标的技术要求;调整了撕破强力指标的技术要求;调整了单位面积质量偏差率指标的技术要求;调整了耐热压色牢度优等品指标的技术要求;外观质量的评分要求由十分制改为四分制,增加了对麻粒或深浅疵点指标的考核;对外观质量的评分方法进行了重新规定;修改了检验规则的内容;
修改了附录A的内容;
把附录B改成资料性附录,并修改了内容。本标准由中国纺织工业联合会提出。本标准由全国纺织品标准化技术委员会麻纺织品分会(SAC/TC209/SC4)归口。本标准起草单位:浙江上虞飞龙丝绸染整有限公司、绍兴市质量技术监督检测院、黑龙江省纺织产品质量监督检验测试中心、新申集团有限公司、齐齐哈尔大学、徐洲如心智能科技有限公司、厦门晨智数字科技有限公司。
本标准主要起草人:王建刚、付成彦、孙煜炜、胡建良、宋秘钊、倪费、黄黎平。本标准所代替标准的历次版本发布情况为:FZ/T33004—1994,FZ/T33004—2006。I
1范围
亚麻色织布
本标准规定了亚麻色织布的要求、试验方法、检验规则及标志、包装、运输等。FZ/T33004—2018
本标准适用于鉴定机织亚麻色织布的品质。亚麻与其他纤维(弹性纤维除外)混纺、交织的色织布可参照执行。
2规范性引用文件
下列文件对于本文件的应用是必不可少的。凡是注日期的引用文件,仅注日期的版本适用于本文件。凡是不注日期的引用文件,其最新版本(包括所有的修改单)适用于本文件。GB/T250纺织品
色牢度试验评定变色用灰色样卡GB/T2910(所有部分)纺织品定量化学分析纺织品织物撕破性能第1部分:冲击摆锤法撕破强力的测定GB/T3917.1
GB/T3920
纺织品色牢度试验耐摩擦色牢度GB/T39212008纺织品色牢度试验耐皂洗色牢度GB/T 3923.1
GB/T4666
GB/T4668
GB/T4669
纺织品织物拉伸性能第1部分:断裂强力和断裂伸长率的测定(条样法)纺织品织物长度和幅宽的测定
机织物密度的测定
纺织品机织物单位长度质量和单位面积质量的测定GB/T5296.4
GB/T6152
GB/T8170
消费品使用说明第4部分:纺织品和服装纺织品色牢度试验耐热压色牢度数值修约规则与极限数值的表示和判定GB/T8427—2008纺织品色牢度试验耐人造光色牢度:氙弧GB/T8628
GB/T8629
GB/T8630
GB/T14801
GB18401
纺织品测定尺寸变化的试验中织物试样和服装的准备、标记及测量试验用家庭洗涤和干燥程序
纺织品
纺织品
洗涤和干燥后尺寸变化的测定
机织物与针织物纬斜和弓纬试验方法国家纺织产品基本安全技术规范GB/T29862
FZ/T01057
3要求
纺织品纤维含量的标识
(所有部分)纺织纤维鉴别试验方法3.1基本安全技术要求
亚麻色织布的基本安全技术要求应符合GB18401的规定。3.2技术要求
亚麻色织布的技术要求分为内在质量和外观质量两个方面。1
FZ/T33004—2018
内在质量包括:纤维含量,密度、单位面积质量,断裂强力、撕破强力水洗尺寸变化率和染色牢度。
外观质量包括:局部性症点和散布性疵点。质量评定
质量评定以匹为单位,分为优等品、一等品、合格品,低于合格品的为等外品。其中,内在质量按批评定,外观质量按匹(段)评定。在同一匹(段)布内,内在质量以最低一项评等;外观质量的品等由局部性疵点和散布性疵点中最低品等评定,以内在质量和外观质量中最低一项评定作为该匹(段)布的品等。
内在质量要求见表1。
考核项目
纤维含量
密度偏差率”
单位面积质量偏差率
断裂强力
撕破强力
水洗尺寸变化率
耐靡擦
耐皂洗
耐热压
130g/m及以下
130g/m2~300g/m2
300g/m2及以上
内在质量要求
密度偏差率要求按供求双方合同,按成品密度考核。优等品
一等品
按GB/T29862执行
-1.5及以内
—2.0及以内
—3.0及以内
—3.0及以内
单位面积质量偏差率要求按供求双方合同,按成品单位面积质量考核。外观质量要求见表2。
外观质量要求
局部性疵点
散布性疵点
考核项目
歪斜(花斜、纬斜、条格斜)
麻粒或深浅抵点
幅宽偏差率
分/100m
优等品
2.0及以内
一2.5及以内
-5.0及以内
一4.0及以内
合格品
-2.5及以内
—3.0及以内
7.0及以内
-5.0及以内
2-3(深色2)
4(浅色3-4)
一等品
不影响外观
-1.0及以内
-1.5及以内
合格品
-2.0及以内
散布性疵点
考核项目
表2(续)
同类布样
参考样
左中右
连续10m以上的纬斜全段(匹)布降等。局部性症点评分见表3。
疵点名称和程度
经向点
纬向概点
严重污渍
深浅边
荷叶边
深入1.0及以内
深人1.1~2.0
深人0.5及以上
深人1.5及以上
局部性疵点评分表
8.0~半幅
每8.0及以内
每100.0及以内
每15.0及以内
每100.0及以内
注:布面疵点名称评分说明见附录A3.3.4
优等品,一等品不充许的局部性疵点:a)
单独一处评4分的症点(假开剪除外);1m内有单独3处单独评3分的疵点:8.1~24.0
半幅以上
经纬共断2根
每50.0及以内
优等品
24.1~50.0
24.1~50.0
16.1~半幅
16.1~半幅
FZ/T33004—2018
一等品
50.1~100.0
50.1100.0
半幅以上
半幅以上
经纬共断
3根及以上
距边0.5cm及以内,经向长3.0cm及以内的破损3处,距边0.5cm以上的破损;长15.0cm以上的荷叶边,深入2.0cm以上的针眼且累计长度超过匹长的1/10。合格品
单位为厘米
降等限度
合格品
合格品
合格品
合格品
合格品
合格品
合格品
合格品
合格品
合格品
合格品
FZ/T33004—2018
假开剪和拼件的规定
3.4.1假开剪的疵点应是评4分或者3分难以修正的疵点,假开剪后各段布都应是一等品。3.4.2凡用户充许假开剪或拼件的,可实行假开剪和拼件,最低拼件长度不低于10m:假开剪和拼件按二联匹不充许超过2处,三联匹及以上不充许超过3处。3.4.3假开剪和拼件率合计不允许超过20%,其中拼件率不得超过10%。另有规定的按双方协议执行。免费标准下载网bzxz
3.4.5假开剪布应作明显标记,包内附假开剪段长记录单。4
试验方法
基本安全技术性能
基本安全技术指标检验按GB18401规定执行,纤维含量
纤维含量检验按FZ/T01057(所有部分)GB/T2910(所有部分)执行。4.3密度
密度检验按GB/T4668执行。
单位面积质量
单位面积质量检验按GB/T4669执行。4.5
5断裂强力
断裂强力检验按GB/T3923.1执行。5撕破强力
撕破强力检验按GB/T3917.1执行。4.7
水洗尺寸变化率
水洗尺寸变化率检验按GB/T8628、GB/T8629(温度:50℃C士3℃,时间:15min,悬挂晾干)和GB/T8630执行。
3耐摩擦色牢度
耐摩擦色牢度检验按GB/T3920执行。4.9
耐皂洗色牢度
耐皂洗色牢度检验按GB/T3921—2008方法3规定执行。4.10
耐热压色牢度
耐热压色牢度检验按GB/T6152(温度150C土2℃,潮压法)执行。4
4.11耐光色牢度
耐光色牢度按GB/T8427—2008方法3规定执行。4.12
幅宽检验按GB/T4666执行。
歪斜率
歪斜率检验按GB/T14801执行。
色差按GB250评定。
外观检验
检验以段(匹)为单位进行,症点定等以布面正面为准FZ/T33004—2018
检验采用的灯光要求40W加罩青光日光灯管3根~4根,照度不低于7501x,光源与布面距离为1.0m~1.2m。
4.15.3验布机验布板角度为45°,布行速度最高为40m/min。按验布机上做出的疵点标记评分评等。4.15.4
产品幅宽超过150cm时,应有2人进行检验。4.15.5
布匹复验、验收时应将布平摊在布台上逐幅检验,检验人员的视线应正视布台,眼睛与布台的距离为55cm~60cm。
5局部性点允许总评分按式(1)计算,计算结果按GB/T8170修约到个位。4.15.6
A=(aXLXW)/100
式中:
每段(匹)布的局部性疵点允许总评分,单位为分每段(匹)[分/段(匹):每百平方米允许评分数,单位为分每百平方米(分/100m);段(匹)长,单位为米(m);
标准幅宽,单位为米(m)
斑渍、色条、纬纱或条格歪斜计量方法参见附录B。4.15.7
检验规则
抽样方法
5.1.1以同一品种、同一规格或同一任务单(合同号)为同一检验批。当同一检验批数量很大,需分期分批交货时,可适当分批,分别检验。5.1.2内在质量抽样,在同一批产品中,分别在不同的段(匹)中抽取1块(每批不得少于3块),每块不小于全幅2m。不同颜色分别抽取。5.1.3外观质量的抽样按表4执行。5
FZ/T33004—2018
批量范围N
91~150
151~280
281~500
501~1200
1201~3200
>3 200
检验结果的评定
表4外观质量抽样方案
样本大小n
合格判定数Ac
单位为段(匹)
不合格判定数Re
内在质量检验结果评定以全部抽验样品试验结果的平均值作为该批产品的试验结果。平均值5.2.1
合格的判定为全批合格,平均值不合格的判定为全批不合格。5.2.2外观质量抽检中,若不符合产品等级的段(匹)数小于或等于接收数(Ac),则该批产品为合格,但已发现的不符品等的产品由生产厂负责调换或降价处理。若抽检中不符品等数的段(匹)数大于或等于拒收数(Re),则该批产品为不合格。3复验
有关方对检验结果有异议时,可以会同复验或委托专业检验机构进行型式仲裁检验。复验以一次为准,凡判断合格的应作全批合格处理,判断不合格的应作全批不合格处理。?
标志、包装和运输
按GB/T5296.4执行,至少包括以下内容:厂名厂址;
产品名称;
规格(纱支、密度、幅宽);
纤维成分含量;
洗涤说明;
执行标准;
产品质量等级;
产品质量检验合格证明;
符合GB18401的类别。
应保证整齐、牢固,包内产品质量不受损伤,便于运输。3运输
运输中保证产品质量不受损伤,安全稳妥。其他
用户有特殊要求者,可由供需双方另订协议。FZ/T33004—2018
FZ/T33004—2018
A.1疵点名称说明
附录A
(规范性附录)
布面疵点评分说明
A.1.1线状概点与条状症点:沿经向或纬向延伸的症点,宽度在0.2cm及以内的为线状疵点,超过0.2cm的为条状疵点。
A.1.2轻微与明显区分:参照GB250评定变色用灰色样卡,4级为轻微,3-4级及以下为明显。A.1.3条花:色泽深浅界线模糊,难以计量宽窄的,沿经向延伸的长形疵点。A.1.4
破损:断掉两根及以上纱线或织物组织结构不完整的疵点。A.1.5深浅细点:麻纱起球,在布面上造成的密集的点状疵点。A.2
局部性症点评分说明
评分。
在标准光源检验条件下,单层看不出的症点不评分。疵点长度按经向或纬向的最大长度计量,长度超过本标准最大要求的另行重新计量评分。若有几种疵点同时存在,应分别量计,累计评分。除破损、深浅边和荷叶边外,距边1cm及以内的其他疵点不评分重叠的局部性疵点,按评分多的一项评定。未列人本标准的其他疵点,按其形状,参照相似疵点散布性症点评分说明
A.3.1有两个及以上的散布性疵点同时存在时,以其中严重一项定等。散布性疵点的色差参照GB250评级,A.3.2
附录B
(资料性附录)
斑渍、色条、纬纱或条格歪斜计量方法B.1成曲形的色条疵点按实际影响面积的最大距离计量(见图B.1)。纬向
斑渍疵点按最大长度计量(见图B.2)。回要
FZ/T33004—2018
B.3纬纱或条格歪斜的歪形或曲形均以布幅水平最大距离计量(见图B.3~图B.5)。布幅水平
FZ/T33004—2018
布幅水平
布幅水平
小提示:此标准内容仅展示完整标准里的部分截取内容,若需要完整标准请到上方自行免费下载完整标准文档。
标准图片预览:





- 其它标准
- 热门标准
- 行业标准
- FZ/T32006-2016 苎麻本色线
- FZ/T92037-1995 P型齿链式无级变速器
- FZ/T62005-2003 被、被套
- FZ/T24024-2017 精梳单经单纬毛织品
- FZ/T20018-2000 毛纺织品中二氯甲烷可溶性物质的测定
- FZ/T92042-1995 边字提花装置
- FZ/T93053-2019 转杯纺纱机转杯
- FZ/T92024-2006 LZ系列下罗拉轴承
- FZ/T42007-2001 生丝/氨纶包缠丝
- FZ/T50001-2005 合成纤维长丝网络度试验方法
- FZ/T90069-1995 零件表面交接处图形所代表的圆角半径尺寸要求
- FZ/T73009—2021 山羊绒针织品
- FZ/T64058-2016 汽车隔音隔热垫用再加工纤维毡
- FZ/T63020-2013 混合聚烯烃纤维绳索
- FZ/T94007.1-2013 综第1部分:提花织造用镶入综眼的钢丝综
- 行业新闻
请牢记:“bzxz.net”即是“标准下载”四个汉字汉语拼音首字母与国际顶级域名“.net”的组合。 ©2025 标准下载网 www.bzxz.net 本站邮件:bzxznet@163.com
网站备案号:湘ICP备2025141790号-2
网站备案号:湘ICP备2025141790号-2