- 您的位置:
- 标准下载网 >>
- 标准分类 >>
- 国家标准(GB) >>
- GB/T 1859.4-2017 往复式内燃机 声压法声功率级的测定 第4部分:使用标准声源简易法
- 标准号: - GB/T 1859.4-2017
- 标准名称: - 往复式内燃机 声压法声功率级的测定 第4部分:使用标准声源简易法
- 标准类别: - 国家标准(GB)
- 标准状态: 现行
- 出版语种: 简体中文
- 下载格式: .rar .pdf
- 下载大小: 
 标准简介/下载
标准简介/下载点击下载
标准简介:
										 标准下载解压密码:www.bzxz.net
					 					 
						 
	        
	      GB/T 1859.4-2017 往复式内燃机 声压法声功率级的测定 第4部分:使用标准声源简易法 GB/T1859.4-2017
 标准内容
标准内容部分标准内容:
					
					ICS27.020
中华人民共和国国家标准
GB/T1859.4—2017
往复式内燃机
声压法声功率级的测定
第4部分:使用标准声源简易法
Reciprocating internal combustion engines—Measurement of sound power level using sound pressure-Part 4: Survey method using a reference sound source2017-05-12发布
中华人民共和国国家质量监督检验检疫总局中国国家标准化管理委员会
2017-12-01实施
GB/T1859.4—2017
规范性引用文件
术语和定义
声学环境
测量仪器
安装和工作条件
计算·
记录内容·
参考文献
GB/T1859《往复式内燃机
声压法声功率级的测定》分为4部分:—第1部分:工程法;
第2部分:简易法;
—第3部分:半消声室精密法;
第4部分:使用标准声源简易法
本部分为GB/T1859的第4部分。
本部分按照GB/T1.1-2009给出的规则起草。本部分由中国机械工业联合会提出。本部分由全国内燃机标准化技术委员会(SAC/TC177)归口。GB/T1859.4—2017
本部分起草单位:上海内燃机研究所、上海汽车集团股份有限公司商用车技术中心、同济大学、安徽工业大学、浙江大学、天津内燃机研究所。本部分主要起草人:胡爱华、袁卫平、曹家骏、吕宫、余晓流、张兴权、袁自遥、周毅、郝志勇、叶怀汉、景亚兵、刘宝华。
GB/T1859.4—2017
GB/T1859的本部分是声压法测定往复式内燃机声功率级的系列标准之一。该系列标准规定了种在包络声源的测量表面上测量声压级以计算声功率级的方法。声功率级测定结果与测试环境和声源的安装条件基本无关,这是用声功率级表征各种类型机器和设备噪声辐射的一个重要原因。声功率级有如下用途:
规定条件下机器辐射噪声的标示;噪声标示值的验证;
各种型号和尺寸的机器辐射噪声的比较;与购买合同或规范中规定的噪声限值的比较;降低机器辐射噪声工程措施的制定(一般还需提供频带声功率级);指定位置噪声声压级的预测。
表1给出了本系列标准包络表面法适用的三种准确度等级的声功率级测定方法,测定结果精确到0.1dB。本部分规定的方法允许测定A计权声功率级,准确度为3级。表1声压法测定往复式内燃机声功率级的国家标准一览表GB/T1859.3
测试环境
声源体积
背景噪声准则
测试环境声学合适性准则
传声器位置合适性准则
测量仪器
声级计/滤波器/声校准器
可获得的声功率级
半消声室精密法
1个反射面
上方的自由场
最好小于测试
房间容积的0.5%
Ki≤0.5dB
特殊要求
s(Lpm)≤1/2dB
GB/T1859.1
工程法
1个反射面
上方的近似自由场
A≥6dB
K/≤1.3dB
(Lm) 2/2 dB
1级/1级/1级
A计权或频带
声功率级校准试验;
工程措施的制定
声功率级验收试验;
工程措施的制定
“本部分的声压级差值AL,和背景噪声修正K1参见8.3.2。本部分的均值偏差s(1.m)参见7.7。“本部分的仪器要求参见第5章。GB/T1859.2
简易法
1个反射面
上方的声场
GB/T1859.4
使用标准声源简易法
多个反射面的声场
无限制,取决于测试环境
Ki≤3.0dB
s(L2m)1dBWww.bzxZ.net
特殊要求
(m)2dB
2级/2级/1级
A计权
声功率级比较试验
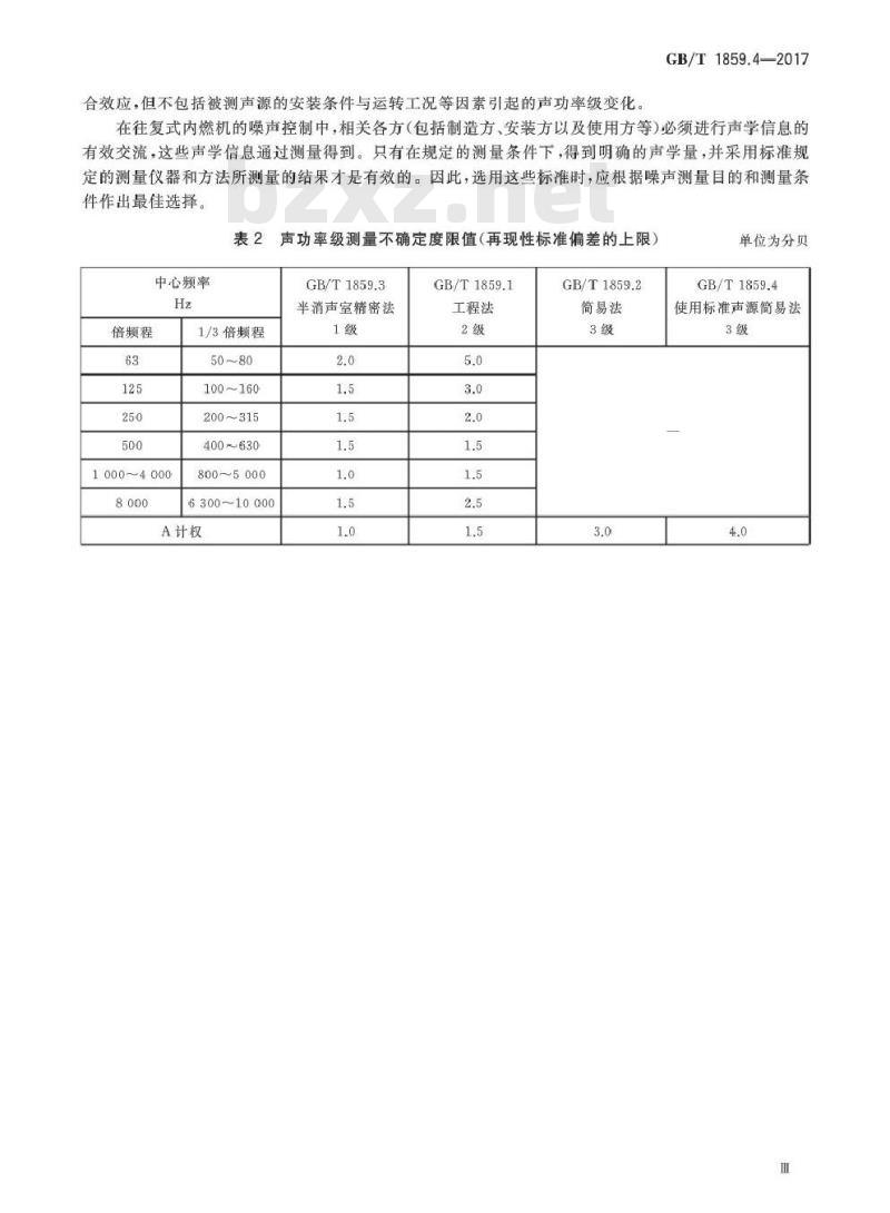
表2给出了声功率级测量不确定度限值(再现性标准偏差的上限)。它们反映了测量不确定度的综I
合效应,但不包括被测声源的安装条件与运转工况等因素引起的声功率级变化GB/T1859.4-2017
在往复式内燃机的噪声控制中,相关各方(包括制造方、安装方以及使用方等)必须进行声学信息的有效交流,这些声学信息通过测量得到。只有在规定的测量条件下,得到明确的声学量,并采用标准规定的测量仪器和方法所测量的结果才是有效的。因此,选用这些标准时,应根据噪声测量目的和测量条件作出最佳选择。
中心频率
倍频程
1000~4000
1/3倍频程
100~160
200~315
400~630
800~5000
6300~10000
A计权
声功率级测量不确定度限值(再现性标准偏差的上限)GB/T1859.3
半消声室精密法
GB/T1859.1
工程法
GB/T1859.2
简易法
单位为分贝
GB/T1859.4
使用标准声源简易法
1范围
往复式内燃机声压法声功率级的测定第4部分:使用标准声源简易法
GB/T1859.4—2017
GB/T1859的本部分规定了往复式内燃机声功率级的测定方法——使用标准声源简易法。本部分适用于GB/T6072.1适用范围的往复式内燃机(以下除特别说明外,简称发动机),以及尚无合适标准可使用的其他内燃机2规范性引用文件
下列文件对于本文件的应用是必不可少的。凡是注日期的引用文件,仅注日期的版本适用于本文件。凡是不注日期的引用文件,其最新版本(包括所有的修改单)适用于本文件。GB/T3785.1电声学声级计第1部分:规范GB/T4129声学用于声功率级测定的标准声源的性能与校准要求GB/T6072.1往复式内燃机性能第1部分:功率、燃料消耗和机油消耗的标定及试验方法通用发动机的附加要求
GB/T6072.3往复式内燃机性能
第3部分:试验测量
GB/T15173电声学声校准器
3术语和定义
GB/T3785.1,GB/T6072.1界定的以及下列术语和定义适用于本文件。3.1
声压soundpressure
瞬态压力和静态压力之间的差值,单位为帕(Pa)。3.2
声压级
sound pressure level
声压p的平方与基准声压p。的平方之比的以10为底的对数乘以10,单位为分贝(dB)。基准声压p。为20 μPa。
L,=101gpe
注:如有GB/T3785.1规定的特殊频率计权和时间计权,用合适的下标,如IgA表示A计权声压级。3.3
时间平均声压级t
time-averaged sound pressure levelL.T
(1)
声压力的平方在测量的时间间隔T内(从ti到(?)积分值平均后与基准声压p。的平方之比的以10为底的对数乘以10,单位为分贝(dB)。基准声压力。为20μPa。1
GB/T1859.4—2017
L-1olg
注1:通常省略下标“T”,因为时间平均声压级必须在某一测量时间间隔内测定注2:时间平均声压级经常是A计权,在这种情况下由LA,F表示,缩写为I-A。3.4
表面时间平均声压级surfacetime-averaged soundpressurelevelLp
·(2)
经背景噪声修正和环境修正,测量表面上所有传声器位置处时间平均声压级的能量平均,单位为分贝(dB)。
测量时间间隔
measurementtimeinterval
用于确定时间平均声压级,被测声源一个或多个运转时期或运转周期,单位为秒(s)。3.6
标准声源referencesoundsource;RSs满足GB/T4129要求的特定声源。3.7
5acousticfreefield
声自由场
均勾的各向同性的媒质中,边界影响可忽略不计的声场注:实际上的声自由场是在测试的频率范围内边界或其他物体的反射可忽略不计的声场。3.8
反射面reflectingplane
被测声源位于其上的声反射平坦的表面。注:本部分的反射面包括离声源较近的墙面(参见7.5和7.6)。3.9
一个反射面上方的声自由场acousticfreefield overareflectingplane个无限大反射面上方半空间中的声自由场,其中无其他任何障碍物。3.10
测试频率范围frequencyrangeofinterest中心频率为63Hz~8000Hz的倍频程(50Hz~10000Hz的1/3倍频程)所覆盖的频率范围。3.11
基准体reference box
恰好包络声源且终止于反射面上的最小假想矩形六面体。3.12
测量距离
measurement distance
基准体与假想矩形六面体测量表面之间的垂直距离。3.13
measurementsurface
测量表面
包络声源、传声器位置位于其上的用来测量声压级的一个假想表面。2
背景噪声backgroundnoise
来源于除被测声源以外的所有噪声。注:背景噪声包括空气声、结构振动声以及仪器电噪声。3.15
background noise correction
背景噪声修正
GB/T1859.4—2017
背景噪声对测量表面传声器位置处表面声压级影响的修正量,单位为分贝(dB)。注:在A计权情况下,用K1A表示。3.16
声功率
soundpowen
通过一个表面,微元上的声压力和法向质点速度u,的乘积在整个表面上的积分,单位为瓦(W)。注:大小与单位时间内声源辐射空气声能量的速率有关。3.17
声功率级
soundpowerlevel
声功率W与基准声功率W。之比的以10为底的对数乘以10,单位为分贝(dB)。基准声功率W。为1pW。
Lw=10lgw。
注:在A计权情况下,用LwA表示。4声学环境
4.1总则
本部分适用的测试环境为一个完全隔离背景噪声并满足4.3要求的房间。.·(3)
应避免环境条件对传声器的不利影响(如风、气流冲击、高温或低温等),还应遵循测量仪器制造商对不利环境条件的指示;应采取措施确保任何反射面不会因振动而引起明显的声辐射。4.2背景噪声准则
在传声器位置上平均后的背景噪声时间平均声压级应比未修正的被测声源时间平均声压级(以下除特别说明外,简称声压级)至少低3dB,最好低10dB以上。4.3测试环境声学合适性准则
测试环境除反射面外应没有其他反射体,反射面(地面)应超出测量表面在其上的投影,反射面(地面)的吸声系数在测试频率范围内应小于0.1。5测量仪器
5.1总则
包括传声器、电缆和风罩(如有)在内的测量系统应至少满足GB/T3785.1规定的2级仪器的要求。
GB/T1859.4—2017
5.2校准
每次系列测量前后,每个传声器应在测试频率范围内一个或多个频率上用声校准器对整个测量系统进行校准,声校准器应至少满足GB/T15173规定的1级仪器的要求。每次系列测量前后测量系统不作调整的校准读数的差值应小于或等于0.5dB,否则系列测量无效。满足要求的测量系统、声校准器和满足GB/T4129要求的标准声源,每隔一定时间应依据相应的标准进行检定。
除非国家法规另有规定,声校准器的检定间隔不超过1年,测量系统和标准声源的检定间隔不超过2年。
5.3使用
噪声测量时,为减少观测者对测量的影响,传声器可安装在不与振动表面相联的刚性机架或支座上,其取向应始终与校准时的声波人射角相同指向测量体(与该传声器位置相关的单元测量体)中心。应使用满足要求的积分声级计测量时间平均声压级。如使用声级计测量时间计权声压级,被测声源稳态运转时用时间计权S(慢),被测声源非稳态(如发动机升/降速工况)运转时用时间计权F(快):这时测得的(平均)值可代表时间平均声压级。时间平均声压级的测量时间间隔至少10S,最好20s或更长。6安装和工作条件
6.1总则
发动机的安装和工作条件对被测声源的声功率辐射产生很大影响,本部分规定了最大限度地减小引起声功率级变化的安装和工作条件6.2被测声源
6.2.1安装
发动机安装在反射面(地面)上,其支撑方式、与测功设备的联接方式和安装高度等是噪声辐射的重要影响因素。如安装基座是刚性的,发动机宜与安装基座弹性联接;如安装基座是弹性的,发动机充允许与安装基座刚性联接。发动机宜与测功设备弹性联接,其最低声辐射表面(通常是油底壳底部)与地面间距离应小于或等于0.5m
6.2.2工作条件
6.2.2.1工作状况
噪声辐射与发动机安装的辅助装置有关,空气滤清器、排气消声器和冷却风扇等是否安装应予记录并在报告中说明。齿轮箱或对发动机进行加载的任何从动机械应在报告中说明。齿轮箱或从动机械辐射的噪声应作为附加噪声处理。注:排气消声器排气噪声声功率级测定参见ISO15619某些特定用途(如摩托车用)发动机,若需用设备或非基本辅助装置(如用鼓风机进行冷却)才能进行台架试验,则应将这些设备或非基本辅助装置噪声作为附加噪声处理,或者暂时关闭这些设备或非基本辅助装置,但应确保发动机能正常运转。附加噪声是背景噪声的一部分,应采取适当措施降低其影响,以符合4.2的规定。如在附加噪声频率范围内用传输能力较低的高致密材料将结构表面屏蔽或罩盖,用消声器降低气体动力性噪声。4
6.2.2.2运转工况
GB/T1859.4—2017
噪声测量时,发动机应在ISO标准基准状况下按GB/T6072.1规定的ISO标准功率及相应转速稳定运转,此时发动机油温、冷却介质温度稳定,环境和进气温度不得高于45℃。如需要,也可在升/降速工况或其他工况下进行噪声测量,并在报告中说明。发动机功率及相应转速的测量应按GB/T6072.3规定进行。7测量
7.1总则
本部分规定了多个反射面的声场条件下,在包络被测声源和标准声源的测量表面上分别测量时间平均声压级以计算被测声源声功率级的方法一一一使用标准声源简易法(3级准确度),可用于比较试验。噪声测量时,应先确定基准体和测量距离以确定测量表面并布置传声器位置。测得的量包括被测声源和标准声源单独工作时的声压级及不工作时的背景噪声声压级。7.2测量不确定度
按本部分规定测定的声功率级测量不确定度(再现性标准偏差的上限)为4.0dB7.3基准体
确定基准体时,可将发动机上非重要声能辐射体的凸出部分忽略。为安全起见,基准体允许大到足以包住危险区,如一台另外的固定机械的运动件。本部分规定,基准体长度为11、宽度为1且1≤11,高度为13。7.4测量距离
测量距离d优先选择1m,至少0.1m;推荐按0.125m,0.25m,0.5m,1m数系选择,也可按0.1m.0.125m.0.16m,0.2m.0.25m.0.315m,0.4m.0.5m.0.63m,0.8m.1m.1.25m数系选择。测量表面与墙面和天花板间的距离应大于或等于0.1m。7.5测量表面
测量表面是包络被测声源和标准声源,并终止于一个反射面(地面)或多个反射面(包括地面)的假想表面。图1示例为1个反射面(地面),基准体与地面间的距离D,等于零:图2~图5示例为多个反射面,除地面外的反射面(墙面),其与对应基准体表面间的距离D、D、D和D。均小于(d十0.1)m。5
GB/T 1859.4—2017
1个反射面
2个反射面
图33个反射面
注:图1~图5
传声器位置
4个反射面
图55个反射面
反射面(以下同,不另注);
基准体;
测量表面(以下同,不另注):
基准体和反射面间距离;
测量距离(以下同,不另注)。
GB/T1859.4—2017
将测量表面的每一个面细分为尽可能少的等尺寸矩形面积单元,面积单元的最大边长为kd(为尺寸比数,应小于或等于3),见图6。本部分规定传声器位置位于每个面积单元的中心(落人反射面的位置除外),传声器位置的数目至少为3。注:减小尺寸比数直至增加矩形面积单元以增加传声器位置的数目通常可降低声压级均值偏差(见7.7)。
小提示:此标准内容仅展示完整标准里的部分截取内容,若需要完整标准请到上方自行免费下载完整标准文档。
	 
	        
	      中华人民共和国国家标准
GB/T1859.4—2017
往复式内燃机
声压法声功率级的测定
第4部分:使用标准声源简易法
Reciprocating internal combustion engines—Measurement of sound power level using sound pressure-Part 4: Survey method using a reference sound source2017-05-12发布
中华人民共和国国家质量监督检验检疫总局中国国家标准化管理委员会
2017-12-01实施
GB/T1859.4—2017
规范性引用文件
术语和定义
声学环境
测量仪器
安装和工作条件
计算·
记录内容·
参考文献
GB/T1859《往复式内燃机
声压法声功率级的测定》分为4部分:—第1部分:工程法;
第2部分:简易法;
—第3部分:半消声室精密法;
第4部分:使用标准声源简易法
本部分为GB/T1859的第4部分。
本部分按照GB/T1.1-2009给出的规则起草。本部分由中国机械工业联合会提出。本部分由全国内燃机标准化技术委员会(SAC/TC177)归口。GB/T1859.4—2017
本部分起草单位:上海内燃机研究所、上海汽车集团股份有限公司商用车技术中心、同济大学、安徽工业大学、浙江大学、天津内燃机研究所。本部分主要起草人:胡爱华、袁卫平、曹家骏、吕宫、余晓流、张兴权、袁自遥、周毅、郝志勇、叶怀汉、景亚兵、刘宝华。
GB/T1859.4—2017
GB/T1859的本部分是声压法测定往复式内燃机声功率级的系列标准之一。该系列标准规定了种在包络声源的测量表面上测量声压级以计算声功率级的方法。声功率级测定结果与测试环境和声源的安装条件基本无关,这是用声功率级表征各种类型机器和设备噪声辐射的一个重要原因。声功率级有如下用途:
规定条件下机器辐射噪声的标示;噪声标示值的验证;
各种型号和尺寸的机器辐射噪声的比较;与购买合同或规范中规定的噪声限值的比较;降低机器辐射噪声工程措施的制定(一般还需提供频带声功率级);指定位置噪声声压级的预测。
表1给出了本系列标准包络表面法适用的三种准确度等级的声功率级测定方法,测定结果精确到0.1dB。本部分规定的方法允许测定A计权声功率级,准确度为3级。表1声压法测定往复式内燃机声功率级的国家标准一览表GB/T1859.3
测试环境
声源体积
背景噪声准则
测试环境声学合适性准则
传声器位置合适性准则
测量仪器
声级计/滤波器/声校准器
可获得的声功率级
半消声室精密法
1个反射面
上方的自由场
最好小于测试
房间容积的0.5%
Ki≤0.5dB
特殊要求
s(Lpm)≤1/2dB
GB/T1859.1
工程法
1个反射面
上方的近似自由场
A≥6dB
K/≤1.3dB
(Lm) 2/2 dB
1级/1级/1级
A计权或频带
声功率级校准试验;
工程措施的制定
声功率级验收试验;
工程措施的制定
“本部分的声压级差值AL,和背景噪声修正K1参见8.3.2。本部分的均值偏差s(1.m)参见7.7。“本部分的仪器要求参见第5章。GB/T1859.2
简易法
1个反射面
上方的声场
GB/T1859.4
使用标准声源简易法
多个反射面的声场
无限制,取决于测试环境
Ki≤3.0dB
s(L2m)1dBWww.bzxZ.net
特殊要求
(m)2dB
2级/2级/1级
A计权
声功率级比较试验
表2给出了声功率级测量不确定度限值(再现性标准偏差的上限)。它们反映了测量不确定度的综I
合效应,但不包括被测声源的安装条件与运转工况等因素引起的声功率级变化GB/T1859.4-2017
在往复式内燃机的噪声控制中,相关各方(包括制造方、安装方以及使用方等)必须进行声学信息的有效交流,这些声学信息通过测量得到。只有在规定的测量条件下,得到明确的声学量,并采用标准规定的测量仪器和方法所测量的结果才是有效的。因此,选用这些标准时,应根据噪声测量目的和测量条件作出最佳选择。
中心频率
倍频程
1000~4000
1/3倍频程
100~160
200~315
400~630
800~5000
6300~10000
A计权
声功率级测量不确定度限值(再现性标准偏差的上限)GB/T1859.3
半消声室精密法
GB/T1859.1
工程法
GB/T1859.2
简易法
单位为分贝
GB/T1859.4
使用标准声源简易法
1范围
往复式内燃机声压法声功率级的测定第4部分:使用标准声源简易法
GB/T1859.4—2017
GB/T1859的本部分规定了往复式内燃机声功率级的测定方法——使用标准声源简易法。本部分适用于GB/T6072.1适用范围的往复式内燃机(以下除特别说明外,简称发动机),以及尚无合适标准可使用的其他内燃机2规范性引用文件
下列文件对于本文件的应用是必不可少的。凡是注日期的引用文件,仅注日期的版本适用于本文件。凡是不注日期的引用文件,其最新版本(包括所有的修改单)适用于本文件。GB/T3785.1电声学声级计第1部分:规范GB/T4129声学用于声功率级测定的标准声源的性能与校准要求GB/T6072.1往复式内燃机性能第1部分:功率、燃料消耗和机油消耗的标定及试验方法通用发动机的附加要求
GB/T6072.3往复式内燃机性能
第3部分:试验测量
GB/T15173电声学声校准器
3术语和定义
GB/T3785.1,GB/T6072.1界定的以及下列术语和定义适用于本文件。3.1
声压soundpressure
瞬态压力和静态压力之间的差值,单位为帕(Pa)。3.2
声压级
sound pressure level
声压p的平方与基准声压p。的平方之比的以10为底的对数乘以10,单位为分贝(dB)。基准声压p。为20 μPa。
L,=101gpe
注:如有GB/T3785.1规定的特殊频率计权和时间计权,用合适的下标,如IgA表示A计权声压级。3.3
时间平均声压级t
time-averaged sound pressure levelL.T
(1)
声压力的平方在测量的时间间隔T内(从ti到(?)积分值平均后与基准声压p。的平方之比的以10为底的对数乘以10,单位为分贝(dB)。基准声压力。为20μPa。1
GB/T1859.4—2017
L-1olg
注1:通常省略下标“T”,因为时间平均声压级必须在某一测量时间间隔内测定注2:时间平均声压级经常是A计权,在这种情况下由LA,F表示,缩写为I-A。3.4
表面时间平均声压级surfacetime-averaged soundpressurelevelLp
·(2)
经背景噪声修正和环境修正,测量表面上所有传声器位置处时间平均声压级的能量平均,单位为分贝(dB)。
测量时间间隔
measurementtimeinterval
用于确定时间平均声压级,被测声源一个或多个运转时期或运转周期,单位为秒(s)。3.6
标准声源referencesoundsource;RSs满足GB/T4129要求的特定声源。3.7
5acousticfreefield
声自由场
均勾的各向同性的媒质中,边界影响可忽略不计的声场注:实际上的声自由场是在测试的频率范围内边界或其他物体的反射可忽略不计的声场。3.8
反射面reflectingplane
被测声源位于其上的声反射平坦的表面。注:本部分的反射面包括离声源较近的墙面(参见7.5和7.6)。3.9
一个反射面上方的声自由场acousticfreefield overareflectingplane个无限大反射面上方半空间中的声自由场,其中无其他任何障碍物。3.10
测试频率范围frequencyrangeofinterest中心频率为63Hz~8000Hz的倍频程(50Hz~10000Hz的1/3倍频程)所覆盖的频率范围。3.11
基准体reference box
恰好包络声源且终止于反射面上的最小假想矩形六面体。3.12
测量距离
measurement distance
基准体与假想矩形六面体测量表面之间的垂直距离。3.13
measurementsurface
测量表面
包络声源、传声器位置位于其上的用来测量声压级的一个假想表面。2
背景噪声backgroundnoise
来源于除被测声源以外的所有噪声。注:背景噪声包括空气声、结构振动声以及仪器电噪声。3.15
background noise correction
背景噪声修正
GB/T1859.4—2017
背景噪声对测量表面传声器位置处表面声压级影响的修正量,单位为分贝(dB)。注:在A计权情况下,用K1A表示。3.16
声功率
soundpowen
通过一个表面,微元上的声压力和法向质点速度u,的乘积在整个表面上的积分,单位为瓦(W)。注:大小与单位时间内声源辐射空气声能量的速率有关。3.17
声功率级
soundpowerlevel
声功率W与基准声功率W。之比的以10为底的对数乘以10,单位为分贝(dB)。基准声功率W。为1pW。
Lw=10lgw。
注:在A计权情况下,用LwA表示。4声学环境
4.1总则
本部分适用的测试环境为一个完全隔离背景噪声并满足4.3要求的房间。.·(3)
应避免环境条件对传声器的不利影响(如风、气流冲击、高温或低温等),还应遵循测量仪器制造商对不利环境条件的指示;应采取措施确保任何反射面不会因振动而引起明显的声辐射。4.2背景噪声准则
在传声器位置上平均后的背景噪声时间平均声压级应比未修正的被测声源时间平均声压级(以下除特别说明外,简称声压级)至少低3dB,最好低10dB以上。4.3测试环境声学合适性准则
测试环境除反射面外应没有其他反射体,反射面(地面)应超出测量表面在其上的投影,反射面(地面)的吸声系数在测试频率范围内应小于0.1。5测量仪器
5.1总则
包括传声器、电缆和风罩(如有)在内的测量系统应至少满足GB/T3785.1规定的2级仪器的要求。
GB/T1859.4—2017
5.2校准
每次系列测量前后,每个传声器应在测试频率范围内一个或多个频率上用声校准器对整个测量系统进行校准,声校准器应至少满足GB/T15173规定的1级仪器的要求。每次系列测量前后测量系统不作调整的校准读数的差值应小于或等于0.5dB,否则系列测量无效。满足要求的测量系统、声校准器和满足GB/T4129要求的标准声源,每隔一定时间应依据相应的标准进行检定。
除非国家法规另有规定,声校准器的检定间隔不超过1年,测量系统和标准声源的检定间隔不超过2年。
5.3使用
噪声测量时,为减少观测者对测量的影响,传声器可安装在不与振动表面相联的刚性机架或支座上,其取向应始终与校准时的声波人射角相同指向测量体(与该传声器位置相关的单元测量体)中心。应使用满足要求的积分声级计测量时间平均声压级。如使用声级计测量时间计权声压级,被测声源稳态运转时用时间计权S(慢),被测声源非稳态(如发动机升/降速工况)运转时用时间计权F(快):这时测得的(平均)值可代表时间平均声压级。时间平均声压级的测量时间间隔至少10S,最好20s或更长。6安装和工作条件
6.1总则
发动机的安装和工作条件对被测声源的声功率辐射产生很大影响,本部分规定了最大限度地减小引起声功率级变化的安装和工作条件6.2被测声源
6.2.1安装
发动机安装在反射面(地面)上,其支撑方式、与测功设备的联接方式和安装高度等是噪声辐射的重要影响因素。如安装基座是刚性的,发动机宜与安装基座弹性联接;如安装基座是弹性的,发动机充允许与安装基座刚性联接。发动机宜与测功设备弹性联接,其最低声辐射表面(通常是油底壳底部)与地面间距离应小于或等于0.5m
6.2.2工作条件
6.2.2.1工作状况
噪声辐射与发动机安装的辅助装置有关,空气滤清器、排气消声器和冷却风扇等是否安装应予记录并在报告中说明。齿轮箱或对发动机进行加载的任何从动机械应在报告中说明。齿轮箱或从动机械辐射的噪声应作为附加噪声处理。注:排气消声器排气噪声声功率级测定参见ISO15619某些特定用途(如摩托车用)发动机,若需用设备或非基本辅助装置(如用鼓风机进行冷却)才能进行台架试验,则应将这些设备或非基本辅助装置噪声作为附加噪声处理,或者暂时关闭这些设备或非基本辅助装置,但应确保发动机能正常运转。附加噪声是背景噪声的一部分,应采取适当措施降低其影响,以符合4.2的规定。如在附加噪声频率范围内用传输能力较低的高致密材料将结构表面屏蔽或罩盖,用消声器降低气体动力性噪声。4
6.2.2.2运转工况
GB/T1859.4—2017
噪声测量时,发动机应在ISO标准基准状况下按GB/T6072.1规定的ISO标准功率及相应转速稳定运转,此时发动机油温、冷却介质温度稳定,环境和进气温度不得高于45℃。如需要,也可在升/降速工况或其他工况下进行噪声测量,并在报告中说明。发动机功率及相应转速的测量应按GB/T6072.3规定进行。7测量
7.1总则
本部分规定了多个反射面的声场条件下,在包络被测声源和标准声源的测量表面上分别测量时间平均声压级以计算被测声源声功率级的方法一一一使用标准声源简易法(3级准确度),可用于比较试验。噪声测量时,应先确定基准体和测量距离以确定测量表面并布置传声器位置。测得的量包括被测声源和标准声源单独工作时的声压级及不工作时的背景噪声声压级。7.2测量不确定度
按本部分规定测定的声功率级测量不确定度(再现性标准偏差的上限)为4.0dB7.3基准体
确定基准体时,可将发动机上非重要声能辐射体的凸出部分忽略。为安全起见,基准体允许大到足以包住危险区,如一台另外的固定机械的运动件。本部分规定,基准体长度为11、宽度为1且1≤11,高度为13。7.4测量距离
测量距离d优先选择1m,至少0.1m;推荐按0.125m,0.25m,0.5m,1m数系选择,也可按0.1m.0.125m.0.16m,0.2m.0.25m.0.315m,0.4m.0.5m.0.63m,0.8m.1m.1.25m数系选择。测量表面与墙面和天花板间的距离应大于或等于0.1m。7.5测量表面
测量表面是包络被测声源和标准声源,并终止于一个反射面(地面)或多个反射面(包括地面)的假想表面。图1示例为1个反射面(地面),基准体与地面间的距离D,等于零:图2~图5示例为多个反射面,除地面外的反射面(墙面),其与对应基准体表面间的距离D、D、D和D。均小于(d十0.1)m。5
GB/T 1859.4—2017
1个反射面
2个反射面
图33个反射面
注:图1~图5
传声器位置
4个反射面
图55个反射面
反射面(以下同,不另注);
基准体;
测量表面(以下同,不另注):
基准体和反射面间距离;
测量距离(以下同,不另注)。
GB/T1859.4—2017
将测量表面的每一个面细分为尽可能少的等尺寸矩形面积单元,面积单元的最大边长为kd(为尺寸比数,应小于或等于3),见图6。本部分规定传声器位置位于每个面积单元的中心(落人反射面的位置除外),传声器位置的数目至少为3。注:减小尺寸比数直至增加矩形面积单元以增加传声器位置的数目通常可降低声压级均值偏差(见7.7)。
小提示:此标准内容仅展示完整标准里的部分截取内容,若需要完整标准请到上方自行免费下载完整标准文档。
 标准图片预览
标准图片预览 标准图片预览:





- 其它标准
- 上一篇: GB∕T 2040-2017 铜及铜合金板材
- 下一篇: GB/T 1702-2017 力车轮胎
- 热门标准
- 国家标准
- GB/T21666-2008 尿吸收辅助器具 评价的一般指南
- GB/T2828.1-2012 计数抽样检验程序 第1部分:按接收质量限(AQL)检索的逐批检验抽样计划
- GB/T32999-2016 表面化学分析 深度剖析 用机械轮廓仪栅网复型法测量溅射速率
- GB/T39454-2020 国际贸易业务数据规范货物跟踪与追溯
- GB/T38948-2020 沥青混合料低温抗裂性能评价方法
- GB/T13589-2007 锌及锌合金废料
- GB28355-2012 食品添加剂 水杨酸甲酯(柳酸甲酯)
- GB/T13070-1991 铀矿石中铀的测定 电位滴定法
- GB14880-2012 食品营养强化剂使用标准
- GB/T43912-2024 铸造机械 再制造 通用技术规范
- GB/T9003-1988 调音台基本特性测量方法
- GB5585.3-1985 电工用铜、铝及其合金母线 第3部分:铝母线
- GB/T19561-2004 寒地节能日光温室建造规程
- GB/T7574-1987 信息处理交换用磁带标号和文卷结构
- GB/T24715-2009 氧源转换器
- 行业新闻
请牢记:“bzxz.net”即是“标准下载”四个汉字汉语拼音首字母与国际顶级域名“.net”的组合。 ©2025 标准下载网 www.bzxz.net 本站邮件:bzxznet@163.com
网站备案号:湘ICP备2025141790号-2
网站备案号:湘ICP备2025141790号-2
