- 您的位置:
- 标准下载网 >>
- 标准分类 >>
- 建筑材料行业标准(JC) >>
- JC/T 2171-2013 钛酸铝陶瓷升液管
标准号:
JC/T 2171-2013
标准名称:
钛酸铝陶瓷升液管
标准类别:
建筑材料行业标准(JC)
标准状态:
现行出版语种:
简体中文下载格式:
.rar .pdf下载大小:
部分标准内容:
ICS 81.060.30
备案号:40926—2013
中华人民共和国建材行业标雅
JC/T 21712013
钛酸铝陶瓷升液管
Aluminium titanate ceramic pipe for aluminium-melt feeding2013-04-25发布
2013-09-01实施
中华人民共和国工业和信息化部发布前言
太标准接照GB/T1.12009给出的规则起草。本标准由中国建筑材料联合会提出。本标准由全国工业陶瓷标准化技术委员会(SAC/TC194)归口。JC/T2171-2013
本标准起草单位:山东工业陶瓷研究设计院有限公司、案皇岛市伊菲环保产战开发有限公司,中材高新材料股分有限公司。
本标准士要起草人:李海舰、赵浩、韩乃红、徐涛、李鑫、宫林松、李峰,侯晓刚、李凯。本标准为首次发布。
1范围
钛酸铝陶瓷升液管
JC/T2171—2013
本标准规定了钛酸铝陶瓷升液管的规格及标记、要求、检测方法、检验规则以及标志、包装、运输和贮存等。
本标准适用于钛酸铝质陶瓷升液管(以下简称升液管)。2规范性引用文件
下列文件对于本文件的应用是必不可少的。凡是注日期的引用文件,仅注日期的版本适用于本文件。凡是不注日期的引用文件,其最新版本(包括所有的修改单)适用于本文件。GB/T2836陶管水压试验方法
GB/T2837陶管尺寸及偏差测量方法GB门2997致密定形耐火制品体积密度、显气孔率和真气孔率试验方法陶瓷材料抗弯强度试验方法
GB/T4741
GB/T16535精细陶瓷线热胀系数试验方法预杆法
3规格及标记
3.1产品分类
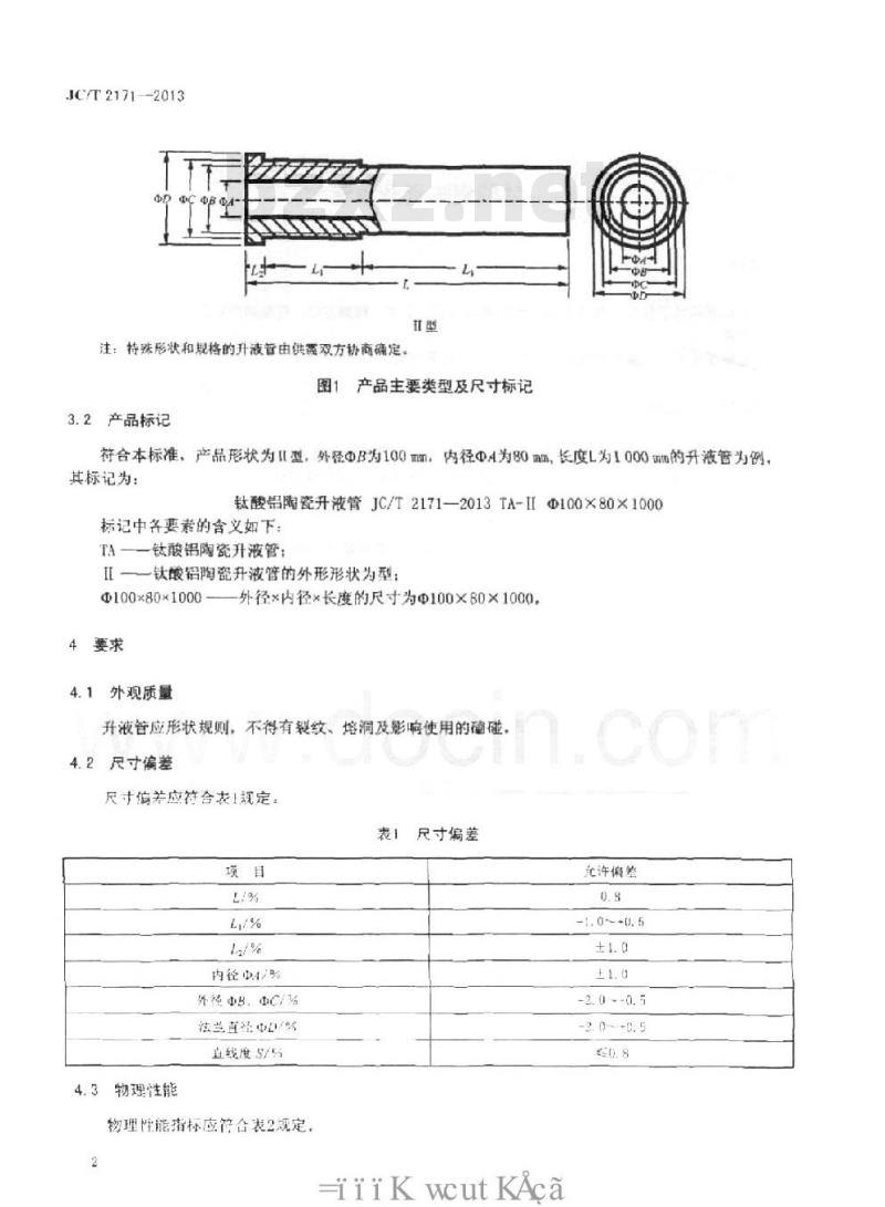
产品三要类型及尺寸标记示意见图1。神
JC/T21712013
注:持殊形状和规格的升液管由供需双方协商确定。I型
图1产品主要类型及尺寸标记
3.2产品标记
符合本标准,产品形状为型,外径B为100m,内径@A为80m,长度L为1000m的升液管为例,其标记为:
钛酸铝陶瓷升液管JC/T2171—2013TA-IIΦ100×80×1000标记中各要素的含义如下:
TA一一钛酸铝陶瓷升液管:
Ⅱ一一钛酸铝陶瓷升液管的外形形状为型:@100×80x1000
4要求
4.1外观质量
-外径×内径×长度的尺寸为@100×80×1000,升液管应形状规则,不得有裂纹、熔洞及影响使用的储碰。4.2尺寸偏差
尺寸偏并应符合表1规定:
尺寸偏差
内径中/%
外径中B,0C/器
法兰直径中D/%
直线度S/%
4.3物理性能
物理性能指标应符合表2规定。
-iiiKwcutkAca
危许偏差
-1.0~+0.5
-2. 0-0.5
-2. 0--+0. 5
抗渗透性
常溢弯曲强度/MPa
表2物理性能指标
性能指标
JC/T2171—2013
0. 2 MPa 水压下保待 15 min,管壁不淤漏30
乎均线热膨胀系数(RT-1000°C)/(1/K)体积畜度/(g/cml)
抗热震性(900C、风冷、30次)/MPa5检测方法
5. 1检验条件
除另有规定,应在下列条件下进行检验:温度:(20±15)℃;
相对湿度:(60±15)%:
气压:86kPa~106kPa(860mbar~1060mbar)。5.2外观质量
升液管的外观质量在日光灯下通过日进行检测。5.3尺寸偏差
按照GB/T2837进行检测。
5.4抗渗透性
按照GB/T2836进行检测。
5.5常温弯曲强度
按照GB/T4741进行检测。
5.6平均线热膨胀系数
按照GB/T16535进行检测。
5.7体积密度
按照GB/T2997进行检测。
5.8抗热囊性
≤1.5×10*
一抗热震性指标,是以制品经热寇后残余的三点弯曲强度进行评价的。-按照附录人进行检测。
6检验规则
JC/T2171—2013
6.1检验分类wwW.bzxz.Net
检验按类型分为出检验和型式检验。6.2出厂检验
6.2.1检验批的组成
由在基本相同时段和一致的条件下生产的,相同分类、相同成分、相同尺寸的产品组成。以500支为一批次,少于500支时由供需双方协商验收方法。6.2.2检验项目和抽样方案
检验项目应符合表3规定。从每批中随机抽取批量为5%的样晶,样品数量不少于3件。表3出厂检验一览表
6.2.3合格判据
检验项目
外观质量
尺寸偏差
抗滤透性
抗热震性
性能要求条款号
检验方法条号
每个试样的各项指标全部符合性能要求时,出厂检验合格。如某一项不合格,允许从同一批中加倍抽样复查,如仍不合格,则该批产品判断为不合格。型式检验
检验条件
在下列情况下进行型式检验:
正常生产时,每半年进行一次型式检验a)
新产品试制定型鉴定;
正式生产后,如给构、原料、工艺有较大改变,可能影痫产品性能时d
产品长期停产后,恢复生产时;e)
出厂检验结果与上次型式检验结果有较大差异时。检验项日和试样数墨
检验项日和试样数量应符合表规定。-iiiKwcutkAca
6.3.3合格判据
检验项目
外观质量
尺寸偏差
抗激透性
常温弯曲强度
线热膨涨系数
体积密度
抗热性
型式检验一览表
性能要求条款号
检验方法条款号
JC/T2171—2013
试样数量/-个
每个试样的各项指标全部符合性能要求时,型式检验合格。如某一项不合格,允许从同一批中加倍抽样复查,如仍不合格,则该批产品判断为不合格。7标志、包装、运输和购存
7.1标志
包装箱上应有产品标记、生产厂名称、生产厂地址、生产日期、数量等标志。7.2包装
产品应有专门包装箱包装,内附产品合格证,每块之间用避震填充物填充避震,防止松动、互相磁摘破损,外包装箱应标明易碎字样或标记。合格证上应标明:a)
产品标记:
生产厂名称:
生产厂地址:
生产日期:
数量:
生产厂质最部门检验员印章。
7.3运输
在运输过程中应防污染、防潮、禁摔、禁扔,7.4贮存
产品应按不同种类、规格在室内堆放,堆放场地应平整、坚实。产品应存放在通风、于燥、无污染的地方。
JC/T217I—2013
A.1装重
附录A
(规范性附录)
抗热震性试验方法
加热炉炉温应能控制升温速度,炉膛温度分布均匀,温差不大于土5℃。A.2试样
按本标准第6章规定从外观质量检验合格的试样中随机抽取3支升液管,按GB/T4741的制样要求,从每支上分别制取试样。试样不能有裂纹、熔洞等缺陷。A.3测量步骤
测量过程包括以下几步:
a)以不大于6℃/min的升温速度将炉温升至900℃将试样放入炉膛内,不得相互接触。待炉温回升至900℃后保温30min,打开炉门:将试样取b)
出,在空气中自然冷却至室温。对试样如此进行30次循环操作:c
按照GB/T4741进行三点弯曲强度试验。A.4实验结果
每一次热循环后观察样品是否有开裂,记录样品的开裂情况:a)
以所测热震后试样弯曲强度的平均值作为试验结果。6
-iiiKwcutKAca
中华人民共和国
建材行业标推
钛酸铝陶瓷升液管
JC/T21712013
中国建材工业出版社出版
新华书店北京发行所发行客地新华书店经誉北京市展兴印刷厂印刷
版权所有不得翻印
开本880×1230
6印张0.75字数16丁字
2013年8月第一版2013年10月第二次印刷定价18.00元
印数8011000
统一书号:155160·252
编号:0843
本社网址:jccbs.com.cn电话:(010)88386906地址:北京市西城区车公庄大街6号院3号楼邮编:100044
本标准如出现印装质量问题,由发行部负责调换,
小提示:此标准内容仅展示完整标准里的部分截取内容,若需要完整标准请到上方自行免费下载完整标准文档。
备案号:40926—2013
中华人民共和国建材行业标雅
JC/T 21712013
钛酸铝陶瓷升液管
Aluminium titanate ceramic pipe for aluminium-melt feeding2013-04-25发布
2013-09-01实施
中华人民共和国工业和信息化部发布前言
太标准接照GB/T1.12009给出的规则起草。本标准由中国建筑材料联合会提出。本标准由全国工业陶瓷标准化技术委员会(SAC/TC194)归口。JC/T2171-2013
本标准起草单位:山东工业陶瓷研究设计院有限公司、案皇岛市伊菲环保产战开发有限公司,中材高新材料股分有限公司。
本标准士要起草人:李海舰、赵浩、韩乃红、徐涛、李鑫、宫林松、李峰,侯晓刚、李凯。本标准为首次发布。
1范围
钛酸铝陶瓷升液管
JC/T2171—2013
本标准规定了钛酸铝陶瓷升液管的规格及标记、要求、检测方法、检验规则以及标志、包装、运输和贮存等。
本标准适用于钛酸铝质陶瓷升液管(以下简称升液管)。2规范性引用文件
下列文件对于本文件的应用是必不可少的。凡是注日期的引用文件,仅注日期的版本适用于本文件。凡是不注日期的引用文件,其最新版本(包括所有的修改单)适用于本文件。GB/T2836陶管水压试验方法
GB/T2837陶管尺寸及偏差测量方法GB门2997致密定形耐火制品体积密度、显气孔率和真气孔率试验方法陶瓷材料抗弯强度试验方法
GB/T4741
GB/T16535精细陶瓷线热胀系数试验方法预杆法
3规格及标记
3.1产品分类
产品三要类型及尺寸标记示意见图1。神
JC/T21712013
注:持殊形状和规格的升液管由供需双方协商确定。I型
图1产品主要类型及尺寸标记
3.2产品标记
符合本标准,产品形状为型,外径B为100m,内径@A为80m,长度L为1000m的升液管为例,其标记为:
钛酸铝陶瓷升液管JC/T2171—2013TA-IIΦ100×80×1000标记中各要素的含义如下:
TA一一钛酸铝陶瓷升液管:
Ⅱ一一钛酸铝陶瓷升液管的外形形状为型:@100×80x1000
4要求
4.1外观质量
-外径×内径×长度的尺寸为@100×80×1000,升液管应形状规则,不得有裂纹、熔洞及影响使用的储碰。4.2尺寸偏差
尺寸偏并应符合表1规定:
尺寸偏差
内径中/%
外径中B,0C/器
法兰直径中D/%
直线度S/%
4.3物理性能
物理性能指标应符合表2规定。
-iiiKwcutkAca
危许偏差
-1.0~+0.5
-2. 0-0.5
-2. 0--+0. 5
抗渗透性
常溢弯曲强度/MPa
表2物理性能指标
性能指标
JC/T2171—2013
0. 2 MPa 水压下保待 15 min,管壁不淤漏30
乎均线热膨胀系数(RT-1000°C)/(1/K)体积畜度/(g/cml)
抗热震性(900C、风冷、30次)/MPa5检测方法
5. 1检验条件
除另有规定,应在下列条件下进行检验:温度:(20±15)℃;
相对湿度:(60±15)%:
气压:86kPa~106kPa(860mbar~1060mbar)。5.2外观质量
升液管的外观质量在日光灯下通过日进行检测。5.3尺寸偏差
按照GB/T2837进行检测。
5.4抗渗透性
按照GB/T2836进行检测。
5.5常温弯曲强度
按照GB/T4741进行检测。
5.6平均线热膨胀系数
按照GB/T16535进行检测。
5.7体积密度
按照GB/T2997进行检测。
5.8抗热囊性
≤1.5×10*
一抗热震性指标,是以制品经热寇后残余的三点弯曲强度进行评价的。-按照附录人进行检测。
6检验规则
JC/T2171—2013
6.1检验分类wwW.bzxz.Net
检验按类型分为出检验和型式检验。6.2出厂检验
6.2.1检验批的组成
由在基本相同时段和一致的条件下生产的,相同分类、相同成分、相同尺寸的产品组成。以500支为一批次,少于500支时由供需双方协商验收方法。6.2.2检验项目和抽样方案
检验项目应符合表3规定。从每批中随机抽取批量为5%的样晶,样品数量不少于3件。表3出厂检验一览表
6.2.3合格判据
检验项目
外观质量
尺寸偏差
抗滤透性
抗热震性
性能要求条款号
检验方法条号
每个试样的各项指标全部符合性能要求时,出厂检验合格。如某一项不合格,允许从同一批中加倍抽样复查,如仍不合格,则该批产品判断为不合格。型式检验
检验条件
在下列情况下进行型式检验:
正常生产时,每半年进行一次型式检验a)
新产品试制定型鉴定;
正式生产后,如给构、原料、工艺有较大改变,可能影痫产品性能时d
产品长期停产后,恢复生产时;e)
出厂检验结果与上次型式检验结果有较大差异时。检验项日和试样数墨
检验项日和试样数量应符合表规定。-iiiKwcutkAca
6.3.3合格判据
检验项目
外观质量
尺寸偏差
抗激透性
常温弯曲强度
线热膨涨系数
体积密度
抗热性
型式检验一览表
性能要求条款号
检验方法条款号
JC/T2171—2013
试样数量/-个
每个试样的各项指标全部符合性能要求时,型式检验合格。如某一项不合格,允许从同一批中加倍抽样复查,如仍不合格,则该批产品判断为不合格。7标志、包装、运输和购存
7.1标志
包装箱上应有产品标记、生产厂名称、生产厂地址、生产日期、数量等标志。7.2包装
产品应有专门包装箱包装,内附产品合格证,每块之间用避震填充物填充避震,防止松动、互相磁摘破损,外包装箱应标明易碎字样或标记。合格证上应标明:a)
产品标记:
生产厂名称:
生产厂地址:
生产日期:
数量:
生产厂质最部门检验员印章。
7.3运输
在运输过程中应防污染、防潮、禁摔、禁扔,7.4贮存
产品应按不同种类、规格在室内堆放,堆放场地应平整、坚实。产品应存放在通风、于燥、无污染的地方。
JC/T217I—2013
A.1装重
附录A
(规范性附录)
抗热震性试验方法
加热炉炉温应能控制升温速度,炉膛温度分布均匀,温差不大于土5℃。A.2试样
按本标准第6章规定从外观质量检验合格的试样中随机抽取3支升液管,按GB/T4741的制样要求,从每支上分别制取试样。试样不能有裂纹、熔洞等缺陷。A.3测量步骤
测量过程包括以下几步:
a)以不大于6℃/min的升温速度将炉温升至900℃将试样放入炉膛内,不得相互接触。待炉温回升至900℃后保温30min,打开炉门:将试样取b)
出,在空气中自然冷却至室温。对试样如此进行30次循环操作:c
按照GB/T4741进行三点弯曲强度试验。A.4实验结果
每一次热循环后观察样品是否有开裂,记录样品的开裂情况:a)
以所测热震后试样弯曲强度的平均值作为试验结果。6
-iiiKwcutKAca
中华人民共和国
建材行业标推
钛酸铝陶瓷升液管
JC/T21712013
中国建材工业出版社出版
新华书店北京发行所发行客地新华书店经誉北京市展兴印刷厂印刷
版权所有不得翻印
开本880×1230
6印张0.75字数16丁字
2013年8月第一版2013年10月第二次印刷定价18.00元
印数8011000
统一书号:155160·252
编号:0843
本社网址:jccbs.com.cn电话:(010)88386906地址:北京市西城区车公庄大街6号院3号楼邮编:100044
本标准如出现印装质量问题,由发行部负责调换,
小提示:此标准内容仅展示完整标准里的部分截取内容,若需要完整标准请到上方自行免费下载完整标准文档。
标准图片预览:





- 其它标准
- 上一篇: JC/T 2168-2013 自洁净镀膜玻璃
- 下一篇: JC/T 2183-2013 铜塑复合板
- 热门标准
- 行业标准
- JC/T613-2005 混凝土和钢筋混凝土排水管钢模
- JC248-1981 水力旋流器铸石衬里
- JC/T2548-2019 建筑固废再生砂粉
- JC/T1013-2006 盘转式压砖机
- JC251-1981 混砂机铸石衬里
- JC255-1981 铸石粉中游离铁的试验方法
- JC253-1981 铸石制品检验、验收、标志、包装、运输规则
- JC/T460.1-2006 水泥工业用胶带斗式提升机 第1部分:型式与基本参数
- JC/T872-2000 建筑装饰用微晶玻璃
- JC/T2044-2011 墙材工业用出口拉引机
- JC/T620-2009 石灰取样方法
- JC/T833-2011 水泥工业用堆取料机
- JC/T2209-2014 氧化铝陶瓷衬板耐磨管件
- JC/T729-2005 水泥净浆搅拌机
- JC/T2045-2011 墙材工业用液压顶车机
- 行业新闻
请牢记:“bzxz.net”即是“标准下载”四个汉字汉语拼音首字母与国际顶级域名“.net”的组合。 ©2025 标准下载网 www.bzxz.net 本站邮件:bzxznet@163.com
网站备案号:湘ICP备2025141790号-2
网站备案号:湘ICP备2025141790号-2