- 您的位置:
- 标准下载网 >>
- 标准分类 >>
- 石油天然气行业标准(SY) >>
- SY/T 5539-2013 油井管产品质量评价方法
标准号:
SY/T 5539-2013
标准名称:
油井管产品质量评价方法
标准类别:
石油天然气行业标准(SY)
标准状态:
现行出版语种:
简体中文下载格式:
.rar .pdf下载大小:
部分标准内容:
ICS75.180.10;77.140.75
E92:H48
备案号:43193—2014
中华人民共和国石油天然气行业标准SY/T55392013
代替SY/T5539—20)
油井管产品质量评价方法
Quality assessment method for oil country tubular goods2013-11-28发布
国家能源局
2014—04—01实施
规范性引用文件
术语、定义及符号
3.1术语和定义
3.2符号
4抽样及检验
+.1抽样方案
4.2产品质量特性及不合格分类
4.3样本的抽取
+.+样本的检验
5判定抽样总体是否可以进行评级6
质量评价检验评分规则
SY/T5539—2013
A1类(无损探伤、水压,通径等),B类(螺纹参数。几何尺寸)和C类(外观质量,6.2
标志、涂层、包装)检验评分规则6.3A2类(力学性能、化学成分、显微组织)检验评分规则6.4A3类(基本实物性能)检验评分规则6.5A4类(抗腐蚀性能)检验评分规则7综合评价
7.1综合得分的确定
7.2产品等级的划分
7.3油井管产品质量评价举例
质量评价结果的处理
附录A(资料性附录)
仅适用于油管和套管
油并管产品质量评价检验结果登记表格式SY/T5539—2013
本标准按照GB/T1.1--20009标准化T作导则起草。
第1部分:标准的结构和编写》给出的规则本标准代替SY/T5539-2000《油井管产品质量评价方法》:与SY/T55392000相比,除编辑
性修改外主要技术变化如下:
增加了特殊螺纹接头油管、套管、高抗挤套管、抗腐蚀套管和油管的质量评价方法:修改了油井管产品质量特性:
修改了油井管产品抽样方案:
修改了油并管产品质量特性的评分标准。请注意本文件的某些内容可能涉及专利。本文件的发布机构不承担识别这些专利的责任。本标准由石油管材专业标准化技术委员会提出并归口。本标准起草单位:中国石油集团石油管工程技术研究院、塔里木油田公司、长庆油田公司本标准主要起草人:王蕊、李东风、韩军、吕拴录、方伟、安喜梅、韩新利、杨鹏、娄琦。本标准代替SY/T5539-2000。
SY/T5539—2000的历次版本发布情况为:SY/T55391992.
1范围
油井管产品质量评价方法
SY/T5539—2013
本标准规定了油并管产品的抽样及检验方案、质量特性及不合格分类、质量特性检验评分规则、等级划分等质量评价方法。同时本标准规定了油井管产品质量评价结果的处理。本标准适用于油管、套管、钻杆、加重钻杆、钻链、钻具稳定器、钻杆接头和转换接头等油井管产品质量的评价。
规范性引用文件
下列文件对于本文件的应用是必不可少的。凡是注日期的引用文件,仅注日期的版本适用于本文件。凡是不注日期的引用文件。其最新版本(包括所有的修改单)适用于本文件。GB/T2828.+计数抽样检验程序第+部分:声称质量水平的评定程序GB/T9253.2石油天然气工业套管,油管和管线管螺纹的加T、测量和检验GB/T 10111
GB/T177+5
GB/T19830
GB/T20657
JB/T7901
SY/T5051
SY/T514+
SY/T51+6
SY/T5200)
SY/T5561
SY/T5989
SY/T6128
随机数的产生及其在产品质量抽样检验中的应用程序石油天然气工业套管和油管的维护与使用油气井套管或油管用钢管
石油天然气工业
石油天然气工业套管、油管、钻杆和用作套管或油管的管线管性能公式及计算金属材料实验室均勾腐蚀全浸试验方法钻具稳定器
整体加重钻杆
钻柱转换接头
摩擦焊接钻杆
直缝电阻焊套管
套管、油管螺纹接头性能评价试验方法H.S环境中的抗硫化物应力腐蚀开裂实验室试验的标准试验方法(LaboratoryNACE TM0177
lesting of metals for resistance to sulfide stress cracking and stress corrosion cracking in H,S environments)
3术语、定义及符号
3.1术语和定义
GB/T2828.4界定的以及下列术语和定义适用于本文件。3. 1.1
油井管
Toilcountrytubulargoods
油管、套管、钻杆、加重钻杆、钻链、钻具稳定器、钻杆接头和转换接头等产品。SY/T5539—2013
A类质量特性
quality characteristics of type A单位产品的极重要质量特性。
B类质量特性
quality characteristics of type B单位产品的重要质量特性。
C类质量特性
qualitycharacteristicsof typec单位产品的一般质量特性。
3.2符号
下列符号适用于本文件。
无损探伤及重量、水压、通径、钻杆关键尺寸力学性能、化学成分、显微组织:实物性能:
抗腐蚀性能:
螺纹接头参数;
B2—几何尺寸:
Ct-一外观质量:
标志、涂层、包装。
抽样及检验
4.1抽样方案
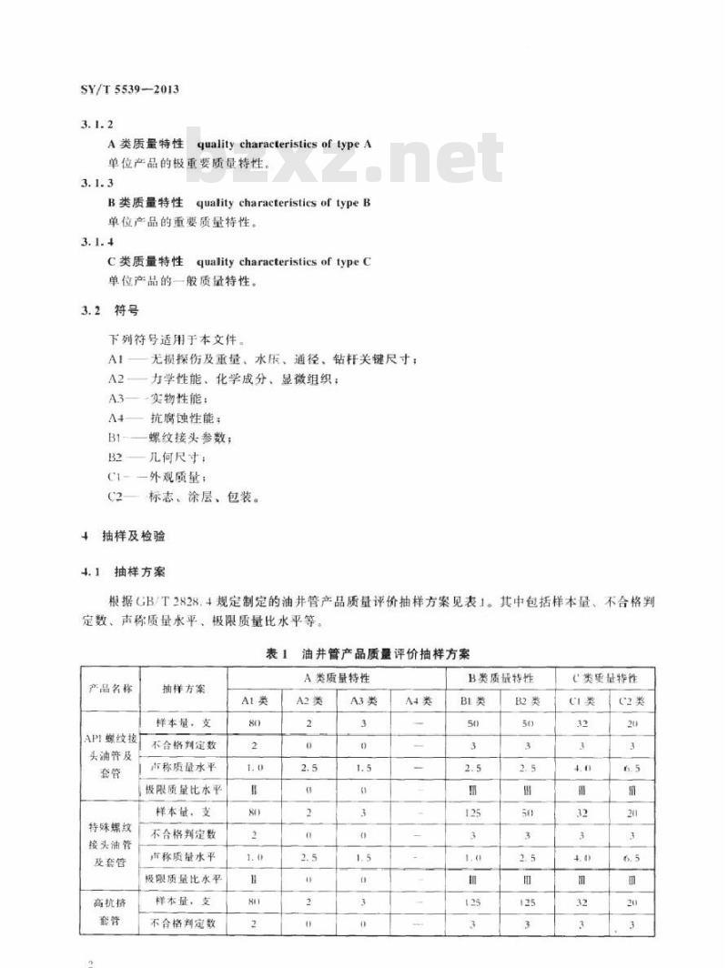
根据GB/T2828.4规定制定的油井管产品质量评价抽样方案见表1。其中包括样本量、不合格判定数、声称质量水平、极限质量比水平等。表1
产品名称
API螺纹接
头油普及
特殊螺纹
接头油管
及套管
高抗挤
抽样方案
样本量,支
不合格判定数
市称质量水平
极限质量比水平
样本量,支
不合格判定数
声称质量水平
极限质量比水平
样本量,支
不合格判定数
油井管产品质量评价抽样方案
A类质量特性
B类质量特性
C类质量特性
产品名称
高航挤
抗胸蚀套
管和油管
转换接头
及钻杆
钻钮、钻具
稳定器及
整体加重
抽样方案
声称质量水平
极限质量比水平
样本,支
不合格判定数
声称质量水平
极限质量比水平
样本量.支
不合格判定数
声称质水平
极限质量比水平
样本量,支
不合格判定数
声称质是水平
极限质量比水平
样本量支
不合格判定数
声称质量水平
极限质量比水平
产品质量特性及不合格分类
表1(续)
A类质量特性
B类质量特性
131类
按油井管产品质量特性的重要性将其分为A类、B类、C类三类。4.2.1A类质量特性
4.2.1.1A1类
A1类质量特性包括:
一一无损探伤;
-水压试验:
一通径:
一壁厚偏差:
一一钻杆内加厚过渡区长度和圆弧半径:钻杆管体与接头对焊后的同轴度4.2.1.2A2类
A2类质量特性包括:
一力学性能:
SY/T5539—2013
C类质量特性
SY/T5539——2013
化学成分:
显微组织
4.2.1.3A3类
A3类质量特性包括:
抗黏扣性能:
一连接强度:
内压至失效性能:
外压至失效性能:
极限载荷性能:
气密封性能。
4.2.1.4A4类
A+类质量特性包括:
硫化物应力开裂试验:
浸泡试验
4.2.2B类质量特性
4.2.2.1B1类
B1类质量特性包括:
螺纹紧密距;
螺纹单项参数:
金属密封直径及粗糙度:
机紧后管端至接箍中心厂值:
油管或套管完整牙顶螺纹长度内是否存在黑皮螺纹、完整牙顶螺纹以外不完整螺纹深度是否超差:
一接头螺纹与接头体的同轴度是否符合规定。4.2.2.2B2类
B2类质量特性包括:
外径:
书直线度:
长度:
圆度。
4.2.3C类质量特性
4.2.3.1C1类
C1类质量特性包括管体、台肩、端面、螺纹、倒角等部位存在的损伤、撕破、毛刺、锈蚀斑点、轻微沟槽等
4.2.3.2C2类
C2类质量特性包括:
标志:
—徐层:
—包装。
4.3样本的抽取
SY/T5539—2013
样本的抽取可以使用GBTII1I或其他方法在整个总体中作简单的随机抽样:也可以视情况采用分层按比例随机抽样或多级抽样方法:以保护样本具有好的代表性。4.4样本的检验
油井管产品质量评价检验可在生产现场、储运现场、使用现场由专职检验机构专职产品质量监督检验人员完成。
-般情况下.油管、套管应按GBT9253.2.GB/T19830.SY/T6128.GH/T17745.GB/T26657.SY/T5989,JB/T7901的规定进行检验:钻杆应按SYT5561的规定进行检验:钻柱转换接头、钻杆接头、钻链、钻具稳定器、加重钻杆分别接SY/T5203.SY/T5561-SY/T5144SY/T5051:SY/T5146的规定进行检验。5判定抽样总体是否可以进行评级对各检验项目,按相应标准规定的检验方法和合格与否的判定准则逐一检验样本中的每个样品按质量特性分类分别累计不合格品数。若样本任一类别的不合格品数大于或等于表1中相应的不合格判定数,则该总体不可进行评级。若所有类别的不合格品数小于相应的不合格判定数,该总体则被认为通过了抽样检验,可以进行评级,其评价方法见第6章、第7章。6质量评价检验评分规则
6.1总则
对4.2中规定的A类、B类、C类三类质量特性(共8小类)检验结果分别进行评分(每类满分为分)。
6.2AI类(无损探伤、水压、通径等)、B类(螺纹参数、几何尺寸)和C类(外观质量、标志、涂层、包装)检验评分规则
无损探伤、水压、通径、螺纹参数、几何尺寸以及外观质量,标志、涂层,包装等项目的检验评分规则见表2。
6.3A2类(力学性能、化学成分、显微组织)检验评分规则所抽每一个样本如拉伸性能、冲击性能、压扁性能、硬度以及化学成分、金相组织、品粒度等常规理化性能均符合相应的标准要求,则可得60分。若任一样本的任一常规理化性能指标不合格,则该项不得分。本项最终得分应以各样本中较低得分计。冲击韧性相对于标准值每提高10%:则可在60分基本分的基础上加分(但最多只能加4分)。
对于钻杆,若摩擦对焊区拉伸试样断于焊缝则每发生·-次扣5分,每一样本最后得分应以钻杆管体、钻杆接头,摩擦对焊区中较低得分计。SY/T5539—2013
国断材
对于油管、套管,每一样本最后得分应以管体和接箍中较低得分计。6.4A3类(基本实物性能)检验评分规则一—仅适用于油管和套管6.4.1总则
SY/T5539-—2013
实物性能检验应按SY/T612%进行,其中样品应随机配对试验,各项基本实物性能均以较低得分计。
6.4.2API螺纹接头油管
上/卸扣速度和扭矩应满足GB/T17745的要求,若试样在试验过程中完全不发生黏扣得31分:同组样品中每发生一根轻微黏扣则扣4分:如有一根样品严重黏扣,则基本实物性能项不得分整体连接强度检验结果满足GB/T20657要求者得24分,任一样品整体连接强度不满足标准要求则基本实物性能项不得分:超过者每超过3%(以较低值计)加4分(但最多只能加16分)。内压至失效试验应选择清水或油作为介质,达到GB/T20657规定标准试验压力未发生失效的得18分:任一样品未达到GB/T20657规定标准试验压力发生失效的则基本实物性能项不得分:失效压力值每超过GB/T20657规定标准试验压力值10%(以较低值计)加3分(值最多只能加12分)。6.+.3API螺纹接头套管
上/卸扣速度和扭矩应满足GB/T17745的要求,若试样在试验过程中完全不发生黏扣得30分:同组样品中每发生一根轻微黏扣则扣+分:如有一根样品严重黏扣,则基本实物性能项不得分。整体连接强度检验结果满足GB/T20657要求者得18分:任一样品整体连接强度不满足标准要求则基本实物性能项不得分,超过者每超过3%(以较低值计)加3分(但最多只能加12分)内压至失效试验应选择清水或油作为介质,达到GB/T20657规定标准试验压力未发生失效的得12分;任一样品未达到GB/T20657规定标准试验压力发生失效的则基本实物性能项不得分:失效压力值每超过GB/T20657规定标准试验压力值10%(以较低值计)加2分(但最多只能加8分)。外压至失效试验应选择清水或油作为介质,达到GB/T20657规定标准试验压力未发生失效的得12分:任一样品未达到GB/T20657规定标准试验压力发生失效的则基本实物性能项不得分:失效压力值每超过GB/T20657规定标准试验压力值10%(以较低值计)加2分(但最多只能加分)6.+.4特殊螺纹接头油管和套管
上/卸扣试验应按SY/T6128的要求进行,若试样在试验过程中完全不发生黏扣得20分:同组样品中每发生一根轻微黏扣则扣2分:如有一根样品严重黏扣,则基本实物性能项不得分。极限载荷性能试验中,失效值的等效复合应力VME(最低值)达到100%属服强度者得21分,超过者每超过10%(以较低值计)加3分(但最多只能加9分)气密封性能试验,等效复合应力VME达到70%屈服强度未发生泄漏者得35分,等效复合应力VME达到80%届服强度未发生泄漏者得40分,等效复合应力达到90%屈服强度未发生泄漏者得45分,等效复合应力达到95%届服强度未发生泄蒲者得50分。6.4.5高抗挤套管
根据螺纹接头的类型按照八PI螺纹接头套管和特殊螺纹接头套管的要求进行实物性能检验评价和评分,只是若外用挤毁试验值未达到高抗挤要求时,该项得零分。6.4.6抗腐蚀套管和油管
根据螺纹接头的类型按照API螺纹接头套管和特殊螺纹接头套管的要求进行实物性能检验评价7
SY/T5539—2013
和评分。
6.5A4类(抗腐蚀性能)检验评分规则对于抗硫化物离蚀套管和油管:依据NACETM177或委托方技术协议要求进行硫化物应力开裂试验,若在70%应力水平条件下进行试验而未发生断裂,得70分,在此基础上,应力火平每提高10%,则在70分基本分的基础上加10分(但最多只能加301分)。若任一样本的任一试样在试验过程中发生断裂,则该项不得分。
对于其他抗腐蚀性能套管和油管:依据JB/T790月1或委托方技术协议要求进行浸泡试验,若平均瘤蚀速率小于.125mm年且点腐蚀速率小于(0.610mm/年,得6)分:在此基础上,平均速率每减少0.025mm年且点腐蚀速率减少0.076mm/年。则在60分基本分的基础七加10分(但最多只能加分)若任一样本的任一试样达不到该要求,则该项不得分。本项最终得分应以各样本中较低得分计。7综合评价
综合得分的确定
油井管产品综合得分为各类质量特性得分与其对应权重值的乘积之和。各类质特性的权重值见表3。
7.2产品等级的划分
油并管产品等级可根据表+按6.1中得到的综合分数划分。7.3油井管产品质量评价举例
某厂批套管:经检验A1-A2A3:B1.B2.C1.C2各类质量特性得分分别为80分、88分、92分、70分、70分、001分、100分、则其综合得分为:X=80X0.18+88X0.21+92X0.27+70×0.16+70X0.08+00×0.07+101X0.03=43.82故该批套管最终评价结果为二级。表3油井管产品各类质量特性权重值权重值
质量待作
A1(无损操伤及重量、水压、通径等)A2(力学性能、化学成分,靠微组织)A(转本实物性能)
A+(抗膚蚀性能)
131(螺纹参数)
B(儿尺+)
(1(外观质量)
2《标惠、途层、包装)Www.bzxZ.net
油管、套管产品
(除抗离蚀象管和油管)
),18
抗腐蚀套管租油管
其余油管产品
综合得分
质量评价结果的处理
表油井管产品等级划分
参见附录A格式登记油井管产品质量评价检验结果产品等级
SY/T5539—2013
凡被评为一级,二级、二级的油井管均可作为推荐采购产品。其中一级油并管产品为优先推荐产品四级油井管产品不作为推荐采购产品。因未能通过抽详检验而不可进行评级的油并管产品应停止采购,
小提示:此标准内容仅展示完整标准里的部分截取内容,若需要完整标准请到上方自行免费下载完整标准文档。
E92:H48
备案号:43193—2014
中华人民共和国石油天然气行业标准SY/T55392013
代替SY/T5539—20)
油井管产品质量评价方法
Quality assessment method for oil country tubular goods2013-11-28发布
国家能源局
2014—04—01实施
规范性引用文件
术语、定义及符号
3.1术语和定义
3.2符号
4抽样及检验
+.1抽样方案
4.2产品质量特性及不合格分类
4.3样本的抽取
+.+样本的检验
5判定抽样总体是否可以进行评级6
质量评价检验评分规则
SY/T5539—2013
A1类(无损探伤、水压,通径等),B类(螺纹参数。几何尺寸)和C类(外观质量,6.2
标志、涂层、包装)检验评分规则6.3A2类(力学性能、化学成分、显微组织)检验评分规则6.4A3类(基本实物性能)检验评分规则6.5A4类(抗腐蚀性能)检验评分规则7综合评价
7.1综合得分的确定
7.2产品等级的划分
7.3油井管产品质量评价举例
质量评价结果的处理
附录A(资料性附录)
仅适用于油管和套管
油并管产品质量评价检验结果登记表格式SY/T5539—2013
本标准按照GB/T1.1--20009标准化T作导则起草。
第1部分:标准的结构和编写》给出的规则本标准代替SY/T5539-2000《油井管产品质量评价方法》:与SY/T55392000相比,除编辑
性修改外主要技术变化如下:
增加了特殊螺纹接头油管、套管、高抗挤套管、抗腐蚀套管和油管的质量评价方法:修改了油井管产品质量特性:
修改了油井管产品抽样方案:
修改了油并管产品质量特性的评分标准。请注意本文件的某些内容可能涉及专利。本文件的发布机构不承担识别这些专利的责任。本标准由石油管材专业标准化技术委员会提出并归口。本标准起草单位:中国石油集团石油管工程技术研究院、塔里木油田公司、长庆油田公司本标准主要起草人:王蕊、李东风、韩军、吕拴录、方伟、安喜梅、韩新利、杨鹏、娄琦。本标准代替SY/T5539-2000。
SY/T5539—2000的历次版本发布情况为:SY/T55391992.
1范围
油井管产品质量评价方法
SY/T5539—2013
本标准规定了油并管产品的抽样及检验方案、质量特性及不合格分类、质量特性检验评分规则、等级划分等质量评价方法。同时本标准规定了油井管产品质量评价结果的处理。本标准适用于油管、套管、钻杆、加重钻杆、钻链、钻具稳定器、钻杆接头和转换接头等油井管产品质量的评价。
规范性引用文件
下列文件对于本文件的应用是必不可少的。凡是注日期的引用文件,仅注日期的版本适用于本文件。凡是不注日期的引用文件。其最新版本(包括所有的修改单)适用于本文件。GB/T2828.+计数抽样检验程序第+部分:声称质量水平的评定程序GB/T9253.2石油天然气工业套管,油管和管线管螺纹的加T、测量和检验GB/T 10111
GB/T177+5
GB/T19830
GB/T20657
JB/T7901
SY/T5051
SY/T514+
SY/T51+6
SY/T5200)
SY/T5561
SY/T5989
SY/T6128
随机数的产生及其在产品质量抽样检验中的应用程序石油天然气工业套管和油管的维护与使用油气井套管或油管用钢管
石油天然气工业
石油天然气工业套管、油管、钻杆和用作套管或油管的管线管性能公式及计算金属材料实验室均勾腐蚀全浸试验方法钻具稳定器
整体加重钻杆
钻柱转换接头
摩擦焊接钻杆
直缝电阻焊套管
套管、油管螺纹接头性能评价试验方法H.S环境中的抗硫化物应力腐蚀开裂实验室试验的标准试验方法(LaboratoryNACE TM0177
lesting of metals for resistance to sulfide stress cracking and stress corrosion cracking in H,S environments)
3术语、定义及符号
3.1术语和定义
GB/T2828.4界定的以及下列术语和定义适用于本文件。3. 1.1
油井管
Toilcountrytubulargoods
油管、套管、钻杆、加重钻杆、钻链、钻具稳定器、钻杆接头和转换接头等产品。SY/T5539—2013
A类质量特性
quality characteristics of type A单位产品的极重要质量特性。
B类质量特性
quality characteristics of type B单位产品的重要质量特性。
C类质量特性
qualitycharacteristicsof typec单位产品的一般质量特性。
3.2符号
下列符号适用于本文件。
无损探伤及重量、水压、通径、钻杆关键尺寸力学性能、化学成分、显微组织:实物性能:
抗腐蚀性能:
螺纹接头参数;
B2—几何尺寸:
Ct-一外观质量:
标志、涂层、包装。
抽样及检验
4.1抽样方案
根据GB/T2828.4规定制定的油井管产品质量评价抽样方案见表1。其中包括样本量、不合格判定数、声称质量水平、极限质量比水平等。表1
产品名称
API螺纹接
头油普及
特殊螺纹
接头油管
及套管
高抗挤
抽样方案
样本量,支
不合格判定数
市称质量水平
极限质量比水平
样本量,支
不合格判定数
声称质量水平
极限质量比水平
样本量,支
不合格判定数
油井管产品质量评价抽样方案
A类质量特性
B类质量特性
C类质量特性
产品名称
高航挤
抗胸蚀套
管和油管
转换接头
及钻杆
钻钮、钻具
稳定器及
整体加重
抽样方案
声称质量水平
极限质量比水平
样本,支
不合格判定数
声称质量水平
极限质量比水平
样本量.支
不合格判定数
声称质水平
极限质量比水平
样本量,支
不合格判定数
声称质是水平
极限质量比水平
样本量支
不合格判定数
声称质量水平
极限质量比水平
产品质量特性及不合格分类
表1(续)
A类质量特性
B类质量特性
131类
按油井管产品质量特性的重要性将其分为A类、B类、C类三类。4.2.1A类质量特性
4.2.1.1A1类
A1类质量特性包括:
一一无损探伤;
-水压试验:
一通径:
一壁厚偏差:
一一钻杆内加厚过渡区长度和圆弧半径:钻杆管体与接头对焊后的同轴度4.2.1.2A2类
A2类质量特性包括:
一力学性能:
SY/T5539—2013
C类质量特性
SY/T5539——2013
化学成分:
显微组织
4.2.1.3A3类
A3类质量特性包括:
抗黏扣性能:
一连接强度:
内压至失效性能:
外压至失效性能:
极限载荷性能:
气密封性能。
4.2.1.4A4类
A+类质量特性包括:
硫化物应力开裂试验:
浸泡试验
4.2.2B类质量特性
4.2.2.1B1类
B1类质量特性包括:
螺纹紧密距;
螺纹单项参数:
金属密封直径及粗糙度:
机紧后管端至接箍中心厂值:
油管或套管完整牙顶螺纹长度内是否存在黑皮螺纹、完整牙顶螺纹以外不完整螺纹深度是否超差:
一接头螺纹与接头体的同轴度是否符合规定。4.2.2.2B2类
B2类质量特性包括:
外径:
书直线度:
长度:
圆度。
4.2.3C类质量特性
4.2.3.1C1类
C1类质量特性包括管体、台肩、端面、螺纹、倒角等部位存在的损伤、撕破、毛刺、锈蚀斑点、轻微沟槽等
4.2.3.2C2类
C2类质量特性包括:
标志:
—徐层:
—包装。
4.3样本的抽取
SY/T5539—2013
样本的抽取可以使用GBTII1I或其他方法在整个总体中作简单的随机抽样:也可以视情况采用分层按比例随机抽样或多级抽样方法:以保护样本具有好的代表性。4.4样本的检验
油井管产品质量评价检验可在生产现场、储运现场、使用现场由专职检验机构专职产品质量监督检验人员完成。
-般情况下.油管、套管应按GBT9253.2.GB/T19830.SY/T6128.GH/T17745.GB/T26657.SY/T5989,JB/T7901的规定进行检验:钻杆应按SYT5561的规定进行检验:钻柱转换接头、钻杆接头、钻链、钻具稳定器、加重钻杆分别接SY/T5203.SY/T5561-SY/T5144SY/T5051:SY/T5146的规定进行检验。5判定抽样总体是否可以进行评级对各检验项目,按相应标准规定的检验方法和合格与否的判定准则逐一检验样本中的每个样品按质量特性分类分别累计不合格品数。若样本任一类别的不合格品数大于或等于表1中相应的不合格判定数,则该总体不可进行评级。若所有类别的不合格品数小于相应的不合格判定数,该总体则被认为通过了抽样检验,可以进行评级,其评价方法见第6章、第7章。6质量评价检验评分规则
6.1总则
对4.2中规定的A类、B类、C类三类质量特性(共8小类)检验结果分别进行评分(每类满分为分)。
6.2AI类(无损探伤、水压、通径等)、B类(螺纹参数、几何尺寸)和C类(外观质量、标志、涂层、包装)检验评分规则
无损探伤、水压、通径、螺纹参数、几何尺寸以及外观质量,标志、涂层,包装等项目的检验评分规则见表2。
6.3A2类(力学性能、化学成分、显微组织)检验评分规则所抽每一个样本如拉伸性能、冲击性能、压扁性能、硬度以及化学成分、金相组织、品粒度等常规理化性能均符合相应的标准要求,则可得60分。若任一样本的任一常规理化性能指标不合格,则该项不得分。本项最终得分应以各样本中较低得分计。冲击韧性相对于标准值每提高10%:则可在60分基本分的基础上加分(但最多只能加4分)。
对于钻杆,若摩擦对焊区拉伸试样断于焊缝则每发生·-次扣5分,每一样本最后得分应以钻杆管体、钻杆接头,摩擦对焊区中较低得分计。SY/T5539—2013
国断材
对于油管、套管,每一样本最后得分应以管体和接箍中较低得分计。6.4A3类(基本实物性能)检验评分规则一—仅适用于油管和套管6.4.1总则
SY/T5539-—2013
实物性能检验应按SY/T612%进行,其中样品应随机配对试验,各项基本实物性能均以较低得分计。
6.4.2API螺纹接头油管
上/卸扣速度和扭矩应满足GB/T17745的要求,若试样在试验过程中完全不发生黏扣得31分:同组样品中每发生一根轻微黏扣则扣4分:如有一根样品严重黏扣,则基本实物性能项不得分整体连接强度检验结果满足GB/T20657要求者得24分,任一样品整体连接强度不满足标准要求则基本实物性能项不得分:超过者每超过3%(以较低值计)加4分(但最多只能加16分)。内压至失效试验应选择清水或油作为介质,达到GB/T20657规定标准试验压力未发生失效的得18分:任一样品未达到GB/T20657规定标准试验压力发生失效的则基本实物性能项不得分:失效压力值每超过GB/T20657规定标准试验压力值10%(以较低值计)加3分(值最多只能加12分)。6.+.3API螺纹接头套管
上/卸扣速度和扭矩应满足GB/T17745的要求,若试样在试验过程中完全不发生黏扣得30分:同组样品中每发生一根轻微黏扣则扣+分:如有一根样品严重黏扣,则基本实物性能项不得分。整体连接强度检验结果满足GB/T20657要求者得18分:任一样品整体连接强度不满足标准要求则基本实物性能项不得分,超过者每超过3%(以较低值计)加3分(但最多只能加12分)内压至失效试验应选择清水或油作为介质,达到GB/T20657规定标准试验压力未发生失效的得12分;任一样品未达到GB/T20657规定标准试验压力发生失效的则基本实物性能项不得分:失效压力值每超过GB/T20657规定标准试验压力值10%(以较低值计)加2分(但最多只能加8分)。外压至失效试验应选择清水或油作为介质,达到GB/T20657规定标准试验压力未发生失效的得12分:任一样品未达到GB/T20657规定标准试验压力发生失效的则基本实物性能项不得分:失效压力值每超过GB/T20657规定标准试验压力值10%(以较低值计)加2分(但最多只能加分)6.+.4特殊螺纹接头油管和套管
上/卸扣试验应按SY/T6128的要求进行,若试样在试验过程中完全不发生黏扣得20分:同组样品中每发生一根轻微黏扣则扣2分:如有一根样品严重黏扣,则基本实物性能项不得分。极限载荷性能试验中,失效值的等效复合应力VME(最低值)达到100%属服强度者得21分,超过者每超过10%(以较低值计)加3分(但最多只能加9分)气密封性能试验,等效复合应力VME达到70%屈服强度未发生泄漏者得35分,等效复合应力VME达到80%届服强度未发生泄漏者得40分,等效复合应力达到90%屈服强度未发生泄漏者得45分,等效复合应力达到95%届服强度未发生泄蒲者得50分。6.4.5高抗挤套管
根据螺纹接头的类型按照八PI螺纹接头套管和特殊螺纹接头套管的要求进行实物性能检验评价和评分,只是若外用挤毁试验值未达到高抗挤要求时,该项得零分。6.4.6抗腐蚀套管和油管
根据螺纹接头的类型按照API螺纹接头套管和特殊螺纹接头套管的要求进行实物性能检验评价7
SY/T5539—2013
和评分。
6.5A4类(抗腐蚀性能)检验评分规则对于抗硫化物离蚀套管和油管:依据NACETM177或委托方技术协议要求进行硫化物应力开裂试验,若在70%应力水平条件下进行试验而未发生断裂,得70分,在此基础上,应力火平每提高10%,则在70分基本分的基础上加10分(但最多只能加301分)。若任一样本的任一试样在试验过程中发生断裂,则该项不得分。
对于其他抗腐蚀性能套管和油管:依据JB/T790月1或委托方技术协议要求进行浸泡试验,若平均瘤蚀速率小于.125mm年且点腐蚀速率小于(0.610mm/年,得6)分:在此基础上,平均速率每减少0.025mm年且点腐蚀速率减少0.076mm/年。则在60分基本分的基础七加10分(但最多只能加分)若任一样本的任一试样达不到该要求,则该项不得分。本项最终得分应以各样本中较低得分计。7综合评价
综合得分的确定
油井管产品综合得分为各类质量特性得分与其对应权重值的乘积之和。各类质特性的权重值见表3。
7.2产品等级的划分
油并管产品等级可根据表+按6.1中得到的综合分数划分。7.3油井管产品质量评价举例
某厂批套管:经检验A1-A2A3:B1.B2.C1.C2各类质量特性得分分别为80分、88分、92分、70分、70分、001分、100分、则其综合得分为:X=80X0.18+88X0.21+92X0.27+70×0.16+70X0.08+00×0.07+101X0.03=43.82故该批套管最终评价结果为二级。表3油井管产品各类质量特性权重值权重值
质量待作
A1(无损操伤及重量、水压、通径等)A2(力学性能、化学成分,靠微组织)A(转本实物性能)
A+(抗膚蚀性能)
131(螺纹参数)
B(儿尺+)
(1(外观质量)
2《标惠、途层、包装)Www.bzxZ.net
油管、套管产品
(除抗离蚀象管和油管)
),18
抗腐蚀套管租油管
其余油管产品
综合得分
质量评价结果的处理
表油井管产品等级划分
参见附录A格式登记油井管产品质量评价检验结果产品等级
SY/T5539—2013
凡被评为一级,二级、二级的油井管均可作为推荐采购产品。其中一级油并管产品为优先推荐产品四级油井管产品不作为推荐采购产品。因未能通过抽详检验而不可进行评级的油并管产品应停止采购,
小提示:此标准内容仅展示完整标准里的部分截取内容,若需要完整标准请到上方自行免费下载完整标准文档。
标准图片预览:





- 热门标准
- 行业标准
- SY/T10033-2000 海上生产平台基本上部设施安全系统的分析、设计、安装和测试的推荐作法
- SY5522-1992 微体化石(介形 腹足 轮藻类)分析鉴定方法
- SY/T5764-2007 压裂用植物胶通用技术要求
- SY/T5099-1985 石油下井仪器温度、压力分级及其匹配
- SY/T5922-2012 天然气管道运行规范
- SY/T5783.1-2012 注入、产出剖面测井资料处理与解释规范 第1部分:直井
- SY/T4124-2013 油气输送管道工程竣工验收规范
- SY/T6934-2013 液化天然气(LNG)车辆加注站运行规程
- SY/T0306-1996 滩海石油工程热工采暖技术规范
- SY0027-1994 稠油集输及注蒸汽系统设计规范
- SY/T5276-2000 化学防砂人工岩心抗折强度、抗压强度及气体渗透率的测定
- SY0402-2000 石油天然气站内工艺管道工程施工及验收规范
- SY/T5202-2004 石油修井机
- SY/T6475-2000 石油天然气输送钢管尺寸和单位长度重量
- SY/T5755-1995 压裂酸化用助排剂性能评价方法
- 行业新闻
请牢记:“bzxz.net”即是“标准下载”四个汉字汉语拼音首字母与国际顶级域名“.net”的组合。 ©2025 标准下载网 www.bzxz.net 本站邮件:bzxznet@163.com
网站备案号:湘ICP备2025141790号-2
网站备案号:湘ICP备2025141790号-2