- 您的位置:
- 标准下载网 >>
- 标准分类 >>
- 林业行业标准(LY) >>
- LY/T 2166-2013 滚筒式剥皮机
标准号:
LY/T 2166-2013
标准名称:
滚筒式剥皮机
标准类别:
林业行业标准(LY)
标准状态:
现行出版语种:
简体中文下载格式:
.rar .pdf下载大小:
部分标准内容:
ICS79.120
中华人民共和国林业行业标准
LY/T2166—2013
滚筒式剥皮机
Thedrum debarker
2013-03-15发布
到除厘查真庆
国家林业局
2013-07-01实施
本标准按照GB/T1.12009给出的规则起草。LY/T2166--2013
请注意本文件的某些内容可能涉及专利。本文件的发布机构不承担识别这些专利的责任。本标准由全国人造板机械标准化技术委员会(SAC/TC66)提出并归口。本标准起草单位:镇江中福马机械有限公司。本标准主要起草人:沈中华,沈毅、王新男。1范围
滚筒式剥皮机
LY/T 2166-2013
本标准规定了滚简式剥皮机的主参数、要求、检验规则及标志、包装、运输、贮存等。本标推适用于对径级≥60 Ⅱ的枝極材,小径材、原木进行剥皮处理的滚简式剥皮机。2规范性引用文件
下列文件对于本文件的应用是必不可少的。凡是注月期的引用文件,仅注日期的版本适用于本文件。凡是不注日期的引用文件,其最新版本(包括所有的修改单)适用于本文件。GB/T191包装储运图示标志
5液压系统通用技术条件
GB/T3766
机械电气安金机械电气设备第1部分:通用技术条件GB/T12467.2金属材料熔焊质基要求第2部分:完整质要求GB/T13384机电产品包装用技术条件GB/T18003
GB/T18262
人造板机械设备型号编制方法
人造板机械通用技术条件
人造板机械安全通则
GB/T 18514
3简图
滚简式利皮机的结构简图如图1所示。LY/T2166—2013免费标准下载网bzxz
安装坡度:1:200
说明:
1---滋简
2---罩壳
驱动桥,
4——挡轮,
支承桥;
液压门。
注:本图不限制滚简式刹皮机的具体结构。图1
濑筒式剩皮机结构简图
主孝数
滚简式剥皮机的主参数为滚简外径(慰表1)。表1该筒式剥皮机主参数
滚筒外径
该简长度
5要求
5.1一般要求
2·380
21 000
21 000
5.1.1滚简式剥皮机的制造与验收除应符合本标准外,还应符合GB/T18262的规定。5.1.2采用的外购件应符合相关标准规定,并具有合格证明。5.1.3滚简式剥皮机的电控系统应符合GB5226.1的规定。5.1.4焊接件应符合GB/T12467.2的规定。2
单税为毫米
27 000
液压系统应符合GB/T3766的规定。5. 1.5
LY/T 2166—2013
5.1.6滚简式剥皮机的安全要求应符合GB/T18514的规定,外露的传动部位应加防护装置。5.1.7滚简式剥皮机的型号编制应符合GB/T18003的规定。5.1.8总装时要求保证同侧所有支撑轮支承面在:条直线上,误差不大于5tmm。5.1.9用卷尺检查剥皮机的滚简外径和长度,应符合表1的规定。5.1.10用目测法检查外观质量,应符合GB/T18262的相关规定。5.2
主要零部件要求
5.2.1滋筒
5.2.1.1滚简使用钢板阁圆拼接而成,相邻纵向焊缝应错开90°。5.2.1.2滚简内应焊有均匀分布的角钢或方钢。5.2.1.3滚简用来落树皮的出料槽应斜向布置。驱动桥
驱动桥应满足最大冲击裁荷。
5.2.3支承桥
支承桥轴应满足最大承载要求,5.2.4液压门
液压门应伸缩自如,结构件表面平整,无明显的凹凸现象。5.2.5罩亮
应采用对闭结构,防止粉尘飞扬,结构件应表面平,无明显的凹凸现象。5.2.6挡轮
挡轮表面应采用金属或橡胶材料,应防止滚简轴向移动并满足最大冲击载荷。5.3几何精度
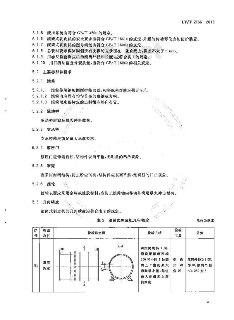
滚简式剥皮机的几何精度应符合表2的规定,滚筒式皮机几何精度
检验示意图
检验方法
将激简族转 1 周,
测量距滚简两端
100和中间3处圆
周上值的最大
值和最小值,每组
最差值即为浓
简圆度
单位为避米
液简外径≥408U
为10,滚简外径
<4080为8
LY/T 2166-—2013
5.4工作精度
. =. :
检验示意图
表2(续)
检验方法
将圆周分戒8 均
分,分别测量滚简
全长上值的最
钢板尺
大值和最小值,每和钢丝
组最大差值即为
滚筒直线度
调好驱动辑、支
承辑的精度,将滚
简旋转 1 周,测量
出两端面上品值
的最大值和最小
值,其最大差值即
为端面蹄动
钢板尺
和角尺
单位为毫米
搬商长度≥21000
为10:银筒长度
<21000为8
滚简外径24080
为8简外径
4080为 5
5.4.1用非冰冻的松不试验,原木直径在100mm~200mm,长度在1m~4m之间,在满足产能的情况下,剥净率应288%。
5.4.2剥净率测定:原木被剥去树皮的木材表面积占原木表面积的百分比,即为剥净率。5.5空运转试验
总装检验合格后进行空运转试验,时间不应少于1h,空运转试验允许在用户处进行。5.5. 1
滚简应运转灵活,无异常卢响。5.5.3检查电机电流,应小于额定电流的60%。5.5.4轴承温升不应大于10℃。
噪声声压级不应人于85 dB(A)。5.5.5
5.6负荷试验
5.6.1空运转试验合格后方可进行负荷试验,时间不应少于2h。5.6.2所有机构均应工作正带,无异常声响及显著振动。5.6.3负荷试验后检验工作精度。6格验规则
6.1出厂检验
6.1.1每台剥皮机出1~前均应按5.1.5.2、5.3和5.5进行检验。6.1.2出厂检验各项全部合格,则判定出厂检验合格。4
型式检验
6.2、1有下列情况之一时,应做型式检验:a)
新产品试制或定型产品转厂生产;b)
正式生产后,如结构、材料、工艺有较大改变,可能影响产品性能;产品长期停产后,嵌复生产;
出厂检验结果与上次型式检验结果有较大差异;d
国家质量监督机构提出进行型式检验要求时。型式检验应包括第5章的全部内容。只有型式检验的项目全部符合要求,才能判定型式检验合格。6.2.3
标志、包装、运输、贮存
7.1剥皮机的储运指示标志,应符合GB/T191的规定。7.2包装箱的制作、装箱要求、包装标记,运输要求均应符合GB/T13384的规定LY/T2166—2013
7.3产品长期存放时,应放置在案内或内,并应保证防腐蚀、防潮,零部件、专用工具及随机备件等应完整无摄。
随机技术文件应包括产品合格证、产品使用说明书及装箱单等。5
LY/T2166-2013
打印月期:2013年7月4日F002月中华人民共和国林业
行业标准
滚筒式皮机
LY/T2166--2013
中国标准出版社出版发行
北京市朝阳区和平里西街甲2号(100013)北京市西城区兰里河北街16号(100045)网址 spc. net. cn
总编室:(010)64275323发行中心(010)51780235读者服务部:(010)6B523946
中国标准出版社秦皇岛印刷厂印剧各地新华书店经销
开本880×12301/16印张0.75字数12千字2013年6月第一版2013年6月第一秋印刷5号:155066-2-25398定价16.00元如有印装差错由本社发行中心调换版权专有侵权必究
举报电话:(010)68510107
210299121/
小提示:此标准内容仅展示完整标准里的部分截取内容,若需要完整标准请到上方自行免费下载完整标准文档。
中华人民共和国林业行业标准
LY/T2166—2013
滚筒式剥皮机
Thedrum debarker
2013-03-15发布
到除厘查真庆
国家林业局
2013-07-01实施
本标准按照GB/T1.12009给出的规则起草。LY/T2166--2013
请注意本文件的某些内容可能涉及专利。本文件的发布机构不承担识别这些专利的责任。本标准由全国人造板机械标准化技术委员会(SAC/TC66)提出并归口。本标准起草单位:镇江中福马机械有限公司。本标准主要起草人:沈中华,沈毅、王新男。1范围
滚筒式剥皮机
LY/T 2166-2013
本标准规定了滚简式剥皮机的主参数、要求、检验规则及标志、包装、运输、贮存等。本标推适用于对径级≥60 Ⅱ的枝極材,小径材、原木进行剥皮处理的滚简式剥皮机。2规范性引用文件
下列文件对于本文件的应用是必不可少的。凡是注月期的引用文件,仅注日期的版本适用于本文件。凡是不注日期的引用文件,其最新版本(包括所有的修改单)适用于本文件。GB/T191包装储运图示标志
5液压系统通用技术条件
GB/T3766
机械电气安金机械电气设备第1部分:通用技术条件GB/T12467.2金属材料熔焊质基要求第2部分:完整质要求GB/T13384机电产品包装用技术条件GB/T18003
GB/T18262
人造板机械设备型号编制方法
人造板机械通用技术条件
人造板机械安全通则
GB/T 18514
3简图
滚简式利皮机的结构简图如图1所示。LY/T2166—2013免费标准下载网bzxz
安装坡度:1:200
说明:
1---滋简
2---罩壳
驱动桥,
4——挡轮,
支承桥;
液压门。
注:本图不限制滚简式刹皮机的具体结构。图1
濑筒式剩皮机结构简图
主孝数
滚简式剥皮机的主参数为滚简外径(慰表1)。表1该筒式剥皮机主参数
滚筒外径
该简长度
5要求
5.1一般要求
2·380
21 000
21 000
5.1.1滚简式剥皮机的制造与验收除应符合本标准外,还应符合GB/T18262的规定。5.1.2采用的外购件应符合相关标准规定,并具有合格证明。5.1.3滚简式剥皮机的电控系统应符合GB5226.1的规定。5.1.4焊接件应符合GB/T12467.2的规定。2
单税为毫米
27 000
液压系统应符合GB/T3766的规定。5. 1.5
LY/T 2166—2013
5.1.6滚简式剥皮机的安全要求应符合GB/T18514的规定,外露的传动部位应加防护装置。5.1.7滚简式剥皮机的型号编制应符合GB/T18003的规定。5.1.8总装时要求保证同侧所有支撑轮支承面在:条直线上,误差不大于5tmm。5.1.9用卷尺检查剥皮机的滚简外径和长度,应符合表1的规定。5.1.10用目测法检查外观质量,应符合GB/T18262的相关规定。5.2
主要零部件要求
5.2.1滋筒
5.2.1.1滚简使用钢板阁圆拼接而成,相邻纵向焊缝应错开90°。5.2.1.2滚简内应焊有均匀分布的角钢或方钢。5.2.1.3滚简用来落树皮的出料槽应斜向布置。驱动桥
驱动桥应满足最大冲击裁荷。
5.2.3支承桥
支承桥轴应满足最大承载要求,5.2.4液压门
液压门应伸缩自如,结构件表面平整,无明显的凹凸现象。5.2.5罩亮
应采用对闭结构,防止粉尘飞扬,结构件应表面平,无明显的凹凸现象。5.2.6挡轮
挡轮表面应采用金属或橡胶材料,应防止滚简轴向移动并满足最大冲击载荷。5.3几何精度
滚简式剥皮机的几何精度应符合表2的规定,滚筒式皮机几何精度
检验示意图
检验方法
将激简族转 1 周,
测量距滚简两端
100和中间3处圆
周上值的最大
值和最小值,每组
最差值即为浓
简圆度
单位为避米
液简外径≥408U
为10,滚简外径
<4080为8
LY/T 2166-—2013
5.4工作精度
. =. :
检验示意图
表2(续)
检验方法
将圆周分戒8 均
分,分别测量滚简
全长上值的最
钢板尺
大值和最小值,每和钢丝
组最大差值即为
滚筒直线度
调好驱动辑、支
承辑的精度,将滚
简旋转 1 周,测量
出两端面上品值
的最大值和最小
值,其最大差值即
为端面蹄动
钢板尺
和角尺
单位为毫米
搬商长度≥21000
为10:银筒长度
<21000为8
滚简外径24080
为8简外径
4080为 5
5.4.1用非冰冻的松不试验,原木直径在100mm~200mm,长度在1m~4m之间,在满足产能的情况下,剥净率应288%。
5.4.2剥净率测定:原木被剥去树皮的木材表面积占原木表面积的百分比,即为剥净率。5.5空运转试验
总装检验合格后进行空运转试验,时间不应少于1h,空运转试验允许在用户处进行。5.5. 1
滚简应运转灵活,无异常卢响。5.5.3检查电机电流,应小于额定电流的60%。5.5.4轴承温升不应大于10℃。
噪声声压级不应人于85 dB(A)。5.5.5
5.6负荷试验
5.6.1空运转试验合格后方可进行负荷试验,时间不应少于2h。5.6.2所有机构均应工作正带,无异常声响及显著振动。5.6.3负荷试验后检验工作精度。6格验规则
6.1出厂检验
6.1.1每台剥皮机出1~前均应按5.1.5.2、5.3和5.5进行检验。6.1.2出厂检验各项全部合格,则判定出厂检验合格。4
型式检验
6.2、1有下列情况之一时,应做型式检验:a)
新产品试制或定型产品转厂生产;b)
正式生产后,如结构、材料、工艺有较大改变,可能影响产品性能;产品长期停产后,嵌复生产;
出厂检验结果与上次型式检验结果有较大差异;d
国家质量监督机构提出进行型式检验要求时。型式检验应包括第5章的全部内容。只有型式检验的项目全部符合要求,才能判定型式检验合格。6.2.3
标志、包装、运输、贮存
7.1剥皮机的储运指示标志,应符合GB/T191的规定。7.2包装箱的制作、装箱要求、包装标记,运输要求均应符合GB/T13384的规定LY/T2166—2013
7.3产品长期存放时,应放置在案内或内,并应保证防腐蚀、防潮,零部件、专用工具及随机备件等应完整无摄。
随机技术文件应包括产品合格证、产品使用说明书及装箱单等。5
LY/T2166-2013
打印月期:2013年7月4日F002月中华人民共和国林业
行业标准
滚筒式皮机
LY/T2166--2013
中国标准出版社出版发行
北京市朝阳区和平里西街甲2号(100013)北京市西城区兰里河北街16号(100045)网址 spc. net. cn
总编室:(010)64275323发行中心(010)51780235读者服务部:(010)6B523946
中国标准出版社秦皇岛印刷厂印剧各地新华书店经销
开本880×12301/16印张0.75字数12千字2013年6月第一版2013年6月第一秋印刷5号:155066-2-25398定价16.00元如有印装差错由本社发行中心调换版权专有侵权必究
举报电话:(010)68510107
210299121/
小提示:此标准内容仅展示完整标准里的部分截取内容,若需要完整标准请到上方自行免费下载完整标准文档。
标准图片预览:





- 其它标准
- 热门标准
- 行业标准
- LY/T1683-2006 中国野生植物受威胁等级划分标准
- LY/T2206-2013 四倍体泡桐苗木繁育技术规程
- LY/T1444.3-2005 林区木材生产能耗 第3部分:集材机械燃料消耗量
- LY/T1644-2005 没食子酸分析试验方法
- LY/T1100-1993 链式刮板运输机 制造与验收技术条件
- LY/T1270-1999 森林植物与森林枯枝落叶层全硅、铁、铝、钙、镁、钾、钠、磷、硫、锰、铜、锌的测定
- LY/T1723-2008 农田防护林采伐作业规程
- LY/T1851-2009 植物新品种特异性、一致性、稳定性测试指南 板栗
- LY/T1924-2010 木制茶具
- LY/T1918-2010 野生动物饲养管理技术规程
- LY/T2062-2012 防虫胶合板
- LY/T2188.3-2013 森林资源数据采集技术规范 第3部分作业设计调查
- LY/T1633-2005 中国水仙种球生产技术规程和质量等级
- LY/T1638-2005 针叶饲料粉
- LY/T1237-1999 森林土壤有机质的测定及碳氮比的计算
- 行业新闻
请牢记:“bzxz.net”即是“标准下载”四个汉字汉语拼音首字母与国际顶级域名“.net”的组合。 ©2025 标准下载网 www.bzxz.net 本站邮件:bzxznet@163.com
网站备案号:湘ICP备2025141790号-2
网站备案号:湘ICP备2025141790号-2