- 您的位置:
- 标准下载网 >>
- 标准分类 >>
- 化工行业标准(HG) >>
- HG/T 4370-2012 化工用复合材料气体吸收塔
标准号:
HG/T 4370-2012
标准名称:
化工用复合材料气体吸收塔
标准类别:
化工行业标准(HG)
标准状态:
现行出版语种:
简体中文下载格式:
.rar .pdf下载大小:
部分标准内容:
1CS 71. 120 ;83. 140
备案号:37898—2013
中华人民共和国化工行业标准
HG/T 4370-—2012
化工用复合材料气体吸收塔
Gas absorption tower.with composite material for chemical industry2012-11-07发布
2013-03-01实施
中华人民共和国工业和信息化部发布前言
规范性引用文件
术语和定义
原材料
技术要求
检验方法
检验规则
9标志.包装、运输和贮存
附录A(资料性附录)
附录B(资料性附录)
I3. 1搬运
B.2安装
法兰接管规格
搬运和安装
HG/T4370--2012
木标准按照GB/T1.12009给出的规则起草。本标准的附录 A和附录 B 为资料性附录。本标推由中国石油和化学工业联合会提出。本标准由全国非金属化工设备标准化技术委员会(SAC/TC162)归口。本标准起草单位:杭州中昊科技有限公司、天华化工机械及自动化研究设计院。本标准主要起节人:黄奕平、童新洋、张俊科、丁礼堂、李锋。HG/T4370—2012下载标准就来标准下载网
1范围
化工用复合材料气体吸收塔
HG/T4370—2012
本标准规定了化工用复台材料气体吸收塔(以下简称塔器)的产品定义、分类、原材料、技术要求,试验方法、检验规则、标志、包装、运轮和贮存。本标准适用于以热固性树脂为基体,以玻璃纤维为增强材料采用纤维缠绕工艺制造而成的整体耐腐蚀的化T用气体吸收塔。工作压力范围一0.02MPa~0.1MPa、T作温度范用一40℃~120℃。2规范性引用文件
下列文件对于本文件的应用是必不可少的。凡是注日期的引用文件,仪所注日期的版本适用于本文件。凡是不注H期的引用文件,其最新版本(包括所有的修改单)适用于本文件。GB/1 1417纤维增强塑料拉伸性能试验方法GB/T 1419
纤维增强塑料离曲性能试验方法纤维增强塑料树脂不可溶分含量试验方法GB/T 2576
GB/T 2577
GB/T 3854
GB/T 8237
GB/T 18369
玻璃纤维增强塑料树脂含量试验方法增强塑料巴柯尔硬度试验方法
纤维增强塑料用液体不饱和聚酯树脂玻璃纤维无捻粗纱
GB/T 18370
玻璃纤维儿捻粗纱布
HG/T20696玻璃钢化工设备设计规定3术语和定义
下列术语和定义适用于本文件。3.1
化工用复合材料气体吸收塔gas absorption towerwithtomposilematerial for chenical industry以热固性树脂为其体,以玻璃纤维为增强材料,采用纤维缠绕工艺制造而成的整体耐膚蚀的化工用气体吸收塔。
4分类
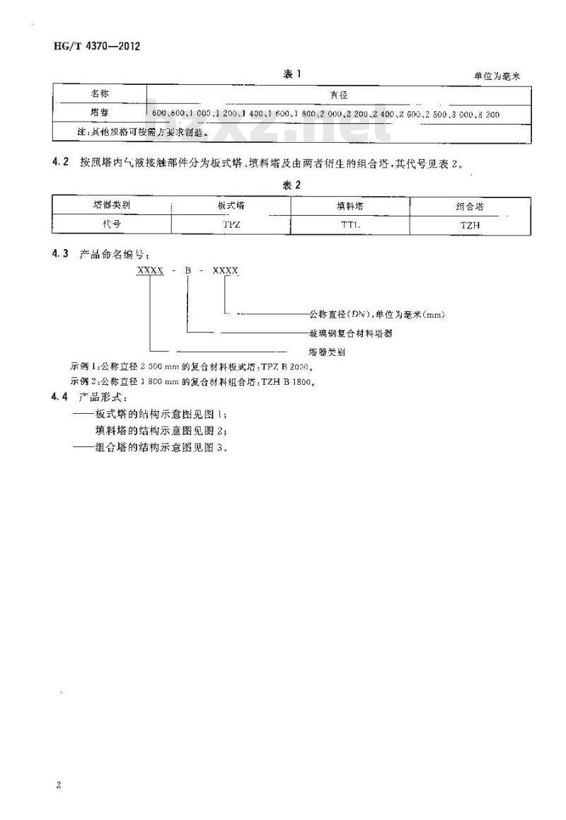
4.1塔器直径系列见表1。
TTIKAaNKAca
HG/T 4370—2012
单位为毫米
600.800.1 C001 200,1 400.1 600、1 800、2 000.2 200.2 400.2 G00.,2 800.3 000.3 200注:其他规格可按需方要求制造。4.2
按照塔内气液接触部件分为板式塔、填料塔及由两者衍生的组合塔,其代号见表2。表2
塔器类别
产品命名编号:
板式堵
填料塔
公称直径(PN)),单位为毫米(mm)玻璃钢复合材料塔器
塔器类别
示例1:公称径2000mm的复合材料板式塔:TPzB2000示例2:公称径1800mmi的复合材料组合塔:TzHB1800。4.4产品形式:
板式塔的结构示意图见图1;
填料塔的结构示意图见图2;
组合塔的结构示意图见图3,
组合塔
中电中
中自电电电中
中心中中中
中中确中由中
中中中心
底脚支座:
侧驱形滤:
筒体:
气体分布器:
—塔盘:
7——-·封头。
TIKANIKAC
HG/T 4370—2012
HG/T 4370--2012
底腾支座:
气你分布器;
填料限制板:
料层!
料送板
液体分布器:
判头。
2-— 底肽支康;
一微体;
气体分布器:
支择极;
填科阀,
块科限制板;
液体分布器;
塔盘:
--·封头
HG/T 4370---2012
HG/T 4370-—2012
5原材料
5.1树脂
5.1.1制造塔器结构层的树脂可按使用要求选用不饱和聚酯树脂,乙烯基树脂、环氧树脂。依据使用要求经供需双方商定也可选用他适合绕的树脂。5.1.2制造塔器耐腐蚀层的树脂可按使用要求选用乙烯基树脂、坏氧树脂。依据使用要求经商定也可选用耐使用介质腐蚀的其他树脂。5.1.3不饱和聚酯树脂应符合GB/T8237的规定,其他树脂应符合相应标准的规定。5.1.4树脂通常应不含有额料、染料、填料或养色剂。下述情况除外:a)不妨碍制品质量视觉检验,不影响制品腐蚀性要求的触变剂;b)如供需双方同意,树脂中叫添加颜料、染料或着色剂;如供需双方同意,树胎中可添加紫外线啵收剂或阻燃剂。c
5.2增强材料
5.2.1玻璃纤维无捻粗纱应符合GB/T18369的规定。5.2.2玻璃纤维无粗纱布应符合GB/T18370的规定5.2.3玻璃纤维短切原丝毡和表面毡应附有与树脂系统化学性相容的漫润剂。5.2.4增强材料也可采用有机纤维表面毡或其他材料。6技术要求
6.1塔器壳体
塔器简体.顶封头和底封头的壳壁由耐蚀层抗渗次内层、结构层和外表面层四层组成,6. 1. 1耐腐蚀层、抗渗次内层部分;a)树脂含量:内表面层应90 %,次内层应学70 %;b)厚度应是正公差,允差为十0.2mIc)表面取30cm×30cm的面积内,最大直径为1mm的气泡不得超过3个,否则应划破修补:表面不应有深度为0.5mm以上的裂纹,否则应修补;表面不应有泛白或白化层,否则应划破修补;表面不应有起泡,否则应划破修补。6.1.2结构层部分:
a)树脂含量:手糊成型应为50%土5%.缠绕成型为35%土5%:b)最小厚度不得小于图纸标推厚度的 90 %;结构层的纤维应充分浸润树脂,不应有干斑,纤继不得外露,不应有层间分层,异物夹杂、色泽c)
明显不均。结构层裂纹深度不得大于结构层厚度的 20 %,I不大于1mm.长度不大于 30 tm。6.1.3外表面层部分:
a)外表面层树脂含量90%;
b)外表面平整光滑,不应有下斑,纤维不得外露、异物夹杂,色明显不均,不应有层问分层、脱皮、树脂瘤等。
6.2塔器厚度
壳壁最小厚度见表3,
面腐蚀层和
抗渗汰内层
塔器公称直径
化性介质
摘蚀介质(氧化控介质除外)
壳最小总厚度
6.3塔器壳壁玻璃钢材质力学性能600-1200
HG/T 4370—2012
单位为率米
1400-~2000
有设计数据的按设计数据设计,无设计数据的可以参考表4、表5的数据设计:a)
缠绕玻璃钢制品力学性能数值参考表4;零部件及接管连接附件采用手糊成工艺,玻璃钢力学性能数值参考表5。表4 (主体材料)
相对密度
泊松系数
巴氏硬度
断裂仲长率/%
环向拉伸强度/MPa
轴向拉伸强度/MP:
坏向弯曲强度/MPa
抗压强度/MPa
环向弹性模量/MPa
轴向弹性模量/MPa
剪切模/MPa
3. 5~-5. C
5. 1~-6. 5
拉伸强度/MPa
1:此板包括耐腐蚀内衬层剂结构增强层。注2;试验条件:温度 20 ℃、相对湿度≤65%6.4塔器部件
【部件材料】
1.8~-2. 0
120-~180
45~-65
250--350
118245
(1. 41~-2. 45)×101
(1. 09~1. 27)X101
弯曲强度/MPa
≥110
≥150
>2 000
弯曲弹性模量/MPa
25.5×103
*6.2×101
26. 86× 103
6.4.1封头形式:顶封头来用标准椭圆封头,底封头采用标雅椭圆封头或平形底或圆弧底。当采用平形底时,底部拐角半径不小于38mm,连接方式采用HG/T20696的要求。6.4.2接管与塔体连接按HG/120696制作。6.4.3塔器泌兰接管手工糊制或模压成型,尺寸规格参见附录A。6.4.4支座:
底部为平形底时支座形式见图4:支座与筒体连接按IHG/T20696制作。底部为标准椭圆形底时支座形式见图5,支座与筒体连接按HG/T20696制作。b)
1IG/T4370—2012
6.5尺寸要求
离脚支幽;
国板;
简体,
广御支座:
检查孔:
气孔;
筒体;
挚板:
基础环板。
支限;
裙座环板:
引孔;
基弯环板。
6.5.1封头、简体直径偏差不大于0.3%D,且不大于20mm。6.5.2双法兰筒体同一圆周.1的长度偏差为士2mm。6.5.3人孔,接管在塔体上的位置偏差为士6.mm,6. 5. 4 安装后液体分布器.塔盘的水平偏差应不大于 0. 2 %D,且不大于 4 mm 与中心线偏差小于3ritri
6. 5. 5塔体红装后的总长度偏差小于总长度的 1 %,不大于 20 mm。HG/T 4370—2012
6.5.6塔体组装后的直线度偏差应小于1/1000塔高,且不大于15mm,当塔径不大于1000mm时,弯曲偏差应不大于10mm
6.5.7塔体安装后:安装垂直度俏差小丁等丁1/1000塔高,且不人丁20mm6.6压力试验要求
6.6.1水压试验:试验压万为1.5倍的设计压力。保压31n111后降至设计压力,保压时间不得小于20 min,无泄漏及无明品变形为合格,6.6.2气密性试验:介质为空气,试验压力为1.0倍的设计压力,用肥皂水检验,儿气泡产生。7检验方法
7.1外观及表面质量应在光线充足的条件下或!00)W白炽灯照下检查,内衬层可用7~8倍的于持放人镜检查。
7.2拉仲强度按GB/T1447测试
7.3 弯曲强度按 GB/T 1449 测试。7.4固化度按GB/T2576测试。
7.5巴氏硬度按GB/T3851测试。
7.6树脂含量按G13/T2577测试
7.7塔器的长度、高度、安装位置等形位尺小用精度1m1m的钢卷只测量。7.8塔器壁厚、法兰尺寸用精度0.02mm的游标卡尺测量。7.9塔内件的安装水平允用水平管和游标下尺测量。7.10垂直度、安装占线度用弦线和精度1IIm的钢卷尺测量。水压试验:试验压力为1.5倍的设计压力,保压3min后降至设计压力,保压时间不得小于7. 11
2)min,无泄漏及无明显变形为合格。气密性试验:介质为空气、试验压力为设计压力,用肥皂水检验密封面,无气泡。
8检验规则
8.1出厂检验
每台塔帮必须进行出厂检验,检验项日见表6.表6
8.2型式检验
检验项目名称
内衬层表观要求
外表层表观要求
外形尺寸要求
塔内件安装要求
四氏薇度
水压和气密试验
有下列情况之一应进行型式检验:检验方法
a)正式投产后:如材料、上艺结构有较大改变,可能澎响产品性能时;b)正常生产:12个月后;
出厂检验结果与上次塑检验的结果有较大差异时;c
d)国家质检机构或客户提出型式检验的要求时。备注
小提示:此标准内容仅展示完整标准里的部分截取内容,若需要完整标准请到上方自行免费下载完整标准文档。
备案号:37898—2013
中华人民共和国化工行业标准
HG/T 4370-—2012
化工用复合材料气体吸收塔
Gas absorption tower.with composite material for chemical industry2012-11-07发布
2013-03-01实施
中华人民共和国工业和信息化部发布前言
规范性引用文件
术语和定义
原材料
技术要求
检验方法
检验规则
9标志.包装、运输和贮存
附录A(资料性附录)
附录B(资料性附录)
I3. 1搬运
B.2安装
法兰接管规格
搬运和安装
HG/T4370--2012
木标准按照GB/T1.12009给出的规则起草。本标准的附录 A和附录 B 为资料性附录。本标推由中国石油和化学工业联合会提出。本标准由全国非金属化工设备标准化技术委员会(SAC/TC162)归口。本标准起草单位:杭州中昊科技有限公司、天华化工机械及自动化研究设计院。本标准主要起节人:黄奕平、童新洋、张俊科、丁礼堂、李锋。HG/T4370—2012下载标准就来标准下载网
1范围
化工用复合材料气体吸收塔
HG/T4370—2012
本标准规定了化工用复台材料气体吸收塔(以下简称塔器)的产品定义、分类、原材料、技术要求,试验方法、检验规则、标志、包装、运轮和贮存。本标准适用于以热固性树脂为基体,以玻璃纤维为增强材料采用纤维缠绕工艺制造而成的整体耐腐蚀的化T用气体吸收塔。工作压力范围一0.02MPa~0.1MPa、T作温度范用一40℃~120℃。2规范性引用文件
下列文件对于本文件的应用是必不可少的。凡是注日期的引用文件,仪所注日期的版本适用于本文件。凡是不注H期的引用文件,其最新版本(包括所有的修改单)适用于本文件。GB/1 1417纤维增强塑料拉伸性能试验方法GB/T 1419
纤维增强塑料离曲性能试验方法纤维增强塑料树脂不可溶分含量试验方法GB/T 2576
GB/T 2577
GB/T 3854
GB/T 8237
GB/T 18369
玻璃纤维增强塑料树脂含量试验方法增强塑料巴柯尔硬度试验方法
纤维增强塑料用液体不饱和聚酯树脂玻璃纤维无捻粗纱
GB/T 18370
玻璃纤维儿捻粗纱布
HG/T20696玻璃钢化工设备设计规定3术语和定义
下列术语和定义适用于本文件。3.1
化工用复合材料气体吸收塔gas absorption towerwithtomposilematerial for chenical industry以热固性树脂为其体,以玻璃纤维为增强材料,采用纤维缠绕工艺制造而成的整体耐膚蚀的化工用气体吸收塔。
4分类
4.1塔器直径系列见表1。
TTIKAaNKAca
HG/T 4370—2012
单位为毫米
600.800.1 C001 200,1 400.1 600、1 800、2 000.2 200.2 400.2 G00.,2 800.3 000.3 200注:其他规格可按需方要求制造。4.2
按照塔内气液接触部件分为板式塔、填料塔及由两者衍生的组合塔,其代号见表2。表2
塔器类别
产品命名编号:
板式堵
填料塔
公称直径(PN)),单位为毫米(mm)玻璃钢复合材料塔器
塔器类别
示例1:公称径2000mm的复合材料板式塔:TPzB2000示例2:公称径1800mmi的复合材料组合塔:TzHB1800。4.4产品形式:
板式塔的结构示意图见图1;
填料塔的结构示意图见图2;
组合塔的结构示意图见图3,
组合塔
中电中
中自电电电中
中心中中中
中中确中由中
中中中心
底脚支座:
侧驱形滤:
筒体:
气体分布器:
—塔盘:
7——-·封头。
TIKANIKAC
HG/T 4370—2012
HG/T 4370--2012
底腾支座:
气你分布器;
填料限制板:
料层!
料送板
液体分布器:
判头。
2-— 底肽支康;
一微体;
气体分布器:
支择极;
填科阀,
块科限制板;
液体分布器;
塔盘:
--·封头
HG/T 4370---2012
HG/T 4370-—2012
5原材料
5.1树脂
5.1.1制造塔器结构层的树脂可按使用要求选用不饱和聚酯树脂,乙烯基树脂、环氧树脂。依据使用要求经供需双方商定也可选用他适合绕的树脂。5.1.2制造塔器耐腐蚀层的树脂可按使用要求选用乙烯基树脂、坏氧树脂。依据使用要求经商定也可选用耐使用介质腐蚀的其他树脂。5.1.3不饱和聚酯树脂应符合GB/T8237的规定,其他树脂应符合相应标准的规定。5.1.4树脂通常应不含有额料、染料、填料或养色剂。下述情况除外:a)不妨碍制品质量视觉检验,不影响制品腐蚀性要求的触变剂;b)如供需双方同意,树脂中叫添加颜料、染料或着色剂;如供需双方同意,树胎中可添加紫外线啵收剂或阻燃剂。c
5.2增强材料
5.2.1玻璃纤维无捻粗纱应符合GB/T18369的规定。5.2.2玻璃纤维无粗纱布应符合GB/T18370的规定5.2.3玻璃纤维短切原丝毡和表面毡应附有与树脂系统化学性相容的漫润剂。5.2.4增强材料也可采用有机纤维表面毡或其他材料。6技术要求
6.1塔器壳体
塔器简体.顶封头和底封头的壳壁由耐蚀层抗渗次内层、结构层和外表面层四层组成,6. 1. 1耐腐蚀层、抗渗次内层部分;a)树脂含量:内表面层应90 %,次内层应学70 %;b)厚度应是正公差,允差为十0.2mIc)表面取30cm×30cm的面积内,最大直径为1mm的气泡不得超过3个,否则应划破修补:表面不应有深度为0.5mm以上的裂纹,否则应修补;表面不应有泛白或白化层,否则应划破修补;表面不应有起泡,否则应划破修补。6.1.2结构层部分:
a)树脂含量:手糊成型应为50%土5%.缠绕成型为35%土5%:b)最小厚度不得小于图纸标推厚度的 90 %;结构层的纤维应充分浸润树脂,不应有干斑,纤继不得外露,不应有层间分层,异物夹杂、色泽c)
明显不均。结构层裂纹深度不得大于结构层厚度的 20 %,I不大于1mm.长度不大于 30 tm。6.1.3外表面层部分:
a)外表面层树脂含量90%;
b)外表面平整光滑,不应有下斑,纤维不得外露、异物夹杂,色明显不均,不应有层问分层、脱皮、树脂瘤等。
6.2塔器厚度
壳壁最小厚度见表3,
面腐蚀层和
抗渗汰内层
塔器公称直径
化性介质
摘蚀介质(氧化控介质除外)
壳最小总厚度
6.3塔器壳壁玻璃钢材质力学性能600-1200
HG/T 4370—2012
单位为率米
1400-~2000
有设计数据的按设计数据设计,无设计数据的可以参考表4、表5的数据设计:a)
缠绕玻璃钢制品力学性能数值参考表4;零部件及接管连接附件采用手糊成工艺,玻璃钢力学性能数值参考表5。表4 (主体材料)
相对密度
泊松系数
巴氏硬度
断裂仲长率/%
环向拉伸强度/MPa
轴向拉伸强度/MP:
坏向弯曲强度/MPa
抗压强度/MPa
环向弹性模量/MPa
轴向弹性模量/MPa
剪切模/MPa
3. 5~-5. C
5. 1~-6. 5
拉伸强度/MPa
1:此板包括耐腐蚀内衬层剂结构增强层。注2;试验条件:温度 20 ℃、相对湿度≤65%6.4塔器部件
【部件材料】
1.8~-2. 0
120-~180
45~-65
250--350
118245
(1. 41~-2. 45)×101
(1. 09~1. 27)X101
弯曲强度/MPa
≥110
≥150
>2 000
弯曲弹性模量/MPa
25.5×103
*6.2×101
26. 86× 103
6.4.1封头形式:顶封头来用标准椭圆封头,底封头采用标雅椭圆封头或平形底或圆弧底。当采用平形底时,底部拐角半径不小于38mm,连接方式采用HG/T20696的要求。6.4.2接管与塔体连接按HG/120696制作。6.4.3塔器泌兰接管手工糊制或模压成型,尺寸规格参见附录A。6.4.4支座:
底部为平形底时支座形式见图4:支座与筒体连接按IHG/T20696制作。底部为标准椭圆形底时支座形式见图5,支座与筒体连接按HG/T20696制作。b)
1IG/T4370—2012
6.5尺寸要求
离脚支幽;
国板;
简体,
广御支座:
检查孔:
气孔;
筒体;
挚板:
基础环板。
支限;
裙座环板:
引孔;
基弯环板。
6.5.1封头、简体直径偏差不大于0.3%D,且不大于20mm。6.5.2双法兰筒体同一圆周.1的长度偏差为士2mm。6.5.3人孔,接管在塔体上的位置偏差为士6.mm,6. 5. 4 安装后液体分布器.塔盘的水平偏差应不大于 0. 2 %D,且不大于 4 mm 与中心线偏差小于3ritri
6. 5. 5塔体红装后的总长度偏差小于总长度的 1 %,不大于 20 mm。HG/T 4370—2012
6.5.6塔体组装后的直线度偏差应小于1/1000塔高,且不大于15mm,当塔径不大于1000mm时,弯曲偏差应不大于10mm
6.5.7塔体安装后:安装垂直度俏差小丁等丁1/1000塔高,且不人丁20mm6.6压力试验要求
6.6.1水压试验:试验压万为1.5倍的设计压力。保压31n111后降至设计压力,保压时间不得小于20 min,无泄漏及无明品变形为合格,6.6.2气密性试验:介质为空气,试验压力为1.0倍的设计压力,用肥皂水检验,儿气泡产生。7检验方法
7.1外观及表面质量应在光线充足的条件下或!00)W白炽灯照下检查,内衬层可用7~8倍的于持放人镜检查。
7.2拉仲强度按GB/T1447测试
7.3 弯曲强度按 GB/T 1449 测试。7.4固化度按GB/T2576测试。
7.5巴氏硬度按GB/T3851测试。
7.6树脂含量按G13/T2577测试
7.7塔器的长度、高度、安装位置等形位尺小用精度1m1m的钢卷只测量。7.8塔器壁厚、法兰尺寸用精度0.02mm的游标卡尺测量。7.9塔内件的安装水平允用水平管和游标下尺测量。7.10垂直度、安装占线度用弦线和精度1IIm的钢卷尺测量。水压试验:试验压力为1.5倍的设计压力,保压3min后降至设计压力,保压时间不得小于7. 11
2)min,无泄漏及无明显变形为合格。气密性试验:介质为空气、试验压力为设计压力,用肥皂水检验密封面,无气泡。
8检验规则
8.1出厂检验
每台塔帮必须进行出厂检验,检验项日见表6.表6
8.2型式检验
检验项目名称
内衬层表观要求
外表层表观要求
外形尺寸要求
塔内件安装要求
四氏薇度
水压和气密试验
有下列情况之一应进行型式检验:检验方法
a)正式投产后:如材料、上艺结构有较大改变,可能澎响产品性能时;b)正常生产:12个月后;
出厂检验结果与上次塑检验的结果有较大差异时;c
d)国家质检机构或客户提出型式检验的要求时。备注
小提示:此标准内容仅展示完整标准里的部分截取内容,若需要完整标准请到上方自行免费下载完整标准文档。
标准图片预览:





- 其它标准
- 热门标准
- 行业标准
- HG/T20518-2008 化工粉体工程设计通用规范
- HG/T3985-2007 聚四氟乙烯波纹管膨胀节
- HG/T3219-2009 代替 HG/T 3219-1999 搪玻璃平面阀
- HG/T3459-2003 化学试剂 顺丁烯二酸酐
- HG∕T5056-2016 GB 7544在天然橡胶胶乳避孕套质量管理中的使用指南
- HG/T2017-2011 代替 HG/T 2017-2000 普通运动鞋
- HG/T2257-2011 代替 HG/T 2257-1991 照相化学品 成色剂挥发分的测定
- HG/T21529-2014 代替 HG/T 21529-2005 板式平焊法兰手孔
- HG/T2956.5-2001 硼镁矿石中氧化亚铁含量的测定重铬酸钾 容量法
- HG/T2371-2003 代替 HG/T 2371-1992 搪玻璃开式搅拌容器
- HG/T2044-2020 代替 HG/T 2044-2003 机械密封用喷涂氧化铬密封环技术条件
- HG/T2343-2012 硫化促进剂 ETU
- HG/T3531-2011 代替 HG/T 3531-2003 工业循环冷却水污垢和腐蚀产物中水分含量的测定
- HG/T3415-2010 代替 HG/T 3415-2001 红色基 B(2-甲氧基-4-硝基苯胺)
- HG/T20585-2011 代替 HG 20585-1998 钢制低温压力容器技术规定
- 行业新闻
请牢记:“bzxz.net”即是“标准下载”四个汉字汉语拼音首字母与国际顶级域名“.net”的组合。 ©2025 标准下载网 www.bzxz.net 本站邮件:bzxznet@163.com
网站备案号:湘ICP备2025141790号-2
网站备案号:湘ICP备2025141790号-2