- 您的位置:
- 标准下载网 >>
- 标准分类 >>
- 国家标准(GB) >>
- GB/T 28954-2012 汽车发动机 旋装式机油滤清器 连接尺寸
标准号:
GB/T 28954-2012
标准名称:
汽车发动机 旋装式机油滤清器 连接尺寸
标准类别:
国家标准(GB)
标准状态:
现行出版语种:
简体中文下载格式:
.rar .pdf下载大小:
部分标准内容:
ICS 43. 060. 30
中华人民共和国国家标准
GB/T28954-2012
汽车发动机
旋装式机油滤清器
连接尺寸
Automotive engines-Spin-on filters for lubricating oil-Connect dimensions
(ISO 6415:2005,Internal combustion engines—Spin-on filters forluhricating oil--Dimensions,MOD)2012-12-31发布
中华人民共和国国家质量监督检验检疫总局中国国家标准化管理委员会
2013-07-01实施
本标推按照GB/T1.1一2009给出的规则起草。GB/T28954—2012
本标准使用重新起草法修改采用ISO6415:2005&内燃机旋装式机油滤清器尺寸》,本标摊与ISO6415:2005的技术性差异及其原因如下:一关于规范性引用文件,本标准做了具有技术性差异的调整,以适应我国的技术条件,调整的情况集中反映在第2章“规范性引用文件\中,具体调整如下::用修改采用国际标准的GB/T192—2003代ISO68-1:1998(见3.1);,用修改采用国际标准的GB/T1932003代替IS0261.1998(见3.1);·用修改采用国际标准的GB/T197—2003代替ISO965-1:1998(见3.1);。用修改采用国际标准的GB/T25[6—1993代替ISO965-3:1998(见3.1)。根据对国内发动机用旋装式机油滤消器连接尺寸的调查结果,在表1和表2齐增加了8个系列。
本标推做了下列编辑性修改:
为与现有标谁系列--致,将标准名称改为《汽车发动机旋装式机油滤清器连接尺寸》。本标准由全国汽车标准化技术委员会(SAC/TC111)归口。本标准起草单位:蚌埠金威滤清器有限公司、临海江南内燃机附件有限公司、淄博永华滤清器制造有限公司、中国第一汽车集团公司技术中心。本标准主要起草人:李建国、单梅梅、金文华、李永华、米培清、曹立新。1
1范国
汽车发动机旋装式机油滤清器
连接尺寸
GB/T 28954-2012
本标准规定了汽车发动机润滑油过滤用全流旋装式滤清器的基本尺,名称和标记。本标准适用于汽车发动机润滑油过滤用全流旋装式滤清器的互换性。2规范性引用文件
下列文件对于本文件的应用是必不可少的。凡是注日期的引用文件,仪注期的版本适用于本文件。凡是不注日期的引用文件,其最新版本(包括所有的修改单)适用于本文件。GB/T192—2003普通螺纹基本牙型(ISO68-1.1998)GB/T1932003普通螺纹直径与螺距系列(ISO261:1998)GB/T197—2003普通螺纹公差(ISO565-1:1998)GB/T2516—1993普通螺纹极限偏差(ISO965-3:1998)3规格要求
3.1连接螺纹与密封面
内外连接螺纹以及密封面的尺寸见图1和表1。螺纹应符合GB/T192一2003、GB/T193-2003、GB/T197—2003与GB/T2516—1993。密封面应连续无间断,并且无疏松与裂痕。单位为牵米
说明:
:最小间距=滤清器直径D+20mm
密封面Ra=3.2μm。平均值的测量在最小波长C-0.8mm和总距离l。一4mm处。序列为1、2.3.4、5、6、7、8和9时,C值取0.2,序列为10.11.12和13时、C值取0.3。图1连接与密封面
GB/T 28954—2012
表连接螺纹与密封面的尺寸
配台公差
螂栓螺纹
M24×2. 0
M26×2
M30×2
M38×2
滤消器螺纹
滤清器的装配在紧固状态时螺效的连长度应大于,至少应有3扣螺纹咬合,滤清器直径与长度
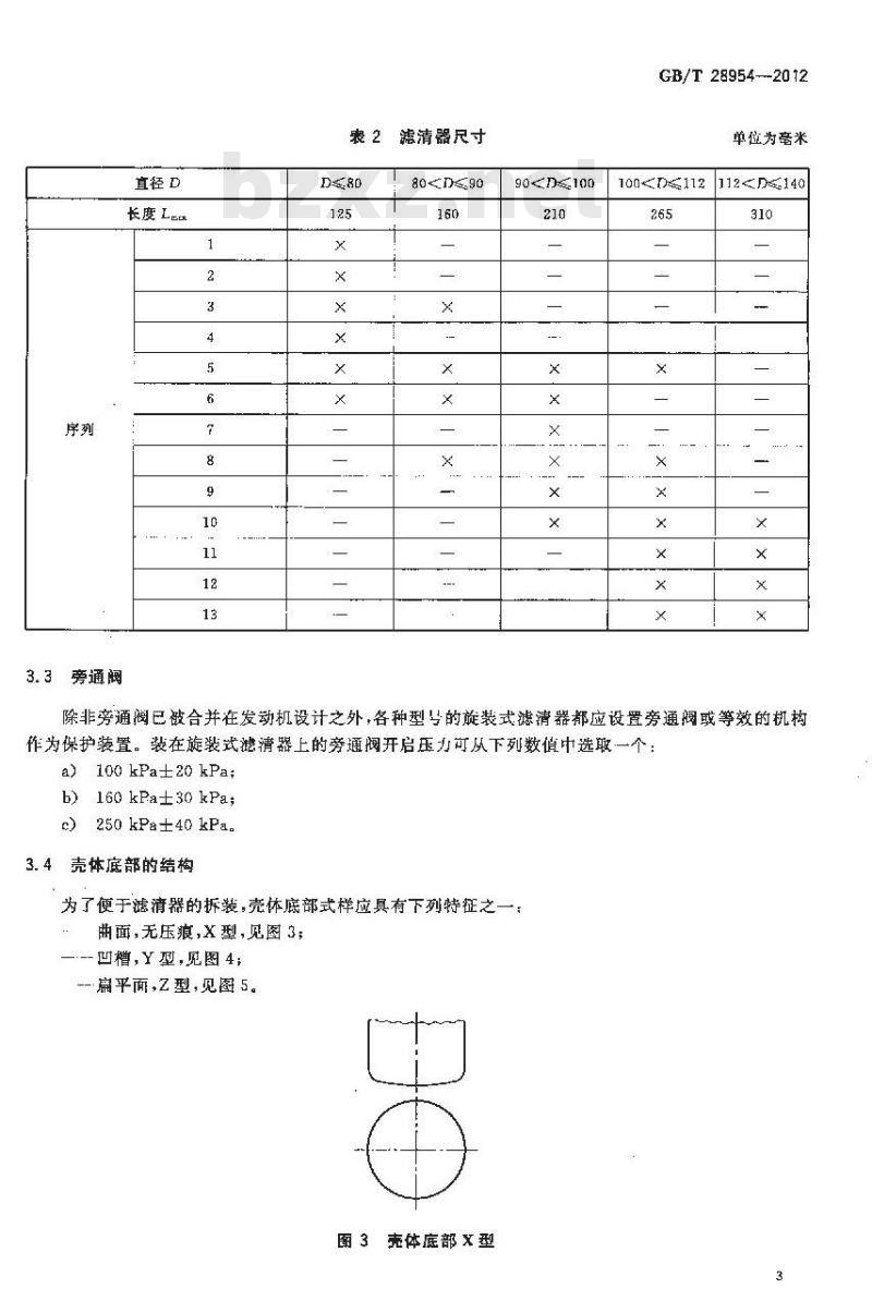
滤清器直径与长度规格尺寸见图2和表2。ds
说明:
单位为亳米
,密封圈的凸起高度由制造商依据材料和形状来决定,封圈应有充分的压缩能满足一次配成功,在滤清器使用期间应保持密封妥求。
b密封的直径应介于图1中d之间。。波消器与密封圈真径的配合应满足两个尽件同步更换的需要。图2滤清器
3.3旁通阀
直径D
长度Le
滤清器尺寸
80≤90
90GB/T 28954--2012
单位为毫米
1000112112140
除非旁通阀已被合并在发动机设计之外,各种型的旋装式滤清器都应设置旁通阀或等效的机构作为保护装置。装在旋装式滤清器上的旁通阀开启压力可从下列数值中选取一个:a)100 kPa±20 kPa:
b) 160 kPa±30 kPa;
c) 250 kPa±40 kPa.
3.4壳体底部的结构
为了便于滤清器的拆装,壳体底部式样应具有下列特征之一;曲面,无压痕,×型,见图3;
—.--凹槽,Y型,见图4;
—扁平面,Z型,见图5。
图3壳体底部X型
GB/T28954—2012
说明:凹槽数为6或6的倍数
图4壳体简底部Y型
说明:扇平面数为8、1012.14.15个或更多个,图 5 壳体底部 Z 型
4标识
旋装式机油滤清器应按以下方式标识:示例:来用公制螺纹M16×1.5且在表2中序列为1的旋装式滤清器名称为:单位为米
单位为旁米
机油滤清器GB/T28954M16×1.5-15标记
使用公制螺纹的滤清器总成及其包装盒上应有标注,每个旋装式滤清器的标记应标明下列内容:制造商或供应商名称;
b)型号名称(例如,产品目录样本号):日期或制造商的代码;
安装说明,
符合第4章的滤清器标识。
除非发动机制造商另有要求,所有标记都应显示在每个滤清器的壳体上。GB/T28954—2012
GB/T28954-2012
打印日期:2013年4月24日F009
中华人民共和国
国家标准
汽车发动机旋装式机油滤清器
连接尺寸
GB/T 28954---2012bZxz.net
中国标准出版社出版发行
北京市朝阳区和平里西街甲2号(100013)北京市西城区三里河北街16号(100045)网址 spc. net. cn
总编室:(010)64275323发行中心(010)51780235读者照务部:[010)68523946
中国标准出版社案皇岛印刷厂印刷各地新华书店经销
开本880X12301/16
印张 0. 75 字数 10 千字
2013年4月第版
201.3年4月第一次印刷
书号:155066-1-46739 定价16.00 元如有印装差错由本社发行中心调换版权专有侵权必究
举报电话:(010)68510107
小提示:此标准内容仅展示完整标准里的部分截取内容,若需要完整标准请到上方自行免费下载完整标准文档。
中华人民共和国国家标准
GB/T28954-2012
汽车发动机
旋装式机油滤清器
连接尺寸
Automotive engines-Spin-on filters for lubricating oil-Connect dimensions
(ISO 6415:2005,Internal combustion engines—Spin-on filters forluhricating oil--Dimensions,MOD)2012-12-31发布
中华人民共和国国家质量监督检验检疫总局中国国家标准化管理委员会
2013-07-01实施
本标推按照GB/T1.1一2009给出的规则起草。GB/T28954—2012
本标准使用重新起草法修改采用ISO6415:2005&内燃机旋装式机油滤清器尺寸》,本标摊与ISO6415:2005的技术性差异及其原因如下:一关于规范性引用文件,本标准做了具有技术性差异的调整,以适应我国的技术条件,调整的情况集中反映在第2章“规范性引用文件\中,具体调整如下::用修改采用国际标准的GB/T192—2003代ISO68-1:1998(见3.1);,用修改采用国际标准的GB/T1932003代替IS0261.1998(见3.1);·用修改采用国际标准的GB/T197—2003代替ISO965-1:1998(见3.1);。用修改采用国际标准的GB/T25[6—1993代替ISO965-3:1998(见3.1)。根据对国内发动机用旋装式机油滤消器连接尺寸的调查结果,在表1和表2齐增加了8个系列。
本标推做了下列编辑性修改:
为与现有标谁系列--致,将标准名称改为《汽车发动机旋装式机油滤清器连接尺寸》。本标准由全国汽车标准化技术委员会(SAC/TC111)归口。本标准起草单位:蚌埠金威滤清器有限公司、临海江南内燃机附件有限公司、淄博永华滤清器制造有限公司、中国第一汽车集团公司技术中心。本标准主要起草人:李建国、单梅梅、金文华、李永华、米培清、曹立新。1
1范国
汽车发动机旋装式机油滤清器
连接尺寸
GB/T 28954-2012
本标准规定了汽车发动机润滑油过滤用全流旋装式滤清器的基本尺,名称和标记。本标准适用于汽车发动机润滑油过滤用全流旋装式滤清器的互换性。2规范性引用文件
下列文件对于本文件的应用是必不可少的。凡是注日期的引用文件,仪注期的版本适用于本文件。凡是不注日期的引用文件,其最新版本(包括所有的修改单)适用于本文件。GB/T192—2003普通螺纹基本牙型(ISO68-1.1998)GB/T1932003普通螺纹直径与螺距系列(ISO261:1998)GB/T197—2003普通螺纹公差(ISO565-1:1998)GB/T2516—1993普通螺纹极限偏差(ISO965-3:1998)3规格要求
3.1连接螺纹与密封面
内外连接螺纹以及密封面的尺寸见图1和表1。螺纹应符合GB/T192一2003、GB/T193-2003、GB/T197—2003与GB/T2516—1993。密封面应连续无间断,并且无疏松与裂痕。单位为牵米
说明:
:最小间距=滤清器直径D+20mm
密封面Ra=3.2μm。平均值的测量在最小波长C-0.8mm和总距离l。一4mm处。序列为1、2.3.4、5、6、7、8和9时,C值取0.2,序列为10.11.12和13时、C值取0.3。图1连接与密封面
GB/T 28954—2012
表连接螺纹与密封面的尺寸
配台公差
螂栓螺纹
M24×2. 0
M26×2
M30×2
M38×2
滤消器螺纹
滤清器的装配在紧固状态时螺效的连长度应大于,至少应有3扣螺纹咬合,滤清器直径与长度
滤清器直径与长度规格尺寸见图2和表2。ds
说明:
单位为亳米
,密封圈的凸起高度由制造商依据材料和形状来决定,封圈应有充分的压缩能满足一次配成功,在滤清器使用期间应保持密封妥求。
b密封的直径应介于图1中d之间。。波消器与密封圈真径的配合应满足两个尽件同步更换的需要。图2滤清器
3.3旁通阀
直径D
长度Le
滤清器尺寸
80≤90
90
单位为毫米
1000112112140
除非旁通阀已被合并在发动机设计之外,各种型的旋装式滤清器都应设置旁通阀或等效的机构作为保护装置。装在旋装式滤清器上的旁通阀开启压力可从下列数值中选取一个:a)100 kPa±20 kPa:
b) 160 kPa±30 kPa;
c) 250 kPa±40 kPa.
3.4壳体底部的结构
为了便于滤清器的拆装,壳体底部式样应具有下列特征之一;曲面,无压痕,×型,见图3;
—.--凹槽,Y型,见图4;
—扁平面,Z型,见图5。
图3壳体底部X型
GB/T28954—2012
说明:凹槽数为6或6的倍数
图4壳体简底部Y型
说明:扇平面数为8、1012.14.15个或更多个,图 5 壳体底部 Z 型
4标识
旋装式机油滤清器应按以下方式标识:示例:来用公制螺纹M16×1.5且在表2中序列为1的旋装式滤清器名称为:单位为米
单位为旁米
机油滤清器GB/T28954M16×1.5-15标记
使用公制螺纹的滤清器总成及其包装盒上应有标注,每个旋装式滤清器的标记应标明下列内容:制造商或供应商名称;
b)型号名称(例如,产品目录样本号):日期或制造商的代码;
安装说明,
符合第4章的滤清器标识。
除非发动机制造商另有要求,所有标记都应显示在每个滤清器的壳体上。GB/T28954—2012
GB/T28954-2012
打印日期:2013年4月24日F009
中华人民共和国
国家标准
汽车发动机旋装式机油滤清器
连接尺寸
GB/T 28954---2012bZxz.net
中国标准出版社出版发行
北京市朝阳区和平里西街甲2号(100013)北京市西城区三里河北街16号(100045)网址 spc. net. cn
总编室:(010)64275323发行中心(010)51780235读者照务部:[010)68523946
中国标准出版社案皇岛印刷厂印刷各地新华书店经销
开本880X12301/16
印张 0. 75 字数 10 千字
2013年4月第版
201.3年4月第一次印刷
书号:155066-1-46739 定价16.00 元如有印装差错由本社发行中心调换版权专有侵权必究
举报电话:(010)68510107
小提示:此标准内容仅展示完整标准里的部分截取内容,若需要完整标准请到上方自行免费下载完整标准文档。
标准图片预览:





- 其它标准
- 热门标准
- 国家标准
- GB/T7534-1987 工业用挥发性有机液体沸程的测定
- GB/T50772-2012 木结构工程施工规范
- GB/T18204.4-2000 公共场所毛巾、床上卧具微生物检验方法细菌总数测定
- GB50367-2013 混凝土结构加固设计规范
- GB50666-2011 混凝土结构工程施工规范
- GB8552-1987 电子器件详细规范 低功率非线绕固定电阻器 RJ13型金属膜固定电阻器评定水平E(可供认证用)
- GB/T11379-2008 金属覆盖层 工程用铬电镀层
- GB/T23892.3-2009 滑动轴承 稳态条件下流体动压可倾瓦块止推轴承 第3部分:可倾瓦块止推轴承计算的许用值
- GB/T20976-2023 软冰淇淋预拌粉质量要求
- GB/T15917.3-1995 金属镝及氧化镝化学分析方法 对氯苯基荧光酮--溴化十六烷基三甲基胺分光光度法测定钽量
- GB/T11839-1989 二氧化铀芯块中硼的测定 姜黄素萃取光度法
- GB/T6122.1-2002 圆角铣刀 第1部分:型式和尺寸
- GB/T7433-1987 对称电缆载波通信系统抗无线电广播和通信干扰的指标
- GB/T12053-1989 光学识别用字母数字字符集 第一部分:OCR-A字符集印刷图象的形状和尺寸
- GB/T14463-2022 粘胶短纤维
- 行业新闻
请牢记:“bzxz.net”即是“标准下载”四个汉字汉语拼音首字母与国际顶级域名“.net”的组合。 ©2025 标准下载网 www.bzxz.net 本站邮件:bzxznet@163.com
网站备案号:湘ICP备2025141790号-2
网站备案号:湘ICP备2025141790号-2