- 您的位置:
- 标准下载网 >>
- 标准分类 >>
- 国家标准(GB) >>
- GBT 19850-2013 导电用无缝铜管
标准号:
GBT 19850-2013
标准名称:
导电用无缝铜管
标准类别:
国家标准(GB)
标准状态:
现行出版语种:
简体中文下载格式:
.rar .pdf下载大小:

部分标准内容:
ICS 77.150.3C
中华人民共和国国家标准
GB/T19850—2013
代替G/T198592005
导电用无缝铜管
The seanless copper lubes for electrical purposes2013-12-17发布
中华人民共和国国家质量监督检验检疫总局中国国家标准化管理委员会
2014-09-01实施
本标准按照(G/T1.12009给出的规则起草。GB/T19850—2C13
本标准代替GB/T198502005乐中用无缝网形铜管》,本标准与(B/T19850200相比,土要发术内容变化如下:
标准名称正“导良用无缝测形铜管\修订为“导电用无缝铜管”;增加了TUO.TL1,FUAgO.1牌号:
一增加了短方形铜管及相成应规定:圆形直管外径上限由159mzn增加到178mm;壁厚E限±25mm减小到10mm:长度下限由1500nm减小至900mm.上限山7500mm增加到8500ttm:--取消了化学成分中“杂质元素供可不作分析·仙应保证”;取消了圆形管外径与壁停的普通级允许偏差;提高了管材长度处诈瑞兰的精度;将木退火拉制圆形管的圆度用“不人丁公称外径的1.5关”修订为按径厚比分档给出偏差;将“管材直度、切斜度符合GBT16866的规定”修订为术退火拉制画形管的点度按公称外径和长度寸分档给出偏;提高了圆形管切斜度指标;力学性能中增加了布民或维氏硬度的选作规定:增加了氢脆试验的选作规定;
一调整了管材水压试验力的计算公式;一-管材气压试验和水压试验的取样数量由20均提高到逐根抽取;附录A电阻系数与导电率的换算表中增加了体积电阻系数与质量电阳系数,电导率之间的换算。
本标准参照采用美国ASTMB188--201G&导电无缝铜管\标准。本标准由全国有色金属标准化技术委员会(SAC/TC243)归。本标准负责起草单位:上海飞轮有位新材料股份有限公司、江苏包罗创材集团股份有限公司本标准参加起草单位:江苏仓环业股份有限公司、无锡隆达金扁材料有鞭公司、山会中佳新材料有限公司。
本标准兰要起卓人:郭莉、周洪雷、张益、李新、益龙、赵饮海、总频频、王秀琴.谷卡东、翁祥金、彭永聪
本标所代咨标准的历次版本发布情况为:G3/T19850-—2005,
1范围
导电用无缝铜管
CB/T19850—2013
本标准规定广导电用无缝铜管(以下简称管材的要求、试验力法、检验舰则、你志、包瑟、运输、赔存、质量证明书及合同(或订货单)内容,在标适而丁电炉,电机、输变电等设备眉导电厕形、(方)杉无缝铜管。2规范性引用文件
下列文件对丁本文件的应用是必不可少的。凡是注日期的引用文件,仅注日期的版木适用于本文件:凡是不差H期的引用文性,其最新版本包括所有的修改单)适用了-本文件,GB/T228.12010金属材料拉伸试验第1部分:空温试验方法(IS06892-1:2003.M01))(GJB/T2!:金属管液压试验方法GB/T 241金属管李曲试验方法(IS0 8491:1998,IDT)GB/T35″金属材料电阻系数测量方法GB/T2828.1让数样检验程序第1部分:按接收质量限(AQL)始索的逐批检验抽样计划CB/T5121(所有部分)铜及合金化学分析方法G13/T5231加E铜及铜合金牌号和化学分3铜及铜介金无缝管涡流探伤方法GB/T 5248
GB/T 8888
重有色金属加工产品的色装、标志、运输和些存(G13/23606铜氢脆检验方法
GB/T26303.1铜及铜合金加T.材外形尺寸检测方法第1部分:管材
YS/T482
YS/T 483
3要求
3.1产品分类
及锁合金分析方法北电发射光谱法铜及铜合金分析方法X射线荧光光谱法(波长色散型)3.1.1牌号、状态、规格
管材的牌号、状态和规格应符合表1的规定1
GB/T19850-—2013
T1013:
T10120
C13290
T10530
T1E210
T1a5co
T11650
C12c09
表1牌号、状态和规格
5--178
较化退火(060)
轻拉(H53)
硬态拉拔(H)
. ---13.0
0.5~- 6.0
注:需方郊有其他牌少、状态,规格产品娶求时,巾供带双方协定。3.1.2
标记示例
规格/:t
矩(方)形
对迎距
19--153
13--33
产品标记按产品名称、标准编号、牌号、状态、规格的顺序表示。标记示例如下:长度
9368 530
示例1:用lTAg0.1制造的.软化退火(000)状态,外径为60mm,整厚为5.0mm,长度为5800mm的园形管材标记:
号电钢 GB/T 19550-TAg0.1 (360-$60X5.0× 5 800示创2:用1制造的.软化退火((3G0)状态,外径为22mm,厚为2.1mm长度为1aC00mm的圆形盘管材标tr:
导申铜竿 GI3/T 19850-T1 060-622× 2.0×15 C00示例3:川TL:2制造的.轻拉(H53)状态,K边为36mm,短边为21mm,壁厚为1.,2 mm长虑郑8500 tmul的矩退管村标记为:
导当带GB/T19850-TL2H5536X24×1.2×8=80示例4:用T2制造的.硬态我段(H8c状态,边长为1m,强厚为.Cmm.长度3503m的方形管材称记为:号电钢管GI3/T19850-T2H8312C×120×2.C×35:r3.2化学成分
管材的化学成分应符个GB/T5231中相应牌号的规定。3.3外形尺寸及其允许偏差
3.3.1阀形管材外径及具允许偏差应符合表2的规定。表2
5--1 :5
2* 15 -- 26
225 ~~30
圆形管材外径及其允许偏差
平均外轻充诈偏益·不大下
单位为亲米
-75 --100
-100-:123
2- 125 -- 150
150--178
表(续)
GB/T19850—2013
单位为米
平均外径允许差,人于
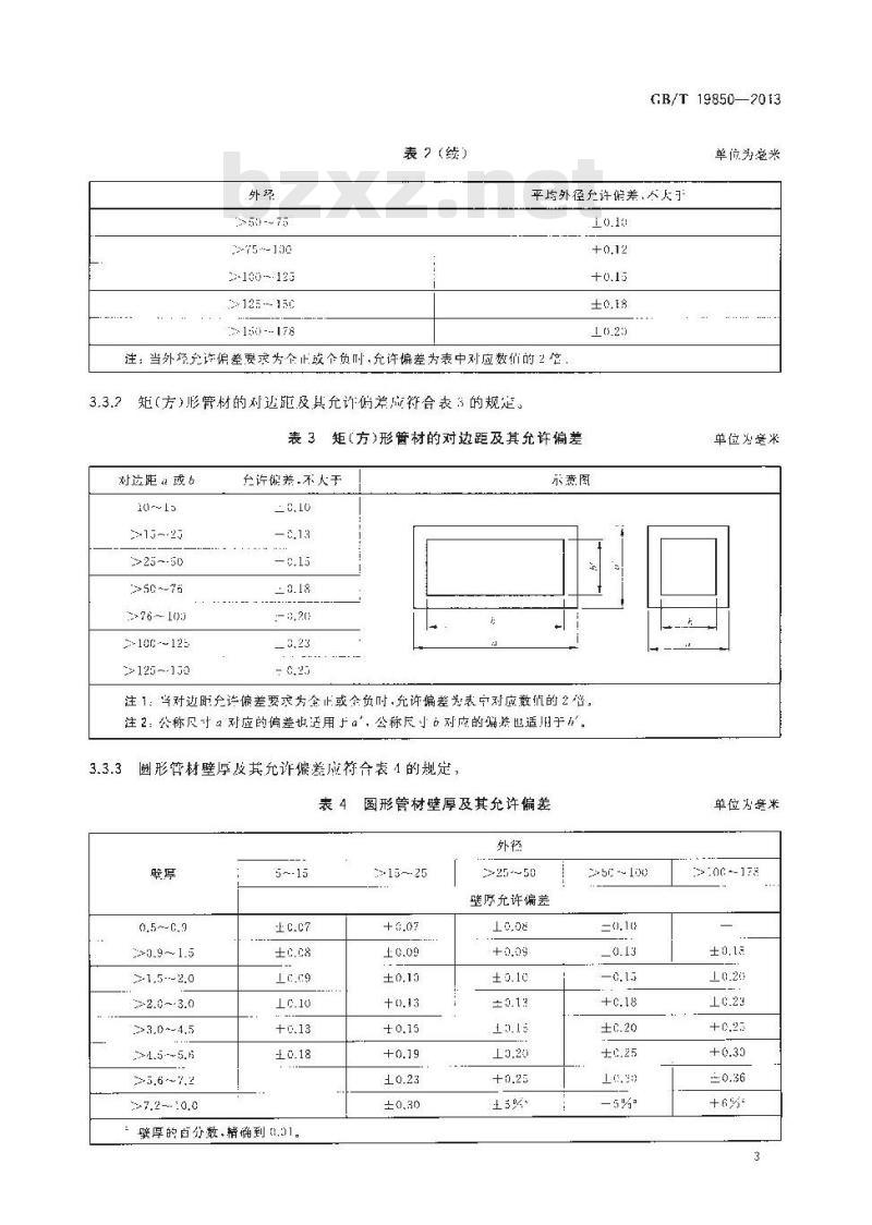
注:当外经允许偏差要求为个止或个负时,允许偏差为表中对应数值的2悼矩(方)形管材的对达距及具允许偏差成符合表3的规定。3.3.2
表3矩(方)形管材的对边距及其充许偏差对距或6
2-15~-25
>25~-50
>50~76
2*76--103
10r-125
125~133
允许差.不人于
示意阁
注1:当对迎距允许偏差要求为金止或余负时,允许偏差为表可对应数位的2注2:公称尺十。对应的偏差却活用于。,公称小b对应的端差也适用于。3.3.3
圆形管材壁厚及其充许偏差成符合表1的规定,表4圆形管材壁厚及其允许偏差
20.9 ~1.5
2>3,0~-4,5
>4.5--5.6
7.2--10.0
:壁厚的白分激、精确到,31
---15~--25
25-~50
壁厚充许偏差
5 - 100
±c,25
单位为整米
单位为毫米
>:0G --173
GB/T 19850—2013
如(万)形管材壁厚及其允许偶差应符介表5的规定表5矩(方)形管材壁厚及其允许偏差对进距
.5~ 0.9
C. 3 --1.R
21.±--2.
> 3.0- 4.5
2: 7.2 ~-13.0
1C --13
管材长度及其允许偏差应符合表6的规定,2~25.--59
障质充诈偏器
供需双力协商
管材长度及其充许偏差
外径或对距
900~3900
>3 000~-1 5C0
4 $0--5 600
2-5 8r0-~8 5c0
注:其他长度及允许偏差白供需双协商长度的百分数
充许偏差
矩(方)形管材的内、外角如图1所示,允许角半径应不超过表7的规定。内
图1内、外角半径
单位为率x
1c0-~ 50
单位为旁米
22105--178
2 1.0 -~ 3.0
2s.c-- Ic.
3.3.7形状偏差
3,3,7.1 网度
表7矩(方)形管材允许角半径
最太半经
供需双方协商
轻拉或硬态拉拔圆形管材的阅度应符个表8的规定,表8轻拉或硬态拉拔圆形管材的圆度壁风与外径之比
0.01--0.C3
>0.03~..93
t.05-.3.1c
3.3.7.2点度
GB/T 19850—2013
单位为毫米
间度/,天人于
径的1.5对
5径的1.0路
外径的0.8%或0.03取较大值
外径的 0.7%或 0.233(收较大值:轻拉或硬态拉拨矩(方)形替材的直度,在全长任意2 000 mm上测得的最大孤深宽不人:13 mrn;外径不大于90rm的轻拉或硬态拉技函形管材直度应符合表9的规定,外径大于tmm的轻拉或硬态拉拨國形管材度由供需双方协商表9轻拉或硬态拉拔圆形管材的直度长度
2030~2500
2 500--3 000
全长不太1
注:长度超过39c0mm的管材,在全长任意30001m管段上测得的最人弧深不超过13mm:3,3.7,3拼行度
长度不大于4500tr:m的拉拔硬态短(方)形管材的扭扩度应符合表1G规定。单位为毫米
GH/F19850--2013
10~-18
2-18~-30)
: 30--50
50--80
2*R --120
2-120 -- +5t:
3.3.8斜设
表10矩(方)形管材的扭拧度
危许最大扯拧度
年米长度
供带双方协商
总长渡
1.0x1./ 3co
15x1./1 3c0
2.0XL/1 )
3.0XL/1 0G:
4.5x1/1 coc
单位为旁米
管材的端部应钳切平整·在不使管材长度超出允许偏差的条件下,其切斜度应符合表!!的规定。表11
外轻或刘边再
3.4力学性能
管材的切斜度
外径的 1.6%
沔斜唇,不太]
矩()形
对边距的2.5%
单位为毫来
管材的室温纵向力学性能应符合表12的规定,需方要求时,选拯进行布氏硬度或维氏硬度试验,当选择进行硬度试验时,拉伸试验结果仅供参考。表12管材的力学性能
退火(060)
轻拉(H553
型态量拨(H8C)
3.5电性能
尺小范乱/mm
璧序5.0
壁厚5.5
抗拉强度 R。/MPa
200~-255
250---300
240--290
290-360
275-~320
断店仲长率A/%
管材在2℃℃的室温条件下,电性能成符合表13的规定,6
60--90
85~-105
9:--11c
退火((06)
抢投:H553
硬态拉拔(HSC)
3.6弯曲试验
尺小围itmrm
壁厚>5.0
壁厚5.6
壁厚3.0
管材的电性能
20导电率/%IACS(不于)
IL1,E2, rL3
T,TLAg3.1, TA0.1
GB/T19850—2013
需方要求时,外径小于10cmm壁厚小5.0IIn1的圆形管材成按表11规定的变芯半径进行奔曲试验,退火态的圆形管材弯曲180″,轻拉乱使态拉拔态的圆形管材弯曲90°。试验后,管材不成有目视可见的裂纹或裂口。
表14弯曲试验的弯芯半径
注1:其他外径圆形管材弯曲试验的弯芯半径由供需双厅参照表宁数据协商:注2弯曲前可在管材内填充沙子,松香或其他材料3.7氢脆试验
弯芯平径
单位为学米
需方要求时,TUO.TLI、TU2、TLI3、TUIAgO,1、TP1牌号的管材应进行览试验。试验采用州合弯曲,闭合弯也试样的外侧面不应出现裂纹,3.8非破坏性试验
需方要求时,应在3.8.1~3.8.3种检验中任选一进行非破坏性试验。水压试验的最大试验斥力不超过 6 MPa。
GB/T 19850—2013
3.8.1涡流探伤
管材进行流探伤检验时,人标准缺(钻孔直径)应符合CB/T52~8的规定。3.8.2
气压试验
管材逃行气压试验对,应无气泡出现,亦不应出现水久变形3,8.3水压试验
管材进行水压诚验时,试验尺力由式(1)求,在比试验压力下·持续10,管材应无渗漏和永久变形。
=2St/(D - 0.81)
式中:
试验压方,单位为兆帕(MPa);
一管材壁原,单位为堂米(mm):)-一管材外径或对边i,单位为毫米(mm):S
材料允许应力,S—1CMPs。
3.9表面质量
管材的内外表函应光滑、清洁,不应有分层、针礼、起皮、气泡、夹杂等影响使用的缺陷,4试验方法
化学成分分析方法
管材化学成分的分析方法按GB/T6121、YS/T482、YS/T183的规定法行,仲裁时按(G1/T5121的规定进行。
外形尺寸测量方法
管材外形尺寸的测量力法按GH/I263C3.1的规是法行。4.3力学性能试验方法
管材的织向室温拉伸试验方法按GB/1228.12010的规定进行。管材拉伸试样按表15选取。管材拉伸试样选取
表15中
外径或对边无/mm
3c~50Www.bzxZ.net
70 --109
105~178
(R/T228.1—2010中的表GB/T228.!2010中的试群编号GB/T228.12C10中的附录
F:.1 或 H:.2
S1或 S7
S3、S4
4.4电性能的仲裁试验方法
GB/T 19850-2013
管材电阻系数的裁试验方法按(T31的规定进行.电阳系数对应的导电率见附录A4.5弯曲试验方法
管材弯曲试验按GB/T211的规定进行。外径大于6:mII圆形管材的试验方法由供需双方协商。4.6氢脆试验方法
管材氢脆仲裁试验方法按GB/T23606的规定进行,4.7非破坏性检验方法
4.7.1管材的涡流探伤试验方法按(G13,T5248的规定进行。4.7.2管材进行气压试验时,空“c正力为C.5MPa,管材光全浸人水中至少:4.7.3管材的水压试验方法按(FI3/T241的规定进行,4.8表面质量检查方法
管材的表而质量应用口视进行检查。5检验规则
5.1检查与验收
5.1.1管材应由供方技术监督部门行检验,保证产品质量符合本标准及合同(或订货单)的规定,并填考质量证明书。
5.1.2需方对收到的产品按本标准及合同(或订货单)的规楚进行复验,复验结果与术标准及合同(或订货单)的规定不符时.应以形式向供方提出·由俱需双方协商解决,属于表面质最及尺寸偏差的异议,应在收到产品之口起一个月内提出;其他质量异议,应在收到产品个月内提出。如需仆裁,冲裁样应山供需双力共同进行。
5.2组批
管材应成批提交验收,每批应由同一牌号、状态和规格纽成。每批重量成不大于2000kg:5.3检验项目
每批管材应进行化学成分、外形尺寸允许偏差、力学性能(不包括硬度)、电性能和表面质量的检验。如有要求对还应逃行便度试验、弯曲试验、氛脆试验和非破坏性试验,5.4取样
管材瑕样应符合表15的规定,
GB/T19850—2013
险验项目
化学成分
外形尺寸允许偏差
力学性能
电性能
弯由试验
到脆试验
涡龚价
气片试验
水压试验
表而所
表16取样
最样规定
1个试样/炉或锭(供片)+1个试样/批(萨)役G5/T 2828.[中-般验验水平Ⅱ规定取烊许选2根/批:1个试样/根
选2根/批1个试栏/报
任选2根/批,1个试样/板
任送2板/挫,1人试样/根
逐根墟验
逐根检验
逐根检验
按GB/T282.8.1中一般检验水平Ⅱ规定取样接收质限 AQI,一2,5。
5.5检验结果的判定
5.5.1化学成分不合格时,判该批管材不合格要求章书号
试验方法药章节号
5.5.2管材的外尺寸偏差和表面质最不合格时,判该根不合格。每批不舍格件数超出接收质片限时判整批不合格,或用供方逐根检验,合格者交货,5.5.3管材涡流探伤、水压试验和气压试验不合格,判该根不合格。5.5.4当力学性能,电性能、弯曲试验、氧脆试验的试验结果中有试样不合格时.应从该批管材(包括原检验不合格的那根产品或该不合格试样代表的邯根产品)中取双倍数量的试样进行重复试验,重复试验结果全部合格,则判整批产品合格。者重复试验结果仍有试样不合格,则判该批管材小合格,或由假方逐根检验,合格者交货。
6标志、包装、运输、贮存和质量证明书管材的标志、包装、运输、处存和质量证明书应符合GB/T8888的规定。合同(或订货单)内容
订购本标准所刻产品的个同或订货单)内应包括下列内:产品名称:
b)牌号:
e)状态;
)规格;
砸度试验(有要求时);
变曲试验(有要求时);
小提示:此标准内容仅展示完整标准里的部分截取内容,若需要完整标准请到上方自行免费下载完整标准文档。
中华人民共和国国家标准
GB/T19850—2013
代替G/T198592005
导电用无缝铜管
The seanless copper lubes for electrical purposes2013-12-17发布
中华人民共和国国家质量监督检验检疫总局中国国家标准化管理委员会
2014-09-01实施
本标准按照(G/T1.12009给出的规则起草。GB/T19850—2C13
本标准代替GB/T198502005乐中用无缝网形铜管》,本标准与(B/T19850200相比,土要发术内容变化如下:
标准名称正“导良用无缝测形铜管\修订为“导电用无缝铜管”;增加了TUO.TL1,FUAgO.1牌号:
一增加了短方形铜管及相成应规定:圆形直管外径上限由159mzn增加到178mm;壁厚E限±25mm减小到10mm:长度下限由1500nm减小至900mm.上限山7500mm增加到8500ttm:--取消了化学成分中“杂质元素供可不作分析·仙应保证”;取消了圆形管外径与壁停的普通级允许偏差;提高了管材长度处诈瑞兰的精度;将木退火拉制圆形管的圆度用“不人丁公称外径的1.5关”修订为按径厚比分档给出偏差;将“管材直度、切斜度符合GBT16866的规定”修订为术退火拉制画形管的点度按公称外径和长度寸分档给出偏;提高了圆形管切斜度指标;力学性能中增加了布民或维氏硬度的选作规定:增加了氢脆试验的选作规定;
一调整了管材水压试验力的计算公式;一-管材气压试验和水压试验的取样数量由20均提高到逐根抽取;附录A电阻系数与导电率的换算表中增加了体积电阻系数与质量电阳系数,电导率之间的换算。
本标准参照采用美国ASTMB188--201G&导电无缝铜管\标准。本标准由全国有色金属标准化技术委员会(SAC/TC243)归。本标准负责起草单位:上海飞轮有位新材料股份有限公司、江苏包罗创材集团股份有限公司本标准参加起草单位:江苏仓环业股份有限公司、无锡隆达金扁材料有鞭公司、山会中佳新材料有限公司。
本标准兰要起卓人:郭莉、周洪雷、张益、李新、益龙、赵饮海、总频频、王秀琴.谷卡东、翁祥金、彭永聪
本标所代咨标准的历次版本发布情况为:G3/T19850-—2005,
1范围
导电用无缝铜管
CB/T19850—2013
本标准规定广导电用无缝铜管(以下简称管材的要求、试验力法、检验舰则、你志、包瑟、运输、赔存、质量证明书及合同(或订货单)内容,在标适而丁电炉,电机、输变电等设备眉导电厕形、(方)杉无缝铜管。2规范性引用文件
下列文件对丁本文件的应用是必不可少的。凡是注日期的引用文件,仅注日期的版木适用于本文件:凡是不差H期的引用文性,其最新版本包括所有的修改单)适用了-本文件,GB/T228.12010金属材料拉伸试验第1部分:空温试验方法(IS06892-1:2003.M01))(GJB/T2!:金属管液压试验方法GB/T 241金属管李曲试验方法(IS0 8491:1998,IDT)GB/T35″金属材料电阻系数测量方法GB/T2828.1让数样检验程序第1部分:按接收质量限(AQL)始索的逐批检验抽样计划CB/T5121(所有部分)铜及合金化学分析方法G13/T5231加E铜及铜合金牌号和化学分3铜及铜介金无缝管涡流探伤方法GB/T 5248
GB/T 8888
重有色金属加工产品的色装、标志、运输和些存(G13/23606铜氢脆检验方法
GB/T26303.1铜及铜合金加T.材外形尺寸检测方法第1部分:管材
YS/T482
YS/T 483
3要求
3.1产品分类
及锁合金分析方法北电发射光谱法铜及铜合金分析方法X射线荧光光谱法(波长色散型)3.1.1牌号、状态、规格
管材的牌号、状态和规格应符合表1的规定1
GB/T19850-—2013
T1013:
T10120
C13290
T10530
T1E210
T1a5co
T11650
C12c09
表1牌号、状态和规格
5--178
较化退火(060)
轻拉(H53)
硬态拉拔(H)
. ---13.0
0.5~- 6.0
注:需方郊有其他牌少、状态,规格产品娶求时,巾供带双方协定。3.1.2
标记示例
规格/:t
矩(方)形
对迎距
19--153
13--33
产品标记按产品名称、标准编号、牌号、状态、规格的顺序表示。标记示例如下:长度
9368 530
示例1:用lTAg0.1制造的.软化退火(000)状态,外径为60mm,整厚为5.0mm,长度为5800mm的园形管材标记:
号电钢 GB/T 19550-TAg0.1 (360-$60X5.0× 5 800示创2:用1制造的.软化退火((3G0)状态,外径为22mm,厚为2.1mm长度为1aC00mm的圆形盘管材标tr:
导申铜竿 GI3/T 19850-T1 060-622× 2.0×15 C00示例3:川TL:2制造的.轻拉(H53)状态,K边为36mm,短边为21mm,壁厚为1.,2 mm长虑郑8500 tmul的矩退管村标记为:
导当带GB/T19850-TL2H5536X24×1.2×8=80示例4:用T2制造的.硬态我段(H8c状态,边长为1m,强厚为.Cmm.长度3503m的方形管材称记为:号电钢管GI3/T19850-T2H8312C×120×2.C×35:r3.2化学成分
管材的化学成分应符个GB/T5231中相应牌号的规定。3.3外形尺寸及其允许偏差
3.3.1阀形管材外径及具允许偏差应符合表2的规定。表2
5--1 :5
2* 15 -- 26
225 ~~30
圆形管材外径及其允许偏差
平均外轻充诈偏益·不大下
单位为亲米
-75 --100
-100-:123
2- 125 -- 150
150--178
表(续)
GB/T19850—2013
单位为米
平均外径允许差,人于
注:当外经允许偏差要求为个止或个负时,允许偏差为表中对应数值的2悼矩(方)形管材的对达距及具允许偏差成符合表3的规定。3.3.2
表3矩(方)形管材的对边距及其充许偏差对距或6
2-15~-25
>25~-50
>50~76
2*76--103
10r-125
125~133
允许差.不人于
示意阁
注1:当对迎距允许偏差要求为金止或余负时,允许偏差为表可对应数位的2注2:公称尺十。对应的偏差却活用于。,公称小b对应的端差也适用于。3.3.3
圆形管材壁厚及其充许偏差成符合表1的规定,表4圆形管材壁厚及其允许偏差
20.9 ~1.5
2>3,0~-4,5
>4.5--5.6
7.2--10.0
:壁厚的白分激、精确到,31
---15~--25
25-~50
壁厚充许偏差
5 - 100
±c,25
单位为整米
单位为毫米
>:0G --173
GB/T 19850—2013
如(万)形管材壁厚及其允许偶差应符介表5的规定表5矩(方)形管材壁厚及其允许偏差对进距
.5~ 0.9
C. 3 --1.R
21.±--2.
> 3.0- 4.5
2: 7.2 ~-13.0
1C --13
管材长度及其允许偏差应符合表6的规定,2~25.--59
障质充诈偏器
供需双力协商
管材长度及其充许偏差
外径或对距
900~3900
>3 000~-1 5C0
4 $0--5 600
2-5 8r0-~8 5c0
注:其他长度及允许偏差白供需双协商长度的百分数
充许偏差
矩(方)形管材的内、外角如图1所示,允许角半径应不超过表7的规定。内
图1内、外角半径
单位为率x
1c0-~ 50
单位为旁米
22105--178
2 1.0 -~ 3.0
2s.c-- Ic.
3.3.7形状偏差
3,3,7.1 网度
表7矩(方)形管材允许角半径
最太半经
供需双方协商
轻拉或硬态拉拔圆形管材的阅度应符个表8的规定,表8轻拉或硬态拉拔圆形管材的圆度壁风与外径之比
0.01--0.C3
>0.03~..93
t.05-.3.1c
3.3.7.2点度
GB/T 19850—2013
单位为毫米
间度/,天人于
径的1.5对
5径的1.0路
外径的0.8%或0.03取较大值
外径的 0.7%或 0.233(收较大值:轻拉或硬态拉拨矩(方)形替材的直度,在全长任意2 000 mm上测得的最大孤深宽不人:13 mrn;外径不大于90rm的轻拉或硬态拉技函形管材直度应符合表9的规定,外径大于tmm的轻拉或硬态拉拨國形管材度由供需双方协商表9轻拉或硬态拉拔圆形管材的直度长度
2030~2500
2 500--3 000
全长不太1
注:长度超过39c0mm的管材,在全长任意30001m管段上测得的最人弧深不超过13mm:3,3.7,3拼行度
长度不大于4500tr:m的拉拔硬态短(方)形管材的扭扩度应符合表1G规定。单位为毫米
GH/F19850--2013
10~-18
2-18~-30)
: 30--50
50--80
2*R --120
2-120 -- +5t:
3.3.8斜设
表10矩(方)形管材的扭拧度
危许最大扯拧度
年米长度
供带双方协商
总长渡
1.0x1./ 3co
15x1./1 3c0
2.0XL/1 )
3.0XL/1 0G:
4.5x1/1 coc
单位为旁米
管材的端部应钳切平整·在不使管材长度超出允许偏差的条件下,其切斜度应符合表!!的规定。表11
外轻或刘边再
3.4力学性能
管材的切斜度
外径的 1.6%
沔斜唇,不太]
矩()形
对边距的2.5%
单位为毫来
管材的室温纵向力学性能应符合表12的规定,需方要求时,选拯进行布氏硬度或维氏硬度试验,当选择进行硬度试验时,拉伸试验结果仅供参考。表12管材的力学性能
退火(060)
轻拉(H553
型态量拨(H8C)
3.5电性能
尺小范乱/mm
璧序5.0
壁厚5.5
抗拉强度 R。/MPa
200~-255
250---300
240--290
290-360
275-~320
断店仲长率A/%
管材在2℃℃的室温条件下,电性能成符合表13的规定,6
60--90
85~-105
9:--11c
退火((06)
抢投:H553
硬态拉拔(HSC)
3.6弯曲试验
尺小围itmrm
壁厚>5.0
壁厚5.6
壁厚3.0
管材的电性能
20导电率/%IACS(不于)
IL1,E2, rL3
T,TLAg3.1, TA0.1
GB/T19850—2013
需方要求时,外径小于10cmm壁厚小5.0IIn1的圆形管材成按表11规定的变芯半径进行奔曲试验,退火态的圆形管材弯曲180″,轻拉乱使态拉拔态的圆形管材弯曲90°。试验后,管材不成有目视可见的裂纹或裂口。
表14弯曲试验的弯芯半径
注1:其他外径圆形管材弯曲试验的弯芯半径由供需双厅参照表宁数据协商:注2弯曲前可在管材内填充沙子,松香或其他材料3.7氢脆试验
弯芯平径
单位为学米
需方要求时,TUO.TLI、TU2、TLI3、TUIAgO,1、TP1牌号的管材应进行览试验。试验采用州合弯曲,闭合弯也试样的外侧面不应出现裂纹,3.8非破坏性试验
需方要求时,应在3.8.1~3.8.3种检验中任选一进行非破坏性试验。水压试验的最大试验斥力不超过 6 MPa。
GB/T 19850—2013
3.8.1涡流探伤
管材进行流探伤检验时,人标准缺(钻孔直径)应符合CB/T52~8的规定。3.8.2
气压试验
管材逃行气压试验对,应无气泡出现,亦不应出现水久变形3,8.3水压试验
管材进行水压诚验时,试验尺力由式(1)求,在比试验压力下·持续10,管材应无渗漏和永久变形。
=2St/(D - 0.81)
式中:
试验压方,单位为兆帕(MPa);
一管材壁原,单位为堂米(mm):)-一管材外径或对边i,单位为毫米(mm):S
材料允许应力,S—1CMPs。
3.9表面质量
管材的内外表函应光滑、清洁,不应有分层、针礼、起皮、气泡、夹杂等影响使用的缺陷,4试验方法
化学成分分析方法
管材化学成分的分析方法按GB/T6121、YS/T482、YS/T183的规定法行,仲裁时按(G1/T5121的规定进行。
外形尺寸测量方法
管材外形尺寸的测量力法按GH/I263C3.1的规是法行。4.3力学性能试验方法
管材的织向室温拉伸试验方法按GB/1228.12010的规定进行。管材拉伸试样按表15选取。管材拉伸试样选取
表15中
外径或对边无/mm
3c~50Www.bzxZ.net
70 --109
105~178
(R/T228.1—2010中的表GB/T228.!2010中的试群编号GB/T228.12C10中的附录
F:.1 或 H:.2
S1或 S7
S3、S4
4.4电性能的仲裁试验方法
GB/T 19850-2013
管材电阻系数的裁试验方法按(T31的规定进行.电阳系数对应的导电率见附录A4.5弯曲试验方法
管材弯曲试验按GB/T211的规定进行。外径大于6:mII圆形管材的试验方法由供需双方协商。4.6氢脆试验方法
管材氢脆仲裁试验方法按GB/T23606的规定进行,4.7非破坏性检验方法
4.7.1管材的涡流探伤试验方法按(G13,T5248的规定进行。4.7.2管材进行气压试验时,空“c正力为C.5MPa,管材光全浸人水中至少:4.7.3管材的水压试验方法按(FI3/T241的规定进行,4.8表面质量检查方法
管材的表而质量应用口视进行检查。5检验规则
5.1检查与验收
5.1.1管材应由供方技术监督部门行检验,保证产品质量符合本标准及合同(或订货单)的规定,并填考质量证明书。
5.1.2需方对收到的产品按本标准及合同(或订货单)的规楚进行复验,复验结果与术标准及合同(或订货单)的规定不符时.应以形式向供方提出·由俱需双方协商解决,属于表面质最及尺寸偏差的异议,应在收到产品之口起一个月内提出;其他质量异议,应在收到产品个月内提出。如需仆裁,冲裁样应山供需双力共同进行。
5.2组批
管材应成批提交验收,每批应由同一牌号、状态和规格纽成。每批重量成不大于2000kg:5.3检验项目
每批管材应进行化学成分、外形尺寸允许偏差、力学性能(不包括硬度)、电性能和表面质量的检验。如有要求对还应逃行便度试验、弯曲试验、氛脆试验和非破坏性试验,5.4取样
管材瑕样应符合表15的规定,
GB/T19850—2013
险验项目
化学成分
外形尺寸允许偏差
力学性能
电性能
弯由试验
到脆试验
涡龚价
气片试验
水压试验
表而所
表16取样
最样规定
1个试样/炉或锭(供片)+1个试样/批(萨)役G5/T 2828.[中-般验验水平Ⅱ规定取烊许选2根/批:1个试样/根
选2根/批1个试栏/报
任选2根/批,1个试样/板
任送2板/挫,1人试样/根
逐根墟验
逐根检验
逐根检验
按GB/T282.8.1中一般检验水平Ⅱ规定取样接收质限 AQI,一2,5。
5.5检验结果的判定
5.5.1化学成分不合格时,判该批管材不合格要求章书号
试验方法药章节号
5.5.2管材的外尺寸偏差和表面质最不合格时,判该根不合格。每批不舍格件数超出接收质片限时判整批不合格,或用供方逐根检验,合格者交货,5.5.3管材涡流探伤、水压试验和气压试验不合格,判该根不合格。5.5.4当力学性能,电性能、弯曲试验、氧脆试验的试验结果中有试样不合格时.应从该批管材(包括原检验不合格的那根产品或该不合格试样代表的邯根产品)中取双倍数量的试样进行重复试验,重复试验结果全部合格,则判整批产品合格。者重复试验结果仍有试样不合格,则判该批管材小合格,或由假方逐根检验,合格者交货。
6标志、包装、运输、贮存和质量证明书管材的标志、包装、运输、处存和质量证明书应符合GB/T8888的规定。合同(或订货单)内容
订购本标准所刻产品的个同或订货单)内应包括下列内:产品名称:
b)牌号:
e)状态;
)规格;
砸度试验(有要求时);
变曲试验(有要求时);
小提示:此标准内容仅展示完整标准里的部分截取内容,若需要完整标准请到上方自行免费下载完整标准文档。

标准图片预览:





- 热门标准
- 国家标准
- GB50256-2014 电气装置安装工程 起重机电气装置施工及验收规范
- GB6403.3-1986 滚花
- GB/T8260-2008 卡箍式柔性管接头 型式与尺寸
- GB/T42544-2023 铝及铝合金阳极氧化膜及有机聚合物膜的腐蚀评定 栅格法
- GB/T11383-1989 信息处理 信息交换用八位代码结构和编码规则
- GB/T18362-2001 直燃型溴化锂吸收式冷(温)水机组
- GB/T14294-2008 组合式空调机组
- GB19578-2021 乘用车燃料消耗量限值
- GB/T15063-2020 复合肥料
- GB/Z43482-2023 液压传动 软管和软管总成 收集流体样本分析清洁度的方法
- GB4444-1984 船用钢质斜梯
- GB/T20026-2005 橡胶和塑料软管 内衬层耐磨性测定
- GB/T15729-2008 手用扭力扳手通用技术条件
- GB/T1226-2010 一般压力表
- GB/T27991-2011 河流泥沙测验及颗粒分析仪器基本技术条
- 行业新闻
请牢记:“bzxz.net”即是“标准下载”四个汉字汉语拼音首字母与国际顶级域名“.net”的组合。 ©2009 标准下载网 www.bzxz.net 本站邮件:bzxznet@163.com
网站备案号:湘ICP备2023016450号-1
网站备案号:湘ICP备2023016450号-1