- 您的位置:
- 标准下载网 >>
- 标准分类 >>
- 国家标准(GB) >>
- GB/T 13916-2013 冲压件形状和位置未注公差
- 标准号: - GB/T 13916-2013
- 标准名称: - 冲压件形状和位置未注公差
- 标准类别: - 国家标准(GB)
- 标准状态: 现行
- 出版语种: 简体中文
- 下载格式: .rar .pdf
- 下载大小: 
 标准内容
标准内容部分标准内容:
					
					ICS25.020
中华人民共和国国家标准
GB/T13916—--2013
代替GB/T13916—2002
冲压件形状和位置未注公差
Unnoted tolerance of shape and positiou for stamping parts2013-06-09 发布免费标准下载网bzxz
中华人民共和国国家质量监督检验检疫总局中国国家标准化管理委员会
2014-03-01实施
本标准按照 GB/T 1.1一2009 给出的规则起草。GB/T 13916—2013
本标准代替GB/T13916—2002《冲压件形状和位置未注公差》,与GB/T13916—2002相比,除编辑性修改外,主要技术变化如下:修改了标推名称的英文翻译(见封面,2002年版的封面);修改了公差等级(见第2章,2002年版的第2章):修改了图形标注(见3.2中图2,2002年版的图2);修改了圆柱度未注公差(见3.4,2002年版的3.4);修改厂平行度术注公差(见3.52002年版的3.5);一删除了一组公差数值(见2002年版的3.1公差等级5);一增加了采用本标准的表示方法(见4)本标准由全国锻压标推化技术委员会(SAC/TC74)提出并归口。本标谁主要起草单位:一拖(阳)福莱格车身有限公司。本标准主要起草人:戴路、祝晶、李俊英、李商欣。本标准所代替标准的历次版本发布情况为:-GB/T13915—1992;
-GB/T13915—2002。
1范围
冲压件形状和位置未注公差
GB/T 13916—2013
本标推规定了金属冲压件的直线度、平面度、同轴度、对称度的未注公差等级和数值,规定金属冲压件的圆度、圆柱度、平行度、垂直度、倾斜度的未注公差。本标摊适用于金属板材冲压件。2公差等级
种冲压件的直线度、平面度、同轴度、对称度未注公差均分为T(精密级)、(中等级)、c(粗糙级)、\(最粗级>四个公差等级,冲压件的圆度、圆柱度、平行度、垂直度、倾斜度未注公差不分公差等级。3公差数值
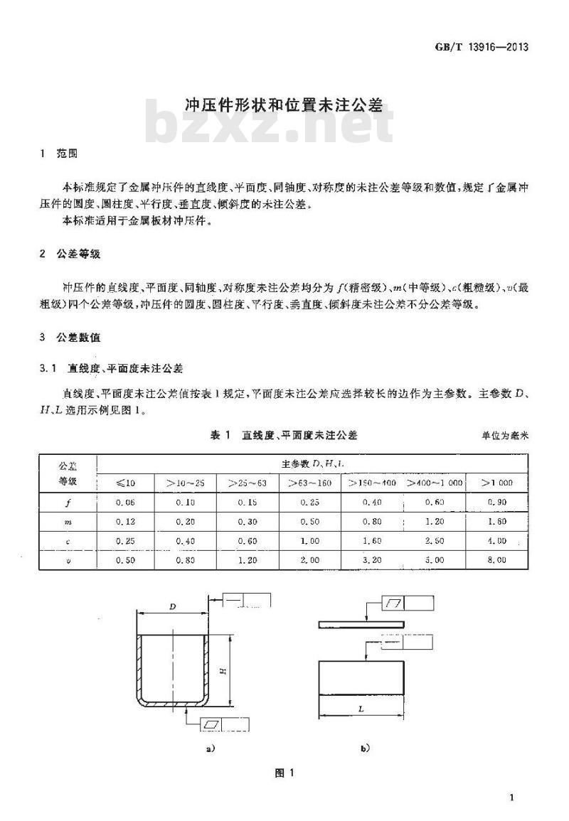
3.1直线度、平面度未注公差
直线度,平面度未注公差值按表1规定,平面度未注公差应选择较长的边作为主参数。主参数D、H、L选用示例见图1。
表1直线度、平面度未注公差
>10~25
>25~63
主参数 D,H,L.
>63--160
150--100
2400--1 000
单位为毫米
>1 000
GB/T13916—2013
同轴度,对称度未注公差
图1(续)
同轴度、对称度木注公差值按表 2 规定。主参数 B,D、d、L选用示例见图 2。表2同轴度、对称度未注公差
>10-~25
主参数 B.D.a,L
63--160
>160~400
>400~~1000
单位为米
>1 000
3.3圆度未注公差
图2(续)
圆度未注公差值应不大于相应尺寸公差值。3.4圆柱度未注公差
GB/T13916—2013
圆柱度未注公差由三部分组成:圆度,直线度和相对素线的平行度公差,而每一项公差均由其标注公差或未注公差控制,采用包容要求。3.5平行度未注公差
平行度未注公差值等于尺寸公差值或平面直线)度公差值,两者以较大值为准。3.6垂直度、倾斜度未注公差
垂直度,倾斜度未注公差值由角度公差值和直线度公差值分别控制。4采用本标准的表示方法
采用本标准规定的末注公差,应在相应的图样、技术文件中用本标准号和公差等级符号表示。例如,选用本标准m级公差等级时,表示为:GB/T13916-m。
小提示:此标准内容仅展示完整标准里的部分截取内容,若需要完整标准请到上方自行免费下载完整标准文档。
	 
	        
	      中华人民共和国国家标准
GB/T13916—--2013
代替GB/T13916—2002
冲压件形状和位置未注公差
Unnoted tolerance of shape and positiou for stamping parts2013-06-09 发布免费标准下载网bzxz
中华人民共和国国家质量监督检验检疫总局中国国家标准化管理委员会
2014-03-01实施
本标准按照 GB/T 1.1一2009 给出的规则起草。GB/T 13916—2013
本标准代替GB/T13916—2002《冲压件形状和位置未注公差》,与GB/T13916—2002相比,除编辑性修改外,主要技术变化如下:修改了标推名称的英文翻译(见封面,2002年版的封面);修改了公差等级(见第2章,2002年版的第2章):修改了图形标注(见3.2中图2,2002年版的图2);修改了圆柱度未注公差(见3.4,2002年版的3.4);修改厂平行度术注公差(见3.52002年版的3.5);一删除了一组公差数值(见2002年版的3.1公差等级5);一增加了采用本标准的表示方法(见4)本标准由全国锻压标推化技术委员会(SAC/TC74)提出并归口。本标谁主要起草单位:一拖(阳)福莱格车身有限公司。本标准主要起草人:戴路、祝晶、李俊英、李商欣。本标准所代替标准的历次版本发布情况为:-GB/T13915—1992;
-GB/T13915—2002。
1范围
冲压件形状和位置未注公差
GB/T 13916—2013
本标推规定了金属冲压件的直线度、平面度、同轴度、对称度的未注公差等级和数值,规定金属冲压件的圆度、圆柱度、平行度、垂直度、倾斜度的未注公差。本标摊适用于金属板材冲压件。2公差等级
种冲压件的直线度、平面度、同轴度、对称度未注公差均分为T(精密级)、(中等级)、c(粗糙级)、\(最粗级>四个公差等级,冲压件的圆度、圆柱度、平行度、垂直度、倾斜度未注公差不分公差等级。3公差数值
3.1直线度、平面度未注公差
直线度,平面度未注公差值按表1规定,平面度未注公差应选择较长的边作为主参数。主参数D、H、L选用示例见图1。
表1直线度、平面度未注公差
>10~25
>25~63
主参数 D,H,L.
>63--160
150--100
2400--1 000
单位为毫米
>1 000
GB/T13916—2013
同轴度,对称度未注公差
图1(续)
同轴度、对称度木注公差值按表 2 规定。主参数 B,D、d、L选用示例见图 2。表2同轴度、对称度未注公差
>10-~25
主参数 B.D.a,L
63--160
>160~400
>400~~1000
单位为米
>1 000
3.3圆度未注公差
图2(续)
圆度未注公差值应不大于相应尺寸公差值。3.4圆柱度未注公差
GB/T13916—2013
圆柱度未注公差由三部分组成:圆度,直线度和相对素线的平行度公差,而每一项公差均由其标注公差或未注公差控制,采用包容要求。3.5平行度未注公差
平行度未注公差值等于尺寸公差值或平面直线)度公差值,两者以较大值为准。3.6垂直度、倾斜度未注公差
垂直度,倾斜度未注公差值由角度公差值和直线度公差值分别控制。4采用本标准的表示方法
采用本标准规定的末注公差,应在相应的图样、技术文件中用本标准号和公差等级符号表示。例如,选用本标准m级公差等级时,表示为:GB/T13916-m。
小提示:此标准内容仅展示完整标准里的部分截取内容,若需要完整标准请到上方自行免费下载完整标准文档。
 标准图片预览
标准图片预览 标准图片预览:





- 其它标准
- 热门标准
- 国家标准
- GB/T21666-2008 尿吸收辅助器具 评价的一般指南
- GB/T2828.1-2012 计数抽样检验程序 第1部分:按接收质量限(AQL)检索的逐批检验抽样计划
- GB/T32999-2016 表面化学分析 深度剖析 用机械轮廓仪栅网复型法测量溅射速率
- GB/T39454-2020 国际贸易业务数据规范货物跟踪与追溯
- GB/T38948-2020 沥青混合料低温抗裂性能评价方法
- GB/T13589-2007 锌及锌合金废料
- GB28355-2012 食品添加剂 水杨酸甲酯(柳酸甲酯)
- GB/T13070-1991 铀矿石中铀的测定 电位滴定法
- GB14880-2012 食品营养强化剂使用标准
- GB/T43912-2024 铸造机械 再制造 通用技术规范
- GB/T9003-1988 调音台基本特性测量方法
- GB5585.3-1985 电工用铜、铝及其合金母线 第3部分:铝母线
- GB/T19561-2004 寒地节能日光温室建造规程
- GB/T7574-1987 信息处理交换用磁带标号和文卷结构
- GB/T24715-2009 氧源转换器
- 行业新闻
请牢记:“bzxz.net”即是“标准下载”四个汉字汉语拼音首字母与国际顶级域名“.net”的组合。 ©2025 标准下载网 www.bzxz.net 本站邮件:bzxznet@163.com
网站备案号:湘ICP备2025141790号-2
网站备案号:湘ICP备2025141790号-2
