- 您的位置:
- 标准下载网 >>
- 标准分类 >>
- 纺织行业标准(FZ) >>
- FZ/T 01113-2012 织物小变形剪切性能的试验方法
标准号:
FZ/T 01113-2012
标准名称:
织物小变形剪切性能的试验方法
标准类别:
纺织行业标准(FZ)
标准状态:
现行出版语种:
简体中文下载格式:
.rar .pdf下载大小:

部分标准内容:
科学、公正、高效、快捷
浙江中正检测技术服务有限公司Fz
中华人民共和国纺织行业标准
FZ/T 01113—2012
织物小变形剪切性能的试验方法Test method of fabrie shear property at low levels of deformation2012-12-28发布
中华人民共和国工业和信息化部发布
2013-06-01实施
中华人民共和国纺织
行业标准
织物小变形剪切性能的试验方法FZ/T01113—2012
中国标准出版社出版发行
北京市朝阳区和平里西街甲2号(100013)北京市西城区三里河北街16号(10C045)网址 spc. net. cn
总编室:(010)64275323
发行中心:(010)51780235
读者股务部:(010)68523946
中国标准出版社葬皇岛印刷厂印刷各地新华书店经销
开本 88C×1230
印张 0.5
字数吕干字
2C13年3月第一版2013年3月第一次印刷书号:155066-2-24517
如有印装差错
青由本社发行中心调换
版权专有侵权必究
举报电话:(010)68510107
本标准按照 GB/T 1, 1一2009 给出的规则起草。本标准由中国纺织工业联合会提出。FZ/T01113—2012
本标准由全国纺织品标准化技术委员会基础标摊分技术委员会(SAC/TC209/SC1)叶口。本标推起草单位:国家纺织制品质量监督检验中心、日信纺织有限公可。本标准主要起草人主立新、王宝军、吕世良。1范围
织物小变形剪切性能的试验方法本标准规定了测试织物在小变形下前切性能的试验方法。本标准适用于各类织物。
2规范性引用文件
FZ/T 01113—2012
下列文件对于本文件的应用是必不可少的。凡是注日期的引用文件,仅注口期的版本适用于本文件。凡是不注日期的引用文件,其最新版本(包括所有的修改单)适用于本文件。GB/T6529纺织品调湿和试验用标准大气3术语和定义
下列术语和定义适用于本文件。3.1
剪切角shear angle
剪切过程中两夹钳中心点连线偏离初始位置的角度。3.2
剪切刚度shear rigidity
试样在小变形范国内剪切应力变化与相应的剪切角变化之比,在数值上等于剪切曲线上规定剪切角范围内最接近直线部分的斜率。3.3
剪切滞后距
shear hysteresis.
试择发生前切变形时,在剪切和回复卒规定剪切角时剪切应力之差。4原理
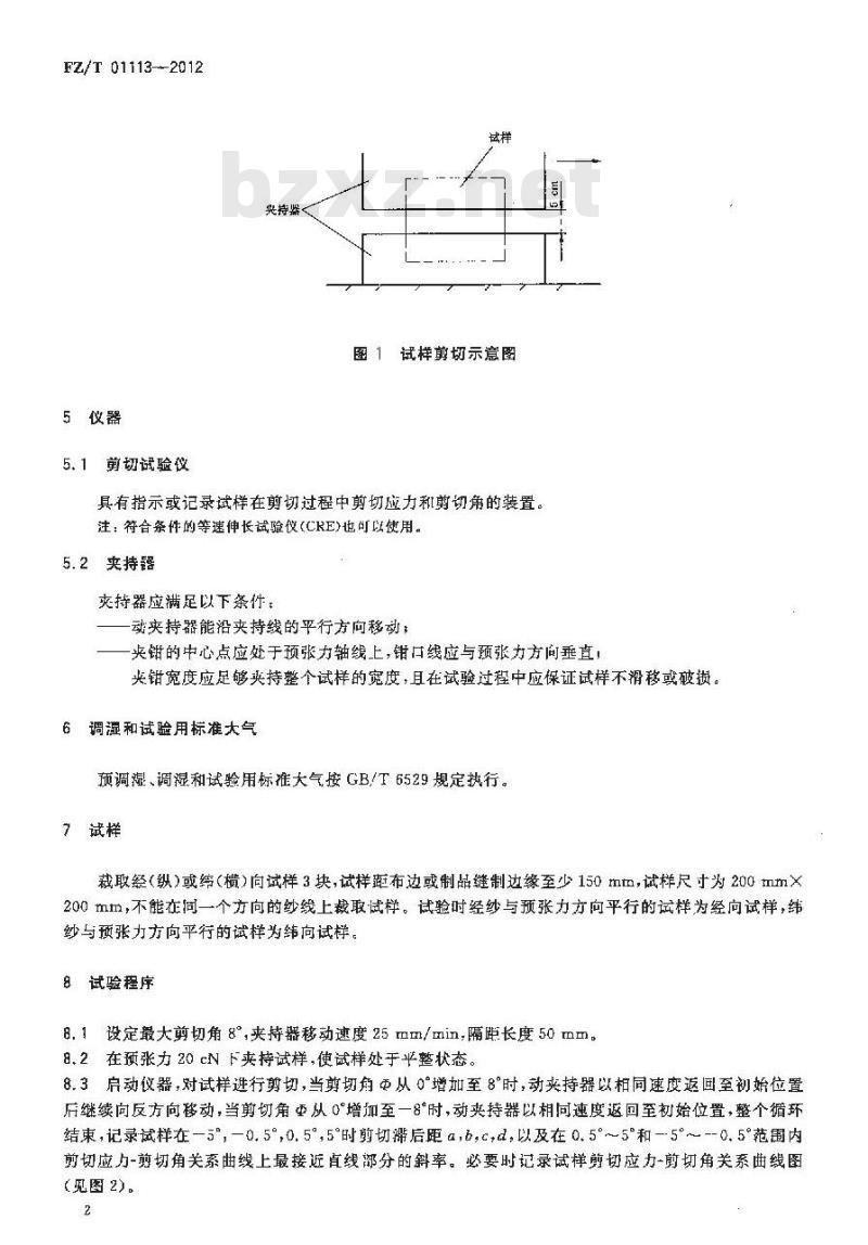
夹持试样两端,使动夹持器沿夹持线的平行方向移动(参见图1)对试样避行剪切,当剪切角从零增加至规楚角度时,动夹持器以相同速度返回至初始位置后继续朝反方向移动;当剪切角从零增加至反方向规定角度时,动夹持器以相同速度返回至初始位置完成一个循环,得到试样剪切应力-剪切角关系曲线图,由此计算试样的剪切刚度和剪切滞后距。注:一般情况下,剪切刚度越大织物抵抗变形能力越好,剪切滞后距越小,回复能力越好。1
FZ/T01113-2012
5仪器
5.1剪切试验仪
染持要
图1试样剪切示意图
具有指示或记录试样在剪切过程中剪切应力和剪切角的装置。注:符合条件的等速伸长试验仪(CRE)也可以使用。5.2夹持器
夹持器应满足以下条件:
动夹持器能沿夹持线的平行方向移动;夹钳的中心点应处于预张力轴线上,钳口线应与预张力方向垂直,钳宽度应足够夹持整个试样的宽度,且在试验过程中应保证试样不滑移或破揽。6调溉和试验用标准大气免费标准下载网bzxz
预调湿、调湿和试验用标准大气按 GB/T 6529 规定执行。7试样
裁取经(纵)或缔(横)向试样3块,试样距布边或制品缝制边缘至少150 mtm,试样尺寸为200mm×200 mm,不能在间一个方向的纱线上裁取试样。试验时经纱与预张力方向平行的试样为经向试样,纬纱与预张力方向平行的试样为纬向试样。8试验程序
8.1设定最大剪切角8°夹持器移动速度25mm/min,隔距长度50 mm。8.2在预张力20cN下夹持试样,使试样处于平整状态。8.3启动仪器,对试样进行剪切,当剪切角Φ从0°增加至8°时,动夹持器以相同速度返回至初始位置后继续向反方向移动,当剪切角垂从0°增加至一8°时,动夹持器以相同速度返回至初始位置,整个循环结束,记录试样在一5°,一0.5°,0.5°,5°时剪切滞后距 a,b,c+d,以及在 0.5°~5°和-5°~--0.5°范围内前切应力-剪切角关系曲线上最接近直线部分的斜率。必要时记录试样剪切应力-剪切角关系曲线图(见图2)。
说期:
(d/Na)/
-剪切应力,单位为厘牛每米(cN/cm);剪切角,单位是度(\);
lan G,
- tan-l(Gr
a+h,c,d :-分别为一5°,—0, 5°,0. 5°,5\时剪切滞后距,单位厘牛每求(cN/cm);GrGh
FZ/T01113—2012
分别为剪切角在 0. 5°~5\和一5\~一0. 5°范面内,剪切应力-剪切角关系曲线上最接近直线部分的率。图2剪切应力-剪切角关系曲线图8.4将试样旋转90°,按照8.2~~8.3对另一个方向进行测试。8.5更换另一试样,重复8.2~8.4的操作,直至测试完所有试样。9结果计算和表示
9.1按式(1)计算每块试样的剪切刚度G。G=
式中:
-(G: +-Gb)
G一-试样剪切刚度,单位为厘牛每厘米每度[eN/em·【\)];G—-在0.5°~5°内,剪切应力-剪切角关系曲线上最接近直线部分的斜率,G
在一5°~一0.5内,剪切应力-前切角关系曲线上最接近直线部分的斜率。9.2按式(2)计算每块试样在剪切角为0.5和0.5°时剪划滞后距的平均值2HG。2HG-
式中:
-(h+e)
试样在剪切角为一0.5利0.5\时剪切滞后距的平均值,单位厘牛每厘米(cN/cm);剪切角为一0.5°时的剪切潴后距,单位厘牛每米(cN/cm);剪切角为0.5°时的剪切滞后距,单位厘牛每厘米(cN/c)。9.3按式(3)计算每块试样在剪切角为一5°和5\时剪切滞后距的平均值2HG5:2HG5
(1)
(3)
FZ/T 01113--2012
式中:
试样在剪切角为一5°和5°时剪切滞后距的平均值,单位为厘牛每厘米(cN/cm);剪切角为一5°时的剪切滞后距,单位为厘牛每厘米(cN/cm);-剪切角为 5°时的剪切滞后距,单位为厘牛每厘米(cN/cm)。9.4分别计算经纬向或纵横向G、2HG,2HiG5 的平均值,各平均值均修约至 0.001。试验报皆
试验报告应包括下列内容:
a)本标准编号;
b)样品的描述;
仪器型号及试验环境条件:
试验结果,样品经纬间或纵横向G,2HG、2HG5的乎均值;任何偏离本标难的细节及试验中的异常现象。e)
版权专有侵权必究
书号:155066·2-24617
FZ/T01113-2012
打印日期:2013年4月16日F009A定价:
小提示:此标准内容仅展示完整标准里的部分截取内容,若需要完整标准请到上方自行免费下载完整标准文档。
浙江中正检测技术服务有限公司Fz
中华人民共和国纺织行业标准
FZ/T 01113—2012
织物小变形剪切性能的试验方法Test method of fabrie shear property at low levels of deformation2012-12-28发布
中华人民共和国工业和信息化部发布
2013-06-01实施
中华人民共和国纺织
行业标准
织物小变形剪切性能的试验方法FZ/T01113—2012
中国标准出版社出版发行
北京市朝阳区和平里西街甲2号(100013)北京市西城区三里河北街16号(10C045)网址 spc. net. cn
总编室:(010)64275323
发行中心:(010)51780235
读者股务部:(010)68523946
中国标准出版社葬皇岛印刷厂印刷各地新华书店经销
开本 88C×1230
印张 0.5
字数吕干字
2C13年3月第一版2013年3月第一次印刷书号:155066-2-24517
如有印装差错
青由本社发行中心调换
版权专有侵权必究
举报电话:(010)68510107
本标准按照 GB/T 1, 1一2009 给出的规则起草。本标准由中国纺织工业联合会提出。FZ/T01113—2012
本标准由全国纺织品标准化技术委员会基础标摊分技术委员会(SAC/TC209/SC1)叶口。本标推起草单位:国家纺织制品质量监督检验中心、日信纺织有限公可。本标准主要起草人主立新、王宝军、吕世良。1范围
织物小变形剪切性能的试验方法本标准规定了测试织物在小变形下前切性能的试验方法。本标准适用于各类织物。
2规范性引用文件
FZ/T 01113—2012
下列文件对于本文件的应用是必不可少的。凡是注日期的引用文件,仅注口期的版本适用于本文件。凡是不注日期的引用文件,其最新版本(包括所有的修改单)适用于本文件。GB/T6529纺织品调湿和试验用标准大气3术语和定义
下列术语和定义适用于本文件。3.1
剪切角shear angle
剪切过程中两夹钳中心点连线偏离初始位置的角度。3.2
剪切刚度shear rigidity
试样在小变形范国内剪切应力变化与相应的剪切角变化之比,在数值上等于剪切曲线上规定剪切角范围内最接近直线部分的斜率。3.3
剪切滞后距
shear hysteresis.
试择发生前切变形时,在剪切和回复卒规定剪切角时剪切应力之差。4原理
夹持试样两端,使动夹持器沿夹持线的平行方向移动(参见图1)对试样避行剪切,当剪切角从零增加至规楚角度时,动夹持器以相同速度返回至初始位置后继续朝反方向移动;当剪切角从零增加至反方向规定角度时,动夹持器以相同速度返回至初始位置完成一个循环,得到试样剪切应力-剪切角关系曲线图,由此计算试样的剪切刚度和剪切滞后距。注:一般情况下,剪切刚度越大织物抵抗变形能力越好,剪切滞后距越小,回复能力越好。1
FZ/T01113-2012
5仪器
5.1剪切试验仪
染持要
图1试样剪切示意图
具有指示或记录试样在剪切过程中剪切应力和剪切角的装置。注:符合条件的等速伸长试验仪(CRE)也可以使用。5.2夹持器
夹持器应满足以下条件:
动夹持器能沿夹持线的平行方向移动;夹钳的中心点应处于预张力轴线上,钳口线应与预张力方向垂直,钳宽度应足够夹持整个试样的宽度,且在试验过程中应保证试样不滑移或破揽。6调溉和试验用标准大气免费标准下载网bzxz
预调湿、调湿和试验用标准大气按 GB/T 6529 规定执行。7试样
裁取经(纵)或缔(横)向试样3块,试样距布边或制品缝制边缘至少150 mtm,试样尺寸为200mm×200 mm,不能在间一个方向的纱线上裁取试样。试验时经纱与预张力方向平行的试样为经向试样,纬纱与预张力方向平行的试样为纬向试样。8试验程序
8.1设定最大剪切角8°夹持器移动速度25mm/min,隔距长度50 mm。8.2在预张力20cN下夹持试样,使试样处于平整状态。8.3启动仪器,对试样进行剪切,当剪切角Φ从0°增加至8°时,动夹持器以相同速度返回至初始位置后继续向反方向移动,当剪切角垂从0°增加至一8°时,动夹持器以相同速度返回至初始位置,整个循环结束,记录试样在一5°,一0.5°,0.5°,5°时剪切滞后距 a,b,c+d,以及在 0.5°~5°和-5°~--0.5°范围内前切应力-剪切角关系曲线上最接近直线部分的斜率。必要时记录试样剪切应力-剪切角关系曲线图(见图2)。
说期:
(d/Na)/
-剪切应力,单位为厘牛每米(cN/cm);剪切角,单位是度(\);
lan G,
- tan-l(Gr
a+h,c,d :-分别为一5°,—0, 5°,0. 5°,5\时剪切滞后距,单位厘牛每求(cN/cm);GrGh
FZ/T01113—2012
分别为剪切角在 0. 5°~5\和一5\~一0. 5°范面内,剪切应力-剪切角关系曲线上最接近直线部分的率。图2剪切应力-剪切角关系曲线图8.4将试样旋转90°,按照8.2~~8.3对另一个方向进行测试。8.5更换另一试样,重复8.2~8.4的操作,直至测试完所有试样。9结果计算和表示
9.1按式(1)计算每块试样的剪切刚度G。G=
式中:
-(G: +-Gb)
G一-试样剪切刚度,单位为厘牛每厘米每度[eN/em·【\)];G—-在0.5°~5°内,剪切应力-剪切角关系曲线上最接近直线部分的斜率,G
在一5°~一0.5内,剪切应力-前切角关系曲线上最接近直线部分的斜率。9.2按式(2)计算每块试样在剪切角为0.5和0.5°时剪划滞后距的平均值2HG。2HG-
式中:
-(h+e)
试样在剪切角为一0.5利0.5\时剪切滞后距的平均值,单位厘牛每厘米(cN/cm);剪切角为一0.5°时的剪切潴后距,单位厘牛每米(cN/cm);剪切角为0.5°时的剪切滞后距,单位厘牛每厘米(cN/c)。9.3按式(3)计算每块试样在剪切角为一5°和5\时剪切滞后距的平均值2HG5:2HG5
(1)
(3)
FZ/T 01113--2012
式中:
试样在剪切角为一5°和5°时剪切滞后距的平均值,单位为厘牛每厘米(cN/cm);剪切角为一5°时的剪切滞后距,单位为厘牛每厘米(cN/cm);-剪切角为 5°时的剪切滞后距,单位为厘牛每厘米(cN/cm)。9.4分别计算经纬向或纵横向G、2HG,2HiG5 的平均值,各平均值均修约至 0.001。试验报皆
试验报告应包括下列内容:
a)本标准编号;
b)样品的描述;
仪器型号及试验环境条件:
试验结果,样品经纬间或纵横向G,2HG、2HG5的乎均值;任何偏离本标难的细节及试验中的异常现象。e)
版权专有侵权必究
书号:155066·2-24617
FZ/T01113-2012
打印日期:2013年4月16日F009A定价:
小提示:此标准内容仅展示完整标准里的部分截取内容,若需要完整标准请到上方自行免费下载完整标准文档。

标准图片预览:





- 热门标准
- 行业标准
- FZ/T94007.2-2013 综第2部分:织机综框用钢丝综
- FZ/T01057.1-2007 纺织纤维鉴别试验方法 第1部分:通用说明
- FZ/T01041-2014 绒毛织物 绒毛长度和绒毛高度的测定
- FZ/T34002-1992 亚麻印染布
- FZ/T63052—2020 涤纶短纤织带
- FZ/T63035-2016 聚酰胺复丝双层编织结构绳索
- FZ/T43018-2017 蚕丝绒毯
- FZ∕T14041-2018 灯芯绒涤棉混纺印染布
- FZ/T52038-2014 充填用再生涤纶超短纤维
- FZ66307-1995 特种工业用薄型棉带
- FZ/T60014-2017 絮片耐洗涤性能试验方法
- FZ/T2001 2-2015 纺纱油剂可洗涤性试验方法
- FZ/T13004-1995 粘纤本色布
- FZ/T64019-2011 灯箱广告用经编双轴向基布
- FZ/T95032—2021 长环蒸化机
- 行业新闻
请牢记:“bzxz.net”即是“标准下载”四个汉字汉语拼音首字母与国际顶级域名“.net”的组合。 ©2009 标准下载网 www.bzxz.net 本站邮件:bzxznet@163.com
网站备案号:湘ICP备2023016450号-1
网站备案号:湘ICP备2023016450号-1